Главная Юзердоски Каталог Трекер NSFW Настройки

Радиотехника

Создать тред Создать тред
Check this out!

По тупым вопросам — в закреплённый тред.


Паяем махарайки, осуждаем друг друга за разводку платы и макетку из куска фанеры. Хвалимся самодельными ебушками про уровня. Пиратское радио и официальное - связисты всех мастей приветствуются. Форсы "знаменитостей" не приветсвуются, вниманиеблядство и ардуиносрачи тоже. Не можешь сходу назвать закон ома и первое правило кирхгофа - в прикрепленный тред по любому вопросу.

<<
Каталог
Устранение помех в усилителе звука Аноним 20/02/25 Чтв 01:29:52 573806 Ответ
images (1).jpeg 8Кб, 225x225
225x225
Имею усилитель д класса 60 ватт. При проигрывании звука слышны заметные инородные низкочастотные шумы, в простое тоже. Через приложение на телефоне посмотрел на частоту шумов - 50 и 200 герц. Ну, 50 герц ещё понятно, шум от сети, а 200 откуда? С диодного моста? Блок питания Toshiba PA-1900-04. Из вариантов устранения проблемы в голове имею только соединение нуля с землёй через конденсатор и установку конденсатора большей ёмкости на выход питальника(уже стоит 1000мкф). Имеет ли смысл экранирование усилителя и соединение этого экрана с землёй?
Какое управляющее напряжение у КР1182ПМ1 при подключении симистора? https://static.chipdip.ru/lib/16 Аноним 08/02/25 Суб 14:50:04 572932 Ответ
161189975411248[...].png 1222Кб, 1742x622
1742x622
Пропущено 2 постов
2 с картинками.
Пропущено 2 постов, 2 с картинками.
Аноним 12/02/25 Срд 15:21:11 573254
123475486547.gif 23Кб, 387x512
387x512
>>572943
Вот аналогия: светодиоды.
С симисторами также.

По теме: 2,6В там.
Аноним 12/02/25 Срд 15:24:39 573255
>>573254
Т.е. Rсим = Uуправления - Uоткрытия / Iжелаемый.
Аноним 12/02/25 Срд 18:39:51 573268
ПИРАТСКИХ РАДИОСТАНЦИЙ И ПЕРЕДАТЧИКОВ ТРЕД Собираем передатчики из говна и палок, сжигаем выходные Аноним 12/12/23 Втр 21:06:13 544146 Ответ
170240436344737[...].jpg 22Кб, 263x288
263x288
ПИРАТСКИХ РАДИОСТАНЦИЙ И ПЕРЕДАТЧИКОВ ТРЕД

Собираем передатчики из говна и палок, сжигаем выходные каскады усилителей и жопы радиогубителей-нормисов, выходим в эфир без официальных позывных и садимся на бутылку, совершаем набеги на коротких волнах, строим стелс-антенны, шкеримся от радионадзора, устанавливаем маяки, и занимаемся прочей рилейтед хуйнёй.

Кто чем вещает? Пилите свои сетапы, схемы передатчиков, истории набегов, будем воскрешать пиратское /ra/дио-движение и попутно составлять гайд для вката в tx-тему.
Пропущено 129 постов
17 с картинками.
Пропущено 129 постов, 17 с картинками.
Аноним 15/08/24 Чтв 14:40:31 561740
>>561738
Самая большая аудитория. Как куркоды на заборах
Аноним 15/08/24 Чтв 20:26:08 561751
>>561740
На 88...108 мгц, ширина полосы минимум 120 кгц, у морзянки 500 гц, но прием должен быть всеравно. Да, на фм каждый услышать может, но смысл, простому обывателю морзянка не уперлась никуда. А так да, самый распостраненный диапазон.
Аноним 09/02/25 Вск 21:27:54 573027
Бамп
Оффтоп (жесть) Скажите что здесь происходит Аноним 01/01/25 Срд 15:21:32 569721 Ответ
Electrician was[...].mp4 11309Кб, 960x538, 00:00:02
960x538
Оффтоп (жесть)
Скажите что здесь происходит
Пропущено 9 постов
4 с картинками.
Пропущено 9 постов, 4 с картинками.
Аноним 03/01/25 Птн 16:17:23 569854
>>569734
>Предохранители разве можно параллелить?
Можно. Допустим, если у нас батарея из 4 предохранителей, каждый на номинал 0.25 от максимального тока через всю батарею. При превышении тока на одном он сгорит, и по остальным пойдёт уже 0.333 от максимального тока. И они тогда тоже сгорят. Вся батарея будет работать как один большой предохранитель.
Аноним 04/02/25 Втр 20:55:38 572621
4GcenT0tKss.jpg 26Кб, 410x404
410x404
>>569721 (OP)
Работаю с такой же подстанцией, 35/6 кВ, он походу заземляющие ножи не выключил, вот и ебануло
Аноним 05/02/25 Срд 19:29:24 572706
>>572621
Работник Россети Волга, залогинься!
Радиоприемники. Часть 3. Аноним 03/04/24 Срд 17:50:13 553024 Ответ
maxresdefault.jpg 165Кб, 1280x720
1280x720
6042914008.jpg 199Кб, 1000x922
1000x922
1243x6520xac120[...].png 1387Кб, 1243x652
1243x652
радио-реклама.jpg 606Кб, 1680x1050
1680x1050
Предыдущий ищем тут: https://2ch.hk/ra/res/491302.html


Старые - новые.
Дорогие - дешевые.
Шипящие - скрипящие.
Бытовые и сканирующие.

Все тут. Обсуждаем, хвастаемся, делимся наработками, рассказываем истории, слушаем божественный эфир!
Пропущено 2019 постов
381 с картинками.
Пропущено 2019 постов, 381 с картинками.
Аноним 10/02/25 Пнд 12:29:28 573067
images.jpg 10Кб, 259x194
259x194
Аноним 21/02/25 Птн 17:39:37 573940
7004811329.jpg 182Кб, 1000x1000
1000x1000
Есть ли у кого опыт использования автомобильных активных антенн? Будет от них толк для СВ и КВ?
Аноним 01/04/25 Втр 00:21:08 575891
Сосед блокирует интернет с помощью flipper zero Аноним 20/01/25 Пнд 15:16:41 571113 Ответ
IMG202501171236[...].jpg 92Кб, 810x1080
810x1080
Вообщем сосед купил какую-то подделку похожую на flipper zero, но она у него работает. Сегодня заходит ко мне со словами "ну чё как инет", я смотрю, а интернет не работает. Я обычно раздаю интернет с телефона на ноутбук и как он мне объяснил, эта штука подбирает пароли и создаёт вторую такую же сеть. Вообщем аноны помогите советом, как обойти эту залупу
Пропущено 22 постов
1 с картинками.
Пропущено 22 постов, 1 с картинками.
Аноним 02/02/25 Вск 13:53:57 572340
>>572324
С одинаковым именем? Выберет ту где сигнал сильнее.
Аноним 02/02/25 Вск 14:59:56 572349
>>572340
Не особо он там разный, особенно если две-три штуки врубить. Вообще не знаю предысторию, может он как раз и провоцирует ОПа на незаконные действия (например заглушить), тут только ему высказать, а дальше уже принимать силовые методы.
Аноним 02/02/25 Вск 15:31:50 572353
>>572349
Чел, похуй сколько штук ты врубишь - сигнал сильнее не станет 😀
COM-порт кнопочного телефона Аноним # OP 01/01/25 Срд 12:57:45 569713 Ответ
v.jpg 46Кб, 376x373
376x373
Интересует такая тема, как подключение кнопочного телефона к ПК, а еще лучше к Raspberry, и управление им, вернее его модемом, посредством AT-команд.
Я смог подрубить раскладушку самсунга 2014 г выпуска к своему ПК через USB и сам себе отправить СМС, позвонить в терминале. Интересует, могут ли так недорогие доступные в 2025 на маркетплейсах кнопари? И есть ли такие, которые будут работать на линуксе?
И еще вопрос, если вскрыть телефон, можно ли там найти UART и подключиться непосредственно к нему, чтобы общаться с радиомодулем (модемом), слать ему АТ команды? Названную раскладушку к сожалению нельзя никак потерять, поэтому с ней не буду экспериментировать. М.б. кто-то уже пробовал и есть такая статистика. Кстати, а как подключали совсем древние телефоны? Условный сименс C35 можно было как-то к последовательному порту подрубить???
Пропущено 11 постов
1 с картинками.
Пропущено 11 постов, 1 с картинками.
Аноним 02/01/25 Чтв 17:41:18 569769
>>569757
Ты дурак? Ты дурак!
Модуль на SIM800 стоит 300 рублей, USB-to-UART, какой-нибудь CH340N стоит сто рублей ведро.
Сколько будет стоить кнопочная звонилка? К тому же инфа 146%, что UART там если и есть, то на пинах какого-нибудь контроллера.
Аноним 02/01/25 Чтв 19:15:56 569770
>>569769
> Модуль на SIM800 стоит 300 рублей, USB-to-UART, какой-нибудь CH340N стоит сто рублей ведро.
Токо gsm модулю не хватит питания с USB-to-UART.
>Сколько будет стоить кнопочная звонилка?
Да столько же и будет, может рублей на 200 дороже.
>UART там если и есть, то на пинах какого-нибудь контроллера.
Ну вот да. Если не получится завести телефон по USB на линуксе, придется что-то колхозить и не факт, что получится.
Аноним 29/01/25 Срд 18:08:15 571948
>>569713 (OP)
Ты гонишь? Тебе инет нужен? Подключи свисток или старый смарт. У меня по усб инет раздает уже давно.
FLIPPER ZERO Аноним 07/01/25 Втр 16:48:48 570107 Ответ
download.jpeg 8Кб, 299x168
299x168
Погнали. Душнилы с нытьем про нелегальные движения идут нахуй. Анон вне подозрений пока сам не объявит о своем намерении совершить преступление
Пропущено 3 постов
2 с картинками.
Пропущено 3 постов, 2 с картинками.
Аноним 07/01/25 Втр 21:11:09 570124
>>570108
Включаешь устройство, обмазываешь флюсом и суешь себе в очко.
Аноним 29/01/25 Срд 18:05:54 571946
>>570107 (OP)
Нахуй этот Оверпрайс? Есть порт на дешевое железо?
30/04/25 Срд 14:56:19 576990
Нахуй с радача. Всю доску засрали
Странный RS232 Аноним 20/01/25 Пнд 14:25:43 571105 Ответ
изображение.png 73Кб, 514x226
514x226
Господа, подскажите, может быть кто-то понимает. Нужен кабель RS232 9F/9F, для соединения весов с компом. В мануале к весам такая схема(пик. Print и Tare - выносные кнопки и не нужны). Какой должен быть кабель с обеих сторон? Сделал точно такой же как на рисунке - нифига не работает.
Пропущено 6 постов
2 с картинками.
Пропущено 6 постов, 2 с картинками.
Аноним 21/01/25 Втр 14:07:19 571182
image.png 118Кб, 867x329
867x329
image.png 77Кб, 1077x484
1077x484
Ну у тебя всего два варианта - нуль модем или прямой.
Остальные варианты в даташите весов твоих
Аноним 21/01/25 Втр 14:10:55 571183
5 и 8 соедини на всякий, может они по этому признаку определяют, есть ли там контакт
Аноним 22/01/25 Срд 14:49:38 571278
>>571160
>>571182
Заработало в общем. Причем напрямую 2 - 2, 3 - 3. Не знаю почему не работало до этого. Спасибо, в любом случае.
Видеонаблюдения тред, не нашел - создал. Аноним 21/01/25 Втр 10:29:37 571169 Ответ
1737444572369.jpg 135Кб, 900x675
900x675
Сап.

Ситуация следующая, планируется наладить дома видеонаблюдение:

1 Камера поворотная с хорошим качеством и хорошим зумом на стену дома (высота 8 этаж), что-бы можно было направлять на свою машину на парковке (машина ставится в разных местах, и что-бы поставил машину, зашел домой, навел камеру и спать, освещение на паркове относительно нормальное), а так-же смотреть что вокруг по желанию. желаемое качество картинки хорошее-отличное

2 Камера для общего вида с дома 8 этажа, без поворота. (Выставлю, на интересующую зону). желаемое качество картинки хорошее

3 Камера подъезд (смотреть кто стучится в дверь). желаемое качество картинки среднее, и что-бы камера была незаметная для быдла

4 Камера тамбур (смотреть кто стучится в дверь). желаемое качество картинки среднее и что-бы камера была незаметная для быдла

Запись архива хотябы на 1 месяц

Доступ к архиву: прямой с регистратора, по ip, через облако

Питание камер: желательно по пое с коммутатаора, рассмотрю вариант питание через пое инжектор или с БП (предпочтительнее)

Жду советов но выбору регистратора, камер, жесткому диску.

Лишних денег в кошельке нет, посему можно где то ужаться в хотелках.
Пропущено 8 постов
1 с картинками.
Пропущено 8 постов, 1 с картинками.
21/01/25 Втр 16:05:53 571197
>>571196
точнее, полученные скрытно вообще нельзя, а полученные в публичных местах можно только с разрешения объекта
Аноним 21/01/25 Втр 16:11:55 571198
>>571195
> Улица по закону РФ не является общественным местом.
И ты сейчас такой принес этот закон.
>>571196
Что значит скрытно, камера висит на доме.
У нас вся страна в таких камерах.

Я еще насчёт подъездной скрытой камеры могу согласиться, и то могу поставить обычную и пусть все идут в лесом.

Да и вообще, тред не об этом, вопрос про оборудование.
Аноним 21/01/25 Втр 16:35:02 571202
>>571198
По оборудованию просто покупаеь 4 камеры и один многоканальный регистратор, в ДС dahua в ходу, приложение там норм через облако, хард вставляешь, запись настраиваешь.
Может, если бюджет тугой, сначала стоит определиться с тем, аналоговый ли сетап или цифровой брать.
Altera ПЛИС-ины Аноним 15/01/25 Срд 14:12:00 570694 Ответ
image.png 79Кб, 880x190
880x190
image.png 65Кб, 300x331
300x331
Народ,кто подскажет распиновку,как напрямую через костыль подключить altera epm7064slc44-10N к программатору usb-blaster? с атмегами так прокатывало,я просто на монтажку впаивал разъём,который напрямую к usb asp подцеплялся и перепрошивал через дудку,ибо там mosi к mosi, miso к miso.А тут хуета какая-то немного. Вот к примеру на usb blaster есть вывод ncs и nce,а на моей микрухе таких ног нет.Может кто просвятит?
Пропущено 10 постов
2 с картинками.
Пропущено 10 постов, 2 с картинками.
Аноним 19/01/25 Вск 09:30:49 570996
USB-Blaster-Min[...].webp 47Кб, 640x640
640x640
>>570995
>Вероятно подойдёт любой.
Картинка не прилепились.
Аноним 20/01/25 Пнд 12:58:49 571097
>>570995
Спасибо.Да мне нужно устройство разработать по контролю целостности перемычек,тупо бегущие огни.Там их 64 контакта,думал,что пары штук таких микрух хватит.
Аноним 20/01/25 Пнд 15:40:14 571116
>>571097
>думал,что пары штук таких микрух хватит.
Для такого должно хватить.

Но я бы не стал делать такое на CPLD, кроме разве что если оно уже припаяно на плату. А так взял бы кучку 74HC595 и если нужно 74HC165 и любой микроконтроллер.
Цоколёвка TFT-дисплея Аноним 14/01/25 Втр 14:18:54 570619 Ответ
IMG202501141413[...].jpg 962Кб, 1395x2828
1395x2828
Приветы! Известна ли кому цоколёвка такого TFT-дисплея? Применяется в вейпе Lost Mary MO20000, хочу подключить к Nano 328p. По количеству сигналов похоже на SPI.
Аноним 14/01/25 Втр 14:46:39 570622
>>570619 (OP)
проверь логическим анализатором/осцилографом
Аноним 14/01/25 Втр 14:51:58 570623
Был бы - первым делом бы проверил.
Великий геостратег нагнул магазин Аноним 14/09/24 Суб 13:45:29 563526 Ответ
555.mp4 476Кб, 576x576, 00:00:06
576x576
Сап, ra
А лавочку с Казахстаном на алике окончательно прикрыли? Все, пиздец? Хотел у айовезика заказать транзюков, диодов для рукоблудия по вечерам, а тут жопа
Есть способы еще заказывать, как раньше? Мыло точка сру 80% ассортимента убило, всякий говняк теперь в поиске попадается, либо вообще нихуя по запросу
Пропущено 9 постов
3 с картинками.
Пропущено 9 постов, 3 с картинками.
Аноним 12/11/24 Втр 00:43:56 566666
Слава России.
Аноним 12/01/25 Вск 09:29:19 570460
>>565979
>>565980
Что конкретно то вы не можете найти?
Аноним 12/01/25 Вск 12:48:55 570478
>>570460
Мне бы для начала CVHD-950X-76.800. Оно есть в чипдипе, но хочется дешевле.
Инженигеры по ИК - бошкам и просто интересующиеся, Аноним 09/04/22 Суб 18:44:50 491969 Ответ
Screenshot20220[...].jpg 173Кб, 1080x731
1080x731
Инженигеры по ИК - бошкам и просто интересующиеся, отпишитесь
Сап, радач. Вопрос, возможно, странный и носит чисто теоретический характер. Возьмем любую ИК-голову от любой УРВВ, скажем, 60х годов (нам без разницы, сидит ли она на гиростабилизаторе, либо статичная, как у какого - нибудь сайдвиндера). Через оптическую систему у нас приходит луч на датчик цели в виде термопары или фоторезистора, сигнальное напряжение усиливается до приемлимого уровня. Если мы работаем только с аналоговой электроникой, каким образом приходит сигнал на отклонение рулей? Как пишут в умных книжках, угол поворота руля пропорционален напряжению, но как чисто аналоговыми методами можно сказать приводу повернуться либо в одну сторону на определенный угол, либо в лругую? Использовать отрицательные напряжения? Как вообще напряжение преобразуется в угол поворота стабилизатора?
Это же касается и самых первых МБР с аналоговыми СУ. Там с потенциометра гироскопа снималось напряжение, пропорциональное отклонению. Я вообще не понимаю, как из этого можно извлечь угол...
Пропущено 259 постов
58 с картинками.
Пропущено 259 постов, 58 с картинками.
Аноним 12/12/24 Чтв 17:29:01 568411
Аноним 13/12/24 Птн 08:36:22 568448
>>568411
ОПа-хуя сдиванонили и затралели
Аноним 10/01/25 Птн 21:53:11 570361
И как ?
Простой радиоприёмник Mr 08/01/25 Срд 13:30:03 570146 Ответ
image.png 184Кб, 700x467
700x467
image.png 1006Кб, 900x680
900x680
image.png 1226Кб, 1280x1034
1280x1034
Всем добрый день. Можете посоветовать простую схему радиоприёмника на FM Частоте. Желательно аналоговую. Если есть на микросхеме( только не дорогой и доступной). Заранее спасибо!!
Пропущено 1 постов
2 с картинками.
Пропущено 1 постов, 2 с картинками.
Аноним 08/01/25 Срд 14:22:20 570151
>>570146 (OP)
>простую схему
Простая по количеству элементов или по настройке или по тому и другому?
Могу предложить несколько вариантов:
1) микросхема TDA7021 по схеме из даташита. Работает так себе из-за низкой ПЧ.
2) с ФАПЧ на К174ПС1. http://rfanat.ru/s13/pr-r505.html Работает еще хуже, но хотя бы чуть сложнее TDA7021, которая работает как "просто подай питание".
3) с ФАПЧ на одном транзисторе типа такого https://radiostorage.net/137-skhema-prostogo-ukv-chm-radiopriemnika-s-fapch-kt315-pitanie-1-5v.html только УНЧ лучше другой приделать. Работает еще хуже, но все же работает.

Естественно все эти варианты работают хуже супергетеродина с ПЧ 10,7 МГц, но зато оно намного проще.
Аноним 08/01/25 Срд 14:47:19 570153
>>570151
Вообще нужно по количеству элементов, просто я новичок и могу легко запутаться в проводах и куда что идёт. Схемы которые вы предложили , я попробую собрать, спасибо
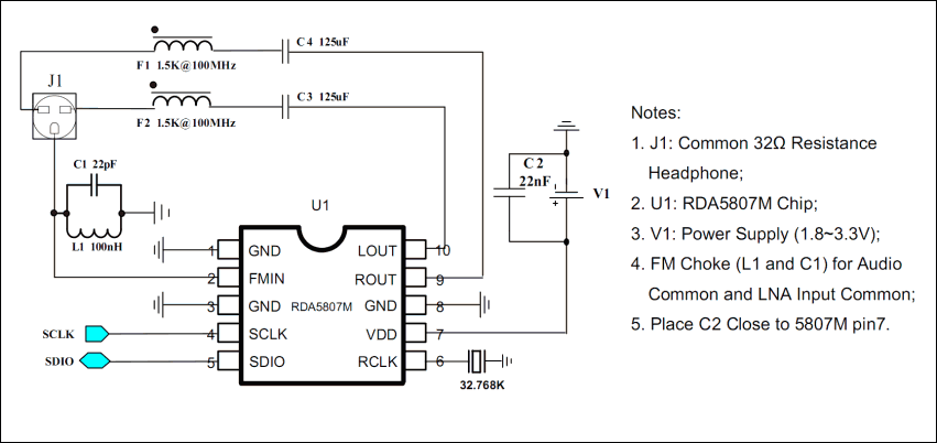
Аноним 09/01/25 Чтв 07:45:13 570209
IMG2246.png 17Кб, 851x402
851x402
RDA5807M нет ничего проще (и лучше).
Пара кондеров и кварц, и все

"катушки" сверху нахуй не нужны (кондеры напрямую к ушам)
общий ушей на землю
Вместо "контура" l1c1 подключить антенну через конденсатор 1000пф
>>553024 (OP) Всем привет, подскажите пожалуйста будет ли эта схема рабоать вообще. Можно ли обойтис Mr 08/01/25 Срд 15:04:47 570157 Ответ
image.png 48Кб, 449x337
449x337
>>553024 (OP)
Всем привет, подскажите пожалуйста будет ли эта схема рабоать вообще. Можно ли обойтись без lm368. И как в этом случае подключать всё если убрать её.( конечно с учётом того что выход будет подключён к аудио усилителю
Аноним 08/01/25 Срд 15:34:37 570161
>>570157 (OP)
Работать эта схема будет только вблизи от передатчика. Ты же на FM диапазон хочешь? Так вот какая добротность у колебательного контура и какая разница частот между соседними станциями (которые с одного места вещают)?
То есть оно у тебя 99.9% что не заработает. Даже не пытайся, для такой схемы нужны специальные условия.
Аноним 08/01/25 Срд 19:18:42 570178
>>570161
>
>Аноним
>08/01/25 Срд 15:34:37
>№
>570161
>2
>
Вообще да на FM диапазон, я хотел послушать свой передатчик работает примерно он на 93 мгц. Вообщем как я понимаю этот приёмник не заработает скорее всего, спасибо!
Flipper Zero Аноним 29/12/24 Вск 16:22:05 569581 Ответ
IMG4610.jpeg 3087Кб, 4032x3024
4032x3024
всем добрый день! в руки попал flipper zero, но я собственно в этом ничего не понимаю, поэтому обращаюсь к вам, как из него максимум можно выжать? пользовались ли таким?
Пропущено 2 постов
1 с картинками.
Пропущено 2 постов, 1 с картинками.
Аноним 05/01/25 Вск 09:55:03 569978
>>569582
Удвою этого господина
Аноним 07/01/25 Втр 18:10:15 570112
>>569581 (OP)
Можешь свой флиппер пидорасу Жовнеру и всей его лгбт тусовке в жопу засунуть
30/04/25 Срд 14:57:15 576991
Нахуй вы тренды одинаковые плодите? Создайте себе помойный тред и там себе срите на здоровье
кароче какой приемник лучше купить, радиоприёмник, принимающий в диапазоне 644,715 метров. Работает Аноним 05/01/25 Вск 16:16:49 569997 Ответ
photo2024-12-17[...].jpg 20Кб, 325x498
325x498
кароче какой приемник лучше купить, радиоприёмник, принимающий в диапазоне 644,715 метров. Работает на верхней боковой полосе (USB). Хорошо прослушивается и в режиме амплитудной модуляции (АМ)для принятия любых сигналов и вместе с рацией, посоветуйте пэжэ я просто вообще не понимаю
Пропущено 2 постов
2 с картинками.
Пропущено 2 постов, 2 с картинками.
Аноним 05/01/25 Вск 19:13:00 570009
rohde-schwarz PR200 бери, не ошибешься.
05/01/25 Вск 21:02:05 570015
коп.PNG 2Кб, 172x43
172x43
>>570009
>rohde-schwarz PR200
Ссущие копейки
Аноним 05/01/25 Вск 23:45:03 570023
>>570015
Есть варик вообще за так, детекторный заебенить, контур смотал, диодик Д9, высокомные ушки "Тон-2м", ушки не забыть конденсатором зашунтировать, профит. Или грозоотметчик Попова на базе Когерера. Ну или гульнуть по буфету и сделать прямого усиления или сверхргенератор, а то и супер на пяти лампах, ифрадин, перекрыть все мириаметровые волны.
Радиотелеграф Аноним 04/01/25 Суб 16:01:57 569929 Ответ
правила.jpg 282Кб, 702x1024
702x1024
Сап двач! есть ли у кого нибудь простая схема радиотелеграфа без готовых плат? хочу наладить радиосвязь морзянкой между домами, надо чтобы связь была 1-2 км , по поводу частоты и типа антенны хз, можно любой (не обязательно разрешенный)
Пропущено 1 постов
2 с картинками.
Пропущено 1 постов, 2 с картинками.
Аноним 04/01/25 Суб 16:22:59 569931
>>569929 (OP)
FM-жучок с генератором ЗЧ, принимать на обычное радио. В обратную сторону то же самое.
Аноним 05/01/25 Вск 13:40:23 569990
Кварцованный передатчик где-нибудь на 20 МГц, такой же простенький супергетеродин кварцованный с телеграфным вторым гетеродином, для телеграфной манипуляции самое то, передатчик модулировать не надо. Безнастроечное вхождение в связь, только тон телеграфа на принимающей стороне подкрутить для комфортного приема и все. А что, есть группа товарищей знающих азбуку Морзе? Я вот например ее знаю, но в моем окружении никто ее не знает. Только в приемнике АРУ надо будет реализовать или РРУ хоть, а то при мощных городских помехах он пищать будет в нонстоп.
Аноним 05/01/25 Вск 13:49:08 569991
7.2.JPG 70Кб, 1031x392
1031x392
В догонку, это маячок, нужно откинуть логику слева и влепить ключ туда, ну и частота, если нужна другая, то все быстренько пересчитать
Помощь Аноним 09/12/24 Пнд 12:26:54 568264 Ответ
upload202412091[...].jpg 4975Кб, 4000x3000
4000x3000
Мужики и муженессы. Облазил весь интернет и не могу найти схему. Сгорели пару элементов на плате управления газового котла. Котёл Protherm Pantera .
На фото выделил что сгорело, но мне бы полностью схему найти. Может не только это сгорело
Пропущено 35 постов
6 с картинками.
Пропущено 35 постов, 6 с картинками.
Аноним 17/12/24 Втр 22:24:48 568749
Вот эту тут трансуху порвало, смотри там не учуди чего в психозе, ты нам тут нужен для опытов и для смеху. Я тебя на саткоме не мог слышать? А то прям закал у тебя столетний, прямо гуглошлюха приснопамятная по упоротости.
Аноним 17/12/24 Втр 22:35:45 568752
>>568749
Ебать. Ну медицина тут бессильна.
>ахах заводобыдло закукарекало заперемогало теперь уже заводской - ДАЖЕ СУКА НЕ СВОЕЙ ПОМОЙКОЙ
Пиздец приехали. Похоже у транс-креветки есть СВОЯ помойка с говном.
Аноним 18/12/24 Срд 18:05:03 568827
Боевые картиночки пошли, транс прогрелся и потек воском
Настройки X
Ответить в тред X
15000
Добавить файл/ctrl-v
Стикеры X
Избранное / Топ тредов