Главная Юзердоски Каталог Трекер NSFW Настройки

Радиотехника

Ответить в тред Ответить в тред
Check this out!
<<
Назад | Вниз | Каталог | Обновить | Автообновление | 1532 387 530
Ардуино тред №4 /arduino/ Аноним 10/03/24 Вск 14:57:52 550854 1
486acba66a51803[...].jpg 136Кб, 780x438
780x438
How-to-Make-You[...].jpg 71Кб, 750x421
750x421
arduinoskeleton.jpg 116Кб, 500x375
500x375
RGBDuino-UNO-V1[...].webp 168Кб, 1000x1000
1000x1000
Ардуино - это простой и понятный радиоконструктор на базе распространенных микроконтроллеров. К железу прилагаются IDE и библиотеки, позволяющие легко разрабатывать прошивки (их ардуинщики называют скетчами).

Вопросы по основам радиоэлектроники нужно спрашивать в первом прикрепленном треде на доске. В данном треде обсуждается только использование экосистемы Arduino.

IDE - это ПО для разработки скетчей, брать тут:
https://www.arduino.cc/en/Main/Software

Cмотреть:
https://www.youtube.com/channel/UC7aH7HVqDvwB1xNHfSl-fDw
https://www.youtube.com/user/0arduinoLab
https://www.youtube.com/@ArduNotes
https://www.youtube.com/@AlexGyverShow
https://www.youtube.com/@greatscottlab
https://www.youtube.com/@AmperkaRuOfficial
https://www.youtube.com/watch?v=bO_jN0Lpz3Q&list=PL944BA86E715C5FEE

И помни, анон, ардуинщики - (не) дети

Предыдущий: >>477741 (OP)
Аноним 10/03/24 Вск 15:32:37 550859 2
народ, а как эта хуйня запускается?
была 1.8. что-то там, потом опа, мы обновляемся, 2.3.2 под 10-ку, ну, хорошо, ставлю на виртуальную машину десятку, ставлю туда эту хуйню, она вроде ставится. Запускаю, она спрашивает что-то про доступ к сетям, я ей разрешаю, мне показывают песочные часы, вскоре сменяющиеся на нормальный виндовый курсор.
На этом, собственно, все.
Ни окна ни логотипа, если открыть диспетчер задач, то там идут себе какие-то связанные процессы, ну и вот, собственно....
Аноним 10/03/24 Вск 15:42:47 550863 3
>>550859
Юзай лучше 1.8.
Новые - это электроновая тормозная веб-параша.
Аноним 10/03/24 Вск 21:24:15 550900 4
Screenshot2024-[...].jpg 843Кб, 2340x1080
2340x1080
Привет. Подскажите пожалуста, можно ли питать ардуину уно от автомобильного аккомулятора на постоянке? Загуглил, сказали надо использовать понижающий dc dc преобразователь.
Это получается через эту штуку подключать плату? Или и без нее норм?
Аноним 10/03/24 Вск 23:48:43 550906 5
>>550900
Да, но бери блок с запасом, и конденсаторов не жалей, в автомобильной сети ебанутые скачки напряжения.
Аноним 11/03/24 Пнд 01:27:46 550911 6
Нужна хелпа с шаговиками. Я делаю шприц-помпу, она должна быть точной и подавать раствор максимально без толчков. Наибольший размер шприца-150мл, сколько грамм нужно чтобы его продавить я пока не замерял, но пускай 300г. Толкатель-шпилька с резьбой d=6mm, шаг резьбы 1мм. Если я не ошибаюсь, при таких вводных чтобы провернуть эту шпильку нужно будет 0,0005Нм, т.е. любой чахлый шаговик в принципе справится? Лучше чтобы у шаговика было заявлено 400 шагов/об, или просто использовать микростеппинг? Finally, будет ли совместим
ДШР40-0,9-01/8 отсюда http://www.krm.in.ua/motor/pdf/dkr40_dkr56.pdf либо KRS422S_4133 отсюда http://www.krm.in.ua/motor/krs39_42.html с контроллером А4988? Я в принципе понимаю что можно просто взять китай и не ебать себе мозги, но когда есть возможность взять НЕ китай, то всё-таки хочется именно его.
Аноним 11/03/24 Пнд 01:43:56 550912 7
Аноним 11/03/24 Пнд 09:47:14 550928 8
>>550863
двачую, 2 кринж, 1 база
Аноним 11/03/24 Пнд 10:54:24 550933 9
>>550928
Да не. 1 кринж, 2 унитаз с говном, платформио - уебищная хуета.
arduino-cli еще куда ни шло
Аноним 12/03/24 Втр 09:39:17 551014 10
>>550933
> arduino-cli

~/bin/arduino-1.8.19$ find . -name "arduino-cli"
= neekhooya

где ето искать?
Аноним 12/03/24 Втр 11:12:33 551020 11
16935571792010.webp 16Кб, 512x512
512x512
>>551014
>сходил попердулькался в соснольке прыщикса
>в гугл заглянуть не додумался
ума палата. ору с дурачка
Аноним 12/03/24 Втр 12:06:10 551022 12
>>551020
с мамки своей ори, вась.
название кагбэ намекает, что это встроенная тулза, откуда я знал, что это не так?
Аноним 12/03/24 Втр 12:36:46 551026 13
IMG0803.jpeg 28Кб, 550x550
550x550
>>551022
с каких хуев, дурачок? оно намекает только, что это другая тулза.
Аноним 12/03/24 Втр 18:44:41 551079 14
>>550900
Если именно от аккумулятора, то подавай напрямую на Vin, будет заебись!
Аноним 14/03/24 Чтв 18:11:16 551232 15
проминя 5в от промини 3.3в чем отличается, кварцем только?
Аноним 17/03/24 Вск 08:44:15 551397 16
image.png 187Кб, 1514x1550
1514x1550
люди, научите, плиз, правильно читать эти штуки.
Я спросил Буезаса, откуда из
https://raw.githubusercontent.com/watterott/LGT8F328P-Testing/master/LGT8FX8P_databook_v1.0.5-English.pdf
документа выходит (а оно правда - выходит), что когда таймер от внутренней частоты тактируется, то сначала ТГ делится тем делителем, который на АЛУ, а потом уже тем делителем, который для таймера и от этого дела считает таймер.
Он мне ответил, что из картинки понятно, что clkio это уже предварительно поделённая системным делителем частота...
Так вот, ни хуя мне не понятно!
а он ещё мне ответил и даже сказал. что я не совсем дебил, а мне кажется, что всё-таки да (
Аноним 17/03/24 Вск 08:47:06 551398 17
>>551232
проминя на ЛГТ или настоящая?
Может, кварцем (кстати, его там самому надо припаять), может ещё и уровнями.
Сама микросхема ЛГТ начинает работать где-то от 2В нормально, то есть, банка 18650 на твои автономные устройства будет ок...
Аноним 17/03/24 Вск 08:52:28 551399 18
>>550933
кстати. хуйня запустилась на свежей винде.
Потом, правда, перестала.
Я так понял, что виндуза насасывается каких-то обновлений и амба...
На третий раз запретил обновлять винду и работает, но лучше бы не работала, потому что мою VBox а-ля 10 на семёрке с 16 гигами и 2 ядрами постоянно держит в районе 100%.
Причем зиповская немного поменьше, чем которые через инсталляторы...
Не понимаю, чего там хорошего кроме закоса под VS-Code и возможность фон/расцветку менять (хочу такой же на 1.8).
Потроха то один фиг ископаемые вблизи 2005 года....
Аноним 17/03/24 Вск 14:35:44 551427 19
1000045747.jpg 25Кб, 408x320
408x320
Откуда брать вдохновение на новые проекты на этих ваших микропроцессорах?

Вот что реально нужно например реле на умный дом или датчики протечек есть в удобных корпусах и по цене ниже. Что придумать то такого для дома? Да метеостанцию сделал свою и даже без гайдов, сам придумал. Нужная вещь.

Что ещё можно сделать? Покидайте своих идей что-ли на Arduino, ESP, STM.
Аноним 17/03/24 Вск 15:21:40 551429 20
>>551427
не знаю, я вот увидел, что для драйвера ШД задатчик частоты есть, а S-образного разгона из коробки нет...
Аноним 17/03/24 Вск 15:55:23 551437 21
>>550933
Чем плох платформио, кроме того что его сделали хохлы?
Аноним 17/03/24 Вск 16:18:36 551438 22
>>551437
по крайней мере я понял, почему на машине в рф тормозит...
Аноним 17/03/24 Вск 17:10:47 551446 23
IMG0892.jpeg 451Кб, 1200x811
1200x811
Аноним 17/03/24 Вск 18:06:55 551448 24
Какую лучше в 2к24 плату для начинающего?
Аноним 17/03/24 Вск 19:29:05 551450 25
1710692945481.jpg 182Кб, 600x600
600x600
Аноним 17/03/24 Вск 21:11:37 551467 26
1000042194.jpg 2244Кб, 4096x3072
4096x3072
Аноним 17/03/24 Вск 23:59:08 551491 27
16513442064563.jpg 83Кб, 960x482
960x482
>>551467
На VFD делай тогда
Аноним 18/03/24 Пнд 08:57:52 551500 28
image.png 22Кб, 871x461
871x461
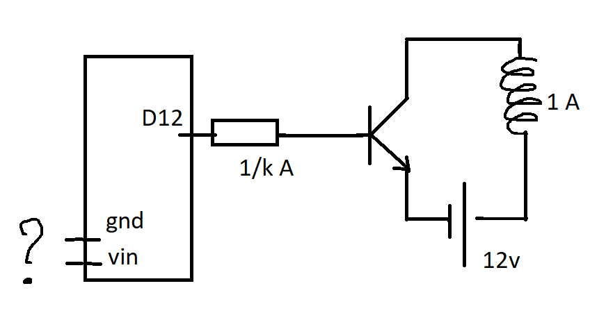
двач, не могу до конца понять, как подключают мощную нагрузку через ардуину. допустим надо включить соленоид, жрущий 1 ампер тока
как надо запитывать саму ардуину? тем же источником питания что и соленоид? или отдельным аккомулятором на 5-6 вольт? а землю ардуины подключать к 12 вольтам?
Аноним 18/03/24 Пнд 09:51:56 551503 29
>>551500
>тем же источником питания что и соленоид?
Да. Если 12В много, то понижай каким-нибудь DC-DC buck converter.
>а землю ардуины подключать к 12 вольтам?
Если отдельный источник решишь, то да.
Аноним 18/03/24 Пнд 10:10:10 551505 30
>>551503
ну то есть всё можно подключить к одному источнику, так? просто тогда на пине d12 будет большое напряжение, а следовательно большая мощность, резистор будет сильно греться и тд. а будет оно всё работать если и gnd и vin подключить к более слабому источнику, который только к ардуине идёт?
Аноним 18/03/24 Пнд 10:24:17 551507 31
>>551505
>на пине d12 будет большое напряжение
Это если транзистор. Но для управления нагрузкой нужен мосфет. И нужен logic-level мосфет, который сможет от 5В открыться.
Аноним 18/03/24 Пнд 10:32:26 551509 32
>>551507
то есть биополярный транзистор не подходит?

допустим я поменяю полевой транзистор на полевой. включится ли соленоид, если я ардуину запитаю от какой нибудь рандомноы кроны?, несвязанной ни с чем другим?
Аноним 18/03/24 Пнд 10:53:04 551511 33
>>551509
Я не эксперт, но по моему биполярный транзистор сгорит нахуй от 1А. Не? Они же подходят только для всяких логических уровней, где тока почти нет.
>включится ли соленоид, если я ардуину запитаю от какой нибудь рандомноы кроны?
Если объединишь земли, то да.
Аноним 18/03/24 Пнд 11:24:17 551516 34
image.png 137Кб, 1129x871
1129x871
>>551511
почему? вот пример биополярного и полевого транзистора, оба на 1+ амер, я же не на затвор/базу подаю его
Аноним 18/03/24 Пнд 11:39:48 551520 35
image 114Кб, 1280x720
1280x720
>>551516
Ну вот биполярный до 30 ватт выделяет. Ему и при 1А нужен будет радиатор с вентилятором.
А мосфет и в STO23 корпусе при 1А будет холодный.
Аноним 18/03/24 Пнд 15:50:00 551574 36
Аноны, можно ли в DS3231 вместо батареи впаять ионистор?
Аноним 18/03/24 Пнд 16:33:45 551592 37
>>550906
а ток надо ограничивать?
Аноним 18/03/24 Пнд 21:22:04 551629 38
>>551500
у тебя нету подтяжки базы никуда, и по-умолчанию состояние транзистора будет невнятным - какие будут закрыти, а какие-то частично.
Также у тебя нету диода для гашения тока в катушке.
Если это не катушка, а реле, то там вообще три понадобится, ибо в реле очень хитрые процессы.
Резистор подбери чтобы транзитор закрывался чётко, по его диаграммам. Ну или чтобы уверенно порт не сжечь.
Кстати, это дискрет или ЦАП - нога? Я говорю, исходя, что это дискрет.
Да, надо таки минусы объединить, а то ничего не будет...
Пока поставь источника два.
Потом можно один, но ардуину поставь за диодом и кондёр поставь - она снижает с 12 до 5 вольт, кондер её удержит живой, пока основная сеть будет колбасится от релюшки-катушки...
А так вот тут уже готовый ключ: https://aliexpress.ru/item/1005002710170738.html?spm=a2g2w.orderdetail.0.0.18054aa6pBVUGt&sku_id=12000037977946192
Аноним 18/03/24 Пнд 23:02:43 551635 39
>>551629
А зачем нужна подтяжка, если база идет прямо к цифровому пину, на котором напряжение источника при high, и gnd при low? Откуда там какое то левое напряжение может появиться?
Аноним 18/03/24 Пнд 23:21:30 551637 40
IMG0897.png 6Кб, 225x225
225x225
Карочь шылдик делоть продолжаем. Предыдущие серии >>548312 → >>550412 →

Работает вторую неделю от алкалиновых баночек ааа три штуки и рас в минуту включает есп32. Пока разрядилось на 0.15 всего. Такие дела. Я почиткал фильтрачи и теперь ниче не виснет и не глючит все супер ЗАИБОК.
Аноним 19/03/24 Втр 01:40:38 551641 41
>>551635
Чтоб предотвратить открытие во время запуска пердуины когда пин в high-z. Алсо, биполярным подтяжка не нужна вообще
Аноним 19/03/24 Втр 05:46:34 551649 42
Бамп >>551325 → вопросу.
Код читать лень, драйверы перечисленные на странице simplofoc управляются ШИМом? Как вообще выглядит связь между ардуиноконтроллером и foc- драйвером? Купил пока плату из списка совместимых, надеюсь подойдет.
Аноним 19/03/24 Втр 06:03:05 551650 43
>>551427
Сделай руль с форс-фидбеком
Аноним 20/03/24 Срд 23:44:23 551837 44
lc5Vapnn400x400.jpeg 56Кб, 534x640
534x640
>>551637
Ну че бля. Надо придумывать протокол управления. Как рулить шылдом. Пердуина может же ведь быть и2ц девайсом? Кто нибудь из ананасов такое пытался сделоть? Раскажите анончики.
Аноним 21/03/24 Чтв 00:57:00 551844 45
image.png 47Кб, 1017x627
1017x627
девочки и мальчики, у кого есть свободная минутка помогите пожалуста.

вот пробовал сделать светодиодную ленту через сдвиговый регистр, идея была в том, что бы потихоньку загорались все светодиодычи, начиная с первого, а на практике вышло, что одновременно горит только один светодиод, а все за ним отключаются. есть ли в коде какие то ошибки?
Аноним 21/03/24 Чтв 01:03:51 551845 46
>>551844
Покажи код shiftOut()
А вообще накидай делеев везде и наблюдай что и почему происходит. Такой код не сложно отлаживается.
Аноним 21/03/24 Чтв 01:23:03 551847 47
>>551845
это же встроенная функция
Аноним 21/03/24 Чтв 01:28:00 551848 48
Аноним 21/03/24 Чтв 01:33:49 551850 49
>>551848
> Как рулить шылдом
я не знаю што такое шылд
> может же ведь быть и2ц девайсом
я не знаю что такое и2ц
> Кто нибудь из ананасов такое пытался сделоть
я никогда не пытался сделать ничего подобного

я не смог ответить на твои вопросы. Вернее я ответил на них. Теперь мне придётся откусить твою пчелиную голову
Аноним 21/03/24 Чтв 01:53:12 551852 50
>>551850
Это значит што ты идешь на хуй со своим регистром
Аноним 22/03/24 Птн 10:20:15 552000 51
двач, случайно подал 12 вольт на пин 5 v ардуины нано, теперь, когда запитываю разьём вин хотя бы от пяти вольт, получаю сразу 200 мА потребляемого тока, получается контроллер из строя вышел?
Аноним 22/03/24 Птн 10:30:13 552002 52
>>552000
Пальцем пощупай что греется. Если чип, то да.
Аноним 22/03/24 Птн 13:52:09 552020 53
>>552000
Ты неповериш у тя там ВСЕ отъебнуло
Аноним 22/03/24 Птн 16:52:39 552035 54
Аноним 22/03/24 Птн 17:00:23 552036 55
>>551844
Поспи ощутимое время в теле цикла, ты же тупо надрачиваешь туда команды буквально с частотой чипа
Аноним 24/03/24 Вск 01:03:48 552134 56
Отписался для сохранения треда
Аноним 25/03/24 Пнд 11:22:41 552229 57
>>552134
Ебало представили?
Аноним 27/03/24 Срд 02:19:16 552315 58
image.png 1624Кб, 1024x1024
1024x1024
Ворк ин прогресс, миди-камтроллер на базе работ французского философа Бодрийяра CIS-сенсоров. Просто фоточка для красоты
Аноним 01/04/24 Пнд 19:19:03 552811 59
066751d2b0e2405[...].jpg 39Кб, 403x567
403x567
001.png 11Кб, 926x540
926x540
Поясните за прерывания, кто шарит. Вот везде советуют не выполнять в них "долгие" функции - это понятно. Но идут ли аппаратные таймеры внутри прерываний?

Допустим, таймер тикает каждые 256мкс. Обычно он не делает практически нихуя, но иногда запускает функцию, собственная длительность которой может превысить 256мкс. И что тогда будет? Таймер запустит новое прерывание внутри прерывания, рекурсивно распидорасив код? Или вызов прерывания просто не сработает, и тайминг следующего тика съедет?
Аноним 01/04/24 Пнд 20:51:52 552825 60
image.png 21Кб, 725x118
725x118
>>552811
на пердуине нельзя
Аноним 01/04/24 Пнд 20:52:35 552826 61
>>552811
то есть не съедет, а будет пропущен
Аноним 01/04/24 Пнд 22:09:49 552832 62
>>552811
у таймеров есть свои прерывания тое таймер переполнился или как в авр достиг какогото значения не суть важно как настроиш так и будет - сработало прерывание по таймеру - майн остановился а управление передалось на функцию управления канкретнымм прерыванием
у внешнего прерывания свое прерывание - уровень там или перепад на ноге - сработало его прерывание их не много от приемо передатчика еще есть...
называеца вся эта Байкер - вектор прерываний
>советуют не выполнять в них "долгие" функции
советуют вообще выкинуть нахуй пердуиновскую иде и писать все ручками самому на С ну или по возможности минимизировать вмешательство пердуиноИДЕ в столь ответственные материи
пока идет обработка функции какого либо прерывания другие прерывания игнорируюца точнее ставяца в очередь но не все и очередь не бесконечна - конечно существуют приоритеты согласно им эта очередь и организуеца
но насколько я помню точнее у меня так в 51архитектуре что там намутили атмелы в авр вот в душе ни ебу - карочи если управление в функции обработки прерывания то пока она не будет выполнена управление на другую функцию обработки прерывания не передасца даже если у этого прерывания более высокий приоритет
то что таймер тикает он тикает каждый машинный цикл в не зависимости от того что и где происходит на то он и таймер чтобы тикать независимо и надо быть полным кретином чтобы настроить его так чтобы он вызывал каждый свой тик прерывание
а то что он съедет это очевидно тк в его функции обработки прерывания ну или в какой либо другой зависимой ты таймер перезагружаеш - останавливаеш его выдергиваеш его регистры в свои переменные можно закинуть в него какоето канкретное значение и запускаеш таймер по новой тутже ставиш пару тройку бит того что прерывание от таймера произашло и все пиздец функция закончила свою работу а потом уже в майне разгребаеш все то гавно что там пришло произашло
конечно существует и автоперезагружаемый таймер точнее такая настройка здесь ты просто проебеш прерывание точнее увидиш его тогда когда оно уже вполне вероятно нах невсралось - пизда твоему полевичку затвор или переход поджарил если ты тотже шим на таймере запилил
карочи открывай авр учебник читай внимательно все регистры касаемые таймеров и дергай ими в ручную запоминать желательно но не обязательно - напиши с коментариями и копипасть - по большому счету микароконтроллер это такой себе умный секундомер который только тем и занимаеца что отмеряет канкретные промежутки времени
кстати я с пердуины точнее с авр больше всего ору от того что чтобы клацнуть одной ногой надо весь байт порта перезаписать а пердуиноИДЕ это делает еще блядж и через функцию ...
Аноним 02/04/24 Втр 13:12:32 552921 63
image.png 1556Кб, 1440x748
1440x748
а это уже контроллёр? или всё ещё микро?
Аноним 02/04/24 Втр 15:22:49 552941 64
>>552921
Никогда не понимал нахуй оно надо. Хочется больше ног - welcome to stm, esp.
Аноним 02/04/24 Втр 15:40:30 552944 65
>>552921
Контроллер - это законченное устройство, в коробочке. А микрокондуктор это чип. У тебя на фотке вообще отладочная плата. выдохнул открыл форточку
Аноним 02/04/24 Втр 22:38:46 552959 66
>>552941
Ног у них одинаково.
Впрочем у этих поделий дай бог пять ног используется обычно.
Аноним 02/04/24 Втр 22:51:27 552961 67
>>552921
А нахуя там ещё одна мега (поменбше)?
Аноним 02/04/24 Втр 23:49:24 552965 68
>>552961
USB контроллер на ней
Аноним 03/04/24 Срд 00:35:33 552969 69
>>552965
Так у этой елды ещё и своего нет?
И ладно за CH340 в мэйд ин итали лол пацаны засмеют, FT2232/PL2303 чем не угодили?
Аноним 03/04/24 Срд 01:22:00 552973 70
>>552969
Так он программируемый епта, свой USB девайс можно сделать
Аноним 03/04/24 Срд 03:02:17 552977 71
>>552973
Хорошо, тогда нахуя там большая мега присобачена?
Аноним 03/04/24 Срд 03:40:26 552978 72
>>552977
Я почитал спеку, в мелкую атмегу походу что-то там зашито, типа "firmware", наверное чтоб память не отнимать от основого контроллера, и просто так не прошить там чем попало.
Нездоровое решение короче, но она и уже discontinued.
Аноним 03/04/24 Срд 11:08:19 552988 73
>>552969
> FT2232/PL2303 чем не угодили?
оба зашквар - первые уничтожают контрафактные чипы (а ты мог и не знать, что тебе кабанчик подогнал партию контрафакта), вторые удалили из драйвера поддержку чипов, которым больше 10 лет.
из пацанских остались только CP)))2102
Аноним 05/04/24 Птн 07:29:03 553147 74
3hw5h5w5h.png 610Кб, 1132x615
1132x615
>>552941
>Хочется больше ног - welcome to stm, esp.
Stm-то ладно, но у esp32 ног не сильно больше, чем у нанки, причём часть этих ног проблемные. А на стмках уже начинается пердолинг как в родной среде, так и под ардуиной, ибо не всякая либа нормально встанет.

Меги2560 берут чтобы васянские ЧПУ из них делать с запасом под прикручивание новых кнопочек и модулей.
Аноним 05/04/24 Птн 12:40:54 553167 75
image.png 2151Кб, 1300x819
1300x819
Ребят, есть задача заговнить тв сигнал который идет по кабелю в тв приставку. Ардуину хочу спрятать в тв приставку и активировать её пультом 433. Короче вопрос как безопасно (чтобы не убить приставку) и эффективно можно заговнить сигнал до состояния цифровой каши или вообще полностью "заглушить". Хотел сначала просто поднять сериал и отправлять рандом, но чет ссыкотно что могу убить приставку. Решил у вас спросить.
Аноним 11/04/24 Чтв 04:54:54 553666 76
Вкатываюсь в эти ваши ардуины.
Ньюфаг вопрос № 1: хочу подключить 3 светодиода и моргать ими как светофор. На плате 2 разъема GND. Как мне сделать, чтобы третий GND для третьего диода появился? Допустимо ли в один GND втыкать все три диода?
Ньюфаг вопрос № 2: можно ли как-то писать для МК на ассемблере? NASM знаю относительно неплохо.
Аноним 11/04/24 Чтв 04:57:39 553667 77
Без названия.png 322Кб, 500x375
500x375
>>553666
Картинку забыл прилепить. Красным подвел под двумя портами GND.
Аноним 11/04/24 Чтв 06:16:41 553668 78
>>553666
Чел, это явно не твоё
Аноним 11/04/24 Чтв 07:03:35 553671 79
>>553666
Ставь Atmel Studio и пиши на ассемблере. Но нужно иметь понимание архитектуры avr и систему команд поучить.
Аноним 11/04/24 Чтв 07:20:01 553672 80
>>553666
1. Да
2. Да, но ассемблер свой.
Аноним 11/04/24 Чтв 07:31:34 553674 81
>>553666
> Вкатываюсь в эти ваши ардуины.
Неблохо, я пока только готовлюсь. Пытаюсь сделать устройства, работу которых, в перспективе, хочу ардуинить.
> На плате 2 разъема GND.
Братан, это шины. К ним можно не один выход-вход подключить.
Вообще, я тут ролик интересный нарыл https://m.youtube.com/watch?v=Q7g0rLxk6K0
Посмотри, какой там клемник. Тебе такой походу нужен.
> можно ли как-то писать для МК на ассемблере?
С++ читабельнее ассемблера и библиотеки пишутся нем. Ну а так, в плюсах же есть директива asm ( ) или __asm__. Погугли.
Аноним 11/04/24 Чтв 14:06:25 553709 82
>>553674
Да, я чота поздно сообразил насчет линий "+" и "-" на макетной плате.
Какие идеи насчет устройств? Я вот на дачу хочу сделать автоматический полив. Избито, но зато сам)
Аноним 11/04/24 Чтв 15:02:16 553712 83
>>553709
Я хочу в овощную яму - вентиляцию с опциональным подогревом, влагоудалением и учётом точки росы
Аноним 11/04/24 Чтв 15:28:35 553714 84
1775BA89-6CC6-4[...].jpeg 200Кб, 1024x768
1024x768
>>553666
Нет, на ассемблере нельзя. Ну т.е. технически возможно, конечно, но поддержки этого нет, все самому придется делать. Библиотеки все ориентированы на С++ (даже не на С). Главная причина - это множество разных платформ, поддерживаемых ардуиной, там не только авр. У них у всех разные ассемблеры.

Если ты все же не передумал писать на асме, тебе стоило бы посмотреть и на другие платы и контроллеры, не только на пердуину. Потому что единственный оставшийся ее плюс - это выбор готовых шилдов (плат, которые сверху навеваются), но их можно заменить модулями, даже если эти платы тебе нужны.
Аноним 11/04/24 Чтв 20:38:15 553732 85
Аноним 13/04/24 Суб 16:06:59 553843 86
>>553714
Готов поставить анус, что пердолики уже сделали кросс-компилятор с x86 на avr
Аноним 13/04/24 Суб 16:29:21 553845 87
Аноним 13/04/24 Суб 16:32:02 553846 88
Аноним 13/04/24 Суб 23:12:19 553871 89
>>553843
Не страдай хуитой и пиши на С++ блять
Аноним 13/04/24 Суб 23:26:01 553873 90
>>553871
У меня свой конпелякр уже есть самописный.
А псто >>553843 это для угорания над пердоликами с их "тулчайнами", которые 10 раз из одного говна в другое перекомпилируют
Аноним 14/04/24 Вск 02:34:04 553879 91
>>553873
На чем писал, расскажи? Чего компилятор? Крестача? Да лаадно
Аноним 14/04/24 Вск 09:54:25 553886 92
>>553843
Лет 20 назад, называется LLVM
Аноним 14/04/24 Вск 11:45:50 553889 93
>>553879
На джаве песал. Конпелирует недоязык собственной разработки. Нечто похожее на паскаль только с упором на лямбды
Аноним 14/04/24 Вск 11:46:20 553890 94
>>553886
LLVM это не компилятор, это кал говна, который ничего не может
Аноним 14/04/24 Вск 14:06:30 553894 95
>>553889
Студентик тупорылый, ты? Делать тебе нехуй. Таких канпеляторов как говна за баней.
Аноним 14/04/24 Вск 15:33:52 553896 96
hellritas.jpg 61Кб, 664x665
664x665
>>553889
>копмпилятор
>На джаве
А че не на ноде сразу?
Аноним 14/04/24 Вск 16:12:48 553897 97
>>553896
Лол, я в универе на шестой делфи под z80 пейсал. и даже некоторое время пользовался.
Аноним 14/04/24 Вск 18:30:06 553902 98
Аноним 14/04/24 Вск 20:06:34 553904 99
>>553897
Дельфи у нас компилируемое, это нормальный выбор вполне
>>553902
Ну блядь, на жабе это даже не смешно. Если бы он jvm написал под avr - это да, а так ну шиза шизой
Аноним 14/04/24 Вск 23:41:09 553913 100
>>553902
Студентик спок. Дебил тут только ты со своим манякомпилятором.
Аноним 15/04/24 Пнд 05:33:24 553919 101
>>553913
Действительно, нет бы бухать и чмырить всех на дваче как нормальные скуфы, так нет же, какой-то чел напрягает мозг и делает что-то. Пиздец просто.
Аноним 15/04/24 Пнд 07:40:15 553922 102
>>553904
>это даже не смешно.
Почему? Какая разница на чем писать такое поделие, если оно никуда не пойдет дальше? Максимум автор этого поделия напишет что-то там для себя на своем "недоязычке", этим все и закончится.
Я так для самодельного процессора ассемблер и вовсе на tcl сделал, тем более что tcl входит в состав почти всех плисовых САПР.
Аноним 15/04/24 Пнд 11:13:53 553933 103
IMG1014.png 59Кб, 434x327
434x327
>>553919
Не скуфее тебя, задротина. У многих есть семестровка-компилятор, дурачок - у меня тоже. Разработчики "тулчАйнов" может и пердолики, но ты то точно задрот чванливый закомплексованный тупой, ору с тебя.
Аноним 15/04/24 Пнд 12:52:42 553936 104
>>553933
>семестровка
А, так сразу бы и сказал что ты шкальник. Борда 18+, пиздуй отсюда!
Аноним 15/04/24 Пнд 16:56:00 553946 105
>>553936
Я другой анон, примат (прикладная математика и системного программирование). У нас на одном из курсов был проект - компилятор, соответственно все писали свои компиляторы. Сейчас мне больше 30, но компилятор где-то есть. flex/bison + C, компилирует себя, плюс разные оптимизации. Такие дела.
А ты продолжай засирать борду, твои высеры всем высерам высеры. Такое не каждый осилит.
Аноним 15/04/24 Пнд 18:47:17 553954 106
Ну вот, развели срач на пустом месте. А могли бы идеек для ардуинизации накидать, кроме банальных автополивов.
Аноним 15/04/24 Пнд 21:38:03 553964 107
IMG1014.png 59Кб, 434x327
434x327
>>553954
недоязыкатому пиздюку автоподмыв могу накидать
Аноним 16/04/24 Втр 04:28:51 553972 108
>>553964
Вообще не понимаю хейта. Если на выходе у человека последовательность байтов для прошивки, то какая разница как он её получил? Да пусть хоть на bash'е пишет. Или на чем нибудь, "компилируемом" в js, чтобы на ноде потом запускать.
Лучше что-нибудь дельное бы придумал, вместо оскорблений.

Хотя, направление автоматизации "здоровье" довольно интересное. Можно программируемый раздатчик таблеток замутить, который из 10-15 банок будет три суточных набора формировать. Разным людям.
Ты ещё косвенно затронул тему автоматизации "секс". Тут ничего в голову не приходит, кроме выноса из ноута части функций при бондаже или самосвязывании, но это как-то слишком на любителя.
Аноним 16/04/24 Втр 16:07:45 553998 109
>>553954
Хочу сделать домофон на ESP32
Аноним 16/04/24 Втр 23:20:05 554032 110
>>553998
Радиач разрешает. Делай.
Аноним 17/04/24 Срд 06:35:51 554043 111
>>553954
Мой вариант. Колбасная термокамера, но не то что продают, а по-взрослому.
Чтобы обеспечивала контроль температуры снаружи и опционально внутри куска мяса, автоматически работая по программе:
1 отепление до 30⁰ при 55⁰ и 25%
2 сушка/обжарка при 70⁰-75⁰ и ~0% (тут надо бы придумать или подсмотреть как контролировать, что колбаса снаружи высохла)
3 опциональное копчение при 70⁰-75⁰ и ~0% 20-60 мин
4 варка до 72⁰ при ~75⁰ и ~100%
5 дождевание холодной водой 60 минут (5 минут через 5 минут)

Чтобы всё это было компактное, а не на тонну сырья рассчитано.
Аноним 17/04/24 Срд 06:52:01 554044 112
>>554043
* Идеально, чтобы йоба могла работать в режиме горизонтальной сушилки
Аноним 17/04/24 Срд 07:06:15 554045 113
kiva-photo1-full.jpg 357Кб, 1024x768
1024x768
scale1200.jpeg 155Кб, 985x699
985x699
>>553954
Короче, грузовая самодвижущиеся платформа но принципу робота пылесоса с силовыми розетками.
Ставишь на неё холодильник, или чайный столик, или столик с кофеваркой, а потом эта байда к тебе в комнату приезжает по приказу и уезжает обратно на зарядку.
Есть у нас в фольклоре похожее описание "умного дома".
Аноним 17/04/24 Срд 08:11:41 554047 114
2692c2e1b556a89[...].png 1506Кб, 2186x1454
2186x1454
robot-gg.jpg 58Кб, 600x677
600x677
04Aq2MlOOD2n9Qv[...].jpg 47Кб, 599x600
599x600
>>554045
* вот действующие варианты, но моя идея роботизировать не только холодильник, но и столик с чайником, кофеваркой.
Аноним 17/04/24 Срд 08:20:03 554048 115
>>554045
* а, прикинь, и посудомойка так приезжать будет? ) или две. Одна с чистой, другая за грязной посудой )
Аноним 17/04/24 Срд 12:47:57 554057 116
Аноним 17/04/24 Срд 13:23:49 554063 117
>>554057
Нахуя? Чтобы для неё бегать на кухню самому?
Аноним 18/04/24 Чтв 09:27:59 554131 118
>>553954
Прототип детектора квадрокоптеров с использованием микрофонов.
Аноним 18/04/24 Чтв 09:41:54 554132 119
>>554131
Лол. И мини гатлинг на парабелуме к нему. Или на базе 2а38
Аноним 18/04/24 Чтв 10:19:12 554135 120
>>554132
Детекторы уже производит какая-то контора, хз что там с эффективностью
Минигатлинг так-то тоже идея) Наводится на все, что излучает. Резкий как понос.
Аноним 18/04/24 Чтв 11:29:03 554138 121
>>554135
Во пацаны из РЭБ удивятся
Аноним 18/04/24 Чтв 12:17:00 554142 122
>>554138
25 метров дальность. Как у дроби. Если присобачить стрельбой лидар, определяя вектор и модуль скорости, можно крошить подлетающих птичек относительно безопасно.
Аноним 18/04/24 Чтв 17:23:46 554152 123
image.png 665Кб, 1200x801
1200x801
>>554142
Нахуй надо когда всё ещё в прошлом веке изобрели? Выкатываешь из музея зенитки дедовой и ебошишь куда-то туда. Дрону хватит и одного осколка в отличии от бронированных бомбардувальников.
Аноним 18/04/24 Чтв 17:44:04 554154 124
>>554152
они громоздкие и тяжёлые, БК много весит, опасен для союзников,
Если у тебя отдельная деривация против дронов в составе группы, то норм, но ставить это всё на танк - уже слишком.
Аноним 18/04/24 Чтв 17:54:41 554155 125
>>554154
>БК много весит, опасен для союзников,
и дорогой
Аноним 19/04/24 Птн 04:26:26 554179 126
А как можно вообще хотя бы на коленке прикинуть уровень шума, создаваемого квадрокоптером?
Аноним 19/04/24 Птн 18:35:14 554207 127
>>554179
Диктофоном померить
Аноним 19/04/24 Птн 22:03:38 554211 128
image.png 3128Кб, 1284x2107
1284x2107
В документации вычитал, что esp8266 после подключения wifi самостоятельно сохраняет имя сети и пароль во флэш, после перезагрузки/перепрошивки хранит эти настройки, и подключается самостоятельно.
А у меня почему-то нет.
Что делаю:
1. После старта по кнопке, либо по таймауту делаю WiFi.begin(WIFI_SSID, WIFI_PASS), жду подключения.
2. Перезагружаю плату путём выдёргивания юсб.
3. По millis раз в секунду проверяю состояние коннекта.
4. ????
5. НИХУЯ

ЧЯДНТ?
Аноним 19/04/24 Птн 22:09:43 554212 129
>>553954
джва года хочу сделать, всё руки не доходят, то пилю товарищу самогонный автомат, то дрочить пора.

Рулонные шторы с приводом и датчиком освещённости, чтобы держали яркость на заданном уровне. Задавать уровень можно энкодером.
Аноним 20/04/24 Суб 02:49:49 554222 130
>>554211
Хуйню какую-то читаешь.
Аноним 20/04/24 Суб 08:45:04 554227 131
>>554211
Видимо где-то у тебя в компиляторе выставлен какой-нибудь флаг, который не сохраняет. И хуй забей, каждый раз заново выставляй данные, это логичнее.

>>554222
Всё правильно он читает. Он ещё и настрйоки точкки доступа сохраняет. 1 раз включил точку доступа для теста и она у тебя всегда будет поднята, пока не задашь новый WiFi.mode()
Аноним 20/04/24 Суб 11:13:12 554232 132
>>554222
ну чел

https://arduino-esp8266.readthedocs.io/en/latest/esp8266wifi/readme.html

>Station (STA) mode
>In case the connection is lost, the ESP8266 will automatically reconnect to the last used access point, once it is available again. The same happens on module reboot. This is possible since ESP saves the credentials to the last used access point in flash (non-volatile) memory. Using the saved data ESP will also reconnect if sketch has been changed but code does not alter the Wi-Fi mode or credentials.
Аноним 20/04/24 Суб 11:25:49 554235 133
image.png 34Кб, 483x450
483x450
>>554227
Вот о том же думаю!
Но этих флагов просто до ебени матери там! И решительно непонятно, какой именно за хранение настроек отвечает. Да ещё для разных плат эти флаги все разные. На одном из форумов наткнулся на предположение, что поскольку параметры wifi хранятся в последних областях памяти, нужно выбирать какой-то правильный вариант её распределения. Но сколько ни тыкал разные -- хуй.

>И хуй забей, каждый раз заново выставляй данные, это логичнее.
Кхм. Вот чото не думал в таком разрезе. Ну то есть мне нужно сохранять настройки, это чтобы иметь возможность менять имя-пароль точки в AP-режиме. И я планировал делать это в EEPROM. Но потом прочитал про автосохранение, и теперь у меня дискомфорт от того, что оно какбе должно само, а оно не.
Штош, наверное ещё немного потрепыхаюсь, и вернусь к варианту с епром.
Аноним 20/04/24 Суб 11:36:12 554237 134
image 53Кб, 686x227
686x227
>>554235
Тебе нужен раздел NVS, в нём хранятся настройки вайфая.
https://docs.espressif.com/projects/esp8266-rtos-sdk/en/latest/api-guides/partition-tables.html
И эту таблицу можно слить из ESP и посмотреть что у тебя там по фатку. Я так на ESP32 делал но я уже нихуя не помню. Там какая-то софтина нужна для декодинга дампа в таблицу разделов.
И ещё
>NVS is used to store WiFi data if the esp_wifi_set_storage(WIFI_STORAGE_FLASH) initialisation function is used.
Хуй знает, вызывается ли твоя сборка эту функцию или нет.
Аноним 20/04/24 Суб 11:39:31 554238 135
>>554237
>>554235
А, так там по ссылке всё написано.
>partition table is flashed to offset 0x8000 in the flash
>Partition table length is 0xC00 bytes
Скачиваешь его с своего чипа, потом
>To convert binary format back to CSV:
>python gen_esp32part.py --verify binary_partitions.bin input_partitions.csv
И видишь свою таблицу разделов.
Аноним 20/04/24 Суб 17:13:13 554254 136
>>554232
Это либа, одна из многих. Сам чип ничего подобного не делает, не должен и не может.
Странная хуйня, зачем либа делает не то что ты написал в коде? Особенно если ты прошивку поменял, то за каким хером она пойдёт к последней использованной точке?
Читай дальше ту же доку, там ссылки есть. setAutoConnect регулирует это поведение с подключением на перезагрузке. Надеюсь, им просто хватило ума не включать его по-умолчанию.
Аноним 21/04/24 Вск 17:49:50 554306 137
меня послали быстрым шагом сюда, продублирую %)
проблема: не работает вывод в монитор порта на Arduinodroid. скетч компилируется и подгружается на плату, но порт остается пустым. на компьютере в adruino ide все идеально работает. мне нужно подгрузить именно на ведро - делаю портативный газоанализатор. вывод на отдельный монитор - не вариант, т.к. под задачу нужен набор данных в динамике, ручками в блокнот писать - не вариант + калибровка датчика тоже включается кодом.
условия: redmi4, 6.0.1/9.5. в скетче стоит скорость отправки данных 9600, в окне для монитора порта тоже. плата CH341SER, дрова на андроид вроде установились, в Arduinodroid и ArduinoIDE прошивается как Nano w/ATmega168.
схема датчик mhz-19b подключается к ардуино без отдельного питания, ардуино - к смартфону. на порт отправляются данные о концентрации CO2 в воздухе.
Аноним 22/04/24 Пнд 13:21:29 554360 138
>>554306
Так не бывает
Попробуй простые примеры для работы с сериал портом
Аноним 23/04/24 Втр 02:29:52 554412 139
IMG1014.png 59Кб, 434x327
434x327
>>554306
>портативный газоанализатор
>mhz-19b
ОХ ЛОЛ
А ХУЛИ НЕ АДРОННЫЙ КОЛЛАЙДЕР ПОРТАТИВНЫЙ ??
Аноним 23/04/24 Втр 09:33:07 554453 140
Хочу сделать указатели поворота на велик. Ищу трехпозиционный переключатель, желательно в водонепроницаемом корпусе. Если кто использовал, дайте ссылку по-братски.
Аноним 23/04/24 Втр 10:07:03 554459 141
>>554453
Купи на алихе мотоциклетный
Аноним 23/04/24 Втр 17:31:22 554503 142
Аноним 23/04/24 Втр 23:22:18 554538 143
>>554503
А как ещё светодиодами мигать?
Аноним 24/04/24 Срд 09:38:28 554587 144
>>554503
Считаешь это из пушки по воробьям?
Аноним 24/04/24 Срд 13:15:40 554600 145
>>554587
Ну блин ясен пень. Если тебе не надо каким-то хитровыебанным паттерном другим участникам движения чото намигивать. Если достаточно яркости светодиода -- есть стопицот мигающих.
Вот, выбирай:
https://www.chipdip.ru/catalog/round-leds?gq=%D0%BC%D0%B8%D0%B3%D0%B0%D1%8E%D1%89%D0%B8%D0%B9+%D1%81%D0%B2%D0%B5%D1%82%D0%BE%D0%B4%D0%B8%D0%BE%D0%B4
Аноним 24/04/24 Срд 13:17:04 554601 146
Ну только ток питания правильно подбери.
Аноним 24/04/24 Срд 13:24:13 554602 147
image.png 1502Кб, 720x959
720x959
>>554538
Во, сразу оранжевый, под поворотник.
Комплект 20 штук, по пять с каждой стороны, будеш как индийский водила автобуса.
Аноним 24/04/24 Срд 13:24:45 554603 148
Аноним 24/04/24 Срд 13:58:56 554604 149
image.png 263Кб, 1385x524
1385x524
>>554603
110 рублей за один мигающий светодиод и минимальный заказ 20 штук?
Идика ты нахер, менеджер чиподипа.
Аноним 24/04/24 Срд 15:33:04 554608 150
>>554600
Потом явно захочется добавить какой-нибудь одометр или даже спидометр.
Аноним 25/04/24 Чтв 14:00:11 554691 151
Величайшие умы тут обитающие! Помогите начинающему ардуинщику! Суть в чем: есть ардуино нано и при попытке загрузить скетч из IDE идет или бесконечная загрузка, или выдает ошибку avrdude: ser_open(): can't open device. Все лайфхаки из инета уже перебрал: кабеля менял, переустанавливал по сто раз дрова, удалял устройство в диспетчере и так далее. Даже подумал проблема в самой плате и купил новую, проблема та же. Думал проблема может быть в Win 11. Взял старенький ноут с Win 10 - без изменений. Один раз получилось загрузить скетч когда я нажал на reset на плате одновременно с загрузкой скетча, но повторить успех не получилось.
Аноним 26/04/24 Птн 09:39:51 554783 152
>>554691
Попробуй Old Bootloader выбрать в настройках, там где проц.
Аноним 27/04/24 Суб 14:04:55 554910 153
>>554604
Блэд, я думал это за комплект из 20 шт!
Ну сорян, да, сотка за штучку -- как-то пиздец.
Аноним 28/04/24 Вск 20:19:11 555048 154
>>554604>>554538
Родина им дала копеечные Ne555. Не хочу аналоговую схемотехнику учить, хочу мигать 16МГц микроконтроллером на delay и покупать охуевшие оверпрайснутые быдлолампочки.
Аноним 29/04/24 Пнд 02:57:18 555058 155
>>555048
>Родина им дала копеечные Ne555
КР1006ВИ1
Аноним 29/04/24 Пнд 02:57:50 555059 156
timers.a879-120[...].jpg 211Кб, 1200x800
1200x800
Аноним 03/05/24 Птн 06:16:39 555394 157
>>555048
Спасибо, посмотрел.
Есть даже готовая плата https://ozon.ru/t/0qylwgK. Осталось приколхозить провода питания и придумать корпус.
Аноним 04/05/24 Суб 09:41:46 555437 158
господа, есть ли описание слегка пизже этого официального говна? https://www.arduino.cc/reference/en/#sketch
Я понимаю, конечно, что там открытая платформа, и спрашивать надо у аффторов еблиотек, но у них даже по структуре проекта ни хуя нет! Вот, например, я точно знаю, что кроме сетапа и залупа есть раздел, куда тебя вышвыривает в случае прерывания, но про это тут ничего нет, а где видел - не помню. И предстоит мне соснуть хуйца, потому что хочу аппаратный генератор переменной частоты, а как изменять уставку таймера, если может сложиться ситуация, когда счетчик до этой уставки уже доехал, но сравнение ещё не сработало, а ты его уже меняешь... Так бы я это делал в прерывании, когда счётчик нулю равен, а тут хуй...
Аноним 04/05/24 Суб 11:18:50 555441 159
>>555437
Читай мануал по языку программирования (Си! не С++, до С++ дойдёшь позже) и мануал про используемому микроконтроллеру, библиотеке языка Си в BSP, а так же programming model для используемого ядра микроконтроллера.
Аноним 04/05/24 Суб 12:00:13 555442 160
>>555437
>Вот, например, я точно знаю, что кроме сетапа и залупа есть раздел, куда тебя вышвыривает в случае прерывания, но про это тут ничего нет, а где видел - не помню
https://www.arduino.cc/reference/en/language/functions/external-interrupts/attachinterrupt/
Там есть всё что тебе надо
>>555441
Во-первых скетчи пишутся на плюсах, во-вторых стандарт там такой старый что особо разницы не заметишь между сишкой и плюсами, разве что в плследних есть объекты
Аноним 04/05/24 Суб 14:31:02 555448 161
Аноним 04/05/24 Суб 16:04:54 555450 162
>>555442
>Во-первых
Во-первых, ABI в плюсах и Си сильно отличается.
Во-вторых, бОльшая часть всех BSP для МК пишется на чистом Си и немного асма.
В-третьих, дело не в стандарте плюсов, а в понимании работы контроллера прерываний, исключений, контекстов, и т.п.
>во-вторых стандарт там такой старый что особо разницы не заметишь между сишкой и плюсами, разве что в плследних есть объекты
Ты написал хуйню.
Если ты ни разу не пользовался setjmp/longjmp, ни разу не писал шеделуры для своей ОС, то тебе аналогично стоит посвятить некоторое время изучению этих вещей.
Аноним 04/05/24 Суб 16:47:40 555455 163
Аноним 05/05/24 Вск 12:11:44 555497 164
image 884Кб, 1498x2048
1498x2048
Сап аноны. Есть один скетч https://alselectro.wordpress.com/2016/10/30/arduino-ethernet-shield-led-onoff-from-webpage/ и он работает прям почти как мне надо. Что мне не хватает так это чтобы раз в сутки программа что-то ещё делала. Я знаю как это сделать на задержках, но похоже задержку тут никуда не вставить, работать перестанет. Помогите плз. Я не программист
Аноним 05/05/24 Вск 12:13:15 555498 165
Аноним 05/05/24 Вск 20:58:14 555516 166
>>555450
>Во-первых, ABI в плюсах и Си сильно отличается.
>Во-вторых, бОльшая часть всех BSP для МК пишется на чистом Си и немного асма.
Лол, на CMSIS они пишутся у нормальных людей
>а в понимании работы контроллера прерываний, исключений, контекстов
Всё что тебе нужно знать про них - написано по ссылке
>Если ты ни разу не пользовался setjmp/longjmp, ни разу не писал шеделуры для своей ОС, то тебе аналогично стоит посвятить некоторое время изучению этих вещей.
Советую тебе купить нормальный МК вместо ардуины если тебе приходтится ебаться с такой хуйней, а я пожалуй продолжу считать ффт в реалтайме на 3 МГц на стмке без единой ассемблерной вставки
Аноним 06/05/24 Пнд 04:25:36 555528 167
>>555437
>господа, есть ли описание слегка пизже этого официального говна?
Гувера наверни, сириусли. Там, например, разъясняется про хуёво документированную функцию yield(), только для атмег.
Аноним 06/05/24 Пнд 05:44:37 555530 168
>>555516
>Лол, на CMSIS
У тебя ARM головного мозга? CMSIS это малое подмножество из существующего барахла на рынке.
>>555516
>Всё что тебе нужно знать про них - написано по ссылке
Дурашка, я занимаюсь ембеддед больше 10 лет, от скуки на работе контрибьютил в ядро линукс и пару *bsd.
Продолжай рассказывать, что мне нужно знать.
>>555516
>Советую тебе
Спасибо за совет, чтоб я делал без советов от таких дурачков.
>>555516
>а я пожалуй продолжу считать ффт
Нихуясебе достижение! За такое ты достоин нобелевской премии, не иначе.
Аноним 06/05/24 Пнд 06:04:33 555531 169
-53145042795386[...].jpg 71Кб, 615x654
615x654
Как обычно в тематике, в треде туева хуча профессионалов, никто не может ответить на нубский вопрос.
Аноним 06/05/24 Пнд 06:40:02 555533 170
>>555516
>>Во-вторых, бОльшая часть всех BSP для МК пишется на чистом Си и немного асма.
>Лол, на CMSIS они пишутся у нормальных людей
Эммм, месье хочет сказать, что в исходниках CMSIS нет Си и нет ассемблера? Пиздец просто.
>>555531
Какой вопрос?
Аноним 06/05/24 Пнд 11:32:31 555555 171
а как на ардуине закодить звук таймера обратного отсчёта для зуммера?
Аноним 06/05/24 Пнд 15:25:50 555567 172
изображение.png 4Кб, 444x63
444x63
Аноним 06/05/24 Пнд 17:29:05 555581 173
>>555533
>что в исходниках CMSIS нет Си и нет ассемблера?
Ну блядь по такой логике у нас и питон тоже сишка. Ты же не смотришь исходники такого когда пишешь с их применением. Но насчет ассемблера по-моему они в одной презентации по DSP заявляли что там как раз только си, ассемблерные вставки исключительно для вызова SIMD инструкций, оптимизаций на уровне ассемблера там нету.
>>555530
> CMSIS это малое подмножество из существующего барахла на рынке.
У нас арм там это больше половины всех производительных МК. Если выкинуть 8битную хуйню то у тебя остаётся только китайский RISC-V и PIC32. Ну xtensa из распространенных, но это немного другой уровень.
>Продолжай рассказывать, что мне нужно знать.
Взаимно, у меня всё работает прекрасно без твоей низкоуровневой параши которая нужна только разработчикам встраиваемых ОС, а не пользователям этих ОС
Аноним 06/05/24 Пнд 23:42:04 555595 174
>>555555
>зумеры изобретают 555
Аноним 07/05/24 Втр 07:20:31 555602 175
>>555581
>Ну блядь по такой логике у нас и питон тоже сишка.
Смотрю.
>>555581
>Ты же не смотришь исходники такого когда пишешь с их применением.
Схуяли? Доков чатсо нет, либо они неполные, иногда возникают вопросы, иногда всплывает быдлокод в преисполненных исходниках BSP/CMSIS.
>>555581
>Но насчет ассемблера по-моему они в одной презентации по DSP заявляли что там как раз только си, ассемблерные вставки исключительно для вызова SIMD инструкций, оптимизаций на уровне ассемблера там нету.
В чём разница между оптимизаций на уровне ассемблера и ассемблерными вставками с более чем одной инструккией?
Компилтятор может предоставлять разные интринсики для разных ассемблерных инструкций, но если речь про имплементацию какого-либо алгоритма либо его части - то часто нужно собрать некий пайплайн и там уже будет небольшая "портянка" в виде вставки на ассме.
>>555581
>PIC32.
Ну не надо так толсто, пиши MIPS. MIPS-ы очень долго были де-факто стандартным решением для модемов (включая 3g+), роутеров и больших свичей. В своей практике я начинал с ембеддед под ARM/vrtx, дальше были MIPS 4ke с ThreadX/linux, ARC/MQX, потом снова ARM/Linux + ARM/ThreadX.
>>555581
>у меня всё работает прекрасно без твоей низкоуровневой параши которая нужна только
Ты не только замкнутый, ограниченный и неспособный использовать исходники CMSIS/et, не говоря про другие вещи вроде DSP, но ещё и зачем-то убеждаешь всех, что это не нужно и без этого можно быдлокодить. Быдлокодить - можно. Я согласен. Продолжай, небыдлокодерам будет больше места и вакансий и больше ЗП. :3
Аноним 07/05/24 Втр 08:53:46 555609 176
>>555602
>В чём разница между оптимизаций на уровне ассемблера и ассемблерными вставками с более чем одной инструккией?
В том что у нас gcc слишком тупой если таргетом является МК и самостоятельно поставить SIMD инструкции он не может, поэтому приходится писать функции из одной ассемблерной инструкции
>MIPS
>MIPS 4ke с ThreadX/linux, ARC/MQX, потом снова ARM/Linux + ARM/ThreadX.
Так, давай не смешивать в кучу SoC и МК. Линукс на МК не нужен и вообще не должен запускаться, максимум это ртос
Аноним 07/05/24 Втр 09:19:39 555610 177
>>555609
>не смешивать в кучу SoC и МК
>>555581
>остаётся только китайский RISC-V и PIC32.
Это признаки шизофрении или недалёкости?
>>555609
>В том что у нас gcc слишком тупой если таргетом является МК и самостоятельно поставить SIMD инструкции он не может, поэтому приходится писать функции из одной ассемблерной инструкции
Ложь, пиздёж и провокация. хинт: ассемблерная вставка из нескольких инструкций не отличается от линковки отдельного кода на асме из отдельного асм файла, с нюансами по ABI но это мелочи О тебе я мнение составил - воинствующий овощ, не знающий, не умеющий, но обсирающий и доказывающий ненужность всего, что не может освоить.
Аноним 07/05/24 Втр 09:30:58 555611 178
>>555567
>>555595
эм не совсем вас понял
нужно что бы был звук пип пип пип пип пип пип, а потом он становился быстрее и быстрее и в конце вообще часто пипипипипиипипипипип (ну как бомба в контер страйк крч)
Аноним 07/05/24 Втр 09:44:09 555612 179
>>555611
Ну можно так сделать.
Аноним 07/05/24 Втр 13:25:19 555621 180
>>555602
>быдлокод в преисполненных исходниках BSP/CMSIS
А в байтоебстве у байтоебов все из говна и палок, кстати.
Потому они и предпочитают сиську и АССемблер, потому что они простые и понятные для них. Ну и на выходе дают говно как будто слепленное петровичами в засратом гараже, глаза ж радуются, сложна как все, НАДЕЖНА!!.
Аноним 07/05/24 Втр 16:47:39 555631 181
>>555621
Спешите видеть!
Ардуинщик, который не открывал и не открывает исходники BSP/CMSIS/etc, даже в процессе написания кода поверх этого говна, который не умеет в программирование и чтение документации, рассуждает о надёжности.
Ардуинщик рассуждает о надёжности софта и кривизне решений.
Умираю от смеха.
Аноним 07/05/24 Втр 17:47:46 555637 182
Если я напрямую подключу Ардуину к электромагниту реле, Ардуину по ломается?
Аноним 07/05/24 Втр 17:50:42 555638 183
>>555621
Открываю тебе страшный секрет - всё есть говнокод! Разница лишь в том насколько тебе он ближе
>>555610
>Это признаки шизофрении или недалёкости?
Разницу между CH32V003 и Bl808 сам найдешь или лупу подарить?
>Ложь, пиздёж и провокация
Ну давай давай, расскажи мне как gcc-arm-none-eabi у нас делает размотку цикла с дефолтными настройками, ага
>>555602
>иногда всплывает быдлокод в преисполненных исходниках BSP/CMSIS
Ни разу не видел, у меня они только в виде .a либ идут
Аноним 07/05/24 Втр 19:31:51 555639 184
Аноним 07/05/24 Втр 19:45:19 555640 185
C4B5A209-B903-4[...].png 69Кб, 400x400
400x400
>>555631
>сперва добейся
Ну ты же типичный чванливый байтоебчик.
>доков часто нет
Ты же сам себе противоречишь, дурачок. Кстати, покажи мне нормальные доки хотя бы на их же ебаный HAL. Про ебнутый на всю голову стм32кубиде ваще молчу, такое только конченный задрот и дебил мог придумать, даже ардуинщики справились лучше.
>>555638
>всё есть говнокод
>НЕ МЫ ТАКИИ ЖЫСТЬ ТАКАЯ
Трудно неграмотным байтоебам разбираться в высерах таких же неграмотных дебилов. Аж чтение исходников преподносится как ахуительный подвиг и достижение. Ебало представили? Бедные байтоебы... Software engineering, не слыхали в вашем селе? И никаких "что хотел сказать аффтар" и прочих смехотворных "творческих" потуг.
Аноним 07/05/24 Втр 23:56:09 555646 186
>>554412
датчик размером 2x1 см, не вижу проблемы.
Аноним 07/05/24 Втр 23:59:18 555647 187
>>554412
я просто решаю прикладную проблему в биологии. я не радиоэлектронщик, мне просто дали подержать паяльник %) че сразу бухтеть-то. ну если хочется людям эротически фантазировать, что такого-то
Аноним 08/05/24 Срд 00:00:02 555648 188
>>554360
логично, попробую.
Аноним 16/05/24 Чтв 16:38:47 556176 189
Сап аноны в чём смысл таких команд?

while (!DHCPsuccess) {
digitalWrite(ETH_RST_PIN, LOW);
pinMode(ETH_RST_PIN, OUTPUT);
delay(100);
pinMode(ETH_RST_PIN, INPUT);
digitalWrite(ETH_RST_PIN, HIGH);
delay(200);

То есть контроллер сначала выставляет пин в 0 и только потом делает пин выходом. Ждёт 100мс. Выставляет пин входом и выставляет на нём 1. Зачем? Это же вызовет перегрузку порта на 200мс. Надо же сначала выставлять порт выходом, а потом выставлять на нём уровень. И уж тем более не выставлять на входе 1. И ресет на шилде это вход а не выход. Зачем выставлять пин контроллера входом для него? Пример вот отсюда https://github.com/NicksonYap/Arduino-Ping-W5500/blob/master/examples/PingAsync/PingAsync.ino
Аноним 16/05/24 Чтв 18:40:03 556186 190
>>556176
Мне кажется наркоман перепутал INPUT и OUTPUT. Если их местами поменять, всё становится логично.
Аноним 17/05/24 Птн 00:30:25 556207 191
Аноним 20/05/24 Пнд 08:39:55 556338 192
>>550854 (OP)
Как правильно настроить Keil для работы с STM32F030F4P6?
Не смог найти норм гайдов, а Cube не хочет создавать код проекта т.к. не загрузил либы, т.к. региональный блок на это дело с 2022го.

Есть ещё варик с Eclipse, но по нему пока не получилось.
Аноним 20/05/24 Пнд 10:17:05 556342 193
image.png 311Кб, 1463x535
1463x535
Суп, радач.

1) Вот такой провод подойдет для пайки кнопочек/энкодеров/лед?
2) Я же могу "разорвать" такой шлейф вдоль на отдельные проводки и шлейфы? Для энкодера оторвать шлейф 5-жильным, для кнопочек 2-жильным и так далее?
Аноним 20/05/24 Пнд 18:19:06 556381 194
>>556342
Подойдёт, но нафига тебе ебаться с такими тонкими? Возьми пожирнее.
Как шлейф – заебись, да
Поделка для нюфага Аноним 21/05/24 Втр 23:54:00 556507 195
17098418184200.jpg 332Кб, 958x960
958x960
Доброго времени, уважаемые радиолюбители!

Понимаю что тут скорее всего закидают фекалиями прочитав до конца, но и куда обратиться пока неизвестно. Дело в том, что всю жизнь я держал паяльник в руках для ремонта, а также создания чего-то более приземленного, типа усилителей, радиостанций и т.д.

Но судьба сложилась интересно, хочу попробовать сделать что-то из ардуино, так как весьма массивный набор оного попал мне в цепкие. Сразу в голове возникла идея портативного и многофункционального устройства, однако до этого ардуино смотрел только на картинках, и то не вдумчиво.

Что, собстна, хочу сделать - имеется сам ардуино (на выбор разный, от нано, до уно с платой расширения), экран 1602A с модулем для него, ФМ модуль с усилителем и портом 3.5 SI4703, модуль часов, "сосок" на 5 позиций (4 разные стороны + нажатие), батарея с возможностью зарядки/разрядки/вкл-выкл, ну и кааанечн ж светодиод.
Из всего этого великолепия хотел бы сделать полноценное, портативное устройство, на котором можно и радио послушать, и фонарик включить, и время посмотреть, а также произвести численный подсчет (не спрашивайте зачем), типа "наименование 0-99" и таких 5 штук наименований...

Имеются умельцы готовые помочь со столь непростой для меня задачей? Для нюфага такое почти запредельно, но как понимаю для бывалых это не должно составить труда, поэтому, нид ассист, за мной не заржавеет!
Аноним 22/05/24 Срд 12:40:37 556537 196
>>556507
Ну дк а в чем проблема то? Декомпозирую свое большое устройство на несколько маленьких, и собери их потом вместе. Суть ардуино ведь не в результате, а в процессе. Иначе нахуй вообще всё это собирать, купи бабушкофон за тыщу рублей - будет проще, быстрее, дешевле и надежнее.

Собирай всё на макетной плате без пайки. Начни с фонарика. Нужна сама ардуинка, светодиод, батарейка, кнопка. Потом ищи аналоги радио, часов, и так далее на просторах и докидывай в готовую схему.
Аноним 23/05/24 Чтв 00:09:02 556586 197
Сап, ардуинач.

Что за хуита, не подскажете? Решил помигать светодиодными матрицами на MAX7219 по SPI от Arduino Pro Micro. Накачал библиотек, стал пробовать-смотреть и такое чувство, что как-то хуёвничает аппаратный SPI, матрицы мигают и не отображают задуманное авторами примеров.
Среди примеров был один скетч с софтовой реализацией SPI, так вот с ним, на тех же самых пинах, что и аппаратные, всё заработало.
Куда копать, что курить?
Аноним 25/05/24 Суб 00:29:28 556740 198
>>556586
Отбой. Я дебил, и MOSI с MISO перепутал.
Совсем мозги заржавели.
Аноним 03/06/24 Пнд 05:06:40 557100 199
>>556740
Хотел советов мудрых? Здесь только выёбываться умеют.
Аноним 03/06/24 Пнд 09:52:29 557113 200
>>557100
Программировал давеча есп под ХА. Какой же уёбищный язык, просто пиздец.
Аноним 03/06/24 Пнд 10:02:41 557114 201
>>557113
>под ХА
Это что такое?
Аноним 03/06/24 Пнд 11:35:46 557124 202
Аноним 03/06/24 Пнд 13:24:55 557143 203
>>557114
Home Assistant
Там есть интеграция для ESP
Аноним 04/06/24 Втр 09:36:35 557182 204
Аноним 04/06/24 Втр 10:13:53 557185 205
>>557182
YAML
Там какие-то платформы-хуёрмы, всё под десятью абстракциями, хуй разберёшься поначалу. Переменную создать и менять целый квест.
Аноним 07/06/24 Птн 18:54:01 557438 206
Есть радиореле с кнопкой и радиомодуль с ардуино. Можно ли вторым управлять первым и как это делается?
Аноним 07/06/24 Птн 21:05:49 557448 207
>>557438
Подключаешь одну ногу реле к +5 на ардуино, вторую на цифровой вход и считываешь состояние реле. Куда ещё проще?
Аноним 07/06/24 Птн 21:39:46 557452 208
>>557438
А у тебя частоты реле хотя бы совпадают с модулем?
Если да, гугли пакеты своего реле. Вряд ли у тебя есть чем их перехватить и записать для воспроизведения на ардуине.
Аноним 08/06/24 Суб 08:35:53 557471 209
>>556338
Не получается из-за использования проприетарных IDE, там не очевидные настройки везде и триал режимы / кряки нужны.

https://habr.com/ru/articles/345670/
Аноним 08/06/24 Суб 08:49:34 557472 210
локаль.PNG 30Кб, 622x670
622x670
>>556338
> т.к. не загрузил либы
Кочай либы с сайта ST под VPN, и устанавливай в Куб из локального хранилища
Аноним 08/06/24 Суб 12:20:42 557486 211
IMG202406081344[...].jpeg 1382Кб, 3024x3024
3024x3024
Кароч. Первое что собрал - "умная вентиляция для ямы".
Ввиду наличия такого явления, как точка росы - в яме всегда влажность 99%
Возникла идея приспособить данное устройство.
Точка росы для наружного воздуха (в квадратных скобках) считается по формуле (с натуральным логарифмом) и если температура внизу выше этой цифры, то можно проверить и реле включает вентилятор. В мороз, не включает.
Жёлтое/оранжевое - i2c.
Пришлось немного скетч для датчика переписать, чтобы через программный i2c заработал, но кроме этого, никаких заморочек.
Аноним 08/06/24 Суб 12:22:12 557487 212
Аноним 08/06/24 Суб 16:32:27 557504 213
>>557486
>Ввиду наличия такого явления, как точка росы - в яме всегда влажность 99%
С хуя ли?
Аноним 08/06/24 Суб 16:44:23 557506 214
>>557504
Очевидно, температура в яме ниже точки росы воздуха снаружи. Попав внутрь, он стремиться к потолку и там конденсируется.
Три варианта исправления:
1. Вентилировать низкотемпературным воздухом. Отчасти уже работает на термореле, но с ардуиной будет пизже.
2. Повысить температуру в яме. Бессмысленно с точки зрения сохранения продуктов, но проверялось и работает.
3. Использовать электрические осушители воздуха. Я думаю над этим, но хрень непростая.
Аноним 08/06/24 Суб 17:06:10 557508 215
>>557506
Если яма бетонная, а люк закрыт, то каким образом влажность достигнет 99%?
Аноним 08/06/24 Суб 18:58:19 557517 216
>>557448
Чо? Имеется ввиду отдаленно
Аноним 08/06/24 Суб 20:50:29 557529 217
>>557517
Потрать на две минуты больше времени и сформулируй что ты хочешь.
Аноним 08/06/24 Суб 21:03:05 557531 218
>>557508
Ну так там вентиляция есть, от которой летом только хуже.
Аноним 08/06/24 Суб 21:04:53 557532 219
>>557486
Выносной датчик припаял телефонными проводами. Витая пара чего-то обосралась.
Аноним 09/06/24 Вск 17:00:57 557605 220
image 324Кб, 1543x2048
1543x2048
Заберите своих токсичных ардуинопидарасов из приёмникотреда. Они ЗАЕБАЛИ.
Аноним 09/06/24 Вск 18:23:41 557609 221
Аноним 09/06/24 Вск 22:30:44 557624 222
IMG4758.JPG 2579Кб, 3024x4032
3024x4032
Есть макетная плата, которую собираюсь травить припоем. И есть мосфет AOD4184, который подходит своими выходами на плату либо со стороны нагрузки, либо со стороны управляющих, показал линиями в чем дело. Как выйти из этой ситуации? Если напаяю только с одной стороны, оно будет качаться и точно в какой-то момент отломится.
Аноним 09/06/24 Вск 22:43:01 557626 223
>>557624
Я не понял в чём твоя проблема, но если в том, что у тебя дырки в макетке не совпадают с дырками на модуле, возьми провода и припаяй что тебе надо и куда надо.
Аноним 10/06/24 Пнд 00:40:42 557633 224
>>557624
>макетная плата, которую собираюсь травить припоем
Потому что можешь?
Аноним 10/06/24 Пнд 01:29:17 557636 225
1717972143810.jpeg 1170Кб, 1536x2040
1536x2040
1717972144493.jpeg 896Кб, 1536x2040
1536x2040
1717972145091.jpeg 385Кб, 1536x2040
1536x2040
>>557486
А я вот для ванной умную вентиляцию собрал. С привязкой к умному дому. И ещё кнопку турборежима после покака предусмотрел.
Аноним 10/06/24 Пнд 02:53:46 557637 226
1717972143810.jpg 2492Кб, 1536x2040
1536x2040
>>557636
Осталось только из этого устройство сделать, а не макет.
В освободившееся место можешь ЭМИ фильтр поставить, есп очень капризная.
Аноним 10/06/24 Пнд 05:48:03 557641 227
>>557636
А умный дом там что делает?
Аноним 10/06/24 Пнд 07:21:11 557642 228
>>557636
Может оно и умное, но уродливое пиздец.
Аноним 10/06/24 Пнд 07:42:13 557644 229
>>557637
Какая плата валялась, из такой и сделал, хули.
На макет это уже не похоже.

>>557641
Получает данные о температуре, влажности и скорости вентилятора и даёт по расписанию команды включить и выключить ночной режим (минимальные обороты).
В принципе, устройство автономное.

>>557642
Ну, не блещет красотой, зато задачу выполняет.
Аноним 10/06/24 Пнд 07:49:36 557645 230
>>557644
>Ну, не блещет красотой, зато задачу выполняет
Ну хоть какая-то эстетика должна быть.
Аноним 10/06/24 Пнд 08:55:21 557650 231
>>557645
Да этот ебучий форм-фактор UNO мне всю малину обосрал. Корпуса только гигантские подходят, всё неудобно. Плюс, там, оказывается, сдвинуты на 1.25мм контакты у рядов. Пришлось пины на мезонинной плате гнуть художественно.
Решетку на вентиляторе поменяю и крепеж девайса тоже переделаю чуть позже.
Аноним 10/06/24 Пнд 08:56:57 557651 232
>>557650
Просто налепи кабель-канал на стену. Беленький. Ну и вентилятор, да.
Аноним 10/06/24 Пнд 09:58:42 557656 233
>>557650
Ты инженер теперь, так что мне похуй, придумай способ спрятать всё это за вентилятором в стене. Такую хуйню явно оставлять нельзя.
Аноним 10/06/24 Пнд 10:12:12 557657 234
>>557651
>>557656


Я не могу стену трогать, квартира арендная. А решетка намертво приклеена чем-то. Могу, разве что, кабели между собой стянуть, но это после окончательного варианта крепежа.
Такие дела.
Аноним 10/06/24 Пнд 10:26:25 557660 235
Ну и у меня всё ещё подгорает с Ардуино Уно. По сути, запилили всю экосистему под ебучие макетки с кабелями и беспонтовые шильды.
Даже болтами, сука не прикрутить, отверстия слишком близко к контактам.
Аноним 10/06/24 Пнд 11:43:06 557667 236
>>557657
Так не долби стены то. Короб на спермоклей налепи - он хорошо отдирается.
Аноним 10/06/24 Пнд 11:48:12 557669 237
>>557660
>запилили всю экосистему под ебучие макетки
Так в этом и есть суть девборд. Они не предназначены для использования в проде. Разведи свою печатку, припаяй атмегу, прошей свой говноскетч отлаженный на ардуине и радуйся
Аноним 10/06/24 Пнд 12:44:05 557676 238
>>557657
Я имел в виду спрячь всю свою систему за решёткой в воздуховоде, а не долби стену.
Аноним 10/06/24 Пнд 13:01:03 557679 239
image.png 140Кб, 515x428
515x428
>>557650
>>557660
Пчел, уно – это плата для отладки. Ты на ней быстро собираешь прототип, доводишь до рабочего состояния, а потом его реализуешь на таком же контроллере в железе.
Поэтому и форм-фактор там ебучий.
Пикрил – контроллер, на плате у тебя такой же. Всё остальное тебе там вообще нахер не нужно.
Аноним 10/06/24 Пнд 14:23:39 557687 240
>>557676
Решетка приклеена это раз, и датчику от пыли после вентилятора поплохеет быстро, это два.

>>557679
Да я в курсе, старик.
Но могли же они не так сильно выебываться. Мне ради одного экземпляра разводить и заказывать плату с единственным стабилизатором и пятью резисторами экономически не выгодно, а паять этот 8266 на другую макетку, будет сорт говна.
И тем более, они это не как отладочную плату позиционируют, а как плату для диайуай-творчества. А по итогу ты привязан либо к бредбордам, либо к их шильдам. Несколько ограничивает. И даже китайцы не делают для них герметичных корпусов, хотя могли бы.
Аноним 12/06/24 Срд 10:49:32 557820 241
>>557660
>беспонтовые шильды
Чем беспонтовые?
>>557669
Ардуино — не девборда (хотя можно так использовать), а радиоконструктор. Т.е. позволяет из одних и тех же компонентов собирать разные девайсы, которые можно сразу использовать в быту.
Аноним 12/06/24 Срд 12:05:14 557821 242
>>557820
>которые можно сразу использовать в быту
Ну так пусть использует как есть и не ноет
Аноним 12/06/24 Срд 12:21:58 557823 243
Аноним 12/06/24 Срд 14:21:05 557828 244
>>557823
Спасибо, запомню.
Аноним 12/06/24 Срд 14:22:41 557829 245
>>557820
> Чем беспонтовые
Ну это я так, сгоряча. Но крепёжные отверстия очень неудобные.
Аноним 12/06/24 Срд 19:30:24 557838 246
IMG202406121909[...].jpeg 1812Кб, 3024x3024
3024x3024
IMG202406122042[...].jpeg 1137Кб, 3024x3024
3024x3024
IMG202406122043[...].jpeg 1558Кб, 3024x3024
3024x3024
>>557486
Пока собирал - пережог i2c модуль у lcd (uno слишком неудобная и у меня походу сборки всё время провода оттуда отлетали). Заказал другой экран и пересобрал на nano, оставив uno для экспериментов.
i2c на LCD внезапно отказалась работать на витой паре длиной даже 15 сантиметров. надо в следующий раз волновое что-ли ванговать, хз Причем, витая пара была даже не к экрану, а к температурному датчику. В итоге, поставил на i2c проводочки из набора.
Корпус нааутировал из старых коробок под розетки. (Под ним, просто кусок трубы в качестве подставки. Сама вентиляция - под вентилятором)
Аноним 12/06/24 Срд 21:56:47 557843 247
1718218596432.jpeg 366Кб, 1536x2040
1536x2040
Переделал.
Обама, ты доволен?

Сломал крышку унитаза, легонько наступив на неё, билять.
Аноним 12/06/24 Срд 21:58:25 557844 248
>>557838
Телефонная лапша это стильно.
Давно не видел её.
Аноним 13/06/24 Чтв 05:02:10 557858 249
>>557844
Работала бы витая пара на i2c я бы не стал с телефонными возиться.
Аноним 13/06/24 Чтв 07:53:00 557860 250
>>557858
Скорость какую выбирал?
Аноним 13/06/24 Чтв 09:29:33 557866 251
>>557860
Лол, никакую. Если бы на телефонном проводе не заработало, полез бы в исходники.
На самом деле, у них сечение больше и медь цельная - хотелось меньшее сопротивление на питании.

Когда вчера lcd "не работал" под конец разобрался, что просто инициализация стала 5 минут проходить, вместо 1 секунды. Потыкал разные проводки, из тех, что под руками лежали, оно и заработало.
Аноним 13/06/24 Чтв 10:14:27 557867 252
>>557866
Да там похуй на сопротивление, токов тонет. Ёмкость влияет, крутизна фронтов, все дела. Вангую, что пошёл бы любой кабель типа экранированного микрофонного.
14/06/24 Птн 15:41:51 557986 253
Boys Math #remi[...].mp4 8157Кб, 720x1280, 00:00:59
720x1280
>>550854 (OP)
Радачи, сделайте за меня

принять с коморта и положить в ипром 20 лонгов во вторую половину ипрома c адреса (800) а потом по порядку выбрать по 2 (1=a и 2=b, 3=a и 4=b,...) показать их в компорт парами и если лонг = 0 или конец то начать заново
могу прислать денег за сделаное

@oldcat_17
Аноним 14/06/24 Птн 15:51:52 557987 254
image 328Кб, 862x2076
862x2076
14/06/24 Птн 15:55:14 557988 255
16795552941100.webm 1186Кб, 1920x1080, 00:00:09
1920x1080
>>557987
хуета, он не знает про встроеную библиотекуц работы с ипром ничего - это не заработает ни как

у меня если честно загвоздка только с массивами я тупо пока запутался что куда вот и прошу сделать за меня
14/06/24 Птн 16:01:55 557989 256
14997182270060.webm 3554Кб, 352x640, 00:00:17
352x640
>>557988
да и serialread читает чары или инты (по байтику) и их ещё нужно собрать в лонг
Аноним 14/06/24 Птн 16:09:24 557992 257
image 600Кб, 966x2038
966x2038
>>557988
>>557987
Хуясе ебать. Для чатжопы личности завезли. Там есть ардуинщик Arduino Maestro.
14/06/24 Птн 16:12:03 557993 258
>>557992
напиши - не блокирующая функция
Аноним 14/06/24 Птн 16:27:34 557995 259
14/06/24 Птн 16:29:42 557997 260
16773150953430.webm 3714Кб, 640x640, 00:00:58
640x640
>>557995
спасибо и на этом
Аноним 14/06/24 Птн 21:30:48 558021 261
Щас сделаю игру в жизнь
Аноним 15/06/24 Суб 10:46:01 558038 262
Аноним 15/06/24 Суб 11:48:28 558048 263
>>558038
ещё нет, но
1. экран oled 128x64
библиотека OLED_I2C, всё обновляется ооооочень медленно, пару кадров в секунду
2. думал массив точек хранить как глобальную переменную, но почему то там сильной ограниченный размер, его в функции loop что ли создавать? не разобрался ещё
Аноним 15/06/24 Суб 12:39:26 558057 264
>>558048
I2c программное поди используешь?
Аноним 15/06/24 Суб 12:50:30 558060 265
>>558057
понятия не имею что это вообще значит
Аноним 15/06/24 Суб 12:56:54 558061 266
>>558060
Можно пинами дергать тупо через digital_write, а можно говорить контроллеру "отправь данные" и он сам всё сделает.
Аноним 15/06/24 Суб 13:04:56 558062 267
>>558061
ну если я подключаю через аналоговые пины ардуины, то получается там второй вариант наверно
Аноним 15/06/24 Суб 13:50:19 558066 268
а как обратится к массиву из другой функции? если я из loop хочу массив, инициализированный в setup?
Аноним 15/06/24 Суб 13:51:20 558067 269
>>558062
Не-не.A4 и А5 это вшитый i2c У меня выше была проблема, что я к ним подключал lcd и ещё температурный датчик проводами из витой пары и у меня инициализация экрана по 5 минут проходила, а когда ВСЕ i2c провода поменял на те, что были в комплекте, всё ништяк стало.
-->>557838
У тебя на i2c ничего кроме экрана не висит?
Аноним 15/06/24 Суб 13:52:08 558068 270
>>558066
Инициализируй глобально. До loop.
Аноним 15/06/24 Суб 13:52:27 558069 271
>>558068
> Инициализируй глобально. До loop.
До setup
Аноним 15/06/24 Суб 13:52:32 558070 272
image 53Кб, 847x525
847x525
>>558066
Объяви её за пределами функций.
Аноним 15/06/24 Суб 13:54:03 558071 273
>>558070
так глобальтно память переполняется, я же писал
Аноним 15/06/24 Суб 13:58:11 558072 274
>>558071
128x64= 8 k
Там вроде 12 дефолт на глобальные
Аноним 15/06/24 Суб 14:05:24 558073 275
>>558071
Тебе 128x64 точек хранить надо? Если они ч/б то храни их битами. Делаешь 1 здоровенную переменную и функции для работы с битами. На 128x64 бит надо 1кб.
Аноним 15/06/24 Суб 14:35:47 558075 276
Аноним 15/06/24 Суб 14:37:06 558076 277
>>558067
нет, только экран
Аноним 15/06/24 Суб 16:28:07 558084 278
>>558075
Он у тебя 2х цветный же. Зачем тебе целый байт на точку?
Аноним 15/06/24 Суб 16:42:17 558087 279
Аноним 15/06/24 Суб 17:37:55 558089 280
>>558084
А чо у Ардуины битовая адресация? Не думал что такое бывает
Аноним 15/06/24 Суб 17:50:37 558091 281
>>558089
Чувак, посмотри уже исходники -->>558087
logo_bmp и что с ним происходит
Аноним 15/06/24 Суб 20:01:28 558100 282
image.png 21Кб, 679x408
679x408
>>558091
я произвожу впечталение человека способного понять что это вообще такое?
Аноним 15/06/24 Суб 20:02:51 558102 283
>>558100
B -bit просто битами байты нарисованы
Аноним 15/06/24 Суб 20:05:11 558103 284
>>558100
Там дальше интересно. Если ничего не путаю, он одной командой это всё в lcd посылает
Аноним 15/06/24 Суб 20:06:07 558104 285
Аноним 15/06/24 Суб 20:17:10 558105 286
>>558103
так, это просто массив чисел от 0 до 31?
Аноним 15/06/24 Суб 21:12:43 558109 287
>>558105
Смотри. 1 байт это 8 бит. У него там массив из байт.
Вот число 55 в десятеричной системе так и читается, 55. Мы ей и пользуемся. Пишешь num=55;
В 16ричной системе это 0x37. Можешь писать num=0x37;
А в двоичной это B00110111. Делаешь num=B00110111;
И во всех случаях это один и тот же байт. Одно и то же значение.
Так вот для экономии памяти он использует каждый бит для хранения пикселеё экрана.
Для работы с битами используются битовые операции. Уже сам нагуглишь. Можешь видео на ютубе обучающее найти.
Аноним 16/06/24 Вск 04:44:33 558117 288
>>558105
Да, просто массив из 32 байт, который экран воспринимает побитно, включая и отключая соответствующие пиксели.
Если ничего не путаю, размеры и положение спрайта просто при отправке указываются.
Аноним 16/06/24 Вск 11:24:19 558127 289
так я ведь не спрайты рисую а пиксели отлельные
Аноним 16/06/24 Вск 12:27:07 558133 290
>>558127
Про буферизацию экрана не слышал? Рисовать точками - медленнее.
Аноним 16/06/24 Вск 16:27:29 558145 291
>>558133
не слышал честно
Аноним 16/06/24 Вск 16:34:11 558146 292
>>558145
Держиш фреймбуфер размером с экран
@
Все операции проводиш с ним
@
Шлеш его по таймеру целиком
Аноним 16/06/24 Вск 20:30:15 558169 293
ssss.jpg 280Кб, 499x683
499x683
>>557838
>i2c на LCD внезапно отказалась работать на витой паре длиной даже 15 сантиметров.
Ты чего-то там нахуевертил.
Использую в качестве межплатных соединений либо куски шлейфа RC1, либо витую пару (из витухи при необходимости мотаю верёвки на 3 или 4 жилки). Всё это паяю в BLS-разъём и цепляю на обычную 2.54 гребёнку. Проблем вообще никаких. Пикрелейтед сон разума гоняет по витухе и i2c, и весьма быструю еспшкину spi на расстояние в сантиметров 70. Витая пара это охуенно, по ней гигагерц на сотни метров гоняют. Причём она ещё и держит как минимум 5 ампер и 24 вольт.

У тебя либо витуха хуёво зачищена, либо ты её где-то повредил, либо косяк пайки. Вообще обзаводись привычкой параноидально протыкивать собранное мультиметром на предмет штатных/нештатных контактов перед тем как включать. А даже если всё соединено правильно - бывает полезно отдебажить осциллографом. У меня на другой вундевафле на аттини85 экранчик упорно не заводился потому что один из пинов в подключённом состоянии какого-то хуя недодавал амплитуду сигнала, например. Пришлось его снаружи запуллапить жирным резистором, и всё заработало. Классических нанок эта проблема вроде никогда не касалась, но с Китая нынче едет хуй пойми чего включая клоны микрух, и даже у нанок могут быть нюансы.
Аноним 17/06/24 Пнд 07:45:24 558194 294
>>558169
Не-не пайка у меня норм - я по сантиметру луженого провода к пинам припаиваю. Провода, вроде, тоже окей. Самое удивительное, что пришлось поменять провода к датчику на той же шине, чтобы lcd начал быстрее работать инициализироваться.
При этом, после инициализации lcd все работало заебись.
Аноним 17/06/24 Пнд 12:29:07 558214 295
Screenshot2024-[...].jpg 89Кб, 1080x1107
1080x1107
>>558073
Так лучше? Или можно ещё как то оптимизировать?
Аноним 17/06/24 Пнд 12:31:15 558215 296
Тут в 8 раз меньше памяти юзается, но я не уверен, как быстро он будет это считать...
Аноним 17/06/24 Пнд 13:01:14 558220 297
>>558214
Советую тебе изучить систему команд твоего дисплея.
Самое главное что тебе нужно уяснить, это то что по I2C передается не по одному биту, а сразу минимум 8. Соответственно просто глупо пользоваться поточным рисованием, оно одной посылкой по i2c разу устанавливает 8 пикселов.

Далее можно предположить что в твоём дисплее вообще нет команды изменения одного пикселя и твой сетпиксель внутри читает из дисплея значен е 8 пикселов, меняет один бит в прочитанном значении и отправляет обратно. Вобщем изучай документацию и не будь ардуинщиком.
Аноним 17/06/24 Пнд 14:20:27 558236 298
Аноним 17/06/24 Пнд 15:24:25 558242 299
>>558236
Ничем этот метод не плох, наоборот хорошо. Только я пишу про другое, а именно что дисплей не умеет рисовать по одной точке. Он сразу по 8 рисует. И соответственно метод сетпиксель с любым буфером будет минимум в 16 раз медленнее, т.к. вместо того чтобы отправить один байт и вывести 8 пикселов, оно на каждый пиксель будет читать данные из дисплея, менять и отправлять обратно.
Аноним 17/06/24 Пнд 16:01:51 558246 300
>>558236
Кстати функция сетПиксель не рисует пиксель на экране. Она только помещает его в буфер. А из буфера все выводит функция апдейт. То есть там и так все в буфере
Аноним 17/06/24 Пнд 16:09:48 558247 301
003.png 377Кб, 511x407
511x407
>>558194
>Не-не пайка у меня норм - я по сантиметру луженого провода к пинам припаиваю.
Много тоже плохо. На твоём пикрелейтеде качество шакальное, но создаётся впечатление, что несколько оголённых жил висят в воздухе в критической близости друг от друга, и при любом случайном изгибе они коротнут. Не обязательно с фейерверком. Может просто амплитуда сигнала ополовиниться, потому что где-то образовался делитель напряжения.

Вообще любой провод умеет быть антенной, конденсатором и индуктивностью, что вылезает на гигагерцовых схемах, но на витухе эти эффекты минимизированы. А больше там чудить просто физически нечему.
Аноним 17/06/24 Пнд 16:24:40 558248 302
image.png 21Кб, 572x467
572x467
>>558102
он типа звёздочку так нарисовал?
Аноним 17/06/24 Пнд 16:25:35 558249 303
>>558246
Ну, потому что у дисплея свой контроллер есть.
Аноним 17/06/24 Пнд 16:39:07 558252 304
Аноним 17/06/24 Пнд 16:49:31 558254 305
>>558247
> >Не-не пайка у меня норм - я по сантиметру луженого провода к пинам припаиваю.
> Много тоже плохо.
Олова то там немного. В любом случае, тот датчик подключен к программной i2c и с LCD не пересекатся.
> оголённых жил висят в воздухе
Там жесткий провод. Я даже лаком его не стал покрывать (хотя хотел сперва), настолько он не гнется. Остальные, вообще, наглухо термоусадкой заизолированы.
Аноним 17/06/24 Пнд 16:53:20 558255 306
image.png 8Кб, 734x62
734x62
>>558242
а в библиотеке oled_i2c есть функция что бы сразу 8 бит нарисовать?
я только вот эту нашол, и не понял что она принимает
Аноним 17/06/24 Пнд 18:35:37 558265 307
image.png 13Кб, 942x189
942x189
НУ ЧО ЕМУ НАДО ЕЩЁ?????
Аноним 17/06/24 Пнд 18:49:57 558267 308
>>558265
Сам пиши библиотеку и разбирайся.
Аноним 17/06/24 Пнд 18:52:52 558268 309
IMG202406172048[...].jpeg 1457Кб, 3024x3024
3024x3024
>>558254
* короче, хрен знает почему не работало. Сейчас подключил другой экран витой парой 2+ метра длиной (правда, на шине один lcd). Вроде всё нормально работает.
Аноним 17/06/24 Пнд 19:03:31 558271 310
>>558265

>НУ ЧО ЕМУ НАДО ЕЩЁ?????
I/8, I/WIDTH ведь могут стать внезапно - float?
Аноним 17/06/24 Пнд 19:13:30 558274 311
>>558255
В этих библиотеках хуй разберёшься, проще куски кода дергать и свою писать.
Аноним 17/06/24 Пнд 19:29:35 558275 312
flat,750x1000,0[...].jpg 97Кб, 750x920
750x920
Аноним 17/06/24 Пнд 22:09:28 558282 313
>>558248
Это демка, которая анимирует падающие звёзды.
Аноним 18/06/24 Втр 06:20:54 558295 314
>>558265
floor внезапно не возвращает целых. Преобразуй тип явно, либо дели сдвигами.
Аноним 18/06/24 Втр 06:58:59 558296 315
Аноним 18/06/24 Втр 20:17:18 558357 316
image.png 53Кб, 1121x662
1121x662
крч я храню по 1 байту для каждого пикселя (рисую на сетке 128*44), плюс нужно ещё 2 байта для хранения поинтов каждого пикселя (от 0 до 4 в зависимости от состояния соседних клеток). совсем чуть чуть нехватает... надо сетку уменьшать?
Аноним 18/06/24 Втр 20:28:52 558361 317
>>558357
> плюс нужно ещё 2 байта для хранения поинтов каждого пикселя (от 0 до 4 в зависимости от состояния соседних клеток).
Чего то я не понял нахуя.
Аноним 18/06/24 Втр 20:30:35 558362 318
>>558361
ой имелись ввиду биты
программа называется игра в жизнь
у каждой клеточки может быть от 0 до 4 очков, что определит умрёт она или выживет
Аноним 18/06/24 Втр 20:31:49 558363 319
>>558361
даже 3 бита получается надо для очков
Аноним 18/06/24 Втр 20:42:19 558365 320
>>558362
Ну тогда не влезут. Паковать не вариант.
Делай тогда по 4 точки на клетку (две в ширину, две в высоту).
Аноним 19/06/24 Срд 21:52:40 558434 321
ну вот и всё. Вложил в код весь свой ум, красоту, здоровье, а он не работает. всем спасибо я всё



https://pastebin.com/U4QPLse6
Аноним 20/06/24 Чтв 06:05:10 558458 322
images-1.jpeg 4Кб, 225x225
225x225
>>558434
> 75 строк
> не могу отладить
программисты, которых мы заслужили.
dbase777 20/06/24 Чтв 06:49:42 558460 323
IMG5933.jpeg 1536Кб, 3024x4032
3024x4032
dbase777 20/06/24 Чтв 06:50:38 558461 324
Бомж сетап по умному свету с поддержкой Siri
Аноним 20/06/24 Чтв 20:16:36 558499 325
>>558460
Мои глаза!
Ебать, это что за днище?
Аноним 20/06/24 Чтв 20:18:37 558500 326
>>558460
Сука, вся суть ардуинопидоров. Сделай ЛУТ-ом плату, припаяй esp и реле... Нет же!
Аноним 21/06/24 Птн 00:31:39 558533 327
>>558500
Ну так ты в каком треде сидишь? В ЛУТовом или в ардуиновом?

У китайцев кто-нибудь заказывал платы, кстати?
Аноним 21/06/24 Птн 03:33:01 558537 328
>>558533
Dirtypcb заказаывал.
Но сейчас кажется остались только на али с которыми в личке надо герберами обмениваться.

Ебал в рот китайцев, ебал в рот ЛУТ. Всё хочу 3д принтер приспособить для засветки фоторезиста или ещё какому-то способу переноса.
Аноним 21/06/24 Птн 05:02:13 558538 329
>>558500
Оно так меньше места занимает. Можно реле под прямым углом к esp собирать.
Аноним 21/06/24 Птн 06:54:25 558540 330
>>558537
В микрофрезеры вкатывайся. Одним махом решает проблему и платы, и фигурной обрезки, и сверления отверстий. Довольно точный, дорожки 0.5мм мне удавались, например.

Единственный нюанс - на кривом текстолите будет боль. Фрезеруется в норме где-то на 70 микрон, а гуляет иногда на все 300. Если фрезеровать с запасом - всё заебись, но пропилы между дорожками надо тщательно шкурить и прочищать, иначе туда может забиться проводящий огрызок и закоротить дорожку.

>>558538
Хоть корпус ему сделай или крепёжную раму какую, а не пиздозалупа висящая на проводах. Её же кот в случайном прыжке оторвёт к хуям.
Аноним 21/06/24 Птн 08:09:55 558547 331
>>558537
Я не в России, так что.
В целом, норм сервисы у них?
Аноним 21/06/24 Птн 08:12:16 558548 332
>>558540
С двухсторонними платами будет боль.
Особенно, если много via нахуярил.
И фрезы поди об стеклотекстолит пачками будут стачиваться.
Аноним 21/06/24 Птн 09:02:28 558551 333
>>558548
>С двухсторонними платами будет боль.
Если у тебя изначально отверстия и дорожки идеально отпозиционированы - нет никаких проблем плату перевернуть и прикрутить к доске микросаморезами чётко там, где нужно. Точность будет примерно однохуйственная, что и лутом. Может даже получше.

Алсо, есть партизанский способ изготовления двухсторонней платы: купить тонкий гетинакс и тупо склеить из двух односторонних.

>И фрезы поди об стеклотекстолит пачками будут стачиваться.
Штатно фрезам глубоко похуй. Ломаются они в основном из-за досадных ошибок оператора: уебал фрезу об заготовку слишком большим шагом, недозажал цангу, наебался в файле с безопасной высотой и.т.п. Это надо придрочиться.
Аноним 21/06/24 Птн 09:18:03 558552 334
>>558540
>В микрофрезеры вкатывайся.
Это CNC надо, да? Накидай ссылок/моделей, пожалуйста.
мимо другой
Аноним 21/06/24 Птн 15:42:42 558596 335
>>558552
Ну я вот примерно такой брал:
https://aliexpress.ru/item/1005006813956529.html
Так они все плюс-минус одинаковые. Есть версии пошире, есть с алюминиевым корпусом вместо стеклопластикового - по жёсткости одна хуйня.
Есть ещё варианты с лазерным диодом, но я брал без него. Во-первых у меня на работе нормальный CO2 есть, во-вторых идея дрочить этот зажим, переставляя шпиндель с диодом туда-обратно мне не кажется хорошей.
При этом брал с оффлайн-контроллером. Это такой пульт на шлейфе со слотом для флешки, чтобы работать без подключения к компу и генерить .nc файлы через сторонний софт. Я к ArtCam2008 привык, ему только плагин для CNC3018 поставить надо.
Аноним 23/06/24 Вск 17:52:59 558755 336
NTC-thermistor-[...].jpg 67Кб, 800x800
800x800
Термистры на "ардуинах" юзал кто? Есть формула какая-нибудь для коррекции температуры? Или только табличкой?
Аноним 23/06/24 Вск 18:01:03 558756 337
image 46Кб, 544x516
544x516
Аноним 23/06/24 Вск 18:08:18 558757 338
>>558756
Гугл я сам могу. Я про личный опыт. Ты бы ещё чатгтп посоветовал.
Аноним 23/06/24 Вск 18:12:41 558758 339
>>558757
Я в гугле формулу и брал. Чем тебя формула из гугла не устраивает?
Аноним 23/06/24 Вск 18:19:00 558760 340
>>558758
A B C можно среверсировать, не зная точно тип?
Аноним 23/06/24 Вск 18:22:51 558761 341
>>558760
* Лол, кусок питона в Википедии есть для расчета. Ок, буду думать
Аноним 23/06/24 Вск 21:06:21 558779 342
image.png 42Кб, 897x753
897x753
а где инициализация массивов? там ниже ничего нет
Аноним 23/06/24 Вск 21:15:59 558780 343
>>558755
Делал термометр на аттини13. Сначала по формуле в кельвинах 1/T = 1/298.15 + 1/3380*ln(R/10000).
У аттини от такого издевательства скетч не влез в память, ибо подгружаемые макросы расчёта логарифма больно дохуя весят. Ну и температуру потом надо извлекать делением, а это снова тяжёлая алгебра. И дроби эти ёбаные с тяжёлым float.

Сделал иначе.
Во-первых, упростил график до 15 прямых отрезков в нужном диапазоне. Ошибка составила где-то полградуса.
Во-вторых, сразу умножил забиваемую в табличку температуру на 256, чтобы не ебаться с дробями. Потом просто получаю значение битовым сдвигом.
В-третьих, табличка ушла в Progmem. Получилось чё-то там 60 байт.
Ну и всё, дальше не сильно тяжёлый быдлокод по поиску точки на отрезке в данной табличке, и довольно точное совпадение с замерами.
Аноним 23/06/24 Вск 21:20:21 558781 344
>>558780
Ну это логично.
Нахуя вся эта математика.
Аноним 23/06/24 Вск 22:03:44 558789 345
>>558779
extern это значит они объявлены где-то в других файлах и там же инициализируются.
Аноним 23/06/24 Вск 22:21:29 558795 346
>>558789
а если они обьявлены в других файлах (подключаемых библиотеках), какой смысл их ещё раз обьялять?
Аноним 23/06/24 Вск 22:29:29 558797 347
Аноним 23/06/24 Вск 22:34:16 558798 348
Аноним 23/06/24 Вск 22:53:59 558805 349
>>558797
кто работал с этой библиотекой, подскажите пожалуста, что я указал неверно? почему drawBitmap неккоретно отрисовывает пиксели, даже когда все значения массива 0, рисуется какая рандомная фигня

https://pastebin.com/nKNUpx8s
Аноним 24/06/24 Пнд 07:34:52 558842 350
Аноним 24/06/24 Пнд 13:41:32 558872 351
>>558805
Почему у тебя в битмапе width x height / 8 байт?
В примерах библиотеки 1 байт = 1 пиксель.
мимокрокодил
Аноним 24/06/24 Пнд 16:45:38 558877 352
image.png 136Кб, 890x848
890x848
>>558872
что? вот же пример, изображение на весь экран, шестнадцать восьмибитных значений в каждой строке, то есть 128 пикселей, по 1 биту на пиксель 0_о
Аноним 24/06/24 Пнд 16:53:11 558878 353
image.png 24Кб, 1162x30
1162x30
image.png 39Кб, 605x136
605x136
Аноним 24/06/24 Пнд 16:56:46 558879 354
Хотя да наверное я >>558878 в глаза ебусь, но нах афтар мудак написал 16 пикселей когда там 128
Аноним 24/06/24 Пнд 17:03:31 558880 355
Аноним 24/06/24 Пнд 17:49:43 558882 356
>>558880
Понял, спасибо большое
Аноним 24/06/24 Пнд 20:22:27 558911 357
>>558880
Проиницилизировал через цикл всë нулями, всë равно такая же шелуха рисуется
Аноним 24/06/24 Пнд 21:40:40 558927 358
>>558911
А если голый демо пример залить, то что получается?
Аноним 24/06/24 Пнд 21:42:07 558928 359
>>558540
Фрезер ты калибровать заебешься
Аноним 24/06/24 Пнд 22:13:55 558937 360
image 166Кб, 1468x1468
1468x1468
image 214Кб, 1139x1277
1139x1277
>>558540
>>558928
Фрезерую на металлическом 3018 пикрил. Брат жив, зависимость лютая. Сверло 0.1мм для сравнения.
Никаких калибровок не надо, закинул гербер в candle, зашел в карту высот, нажал auto, probe, подождал, у тебя готова карта высот для текстолита любой кривизны.
Но станок говнище ёбаное. Там люфты просто охуеть. Z болтается как хуй в проруби. На него дышать страшно. Добавил пружины, которые натягивают ручки X и Y чтоб убрать люфт и перед пуском делаю $1=255 для блокировки двигателей и получается пик 2.
2 прохода по 0.035мм. То, что на 5 осталась фольга это плохой прижим текстолита к столу.
Аноним 24/06/24 Пнд 22:34:16 558939 361
>>558937
Края у дорожек сильно зубчатые почему-то. Подача большая?
Скока оборотов шпиндель?
Аноним 24/06/24 Пнд 23:34:34 558946 362
image 212Кб, 1659x1243
1659x1243
image 245Кб, 1388x1279
1388x1279
image 124Кб, 1544x618
1544x618
>>558939
Края зубчатые, потому что надо 0.025мм за проход, но это 3 прохода надо и долго. Делаю 2 прохода по 0.035 расплачиваясь зубчиками.
Пик 1 - 3 прохода по 0.025мм
Пик 2 - 2 прохода по 0.05мм
Медь на текстолите охуеть какая твёрдая, настоящий прочный металл. А жесткости у этого китайского куска говна вообще нет. Каждый микрон влияет.
Шпиндель 12000 оборотов, шел вместе с станком. Хотя я обороты не проверял.
Пик 3 параметры, на которых остановился. 2 прохода по 0.035мм
Аноним 24/06/24 Пнд 23:37:10 558948 363
>>558946
Ты когда слишком много за проход берёшь, слышно как станок начинает орать. Чем глубже берёшь, тем сильнее его трясёт с диким рёвом. По слуху можно ориентироваться.
На 0.025 звук вообще почти не меняется. На 0.035 он уже неприятный. А на 0.05 это последнее, что слышал Ходемчук после нажатия АЗ-5.
Аноним 24/06/24 Пнд 23:41:28 558949 364
image 141Кб, 731x999
731x999
Кстати фотка 0.025 >>558946 это до установки пружин с упорными подшипниками. Дорожку 0.1мм почти полностью сожрало. А вот там 0.035 >>558937 это уже после. Дорожка целая.
Аноним 24/06/24 Пнд 23:54:47 558956 365
001.png 59Кб, 1092x694
1092x694
002.png 238Кб, 818x622
818x622
>>558946>>558948
Пикрилейтед - настройки для обрезки. Режу 0.8мм кукурузой в два прохода, первый проход выгрызает 1мм. И всё нормально выгрызается.

Дорожки делаю той же 0.8мм кукурузой просто пропиливая прямую между дорожками, особо не заморачиваясь ни с формой дорожек, ни с чисткой полигонов. Для 2мм и 2.54мм вполне хватает. Если надо совсем милипиздрические SMD - выпиливаю под них посадочные места мелкогравёром на отдельном слое.

Орочий метод пиздец. Но для прикладных задач хватает.
Аноним 25/06/24 Втр 00:04:14 558957 366
>>558956
У меня V фрезы 0.2мм 20 градусов, для создания УП из герберов FlatCAM (тоже ужасно уебанский софт, но работает) и для фрезеровки Candle. Там можно карту высот снимать, подключив 1 щуп на фрезу, второй на плату. Candle тоже уебаны делали, после выбора нового файла жкода карта высот обнуляется. Надо заново открывать файл высот и не забывать применить его.
Аноним 25/06/24 Втр 00:26:51 558960 367
>>558956
Ох, напомнило мне, как я дорожки дороги нахуй плат резаком из ножовочного полотна прорезал.
Но прикольно.
Это от какого девайса плата?
Отверстия же ты сверлишь тоже на ЧПУ? С какого диаметра начинаешь фрезеровать?
Аноним 25/06/24 Втр 01:11:51 558962 368
>>558957
>Там можно карту высот снимать, подключив 1 щуп на фрезу, второй на плату. Candle тоже уебаны делали, после выбора нового файла жкода карта высот обнуляется. Надо заново открывать файл высот и не забывать применить его.
Блиать, слышал об этой опции, но не знал, что всё настолько заморочено. Алсо, два вопроса:
1. Куда щупы подключать? К материнской плате фрезера? Так там вроде никаких разъёмов под это дело нету. Или надо вручную тыкать?
2. Как вообще сам процесс выглядит? Вот у меня файл открыт, допустим, 30х40мм. Оно само поймёт, какую площадь протыкать и в какую сторону, или его надо вручную как-то водить? И насколько этот процесс долгий?

>>558960
Ооо, это мой долгий шизофренический проект ЧПУ ультрабандуры на Esp32, кусочек которого виден на >>558169 пике. Бандура настолько шизофреническая, что пока без подробностей. Либо это будет эпиквин на многоденег, либо эпикфейл, статьи по отдельным компонентам которого можно попытаться монетизировать на бусти-хуюсти, ибо там МНОГО всего интересного нахуеверчено, я аж сам охуел.
Конкретно эта плата разводит сигнал между пультом, моторной платой и ещё двумя спецхуёвинами. Прошивка будет тоже самодельная. Вообще с нуля самодельная. Я уже научил это вундерваффе читать файлы с флешки и разбирать Гкоманды на отдельные переменные, осталось изобрести велосипед кинематическую часть.
>Отверстия же ты сверлишь тоже на ЧПУ? С какого диаметра начинаешь фрезеровать?
Тоже на ЧПУ, 1мм сверлом. Вообще ни с какого диаметра не фрезерую, тупо вставляю сверло потолще в шуруповёрт и дорассверливаю где надо.
Аноним 25/06/24 Втр 07:50:35 558972 369
>>558169
Покежь, как ты красиво паяешь витуху к блс в макрофото
Аноним 25/06/24 Втр 09:16:17 558975 370
image.png 101Кб, 892x726
892x726
х4чю1
Аноним 25/06/24 Втр 09:36:47 558976 371
image 166Кб, 2233x860
2233x860
>>558962
>К материнской плате фрезера? Так там вроде никаких разъёмов под это дело нету.
У моего есть. Должны и у твоего быть. Да у каждого фрезера должны быть контакты для Z щупа, туда и подключи 2 провода с крокодилами.
>Оно само поймёт, какую площадь протыкать
Загружаешь жкод с контуром платы, и жмёшь Auto и он размер выставляет под твой контур.
>И насколько этот процесс долгий
Зависит от твоих настроек. Скорость перемещений, количество точек. Я подбираю чтоб не больше 15 минут занимало. Но я делаю очень низкие скорости, боюсь сломать фрезу и много точек делаю.
>Вообще ни с какого диаметра не фрезерую, тупо вставляю сверло потолще в шуруповёрт и дорассверливаю где надо.
Хуйня какая-то. У меня сверло 0.5мм для переходных отверстий и кукуруза 0.8мм для всего остального. Она и все отверстия сделает любого диаметра и плату вырежет.
Аноним 25/06/24 Втр 10:20:09 558977 372
>>558972
А зачем паять? Купи обжимку и витуху многопроволочную юзай.
Аноним 25/06/24 Втр 17:16:24 559003 373
image.png 115Кб, 912x603
912x603
Аноним 25/06/24 Втр 18:16:49 559018 374
>>559003
Как я понял, SSD1306 в любом случае может I2C. Просто иногда используют не его а SPI или 8088
Аноним 25/06/24 Втр 18:39:56 559019 375
>>559018
можно на русском языке почитать книжку про все эти протоколы?, я так понял тема важная, я без понятия откуда люди про всё это знают
Аноним 25/06/24 Втр 18:40:48 559020 376
>>559019
Буквально в любом датащите этот протокол описан в одном абзаце
Аноним 25/06/24 Втр 22:18:21 559027 377
image.png 510Кб, 586x715
586x715
>>559019
>на русском языке
Рекомендую изучить базовый инглишь, руснявый язык это кринж в технических отраслях. Представь, ты будешь вынужден ждать пока коррумпированные графоманы соизволят высраться на нужную тему, если сочтут нужным. Белый человек идет и читает базу в Amazon Kindle
Аноним 25/06/24 Втр 23:26:51 559034 378
image.png 93Кб, 301x167
301x167
>>558021
капец, думал реально занятие на пол часа, я уже вторую неделю каждый вечер голову ломаю.
Аноним 26/06/24 Срд 06:33:34 559037 379
>>559034
Ну мне когда-нибудь придет с Алика экранчик и попробую ради теста твою приложуху. Пока оно в Китае ещё всё.
Аноним 26/06/24 Срд 16:31:56 559072 380
001.jpg 335Кб, 944x1584
944x1584
002.jpg 1566Кб, 1536x2040
1536x2040
>>558972
>Покежь, как ты красиво паяешь витуху к блс в макрофото
Именно витуху сейчас не покажу, ибо по витухе уже всё что надо запаяно. Покажу моторный шлейф. В принципе одна хуйня совершенно. Главные принципы:
1. Паять уже на штыре, так удобнее и сразу видно, до куда паять.
2. Много не зачищать. 3мм где-то оптимально.
3. Обмазать место пайки флюсом, но не на полную глубину.
4. Контролить, чтобы капля дальше 3мм не растекалась, иначе потом штырь хуй засунешь.
Первую свою блску я запорол, конечно. Но потом придрочился, все межплатные соединения на них делаю.

>>558976
>У моего есть. Должны и у твоего быть.
А всё, нашёл. Это та гребёнка, где выводы под концевики. Насколько могу судить, щуп это А5.
Аноним 26/06/24 Срд 19:36:33 559083 381
>>559072
Бляяяа... купи кримпер, ёбаный ты в рот...
Аноним 26/06/24 Срд 20:29:25 559085 382
>>559083
Хуимпер. Кримпер во-первых не под все толщины годится, во-вторых он в любом случае менее надёжен по сравнению с пайкой. Одножильную витуху ты кримпером надёжно не зажмёшь, шлейф rc1 в блску тоже не зажмёшь, там специнструмент нужен под совсем другие разъёмы. А у меня дома не склад чипидипа, чтобы весь этот зоопарк держать. Он, конечно, экономит время по сравнению с пайкой, но у меня не те объёмы, чтобы жертвовать гибкостью ради нескольких минут экономии.
Аноним 26/06/24 Срд 20:56:23 559086 383
IMG202403270338[...].jpg 3223Кб, 3000x4000
3000x4000
>>559085
Двачую.
Обжимал как-то витую пару кримпером в 2.54 разъём. Всё проклял пока возился, да и запорол пару пинов в итоге.
Купил разъём с обжатым хвостом, напаял на него – заебись.

Вот провода потолще заебись обжимать.
Аноним 27/06/24 Чтв 00:03:39 559091 384
>>559083
Ну хуй знает. Пайка как-то понадёжнее.
Аноним 29/06/24 Суб 19:05:06 559274 385
готово, выдавил очередную дозу нерабочего кода.
(скорее всего ошибка в пункте // поиск живых ячеек)

https://pastebin.com/6vXXWuBH
Аноним 03/07/24 Срд 11:39:52 559454 386
VID202407031110[...].mp4 6595Кб, 854x480, 00:00:21
854x480
ну вот теперь работает

но при полном разрешении не показывает вообще ничего, приходится ограничиваться половинкой экрана. Может микроконтроллер не успевает посчитать, может быть данные слишком медленно передаются, понятия не имею.
Аноним 03/07/24 Срд 12:45:38 559457 387
>>559454
Мелковато.
Надо было тебе на светодиодных матрицах делать.
Я, кстати, так, наверное и сделаю когда-нибудь .
Аноним 05/07/24 Птн 14:53:03 559589 388
>>559457
ну это не приципиально, можно и больше рисовать. если бы я умел взаимодействовать с i2c на более низком уровне, то наверно можно было бы и весь экран захватить, а так даже глайдерное ружьё не влезает нормально
Аноним 05/07/24 Птн 16:23:51 559599 389
>>559589
А что не так с И2Ц, если ты в принципе можешь в неё слать?
Аноним 05/07/24 Птн 17:47:26 559610 390
>>559599
Ну я рисую через библиотечный цикл drawrect. Одна клетка - одна итерации функции. Если переборщила с итерации - ничего не работает. Есть функция draw bitmap, но она у меня почему то не работает
Аноним 08/07/24 Пнд 08:01:51 559765 391
Вот эту ёбу кто-нибудь пробовал?
https://github.com/board707/w80x_arduino
https://voltiq.ru/shop/w806-devboard/
Мегагерц и памяти как в esp32, ножек как в блэкпиллах stm32, на борту FPU, 16-битный АЦП, 6 32-битных таймеров. На w801 ещё и вайфай есть. По нынешним временам довольно дешёвая.
Аноним 09/07/24 Втр 09:28:11 559840 392
>>559765
В /ga что говорят по этому вопросу?
Аноним 09/07/24 Втр 09:42:56 559845 393
>>559840
Сначала спрашивают няшный ли я, потом пропадают.
Аноним 10/07/24 Срд 00:10:28 559883 394
>>559840
> В /ga что говорят по этому вопросу?
Спрашивают, какими дебаггерами пользуетесь, парни?
Аноним 11/07/24 Чтв 08:46:41 559949 395
>>559883
Не пользуетесь никакими?
Аноним 11/07/24 Чтв 10:56:01 559956 396
>>558805
крч, я вроде понял, возможно функция работает только с константами из flash памяти, создаваемыми через ключевое слово PROGMEM, а состояние живых клеточек не может быть константой.
Аноним 12/07/24 Птн 10:23:46 559985 397
image.png 0Кб, 269x20
269x20
image.png 0Кб, 385x16
385x16
image.png 0Кб, 251x20
251x20
image.png 4Кб, 510x158
510x158
>>559956
Там эта ,в лучших традициях ЦПП доступ к битмапу для лучшей "абстракции" сделан через макрос.
Скорее всего у тебя блок #if defined(__AVR__) как-то неправильно работает
Аноним 12/07/24 Птн 10:31:42 559986 398
Короче вычищай говно это с библиотеки, убирай копирайт нахуй. Автор пидор не заслуживает респекта за трату чужого времени
Аноним 13/07/24 Суб 16:25:04 560031 399
>>550854 (OP)
В ардуине одна память или есть отдельно прошивка и программа?
Аноним 13/07/24 Суб 16:34:04 560033 400
>>560031
Их там 3. Ты про какую спрашиваешь?
>The ATmega328/P provides the following features: 32Kbytes of In-System Programmable Flash with Read-While-Write capabilities, 1Kbytes EEPROM, 2Kbytes SRAM
Твоя прошивка в 32кб хранится, твои переменные, которые ты объявляешь в SRAM. В EEPROM можно писать/читать во время работы программы.
Аноним 13/07/24 Суб 16:37:14 560034 401
Аноним 13/07/24 Суб 16:49:28 560035 402
>>560034
Анон тебе правильно уже написал. Хочешь разобраться - читай на википедии про гарвадскую архитектуру и даташит на atmega328p.
В остальном, как сделаешь, так и будет. Машинные инструкции атмега может выполнять только из флешки, но никто не мешает написать программу, которая будет выполнять записанную последовательность действий из другой памяти. Например, как настраивается будильник время там, мелодия и прочее - это все ведь тоже программирование, при этом разумеется настройки могут лежать не в той же памяти, где лежит основная прошивка.
Аноним 13/07/24 Суб 18:48:25 560041 403
>>560034
>328p
Это и есть описание от неё. Там 3 разные памяти.
Аноним 13/07/24 Суб 18:51:15 560042 404
Аноним 13/07/24 Суб 20:08:49 560047 405
Эээ... короче, купил релюху к Ардуино, а она включается при подаче GRD на IN, а не +5.(если замыкаю in на землю, то бодро щёлкает, а если на +5, нихуя не происходит)
Что с этим делать, ума не приложу. Может транзистор какой туда впаять? Но какой?
Аноним 13/07/24 Суб 20:40:48 560048 406
>>560031
>В ардуине одна память или есть отдельно прошивка и программа?
"Ардуино" это не микроконтроллер, а мультиплатформенная среда для разных микроконтроллеров, чтобы один и тот же код заводился на них плюс-минус одинаково и библиотеки для модулей везде нормально вставали.

Памяти бывает три вида:
1. Флеш-память. Там лежит прошивка. Её много, но у неё ограниченный ресурс перезаписи.
2. Оперативная память RAM. Её мало. В некоторых младших Stm32 её на борту почти как флеш-памяти с учётом, что там ардуиноядро половину флешки отжирает. Ресурс неограничен.
3. EEPROM. Её обычо столько же, сколько и RAM. Это такой "жёсткий диск", на который можно сохранить какие-то данные из оперативы и прочитать их после повторного включения. Ресурс ограничен, но многократно больше чем у флеш-памяти.

В китайских микроконтроллерах EEPROM обычно нет, есть эмуляция из флешки с совсем хуёвым ресурсом.

>>560047
Ну так ты нормально замкнутую купил. Управлять также как нормально разомкнутой, только пины инвертировать. И не подавать, блядь, ток с пина напрямую на катушку, иначе он сгорит нахуй. Хотя если ты готовый модуль купил, то там может вся обвязка уже сделана.
Аноним 13/07/24 Суб 20:48:00 560049 407
>>560047
>Что с этим делать, ума не приложу.
А в чем проблема? Просто инвертируй в программе.

>Может транзистор какой туда впаять? Но какой?
Вероятно проще проанализировать схему твоего модуля и перепаять на нем пару деталей. И даже если транзистор подключать, то все равно желательно знать схему твоего модуля.
Аноним 13/07/24 Суб 20:49:31 560050 408
>>560047
Не вижу проблемы. Подавай минус для включения. Считай, что это пин SHUTDOWN. Когда 1, то выключено реле, когда 0, то включено.
Аноним 13/07/24 Суб 20:53:14 560051 409
>>560050
>>560047
Вероятно в модуле стоит по входу оптопара и по уму желательно настроить выключать переводом ноги в высокоимпедансное состояние, а не выдавать логическую единицу.
Аноним 14/07/24 Вск 07:29:54 560060 410
>>560048
> Ну так ты нормально замкнутую купил.
Спасибо - помогло найти баг.
Это я ебанулся прошлой ночью. Забыл pinmode out
Аноним 15/07/24 Пнд 10:21:58 560099 411
>>560048

А как понять, нормальный контроллер с EEPROM или китайский клон?
Аноним 15/07/24 Пнд 16:38:38 560114 412
>>560099
По названию. Если это, конечно, не чип от шарашкиной конторы с поддельной маркировкой.

Клоны это LGT8F328p, MD-328D (закос под атмегу), GD32F103, CS32F103 (закос под стмки), тысячи их. Клоны эти на самом деле бывают довольно неплохие, у них и ацп точнее, и по тактовым частотам они пижже, и всякие бонусы типа ЦАП могут быть на борту, только документация этого всего хуёвая.
Аноним 15/07/24 Пнд 17:28:24 560118 413
>>560114
Т.е. если стоит маркировка Atmel, то, скорее всего, норм?
Аноним 17/07/24 Срд 22:52:59 560201 414
image.png 46Кб, 671x513
671x513
>>560114
>Клоны это LGT8F328p
О, нифигасебе какое совпадение. Вот прям вчера от нефиг делать начал вкатываться в микроконтролеры и попробовал LGT8F328p Pro Mini, без USB. Соблазнился, что можно питание делать в диапазоне 1,6...5 вольт в отличие от обязательных 5 вольт настоящей ардуины (то есть я смогу подключать 3-вольтовые дисплейчики и всякоя другое, если не пропадёт интерес).

Сразу после мигания светодиодом попробовал fake EEPROM.
Задал 8 килобайт.
Пишет. Читает.
Как я понял, fake EEPROM это имитация, отнимающая кусок флеш памяти. Отнимает х2. То есть вот у меня наплате 32 кб флешка. Я задал 8 кб EEPROM. Отнялось от флешки 8 х 2 = 16 кб и 16кб осталось.
У флешки заявлено 10к циклов перезаписи. Соответственно столько же у ячеек fake EEPROM. Ну и норм. Зачем надо больше?
Аноним 17/07/24 Срд 23:50:11 560202 415
>>560201
Смотря, что хранить там собрался же.
Кому-то и вообще нахуй EEPROM не нужон.
Аноним 17/07/24 Срд 23:58:55 560203 416
>>560201
>1,6...5 вольт в отличие от обязательных 5 вольт настоящей ардуины
Питание зависит от тактовой частоты. Ардуйня тоже будет работать от таких напряжений. В даташитах на атмеги есть графики с напряжением питания vs макс. допустимой частотой.
Аноним 18/07/24 Чтв 00:17:56 560204 417
>>560203
Да. Но клон работает с максимальной частотой на минимальном напряжении.
Аноним 18/07/24 Чтв 00:19:10 560205 418
>>560202
Установлю tiny basic и буду хранить программы.
Аноним 18/07/24 Чтв 00:38:44 560206 419
image.png 717Кб, 800x450
800x450
image.png 151Кб, 300x248
300x248
Аноним 18/07/24 Чтв 02:11:21 560207 420
>>560206
так у него смотри какие здоровые они
Аноним 18/07/24 Чтв 02:36:16 560208 421
VID202407180222[...].mp4 9354Кб, 854x480, 00:00:31
854x480
можно попробовать интерфейс spi, просто поменяв библиотеку и экран, с ним таких проблем наверно не будет (вот кстати код)

https://pastebin.com/BqRQNddG
Аноним 18/07/24 Чтв 07:35:40 560210 422
>>560207
Я всё не могу понять, зачем тратить столько памяти на число состояний. Это не рационально.
Аноним 18/07/24 Чтв 07:56:59 560212 423
>>560208
Можешь crc считать для определения повторяемости.
Аноним 18/07/24 Чтв 08:12:32 560214 424
>>560205
Какие программы?
Аноним 18/07/24 Чтв 08:15:39 560215 425
>>560212
Тоже, кстати, о таком подумывал.

Написал жизнь с выводом в терминал, вспомнил детство.
Теперь осталось допилить вывод на Led матрицы.
Аноним 18/07/24 Чтв 08:47:13 560216 426
>>560210
Да, можно давать ячейкам 4 бита вместо байта, понадобится в два раза меньше памяти, но там ведь не в памяти проблема
Аноним 18/07/24 Чтв 09:34:23 560217 427
>>560216
Надо 1 бит в глобальных переменных и 1 бит в локальных, при составлении нового поколения. Считаешь, сколько с клеткой граничит и создаёшь новый слой. Данные эти не хранишь.
Аноним 18/07/24 Чтв 09:41:49 560218 428
>>560217
имеешь ввиду просто cell_point[] объявить как локальную переменную в функции loop? про 1 бит не понял. что я храню битом в локалке?
Аноним 18/07/24 Чтв 09:43:21 560219 429
>>560218
Ты написал, что нужно хранить состояние клетки в 0-4, а его нужно просто каждый раз считать.
Аноним 18/07/24 Чтв 09:44:51 560220 430
а понял, имеешь ввиду дублировать массив состояний (жив/мертв) в локалке, а не хранить количество поинтов?
Аноним 18/07/24 Чтв 09:50:11 560221 431
Аноним 18/07/24 Чтв 10:15:18 560222 432
>>560217
Какая разница, можно же оба слоя в глобальных?
Аноним 18/07/24 Чтв 10:32:56 560223 433
image.png 286Кб, 2491x768
2491x768
image.png 15Кб, 721x449
721x449
>>560214
Те, которые введу через usb-клавиатуру, подключённую через разъём ps/2, припаянный к ардуине.
Аноним 18/07/24 Чтв 10:47:58 560224 434
>>560222
Можно. Но если проблема в размере памяти под глобальные переменные, то можно и локально вспомогательный массив хранить.
Аноним 18/07/24 Чтв 11:02:17 560225 435
>>560224
глобальные переменные это просто специально выделенная область ОЗУ? а функции malloc() и прочие загребают дополнительную память для переменных из той же оперативки?
Аноним 18/07/24 Чтв 14:20:46 560236 436
>>560225
Ну так и в чём выгода? Всё равно в какие-то моменты времени памяти будет столько же занято.
Аноним 18/07/24 Чтв 14:21:26 560237 437
Аноним 18/07/24 Чтв 15:46:52 560241 438
>>560236
В однопоточной однозадачной хуете типа ардуины никакой выгоды нет. Но в общем случае временные данные не стоит хранить в глобальной памяти, потому что например если памяти мало, то другую работу, требующую памяти для временных вычислений, позволить себе не удастся, так как память уже занята.
>>560225
>malloc
надо использовать только если память по каким-то причинам нельзя объавить на стеке в виде переменной
Аноним 18/07/24 Чтв 16:10:36 560245 439
>>560241
Ну это понятно. Хотя, тоже может факап случиться, если у тебя во время работы этой функции случится прерывание, где в обработчике тоже много локальных переменных.

Хотя, в целом, это уже в прошлом, наверное. Памяти везде много, вопрос чисто культуры кода.
Аноним 18/07/24 Чтв 16:34:07 560247 440
>>560241
А можно подробнее? Откуда малок берёт память? Он отбирает еë у оперативной памяти? То есть уменьшится память необходимая для вычислений?
Аноним 18/07/24 Чтв 16:55:49 560249 441
>>560247
"Прошивке" и "системым библиотекам" каким-нибудь образом (зашито при компиляции, читается из ROM контроллера) известно об общем объеме памяти и её адресах.
При начально инициализации создается "менеджер памяти", который хранит адреса свободного пространства.
При вызове маллока ищется свободный участок, помечается как занятый.
Уменьшается та память, которую можно выделить маллоком. Обычно эта память называется heap.
При размещении на стэке уменьшается остаток стэка (автоматически освобождается при выходе из метода).
Стэк это память, которая существует для вызова кода - это фиксированный объем памяти, размер которого задается параметрами компилятора или из соображений "операционной системы", загрузчкиа исполняеого кода, если он есть. Память на стеке "выделяется" автоматически при вызове методов - указатель на стек уменьшается на размер аргументов + переменных. При выходе из метода указатель возвращается на исходную позицию.
В общем об этом много книжек и видео есть ядумаю, там лучше объяснят, если не понятно
Аноним 18/07/24 Чтв 17:01:16 560250 442
Алсо маллок как правило выполняется произвольное количество времени, т.к. перебирает списки своих ресурсов, что может быть неоче в случае требований реалтайма с фиксированной пропускной способностью
Аноним 18/07/24 Чтв 19:16:46 560261 443
>>560208
Блин, хотел такую же фигню замутить. Блядский 128х64 экран, похоже, сломанным доставили. i2c сканер его адрес в упор не видит. А символьный 20х4 спокойно. 😭 Ебучие китайцы, цао ма.
Аноним 18/07/24 Чтв 21:55:15 560267 444
>>560261
Грязному ляоваю говна заслали с помойки у завода.
Аноним 19/07/24 Птн 00:39:06 560277 445
image.png 605Кб, 800x450
800x450
Только что обнаружил, что если в LGBT328P Pro Mini без USB совместить с CH340E вместо переходника USB->TTL и соединить контакты DTR->DTR, то прошивается без нажатия на кнопку ресет.
Почему об этом нигде не пишут?
Аноним 19/07/24 Птн 00:42:56 560278 446
>>560277
>CH340E вместо переходника USB->TTL
CH340 это и есть переходник USB->TTL
Аноним 19/07/24 Птн 00:45:03 560279 447
>>560278
Это твоя версия.
А в другом треде считают, что СН340 хуйня за 50 рублей и надо покупать програматор за 2к.
Аноним 19/07/24 Птн 00:51:10 560280 448
изображение.png 249Кб, 1710x1131
1710x1131
>>560277
>Почему об этом нигде не пишут?
Может потому что ты читать не умеешь?
https://habr.com/ru/articles/249391/
>>560279
Дефайн программатор. Если тебе просто прошить, то любой USB-UART это программатор. Но если нужна отладка и не принтами, то это нужен хотя б stlink/jlink или вообще что-то с полноценным жтагом.
Аноним 19/07/24 Птн 01:00:08 560282 449
image.png 435Кб, 640x480
640x480
>>560280
Да же если бы мне попалась эта статья, я б её отфильтровал как ненужную.
Офигеть додумались колхозить провод к ножке микросхемы 100-рублёвого переходника.
Аноним 19/07/24 Птн 01:03:44 560283 450
image 46Кб, 432x353
432x353
image 295Кб, 600x600
600x600
image 88Кб, 1000x562
1000x562
>>560282
Да что ты знаешь о колхозе проводков.
Аноним 19/07/24 Птн 01:08:59 560284 451
>>560283
Сколько там шаг? 1/4 мм?
С какой попытки удалось припаять всё?
Аноним 19/07/24 Птн 07:34:37 560291 452
>>560267
В целом, без разницы откуда, лишь бы работало. Сам же со сгоревшей техники и вытаскиваю всякое.
А так - конструкторы Ардуино с Озона наши из того же говняка собирают.
Аноним 19/07/24 Птн 07:45:25 560293 453
>>560282
>Да же если бы мне попалась эта статья
В первую очередь ОФИЦИАЛЬНЫЕ схематики ардуины и гугл по запросу arduino auto reset circuit
>Офигеть додумались колхозить провод к ножке микросхемы 100-рублёвого переходника.
Да на любом брейкауте cp2102 за 200-300 рублей есть вывод DTR
Аноним 19/07/24 Птн 08:01:01 560294 454
Аноним 19/07/24 Птн 08:03:50 560295 455
>>560277
Пины к плате юсбттл сам припаивал?
Аноним 19/07/24 Птн 11:51:34 560309 456
>>560295
Да.
Мазнул паяльной пастой и дунул феном.
Аноним 19/07/24 Птн 12:18:14 560310 457
Аноним 19/07/24 Птн 12:39:00 560312 458
image.png 597Кб, 1000x750
1000x750
image.png 1160Кб, 1000x1000
1000x1000
>>560293
Ты рассуждаешь с позиции ПОСЛЕЗНАНИЯ.
Я вижу две когнитивные ошибкив твоих рассуждениях.
Во-первых ты проецируешь "официальные схематики ардуины" на risc-v клон ардуины.
Во-вторых, при таком подходе надо заранее предполагать, что вывод DTR существует в дешёвых переходниках и как-то относится к процессу прошивки. Пикрил переходник cp2102 за 100 рублей. Посмотри на него. В нём ничто не наводит на мысль о DTR.
Если бы мне не не понадобилось использовать другой переходник (картинка 2), т.к. ср2102 был занят в другом месте, то не возникло бы предположение о связи пина DTR с процедурой прошивки.
Аноним 19/07/24 Птн 12:51:55 560314 459
image.png 109Кб, 250x163
250x163
>>560294
Это каким мальчиком-с-пальчик надо быть чтобы с первой попытки попадать в область шириной в долю миллиметра? кек
Аноним 19/07/24 Птн 13:26:10 560315 460
>>560314
Ну так микроскоп для таких операций изобрели. И паялось наверняка не ЭПСН-ом.
Аноним 19/07/24 Птн 13:50:07 560319 461
>>560315
Дело не в микроскопе. Точность движений рук нужна как будто вставляешь нитку в иголку. Я сколько ни пробовал, не всегда с первого раза получается.
Но применительно к пайке это усложняется тем обстоятельством, что в руке паяльник вместо иголки.
Аноним 19/07/24 Птн 13:56:22 560320 462
>>560319
Просто пропаиваешь весь ряд, а одну ножку вместе с проводом.
Как по-твоему вручную паяют QFP? И даже с ЭПСН можно.
Аноним 19/07/24 Птн 14:05:44 560321 463
>>560319
Ну хз, у меня наоборот при пайке под микроскопом точность тыкания паяльником увеличивается. Видимо это индивидуально.
Аноним 19/07/24 Птн 14:51:48 560324 464
>>560320
Но там же больше чем 1 провод.
Аноним 19/07/24 Птн 17:14:33 560331 465
>>560319
Миллионы ювелиров и часовщиков смеются тебе в лицо
Делаешь увеличение посильнее и вперед. У тебя мозги по картинке рукой управляют, можно микронные движения паялом делать, если, конечно, руки не трясутся.
Аноним 19/07/24 Птн 17:37:09 560332 466
VID202407191726[...].mp4 29937Кб, 1920x1080, 00:00:11
1920x1080
>>560221
Так и сделал, теперь можно и на весь экран выводить (правда при ширине массива ячеек от > 48 начинает немного тормозить, но раньше полностью застывал и при 32)
Аноним 19/07/24 Птн 18:44:35 560336 467
>>560331
Прям таки миллионы?
Ювелир это редкая профессия. Единственная причина, почему она известна - их продукция широко рекламируется. Быть ювелиром - это талант. А талант - это редкое отклонение от нормы. Средний нормальный человек не обладает ювелирной точностью.
Аноним 19/07/24 Птн 18:54:25 560342 468
>>560324
Ну выложил их в ряд и так же пропаял.
Аноним 19/07/24 Птн 20:42:15 560351 469
image.png 219Кб, 428x375
428x375
>>560342
Но их же надо ровно держать. У гоминидов (к коим относится и человек в том числе) обычно по 4 хватательно-держательных конечности, но у человека всего две (т.к. другие две используются вместо ног). Одной конечностью можно держать провод, другой паять. Если попытаться держать два провода, то все хватательно-держательные конечности будут заняты и не получится держать паяльник и паять.
Где я просчитался?
Аноним 19/07/24 Птн 23:32:08 560359 470
>>560312
>ты проецируешь "официальные схематики ардуины" на risc-v клон ардуины.
Ну если это самостоятельный мк, то к нему должны быть свои мануалы. Если это именно клон то логично руководствоваться тем же чем для оригинала
>>560319
>Я сколько ни пробовал, не всегда с первого раза получается.
>Но применительно к пайке это усложняется тем обстоятельством, что в руке паяльник вместо иголки.
Фиксится фиксатором. Руками то держать и плату и провод и паяльник да, сложно
Аноним 20/07/24 Суб 00:35:49 560362 471
zajim-z-92-zubc[...].jpg 70Кб, 1000x1000
1000x1000
>>560351
Провода можно зафиксировать заранее и не держать каждый своей отдельной рукой.

От Ардуино люди тупеют, или Ардуино просто притягивает к себе таких?
Аноним 20/07/24 Суб 00:48:32 560363 472
>>560359
>Ну если это самостоятельный мк, то к нему должны быть свои мануалы. Если это именно клон то логично руководствоваться тем же чем для оригинала
Я не об этом.
Представь ситуацию, что перед ардуиной у меня в течение пары вечеров побывали в руках клон клона STM32, 2 разных клона 8051, пара ESP-шек и три одноплатника. Я что должен по каждому из них прочитать даташиты от корки до корки чтобы узнать о какой-то важной, но не очевидной функции? Так заебёшься читать, во первых. А во вторых мозги не резиновые. Пока одно читаешь, другое забываешь, особенно если читаешь о чём-то, что не планируешь использовать. А всякий даташит на 99% как раз состоит из информации, которая не понадобится.

Аноним 20/07/24 Суб 00:50:16 560364 473
>>560359
>>560362
Что-то как-то с трудом представляю такой фиксатор, фиксирующий сразу несколько проводов точно на контактах микросхемы с точностью до 0,25 мм.
Можно пруф такого фиксатора?
Аноним 20/07/24 Суб 05:14:58 560369 474
>>560332
> Так и сделал, теперь можно и на весь экран выводить (правда при ширине массива ячеек от > 48 начинает немного тормозить, но раньше полностью застывал и при 32)
Настало время оптимизации. Определи где тормоза и попробуй переписать этот кусок.
Аноним 20/07/24 Суб 09:28:14 560372 475
51hyFryXRfL.ACU[...].jpg 46Кб, 1000x921
1000x921
17145981908380.jpg 112Кб, 640x480
640x480
>>560331
А что же ты телефонных мастеров-ремонтников не вспомнил?
Но у них-то это ОСНОВНОЙ навык. А к разработке электроники вся эта возня нихуя не имеет отношения.

>>560362
Тупой здесь только ты. На пике очевидное решение, breakout board называется, не слышал никогда?

>>560280
Колхозанам лишь бы поколхозиться. USBASP купить на озоне за копейки вместо этого колхоза, и шить через него. Чай поди не дефицит теперча даже в вашем селе. Заодно бутлоадер можно выкинуть.

>>560282
БАЗА. Уже шаришь

>>560283
Ну и пиздец. Не лень же было корячиться ради этой копеечной хуеты. На необитаемом острове что ли умный дом строил?
Аноним 20/07/24 Суб 10:52:22 560380 476
>>560372
>А что же ты телефонных мастеров-ремонтников не вспомнил?
>Но у них-то это ОСНОВНОЙ навык.
А есть видео, где настоящий телефонный мастер припаивает лишние проводки к микросхемам?
Яб посмотрел.
Аноним 20/07/24 Суб 14:24:09 560393 477
>>560362
>От Ардуино люди тупеют, или Ардуино просто притягивает к себе таких?

Одно другому не мешает.

>>560336
>>560319
Лечи тремор и всё получится.

>>560372
>На пике очевидное решение

Вся суть пердуинщиков, дальше макета на соплях дело не заходит.
Аноним 20/07/24 Суб 14:42:35 560395 478
>>560364
Зачем НЕСКОЛЬКО? Паяешь по одному, жалом типа TS-I или TS-C1. Тебе не надо греть площадки, ты нагреешь их через провод.
>>560363
>Я что должен по каждому из них прочитать даташиты от корки до корки чтобы узнать о какой-то важной, но не очевидной функции?
Мляяяяя, когда ты берешь в руки новый МК, то вопрос как его шить встаёт первым нахуй. Ардуина это пожалуй единственный "МК" который шьется из коробки по USB. Во всех остальных тебе надо задаться вопросом а как его шить собственно, какой нужен программатор, через что оно шьется, как его отправить в режим бутлоадера и т.д. Со всякими nuclelo и девбордами да, у тебя есть программатор на плате, но это самостоятельный структурный элемент устройства
>>560372
>USBASP купить на озоне
Хуйня без задач. Если тебе нужно шить человеческие армы, то stlink/jlink, стоит те же копейки и шьет все контроллеры на армах, хоть миландр еби с ними. Если нужна универсальная хуйня, то бери FT232H, там хоть авр, хоть арм, хоть риск-в, жтаг может шить всё.
Аноним 20/07/24 Суб 15:26:51 560399 479
>>560393
>Лечи тремор и всё получится.
А есть варианты для обычных людей?
Аноним 20/07/24 Суб 15:37:40 560401 480
>>560395
>Мляяяяя, когда ты берешь в руки новый МК, то вопрос как его шить встаёт первым нахуй.
Да, справедливое замечание. Это один из первых попросов. И первый ответ на него: (назовём это "вариант А") шить через специальный прошрамматор.
Такой ответ мало кому понравится, т.к. редко у кого вместе с ардуинкой сразу появляется специальный программатор. Человек начинает догугливать вопросик и выясняется, что есть ещё два варианта:
Вариант Б: наиебанутейший вариант использовать другую ардуинку вместо специального программатора.
Вариант В: вариант, который кажется более подходящим (а на само деле это не так) - дёргать анус нажимать кнопку ресета в момент заливки прошивки.
Чисто психологически обычный человек после неудобных вариантов А и Б соглашается на кажущийся удобным вариант В.
И вот тут мы возвращаемся к тому, с чего начали --> >>560277 А почему вариант Г - использовать контакт DTR (самый удобный из вариантов) не на первом месте, не обнаруживается ни в гугле, ни на хабре, ни на дваче, ни в топе форумов по микроконтролерам??
Аноним 20/07/24 Суб 15:49:03 560403 481
>>560395
А эта FT232H с IDE дружит? Или нужно отдельный софт использовать?
Дебажить на ходу позволяет?
Аноним 20/07/24 Суб 17:01:14 560405 482
17178507625460.jpg 314Кб, 750x1000
750x1000
>>560380
Ноутбучные мастера все время там на ютубе прогары дремелем пилят да эпоксидкой замазывают, и дорожки проволочками восстанавливают, погугли. И у них это ВЫСШИЙ ПИЛОТАЖ считается (а по сути так и есть). А тут предлагают между втыканием юсб штекера и миганием светодиода походя такое делать.

>>560393
Какого макета на соплях? Это вполне промышленного качества решение, а не подпаивание на отваливающихся проводочках.

>>560395
>бери FT232H
А вот и колхозник с ПРОХРАМАТОРОМ ГРОМАВА НА КОМ ПОРТ 9 ПРОВАДКОФ А ЗАТО БИСПЛАТНА ВОТ ИЩЕ ПРАХРАМКУ С МУТНАВА САЙТА СКОЧАЙ АНА ВСЕ ПАДДЕРЖЫВАИТ ПРОСТА КАПИРУЕШ ФАЙЛ ИЗ ПАПКИ ПЕРДУИНЫ ВОТ ТУТА ВОТ ДВАДЦАТЬ ПОЛЕЙ ЗАПОЛНЯИШ (РАЗБИРЕШЬСЯ) И ВСЕВО ТА ДИЛОВ!!. Дедуль, ты еще глицерином попаять предложи. Не слушайте этого колхозана и берите готовые программаторы. Воткнул, в меню выбрал да шей, и никакого пердолинга.
>Мляяяяя, когда ты берешь в руки новый МК, то вопрос как его шить встаёт первым нахуй
Бляяяяяя, как сложна: арм - стлинк/жлинк, авр - юсбасп/атмелайс, еспрессив - по юарту. Сложнаааааааа пицот рублев потратить пиздец.............. Ах да, ты же любитель городить городушки битбенгом на фтди, ну тут не с контроллерами сложность.

>>560399
Есть, берешь breakout board и делаешь свою плату на ее базе. Или разводишь плату под свой вариант, если с брейкаутами слишком долго возиться.

>>560401
Чел, программаторы в наше время копеек стоят. Этот шиз тебе про времена нулевых толкует, когда фтди экзотикой были, лол. Забей и купи юсбасп, жлинк и норм юсб-юарт на озоне/алике.

>>560403
Ща он тебе скуфидонскую утилитку под виндовс икспи посоветует. Ты будешь файлик экспортировать в пердуине, прописывать его в етой маняутилитке, указывать порт пердуйни своей и наживать кнопулю, и так каждый раз. Забей кароч, просто не слушай хуйню и купи программаторы.
Аноним 20/07/24 Суб 17:22:38 560407 483
>>560405
Кек.
Я просто даташит на эту микруху глянул, написано, что jtag поддерживает. Но с костылями, получается?
Аноним 20/07/24 Суб 18:52:34 560410 484
>>560403
>А эта FT232H с IDE дружит?
Это всего лишь переходник USB->RS232(TTL), вывод от printf сможешь смотреть. Консольку сможешь поднять, но не более.
Для HW отладки лучше stlink/jlink.
>>560405
>Это вполне промышленного качества решение
Я бы даже заплатил, чтобы посмотреть, как заказчик это "решение" запихивает в твою тухлую клоаку.
Аноним 20/07/24 Суб 19:02:36 560411 485
>>560410
TTL UART у меня и так есть. Даже два, один изолированный.
Интересно именно SWD/JTAG и прочее дерьмо.
Аноним 20/07/24 Суб 19:15:03 560414 486
Аноним 20/07/24 Суб 19:21:01 560416 487
>>560411
>>560411
Лень уже искать, с чего всё начиналось
Аноним 20/07/24 Суб 19:22:50 560417 488
>>560414
У меня пердуино про микро сейчас в качестве подопытного, но хочу взяться за STM32 или XMC Infineon.
И есть задумка для ATTiny.
Поэтому универсальное решение было бы интересно.
Аноним 20/07/24 Суб 19:43:17 560419 489
>>560417
Ну тут универсального не получится, под ARMы одно, под атмел другое, я таких не встречал.
Аноним 20/07/24 Суб 19:50:44 560420 490
>>560419
Ну так заявлены и jtag и spi. Кагбэ должно.
Мне не трудно купить на Али пачку разных свистков, просто забавно было бы иметь один, чтобы править всеми.
Аноним 20/07/24 Суб 20:08:50 560423 491
>>560420
Дупликатор делал для серийной прошивки стм, атмел, еср, китайцев разных протокол взламывал - везде разное всё. Для отладки софта разные программаторы, похоже не смогу ничем плмочь.
Аноним 20/07/24 Суб 20:50:14 560438 492
17199070469490.jpg 117Кб, 486x604
486x604
>>560410
Во-первых, тебе тогда поди за твои отрывающиеся проводки он вообще яйца оторвет, глупыш.

Во-вторых, ты модули в китайских девайсах не видел никогда? Блютус, есп8266/32, фм радио, мелкие импульсники, и т.д. Так делают, прикинь. И оно даже работать будет. Одна плата припаяна на гребенке к другой, микросборочка, в чем проблема? Ее даже вытащить можно, и потом обратно запаять.

В третьих, я сказал "промышленного качества", а не "промышленное". Ибо смысла нет на кастомную плату паять переходник для чипа, который можно сразу на эту плату запаять. Но в любительских условиях легче использовать брейкаут и макетки, без микроскопа и навыков ювелира/радиомонтажницы 80лвл.
Аноним 20/07/24 Суб 21:03:36 560440 493
>>560438
Ладно, ты подебил, треморный.
Аноним 21/07/24 Вск 18:54:17 560485 494
Можно ли сделать на ардуино проводной телефон (на 2+ абонента)?
Аноним 21/07/24 Вск 18:57:12 560486 495
>>560485
Можно и без Ардуино.
Аноним 21/07/24 Вск 18:57:17 560487 496
>>560485
Можно. Но это как каша из топора. Ардуина там будет играть 10% роли.
Аноним 22/07/24 Пнд 00:44:33 560509 497
>>560403
>>560410
>Это всего лишь переходник USB->RS232(TTL)
Нет, это USB-FIFO, там можно хоть на SPI хоть на I2C хоть на параллельны 8 битный интерфейс. Учитывая что он программируемый -пожалуйста
https://github.com/m3y54m/cjmcu-ft232hq-programmer JTAG, SWD, and AVR Programmer
Поддержка аврдюд там есть следовательно пердуино иде тоже сможет шить через него
>>560405
>берите готовые программаторы.
2-4к за нормальный жтаг, охуенный совет да, я ебал. А тут у тебя кроме программатора есть жпио из юзерспейса линукса и возможность вытащить до 60 Мбит по SPI на комп или вообще до 40 Мбайт/с по синхронному параллельному. Вам ардуинщикам конечно не понять зачем нужен такой дракон скорости, но я и не надеюсь на вас
Аноним 22/07/24 Пнд 01:49:36 560510 498
>>560509
А зачем нужно 40МБ/с по синхронному параллельному интерфейсу? Кард-ридер изобретать?
Аноним 22/07/24 Пнд 06:45:35 560514 499
Если пин сконфигурирован на прием внешнего прерывания, может он при этом работать как обычный цифровой вход? Допустим, при срабатывании прерывания начать считывать с этой ноги некую последовательность состояний, а по приходу заранее прописанной последовательности выйти из прерывания.
Аноним 22/07/24 Пнд 07:47:32 560516 500
>>560514
Аппаратные вещи у разных микроконтроллеров отличаются. Ардуины же бывают с разными микроконтроллерами. Поэтому нужно уточнять о каком микроконтроллере ты спрашиваешь.
Но вероятно почти для всех микроконтроллеров так можно. Однако
>считывать с этой ноги некую последовательность состояний
Если есть возможность избежать в прерывании длительных операций, то нужно избежать. Так как в момент выполнения прерывания выполнение остальных прерываний откладывается (в зависимости от приоритета), а прерывания в основном нужны для того чтобы быстро на что-то среагировать. Хорошо когда у тебя одно прерывание, а когда будет несколько?
А что за последовательность? Может быть можно принять через SPI?
Аноним 22/07/24 Пнд 09:40:08 560521 501
>>560514
Внутри прерывания нельзя выполнять долгий код, тебе чип вачдог перезагрузит.
При прерывании можешь выставлять какой-то флаг, потом в loop() работать с пином как с обычным GPIO, а прерывания или отключить на это время или игнорировать.
Аноним 22/07/24 Пнд 09:50:34 560522 502
>>560516
> А что за последовательность?
А хуй знает. Есть одни уличные часы на китайском 8051 микроконтроллере с модулем приема радиокоманд на SYN470R, передатчик от которого успешно проебался. Выход этого модуля приходит на ногу, которая кроме обычного входа/выхода может работать в режиме генерации прерывания. Вот и стало интересно, можно ли как-нибудь подобрать команды для управления.
Аноним 22/07/24 Пнд 11:04:41 560523 503
>>560509
>2-4к за нормальный жтаг, охуенный совет да
Охуенный совет да, селючонок.
Посчитай сколько рабочее время стоит.
Нехуй делать больше кроме как твои городушки с шитхаба конпелировать, не говоря уж о том, чтобы самому что-то делать, когда готовое уже есть, да еще за копейки.

>жопа из юзерспейса линукса
А вот тут ты сразу нахуй идешь

>ардуинщикам конечно не понять
Кокой же ты крутой шарящий гыконерд, задротина.
Но 4к за прохрамматор вшивый ДОРАХА, лол.
Аноним 22/07/24 Пнд 13:44:29 560528 504
>>560522
>Вот и стало интересно, можно ли как-нибудь подобрать команды для управления.
Может быть проще посмотреть осциллографом?
Аноним 22/07/24 Пнд 14:43:33 560530 505
>>560528
А что смотреть? Пульта нету, приемник в отсутствие команд никакой активности не проявляет.
Аноним 22/07/24 Пнд 14:57:59 560532 506
>>560522
Ну и как ты собираешься без пульта команды подбирать?
Аноним 22/07/24 Пнд 18:14:20 560540 507
Крч простая задача, но я никогда ничего подобного не писал, так что надеюсь только на вас. Как при нажатии внешней кнопки, добится того, что бы ардуина отключилась только после занятия сервоприводом определённого положения?
Аноним 22/07/24 Пнд 18:25:11 560541 508
Хорошая ли идея просто власть огромный кондер на 2000 микрофарад?
Аноним 22/07/24 Пнд 18:25:43 560543 509
*Впаять
Аноним 22/07/24 Пнд 18:37:27 560548 510
>>560540
Реле поставь, которое даёт ардуине питание, и пусть она сама себя отрубает.
А через кнопку параллельно реле подавать питание на ардуину, чтоб она запустилась и удерживала реле.
Аноним 22/07/24 Пнд 19:05:45 560554 511
172166416379552[...].jpg 5385Кб, 3000x4000
3000x4000
Аноним 22/07/24 Пнд 19:16:50 560555 512
>>560554
Напрямую с GPIO нельзя включать реле, тебе в ответку прилетит 400 вольт самоиндукции.
Купи relay module для ардуины.
Аноним 22/07/24 Пнд 19:23:06 560557 513
>>560555
понял, но кроме парралельного диода всё так же?
Аноним 22/07/24 Пнд 19:26:57 560558 514
>>560557
Диода для гашения самоиндукции? На модуле уже всё есть.
Аноним 22/07/24 Пнд 20:26:39 560564 515
>>560558
а нельзя реле на транзистор поменять? что бы зря ток не тратить
Аноним 22/07/24 Пнд 20:36:06 560566 516
>>560564
Я пробовал, у меня не получилось. Откуда-то разорванная земля подсасывалась всё равно.
Попробуй и ты, может у тебя получится.
Аноним 22/07/24 Пнд 22:50:21 560574 517
>>560540
А зачем отключать Ардуино? Наркоман?
Отключай сервопривод.
Аноним 22/07/24 Пнд 23:04:39 560578 518
>>560574
но ардуина же будет разряжать аккум...
Аноним 23/07/24 Втр 00:18:13 560582 519
>>560578
А зачем тебе вообще там МК?
Кнопки, реле и концевика тебе не хватит?
Аноним 23/07/24 Втр 02:03:37 560583 520
>>550854 (OP)
Сап, аноны! Знаю, что возможность автономно записывать данные в EEPROM у Arduino есть.

Есть задача сделать автономно обучающийся радиоприёмник 433MHz. Т.е. по нажатию кнопки включается режим сканирования кода, нажимаем кнопку на пульте, код считывается и сохраняется в энергонезависимую память. Далее по этому коду нужно активировать соответствующую кнопке функцию, например включить реле. Как и с чего начать такое программировать - в силу скудоумия не знаю. Может, кому попадались готовые решения или хотя бы библиотеки?
Аноним 23/07/24 Втр 04:59:53 560584 521
Нужно ли ставить резистор, если я питаю ардуино Кроной? И сколько ом?
Аноним 23/07/24 Втр 06:56:16 560585 522
Screenshot2024-[...].jpg 381Кб, 1080x2400
1080x2400
Какой вообще плюс от резистора в такой цепи? Или он вообще не нужен?
Аноним 23/07/24 Втр 07:16:16 560586 523
>>560585
>>560584
Резистор не нужен. Попробуй закон Ома изучить что ли.
Максимум может потребоваться LDO, но тут нужно знать какая именно у тебя ардуина.
Аноним 23/07/24 Втр 07:30:20 560587 524
>>560583
>сканирования
С ардуриной ты сможешь что-то сделать лишь в частных случаях, например когда у тебя тупая амплитудная манипуляция. Но даже в этом случае, как мне кажется, крайне желательно знать структуру кода, т.к. там может быть как манчестерский код, так и NRZ, RZ и прочие.

Так-то существуют разные виды модуляции у которых могут быть разные параметры. И очевидно что один и тот же приемник такое в простейшем случае не вытянет, а чтобы вытянул нужно SDR и ардуина тут вообще не при чем.
Аноним 23/07/24 Втр 07:57:58 560591 525
>>560586
Ну я на личном опыте знаю, что чем больше сопротивление, тем медленнее разряжается аккумулятор. Ардуине нужно всего 5v, значит можно поставить резистор, что бы уменьшить потребление тока, и мощность, следовательно избежать ненужного перегрева. Что я понимаю не так?
Аноним 23/07/24 Втр 08:09:37 560592 526
>>560591
Почитай про стабилизаторы напряжения.
Или покупай плату UNO с гнездом для 9-24В, там уже всё готово.
Аноним 23/07/24 Втр 08:22:03 560593 527
>>560591
понятно, тогда подключаю крону напрямую к плате и не парюсь
Аноним 23/07/24 Втр 08:29:06 560594 528
Аноним 23/07/24 Втр 08:49:03 560596 529
>>560587
Зря ты в модуляцию полез. Оно ж щас-то как-то работает, когда код кнопки пульта считан заранее в сонсоли через COM, а потом сравнивается явным образом в прямо в тексте программы. Просто для смены пульта хочется нажать на условные 5сек кнопку на устройстве, а не совать в него USB от ноутбука. Основной вопрос именно в том, как запрограммировать, может есть что-то готовое...
Аноним 23/07/24 Втр 09:00:35 560597 530
>>560591
>Что я понимаю не так?
Примерно все. Есть два варианта:
1) в ардуйне стоит LDO, как пишет анон выше.
2) LDO отсутствует, а микроконтроллер питается от 5В. Тут проблема в том, что эти 5В требуется обеспечить достаточно точно - не выше примерно 5.5В. Будет напряжение выше - оно сгорит. А обеспечить такое напряжение одним резистором не выйдет, потому что ток потребления микроконтроллера не постоянен, в меняется в зависимости от режима работы. Вот включить спящий режим (крайний случай) ток потребления будет микроамперы и на микроконтроллер придут почти все 9В с батарейки и оно сгорит.
Аноним 23/07/24 Втр 12:22:58 560606 531
IMG202407231131[...].jpg 306Кб, 3043x1588
3043x1588
>>560558
Так примерно? (На картинке модуль реле)
Аноним 23/07/24 Втр 14:27:20 560611 532
>>560606
Вроде всё так, но ты не говорил, что у тебя батарейка. Ты 5В источник рисовал >>560554
Тогда лучше мосфетами пытаться, чтоб не жрало энергию зря.
Аноним 23/07/24 Втр 14:28:41 560612 533
Screenshot2024-[...].jpg 378Кб, 2400x1080
2400x1080
Что значит запись
PORTB != (1<<7)?
Типа PORTB не равно 128, окей, и? Почему здесь оператор сравнения?
Аноним 23/07/24 Втр 14:35:37 560613 534
Лол, догнал, это не восклицательный знак
Аноним 23/07/24 Втр 15:00:09 560614 535
>>560612
В переменной (регистре) PORTB хранится 8 состояний 8 портов.
Если делаешь PORTB = 0b10000000 то у тебя порт PB7 будет HIGH и остальные 7 LOW (при условии что они все включены как выходные).
(1<<7) это ты берёшь 1 и сдвигаешь её влево на 7 бит. Было 00000001, стало 10000000
>1 << 0 = `0000 0001`
>1 << 1 = `0000 0010`
>1 << 2 = `0000 0100`
Получается
PORTB |= 10000000
|= делает ИЛИ для каждого бита. Если состояния портов были 00011000, а ты делаешь 00011000|10000000 то на выходе получишь 10011000
В итоге PORTB |= (1<<7) выдаёт HIGH на пин PB7.
Перед этим ещё надо перевести пин в OUTPUT через DDRB. Но там уже сам разберёшься.
Аноним 23/07/24 Втр 15:39:34 560616 536
Аноним 23/07/24 Втр 16:32:04 560617 537
>>560616
Ты объясни что ты именно хочешь сделать и для чего.
Аноним 23/07/24 Втр 17:14:15 560619 538
>>560617
связать будку на входе в глемпинг с собой (типа штаб)
Аноним 23/07/24 Втр 17:23:32 560622 539
>>560619
ТА-57 на Авито купи.
Аноним 24/07/24 Срд 06:48:27 560641 540
Где купить нормальную проверенную DS3231? Заебали эти китайские подделки с кривыми частотами и неработающими регистрами.
Аноним 24/07/24 Срд 15:09:34 560651 541
image.png 2140Кб, 1506x909
1506x909
как он без резисторов это дело подключил?
Аноним 24/07/24 Срд 17:35:32 560655 542
>>560651
Возможно он их ШИМит и ему пока везёт, что ардуина ещё не сгорела.
Аноним 24/07/24 Срд 19:08:04 560658 543
>>560651
Кабелями. Но это не отменяет того, что он дегенерат
Аноним 24/07/24 Срд 22:55:42 560670 544
>>560651
На синих светодиодах падение напряжение около 3.4 В, если пердуина питается не от 5, то в целом работать будет
Аноним 25/07/24 Чтв 09:25:25 560688 545
>>560670
Ну кстати да. Атмега328 работает от 1.8В до 5.5В
Может он в обход стабилизатора напрямую питает её. На фотке не видно.
Аноним 25/07/24 Чтв 09:45:54 560689 546
image.png 388Кб, 748x532
748x532
ребят не смейтесь, с какой стороны припаивать провод? и если мне нужно подключить два провода к одному разьёму, какие клеммы лучше всего подойдут?
Аноним 25/07/24 Чтв 11:31:34 560694 547
>>560689
>ребят не смейтесь
Тут плакать надо
>с какой стороны припаивать провод?
А точно надо припаивать? Пин разъёма для чего на пикриле? Что мешает два провода скрутить перед пайкой?
>и если мне нужно подключить два провода к одному разъёму
Разъёмом называется законченное многоконтактное устройство в пластиковом корпусе. На пикриле пины гребёнки
>какие клеммы лучше всего подойдут?
оот автомобильного аккумулятора точно подойдут
Аноним 25/07/24 Чтв 11:39:46 560696 548
>>560689
Да куда хочешь, туда и паяй. Похуй вообще.
Аноним 25/07/24 Чтв 12:00:19 560698 549
>>560694

> А точно надо припаивать?
а как закрепить без пайки?

> Что мешает два провода скрутить
не понимаю что это значит

> оот автомобильного аккумулятора точно подойдут
я от акумулятора только гигансткие клещи видел, они не подойдут, можешь показать на картинке или название?

>>560696
> Да куда хочешь, туда и паяй
я никуда не хочу. я вообще паять не люблю
Аноним 25/07/24 Чтв 12:04:14 560699 550
image 109Кб, 808x808
808x808
>>560698
>я никуда не хочу. я вообще паять не люблю
Купи arduino jumpers на али, они надеваются на эти пины.
Аноним 25/07/24 Чтв 12:14:33 560701 551
>>560699
я согласен, они легко одеваются, но и соскакивают от легко
Аноним 25/07/24 Чтв 12:18:58 560703 552
>>560701
Выбирай из двух стульев. Или пайка или это.
Я за пайку.
Аноним 25/07/24 Чтв 13:17:28 560711 553
>>560701
Спермопистолетом зафиксируй, чтобы не соскакивали.
Аноним 25/07/24 Чтв 14:22:07 560714 554
Аноним 25/07/24 Чтв 14:24:37 560715 555
6999106424.jpg 238Кб, 1000x1000
1000x1000
Аноним 25/07/24 Чтв 14:35:22 560716 556
Аноним 25/07/24 Чтв 15:01:30 560717 557
>>560715
о, вот эту штуку и возьму
Аноним 25/07/24 Чтв 16:26:29 560720 558
>>560717
К ней отвёртка только нужна мелкая.
Аноним 25/07/24 Чтв 18:12:38 560725 559
>>550854 (OP)
Аноны, существует ли в природе готовая железка для управления бесколлекторным мотором на 1-2 кВт, с атмегой и возможностью написания собственной прошивки? Надо мозги для электровелосипеда, те, что есть не устраивают, те, которые якобы могут как я хочу стоят 50к (келли) или еще что-то там. Чуть-чуть программировать умею стм и ардуино, паять я ебал ну провод могу припаять к ножке, но не более.
Есть опенсурс контроллер для электровела?
Аноним 25/07/24 Чтв 22:18:24 560736 560
Аноним 26/07/24 Птн 08:58:04 560752 561
>>560736
То что доктор прописал! Только дороговато.
Нашел это на али https://sl.aliexpress.ru/p?key=nAbpsGA
Неужто контроллер размером буквально с два контроллера, которые у меня стоят на квадрокоптере может тянуть 140А продолжительного режима на 48 вольтах? На трех транзисторах, которые даже вместе могут поместиться у меня за крайней плотью и не создать особого беспокойства? Что это за космические технологии?
Аноним 27/07/24 Суб 17:27:28 560809 562
six-sleep-modes[...].png 33Кб, 1291x297
1291x297
>>560540
повар-даун не катит?
Аноним 27/07/24 Суб 17:43:27 560810 563
>>560651
А что, китайцы до сих пор не создали светодиоды с ТО-резистором внутри? Первое что пришло в голову.
Аноним 28/07/24 Вск 07:56:41 560824 564
>>560622
Пара штук будет 100тыр стоить ещё спиздить могут
Аноним 28/07/24 Вск 12:59:36 560828 565
>>560824
Ну тогда просто пару советских телефонов, там переделки минимальные.
Аноним 28/07/24 Вск 13:20:38 560829 566
>>560809
Что значит повердаун?
Я уже западе всë через может. На Vin идут два провода, один от транзистора, второй от кнопки. Теперь думаю, как сообщить ардуине о том, что кнопка отключена
Аноним 28/07/24 Вск 13:21:37 560830 567
>>560829
Т9 кошмарит
*запаял через транзистор
Аноним 28/07/24 Вск 18:17:21 560845 568
Можно было бы поставить пул ап на рандомном пине, и подключить минус через эту кнопку, но все контакты кнопки уже заняты...
Аноним 28/07/24 Вск 22:11:35 560867 569
1.jpg 478Кб, 1920x1080
1920x1080
>>560829
Не выключать питание борды, а уходить в сон с пониженным энергопотреблением, там будет в районе 10 мкА, что не смертельно для батареи способной двигать серво. Можно уронить потребление ниже 1 мкА но надо руками теребить фьюзы и отключать WDT и TWI, среда ардуины не дает блондинкам прямой доступ к фьюзам, увы. Но это можно сделать, если заливать камень напрямую из Avrdude.
Ну или как обычно привязать веревку к швабре и вот это всё.
https://microkontroller.ru/arduino-projects/spyashhie-rezhimy-v-arduino-i-kak-ih-ispolzovat-dlya-ekonomii-energii/
Аноним 29/07/24 Пнд 08:00:48 560906 570
>>560867
>10 мкА
И смысл, если у анона LDO отожрет в 100 раз больше?
Аноним 29/07/24 Пнд 09:12:31 560908 571
>>560810
да, наверно это именно такие
Аноним 29/07/24 Пнд 14:57:15 560924 572
>>560867
>среда ардуины не дает блондинкам прямой доступ к фьюзам
они не на синятине разли пишут?
Аноним 29/07/24 Пнд 17:17:07 560938 573
>>560924
Ну-ка, подергай фьюзы на сях.
Аноним 29/07/24 Пнд 19:40:48 560948 574
111.jpg 809Кб, 1920x1000
1920x1000
>>560924
Концепция пердуины - работа с пердуино-бордами. Конфигурация камня зафиксирована в бутлодере и ты ничего не можешь менять, даже источник тактирования - кушай что дают.
В кастомных корах с гитхаба хоть какие-то настройки камня есть, и то не всё.
Аноним 29/07/24 Пнд 19:55:42 560951 575
>>560906
Согласен, линейник 1117 на собственные нужды 5 мА жрет. Но есть хитрый финт ушами, можно выкинуть линейник.
Видел такое в китайских пультах, работающих от батарейки А23 12V.
Трансмиттер запитан прямо от батарейки а камень через обратно включенный стабилитрон 6V8 и керамика 0.1 по питанию камня.
Не поленился, посмотрел оссцилом что на VCC, там красивые 5 вольт с копейками, при нажатии на кнопки даже иголочек не видно. Рабочая тема.
Аноним 29/07/24 Пнд 20:38:19 560955 576
>>560951
Можно стабилизатор отключать пином, а питать в спящем режиме от батареек через диод Шоттки.
Аноним 29/07/24 Пнд 20:53:23 560956 577
Крч резал паял собирал четыре дня
Результат нихрена не работает
Хз чо делать дальше
Аноним 29/07/24 Пнд 20:53:52 560957 578
IMG202407292051[...].jpg 4034Кб, 3000x4000
3000x4000
Аноним 29/07/24 Пнд 21:34:50 560959 579
>>560956
Разбить проект на отдельные задачи и добиваться исправного выполнения каждой задачи отдельно, так и найдешь где косяк.

К сожалению, я не экстрасенс и не могу по фото маминой подруги определить почему не работает кучка говна с проводками.
Аноним 29/07/24 Пнд 21:39:26 560960 580
>>560959
Нет это долго и неинтересно
Я предпочитаю разфигачить все молотком и скинуть в сельский туалет
Аноним 29/07/24 Пнд 21:51:58 560961 581
dca2zkd-ddb341b[...].png 118Кб, 745x1486
745x1486
>>560960
Наночку не бей, она не виноватая.
Аноним 30/07/24 Втр 12:02:57 560981 582
>>560612
Это не восклицательный знак, это I (or), PORTB = PORTB OR (1<<7)
Аноним 30/07/24 Втр 13:18:53 560984 583
>>560948
>Конфигурация камня зафиксирована в бутлодере
Во фьюзах, додик.
Аноним 30/07/24 Втр 13:43:11 560985 584
>>560984
>Во фьюзах
Да ты чё, правда что ли? Нихуя себе откровение.
Ну и как мы можем повлиять на фьюзы в arduino ide, кроме заливки бутлодера?

>>560282
Смотрю на этот колхоз и прям руки чешутся. Где-то у меня такая свистулька валяется, щас сварганю себе такое же.
Аноним 30/07/24 Втр 15:13:27 560994 585
>>560985
После прошивки из-под Пердуино, поставить фьюзы в ПонипрогАВРСтудио?
Аноним 30/07/24 Втр 16:09:27 561000 586
>>560938
легко только не для авр у стм можно ими подергать во время выполнения прошивы
>>560948
> в бутлодере
савсем ебобо? ботинок предназначен в большинстве случаев лиш для того чтобы описать последовательный интерфейс по которому зальеца основная прошива - во время работы основной памяти программ он не доступен - но туда тоже можно попасть на некоторых камнях
>>560985
>можем повлиять на фьюзы в arduino ide, кроме заливки бутлодера?
блядьж еще раз ботинок это всеголиш выделяемый кусок в памяти программ
лень перечитывать даташит но у авр есть бит который запрещает стирать память программ после получения команды чип ерейз
тое ставиш этот бит дергаеш чип ерейз ну и все можно шить фьюзы
у авр они не доступны по последовательному интерфейсу - только человеческим погроматором у стм ими можно играца во время выполнения прошивы - на лету
у меня на 51 архитектуре их вообще нет точнее они есть 2 штуки прошиву замыкают и пиздец а на камнях х2 - с расширеной памятью программ - определяют куда шъеца прошива в основную или дополнительную память программ и все веселье в том что из под нее основная память програм доступна а наоборот хуй

карочи ебаные области видимости которые канкретны для каждого камня
Аноним 30/07/24 Втр 16:25:26 561003 587
>>560985
>кроме заливки бутлодера?
А ты в курсе, что они не там?
Аноним 30/07/24 Втр 16:26:31 561004 588
>>561000
>только не для авр
Очень важная информация для пердуино-треда, ага.
Аноним 30/07/24 Втр 18:11:10 561011 589
>>561004
пердуина и на стм бывает
Аноним 30/07/24 Втр 19:34:13 561012 590
1.jpg 723Кб, 1800x900
1800x900
>>561000
>у авр они не доступны по последовательному интерфейсу
А это чё такое в официальном даташите? Ты напиши письмо инжам майкрочипа, пусть им тоже будет стыдно, почему один я тут страдаю.
>лень перечитывать даташит
В следующий раз не ленись.
>у меня на 51 архитектуре
Поясни в чём профит сидеть на архитектуре 20го века в 2024м. Что в ней такого привлекательного?

>>561003
И ты тоже не понял мою мысль? Ну ок, фьюзы это биты управляющие работой железа, прям физические транзисторы замыкающие цепи. В avr они раскиданы по разным регистрам, по принципу дартс.
Когда мы жмакаем в Arduino IDE кнопочку записать загрузчик, IDE скармливает аврдуде файл прошивки микропрограммы бутлодер для размещения её в бутовой области флеш-памяти.
А также, передает дуде набор инструкций по настройке различных фьюзов - отключить BOD, поменять источник тактирования, выбрать частоту камня и т.д. Затронутые при этом биты, в оф даташите буквально называются fuse.
Вот что я подразумеваю, когда говорю что мы влияем на фьюзы во время заливки бутлодера.
Если я ошибаюсь или что-то не правильно называю, то поясни пожалуйста.
Аноним 30/07/24 Втр 20:09:30 561015 591
>>561012
Додя, а теперь посмотри на схеме пердуины, где у нее ноги для ПРОГРАММИРОВАНИЯ по последовательному интерфейсу, а куда у нее идут Rx и Tx для пердуирования через пердуинскую среду.
Намек: последовательно пишется и читается флеш, еепром и фьюзы через линии MISO и MOSI, а не через сериал-порт бутлодыря.
>почему один я тут страдаю
Потому что даташит не жопой читать надо.
Аноним 30/07/24 Втр 20:19:16 561017 592
>>561015
То есть у тебя последовательный интерфейс это исключительно UART, а SPI таковым не считается. Ок, все остальные вопросы снимаются.
Аноним 30/07/24 Втр 21:24:46 561022 593
>>561012
>Что в ней такого привлекательного?
потомучто они тупо есть валом - когда контору ликвидировали мне на халяву упал цех в котором я 15 лет чинил в промышленых масштабах девайсы на их основе и СКЛАД запчастей и это отлаженая хуйня
в авр я вижу превлекательности например тюньки но как читать еще один мануал на100+ страниц? ну его нахуй я лучше в стм32 вкачусь
>это чё такое
я в авр не особо но кстати оттолкнуло в свое время нытье вкатунов на форумах - типа я покрутил фьюзы и все пиздец и ответы - ога пиздец тылошара
мне хватает и 51 камней
> привлекательного?
высри канкретную цифру - за сколько на авр происходит переход на подпрограмму прерывания? тое от устойчивого перепада сигнала на ноге до первого оператора
интеграция чтука хорошая но имеет свои очень неприятные последствия а у них еще и флеш програмно доступная на борту
>они раскиданы по разным регистрам, по принципу дартс.
никаких дартсов есть канкретные регистры которые доступны только после команды чип ераз - области видимости але
это сделано для того чтобы всякие хитрожопы не сливали прошивки - не могли установить фьюз на разрешение чтения памяти программ
просто пердуина льет все в куче
карочи у этих битов канкретные адреса - а не ХУЙ этожи авр ога? тут биты прямо не адресуемы - сри сразу весь регистр - вкуряеш к чему это ведет? потому и 51 архитектура - я каждый бит могу дернуть по адресу а ты сначала байт подготовь - СДВИГАМИ МАНЯ я хз что жрет больше деление или сдвиги
а других операций в синятине да и в асме авр для этого НЕТ
ножно канечно и прибавлять но если бит еденица то если ты прибавиш она вылезет в соседний ога?
поэтому чтение и условие если не хочеш сдвигать...
карочи есть канкретные адреса есть области видимости что когда и после чего доступно
у меня другая проблемка
есть хуева гора залоченых от перепрошивки камней уже на платках в корпусе кто говарит можно кто нет былоб ахуительно чтобы можно но я чувствую что нет
>поясни
карочи смысл в том что фьюзы можно не дергая загрузчик дергать выше писал - там есть бит установив который при поступлении инструкции чип ерейз память программ не стираеца и ты можеш ее не дергать а только установить нужные фьюзы
это у авр
у стм можно на лету но палюбому лочащие камень от халявщиковхитрожопов те тоже после чиперейз
Аноним 30/07/24 Втр 21:58:13 561026 594
>>560959
Крч подключаю питание через юсб все радуются всем хорошо светло на душе, все работает.
Подключаю через крону на вин и гнд - льëт дождь, играет грустная музыка и сервопривод начинает делать вид что его не существует
Аноним 30/07/24 Втр 22:03:53 561027 595
>>561022
πРО4ИТАВLLIИХ СОÑ∆YT C YMÅ
Аноним 31/07/24 Срд 08:26:17 561041 596
>>561026
Теперь ты знаешь что проблема в питании. Ты уверен что твоя крона в принципе способна двигать серву? Проверь сначала обеспечивает ли она необходимый ток. Линейник 1117 тоже имеет ограничение по току, разны китайцы заявляют разные значения, у кого 1А, у кого 0.8А, а по факту может быть что угодно.
Посмотри напряжение на VIN и на 5V когда оно шевелится. Ну и проверь куда чего ты там напаял.
Аноним 31/07/24 Срд 08:47:55 561042 597
>>561022
Еле осилил твою простыню. Понял 2 вещи.
1. Ты нихуя не знаешь про avr но всем поясняешь по хардкору как оно устроено.
2. Сидишь на старинных кирпичах, потому что дедушка оставил по наследству 3 ведра этих кирпичей.

>высри канкретную цифру
4 - 7 машинных тактов, в зависимости от того, какая инструкция выполнялась в момент прерывания. RISK архитектура - 1 машинный такт за 1 тик генератора. Делишь секунду на частоту камня, умножаешь на 4 - 7 и получаешь канкректную пацанскую цифру.
Аноним 31/07/24 Срд 08:48:33 561043 598
>>561041
Вообще, питать что-то мощное от Кроны это плохая идея, а уж после ЛСН, так и вообще.
Аноним 31/07/24 Срд 08:51:39 561044 599
image.png 20Кб, 559x379
559x379
>>561041
да, я об этом и подумал. подключал вместо кроны блок питания, эффект такой же, потребление тока равное потреблению ардуины, может я что то не так подключаю?
Аноним 31/07/24 Срд 08:55:14 561045 600
>>561044
А напряжение на кроне просаживается?
Аноним 31/07/24 Срд 09:46:53 561046 601
>>561044
Эмм... а где ограничение тока базы? И ты хочешь закрывать пнп транзистор у которого на эмиттере 9 вольт, подавая на базу 5 вольт, я правильно понимаю? И что за кнопка с двумя парами контактов, изначально они замкнуты?
Аноним 31/07/24 Срд 10:02:53 561048 602
images.jpeg 4Кб, 225x225
225x225
>>561046
Ой, резистор там стоит, просто забыл на схеме показать + там полевой транзистор, а не биполярный,
но я не умею его рисовать


А кнопка такая вот в точности
Аноним 31/07/24 Срд 10:42:17 561050 603
>>561048
>но я не умею его рисовать
А подключать умеешь? Можно узнать маркировку транзистора?
а то может это вообще кренка какая-то )

Картинка с выключателем это здорово, но хотелось понять какую роль он играет в твоей схеме.
Аноним 31/07/24 Срд 11:24:12 561052 604
>>561042
>Ты нихуя не знаешь про avr
я знаю ровно столько сколько надо чтобы сделать вывод - хуета
да есть достоинства но их недостаточно чтобы я на нее перекатился но есть и недостатки
я не стороник высоких степеней интеграции - кстати в авр есть контроллер внешней памяти? вот я легко могу поключить и оперативу и флешку и пзуху - внешние на спецально предназначеную для этого шину и использовать штатный асемблер для доступа к этому барахлу ЗА ОДИН МАШИННЫЙ ТАКТ или по твоему нет 51 камней с интегрированым ацп?
но больше всего убивает один момент - отсутствие прямого доступа к битам порта
канкретный вопрос - тебе надо поставить 4 ноги контролера в 1 что ты на своей пердуине делаеш? функцию вызываеш? а сколько тиков она работает? я же тупо пишу Р3_1=1; Р3_2=1; Р3_3=1; Р3_4=1; и это все выполняеца за 4 машинных такта + кварц на 24мхз по мануалу захочу влеплю на 33 и прерывание у 51 архитектуры выполняеца за один машинный такт тк нет длинющих - долгих инструкций большинство выполняеца за один машинный цикл а все остальное за 2
но перечисли ка лучше знаток хуев ты что такого есть в авр чтобы заставило меня перекатица
еще раз если мне и понадобяца сверх вычисления техже флоатов и мне не хватит распределеных вычислений я вкачусь в стм32 минуя недо высер авр который якобы на 16бит но на самом деле алу там все тоже 8битное
еще раз авр это 2 кадра которые взяли 51 архитектуру прикрутили к ней свистелки и перделки добавили в большинстве задач нахуй ненужных условий и режимов у таймеров и прерываний - они не помогают а только усложняют отрезали контроллер памяти битовую адресацию портов тк древний кусок мамонта и так уже был перегружен по самое не хочу и высрали авр
а вообще сдаеца мне это вообще очередной заложеный ресурс - умышленая деградация сам понимаеш для чего
Аноним 31/07/24 Срд 11:28:23 561053 605
>>561044
кто такая холедера? у нее сисеги большие?
Аноним 31/07/24 Срд 13:00:09 561056 606
>>561050
Транзистор полевой p канальный
Кнопка должна отключать ардуину. Сначала отключается один канал питания, после того, как сервопривод займет нужное положение, закроется транзистор и тогда уже отключился второй канал.
Второй контакт на кнопке нужен что бы ардуино понимала, нажала сейчас кнопка или нет
Аноним 31/07/24 Срд 13:10:16 561057 607
>>561053
Да, неприлично огромные
Аноним 31/07/24 Срд 13:23:43 561058 608
>>561056
> Сначала отключается один канал питания, после того, как сервопривод займет...
хриновая логика - сферическая в вакууме
очень много возможных колизий
>нужен что бы ардуино понимала
это можно сделать намного проще и надежнее
Аноним 31/07/24 Срд 14:23:07 561062 609
>>561052
Можно побитово регистр порта менять же в авр.
Аноним 31/07/24 Срд 17:15:19 561071 610
>>561062
Эта няша не понимает разницу между компилятором и архитектурой. Думает, если в пердуино-скетче написана функция digitalWrite() то это особенность ядра avr и установка бита в регистре порта делается каким-то многоэтапным способом.
Походу какой-то городской сумасшедший.
Аноним 31/07/24 Срд 17:48:38 561075 611
2.jpg 296Кб, 1600x800
1600x800
>>561056
Сделай как-то так.
И нахуя пердуине знать что твой палец всё ещё жмет на кнопку, как она на это повлияет?
Аноним 31/07/24 Срд 18:13:59 561079 612
>>561075
Подкинет не нужно знать, где мой палец. Она должна знать положение кнопки, что бы задать правильный угол для сервопривода
Аноним 31/07/24 Срд 18:14:38 561080 613
Ардуине*
Аноним 31/07/24 Срд 18:38:40 561081 614
Кнопка с фиксацией, палец можно и отпустить, главное не переключать обратно
Аноним 31/07/24 Срд 19:14:07 561083 615
05.jpg 95Кб, 730x676
730x676
>>561062
не можно - см пик
>>561071
еще раз у меня высшее профильное образование и я знаю о чем говарю и в отличии от тебя и тебе подобных вкатунцов я мануалы читаю не жопой и не по диагонали и ПОНИМАЮ что там написано скажу больше эти мануалы написаны такими как я для таких как я а некоторые ключевые моменты они не явны

вообще те 2 кадра что высрали авр преследовали одну основную цель - популяризировать микороконтроллеры - сделать контроллер для нищебродов нубовкатунцов такую себе пердуино архитектуру где все легко и просто и многое делаеца само по себе не явно - раньше рукажопых профанов к этой теме и на пушечный выстрел не подпускали и вкатывались в эту область в основном пограмисты системщики но и они порой садилсь на сраку столкнувшись с этой темой - основными проблемами были наличие погроматора - достаточно не дешовая штука ну и специфический если хочеш "стиль" написания программ помню лет 8 назад зайдя в погромач был оттуда гоним ссаными тряпками типа - что это за пиздец? нахуя все переменные глобальные??? уебывай в радивач и тд и тп а в радиаче тогда контролеры были чемто сверх естественным...
карочи поняв суть этой недоархитектуры такой себе бейсик - нубоконтроллер для вкатунцов и школьников - я и не стал ей заморачиваца
но сама по себе архитектура и наличие свистелок и перделок не обеспечили достижение поставленой цели - срубить бабло на нубовкатунцах и была высрана целая иде КАРЛ - вами так обажаемая пердуина по идее все это должно было дать нубовкатунцу канкретный ответ на вполне канкретный вопрос - помигал светодиводами? понравилось? хочеш дальше уже серьезных вещей? добро пожаловать в мир микроконтролеров и цифровой электроники - покупай человеческий погроматор и полетели...
но нубовкатунцы на то и нубовкатунцы - они ленивые нищеброды и это привело к закономерному пиздецу - сейчас я встречаю вполне серьезные решения - проекты на базе пердуины естествено с кучей глюков багов и прочих косяков
это как учица катаца на велосипеде - сначала на четырех колесном потом тренировочные колесики отключаюца потом пакупаеца средний велосипед - для подростков потом взрослый а уже потом спортивный чтобы показывать другим человекам возможности человеческого тела ставить рекорды и затмевать солнце - показывать насколько ты невъебенно крут
так вот об этих "серьезных" проектах на базе пердуины - это все еще тот 4х колесный децкий велосипед но уже обвешаный професиональными примочками - дисковые тормаза переключение передач и тд и тп вот только проблема в том что у пердуины эти тренировочные колесики не откручиваюца они являюца рамой и смотриш на такое поделие и мурашки по спине от осознания насколько автор сего высера долбаеб необучаемый - это как на бейсике писать операционку - можно не спорю но имеет ли смысл?
Аноним 31/07/24 Срд 19:14:53 561084 616
Аноним 31/07/24 Срд 19:45:17 561085 617
>>561079
инициализация сервы и прочей механики происходит В НАЧАЛЕ работы
то что ты пытаешся запилить применяеца несколько для других целей
например свертка информации
тое есть какойто девайс который работает и выполняет достаточно длинные много этапные операции которые очень критичны к потере данных могущие произойти например при аварии на шине питания и если эта авария произошла необходимо произвести сохранение частично наработаных результатов
в таких и подобных случаях и производят свертку информации ставят на шине питания мазгов и датчиков достаточно жирный кондюк и мониторят на нам липиздричество и если оно начало падать - очевидно произошла эта самая авария питания то устройство моняторящее эту колизию высирает внешнее прерывание и контроллер выполняет свертку информации
и если мне не изменяет память в авр есть подобный блок
тебеже хватит и концевика завязаного на механику - крайние точки на твоей серве ну или если у сервы есть крайние положения тое двиг крутит крутит и перемещаемый им через реуктор нахуй уперся то можно маниторить неизбежно возрастающий в таком случае ток это кстати будет являца защитой если вдруг чтото заклинит - чтобы не посрезало зубья у шестерни
выполнить достаточно легко - маниторь напряжение на серве просело отключай я так кстати делал когда у одного хуйкина на воротах гаража погарели мазги - там изначально стоял енкодер для этой цели но у него уже умирали контакты и он ебал мазги посему я просто мониторил напряжение на движке - значит ворота достигли крайней точки + защита у него были малолетние пиздюки - тое настроил так чтобы ни пиздюка ни его жопавозку не перерезало этими воротами как гельятиной
Аноним 31/07/24 Срд 20:49:04 561091 618
Аноны, снова прошу подсказки, а есть ли для ардуины готовый шилд или плата для защиты входов? Т.е. у меня есть вход, цифровой, в него приходит длинная линия и я знаю, что на эту линию может быть наводка пару киловольт или иногда повышаться напряжение, допустим до 50 Вольт, вот чтобы мне руками не городить стабилитроны и супрессоы есть готовая плата такая? Я не знаю как гуглить, не смог. Выходы я пускаю через Н мост драйвер, мне норм.
Аноним 31/07/24 Срд 20:52:49 561092 619
>>561091
Есть модули с оптопарами.
Аноним 31/07/24 Срд 20:55:39 561093 620
>>561092
один хуй ему придеца городить огород защиты ик диводов - входов оптопары глупо использовать оптопару в роли передохранителя
Аноним 01/08/24 Чтв 08:13:17 561104 621
>>561083
> Омск
Так бы сразу и говорил, что ты омич.

А к вопросу записи, ну обновил побитово байт и отправил в порт. В чём проблема-то?
Аноним 01/08/24 Чтв 14:45:18 561115 622
Держу в курсе.
Пару недель назад сделал из ардуины дренажный автомат (мерит два сопротивления и дёргает релешкой). Продаются у китайцев уже готовые, но выходит немного дороже, чем в ардуине. Кроме того, ардуину можно разобрать и собрать что-нибудь ещё.

Сегодня внезапно осознал, что хочу знать как часто он откачивает, чтобы тенденцию наблюдать и прикрутил экран.
Полдня ловил баги (непривычно делать это стоя и с ноутбука), но сейчас все работает и я доволен.
Аноним 01/08/24 Чтв 16:00:01 561117 623
>>561104
>ну обновил побитово байт
ну и как ты собрался по битово обновлять байт без битовой адресации? высри ка парочку идей лол можеш на питоне
и я же кажись просил предоставить канкретную цифру - сколько времени работает эти ваши пердуино функции дигитал врите и дигитал рид
я же выше писал какие это сулит проблемы и усугубляюца они "медлеными" кварцами ну тут они подтянулись уже можно и 16мхз кварц вкорячить и тормозным алу которым так славица авр напомню это все тотже тормозной алу от 51 архитектуры пусть и слегка "оптимизированый"
пойми одну простую вещ микороконтроллер это не канкулятор его задача несколько в матиматических вычислениях хоть и без них никуда а в другом а имено отловить изменение сигнала на ноге произвести какие то вычисления или отработать условия - если то и высрать др сигнал на другой ноге ну или если так хочеца можно и на тойже например интерфейс 1вире - время реакции мой юный подаван
конечно нубью этот подводный особо не мешает мигать светодиводами а вот...
всего один пример - знаменитая печка шизика где я задался целью дергать семистором 2квт нихромовой спиралью выдраной из комфорки промышленой плиты - да опять вотэто самое - они тупо есть и их валом
что такое семистр знаеш? это такой ключ который предназначен камутировать переменку из разетки и ее не надо выпрямлять как в случае с транзистором но у него достаточно своеобразная система - логика управления тое он выключаеца не тогда когда мы подали условный нуль на затвор как у транзистора а тогда когда ток удержания упадет ниже какогото вполне канкретного значения не буду расписывать что это нагуглиш и сам но на практике выключение семистора происходит тогда когда синусоида переходит через нуль тое мы его только включаем а выключаеца он сам
посему есть 2 метода управления - пропуск фаз и резка фаз тое в первом случае мы его тупо включаем в начале полу волны или не включаем тое пропускаем полу волну а во втором ...
вот здесь поподробней
мы его можем включать не сразу после того как синусоида перешла через нуль тое он выключился а позже тое отрезать от полуволны синусоиды какуето часть очевидно начало тк см выше он не выключица пока...
карочи как это выглядит на практике - для первого метода пропуска фаз есть спец дравира с контролем перехода через нуль типа moc3041 но мы его не расматриваем там все просто как 3 копейки а вот для второго - резки фаз надо городить достаточно ебанутый огород - совокупность програмно апаратных средств но и там нет ничего сверх естественого - там есть пиздец такой что ты ахринееш и он не один но об этом позже
карочи как это выглядит на практике
все начинаеца с того что необходимо отлавить переход фазы через нуль - это ключевой момент тк имено здесь семистр выключаеца - я это делаю достаточно легко и просто между мостом и сглаживающим кондюком ставлю диод чтобы видеть уже выпрямленые полу волны затем через делитель эти волны загоняю на кампоратор - почему кампаратр? да хз вот он уменя просто есть - еще один канал в LM393 на другом канале висит датчик температуры в принципе можно и чтото другое но у меня так и кампаратор выдает на контроллер внешнее прерывание имено тогда когда фаза переходит через нуль ну или близкое к этому... вообще семистр теристр хоть и тормазной относительно транзюков ключ но точность любит
все дальше можно писать прошиву
Аноним 01/08/24 Чтв 16:00:39 561118 624
смысл ее работы опятьже достаточно прост
по внешнему прерыванию запускаеца таймер и начинает считать как только таймер переполнился и произашло его прерывание я ставлю канкретную ногу контролера в 1 тем самым подаю липиздричество на икдивод оптосемистора у меня Y210 можно и от мос взять дравирочек MOC3023 можно попытаца твердотельное реле присобачить - не принципиально...
очевидно что какое значение я загружу в таймер это и будет являца управляющей цифрой момента отпирания семистора а следствено и мощностью высраной на конечной нагрузке у меня эта чифра на моем древнем куске говна мамонта в пределах от 0хB47F-1% до 0хF900-100% - да да все правильно меньшая цифра это минимум мощности - у меня 51архитектура у меня нет свистелок и перделок у меня таймер считает в одну сторону тое каждый тик это ++ и прерывание от него происходит когда он FFFF - переполняеца
не сложно посчитать что на 50гц точнее на 100гц тк я работаю только с половиной синусоиды тое на 10милисикунд у меня 19328 ступеней регулировки конечно не все они доступны тк есть еще длина управляющего импульса и пока откроеца оптосемистр еще более тормазной ключ чем семистр пока откроеца сам семистр проходит какоето время но это уже другая история - ловля поправок на ключи и здесь я не сабираюсь это расматривать - и так очередной длиннопост высираеца которые так не любит школота
все это легко и просто и очень ахуительно но ... это только присказка а сказка начинаеца сейчас блядж
но что но? а да 19к ступеней регулировки это заебись никакая крутилка на такое не способна даже 2 последовательно...
но чтоже сцука но? еще не догадался? не увидел масштаб пиздеца не осознал его?
вся жопа в том что эти 19к ступеней и есть одна большая жепа в виде синусоды а мнето надо ручку мощности в процентах линейных таких процентах где каждый процент это условные 20вт
для тупых 19к это время и оно линейно а напряжение в разетке это ебаная синусоида и она нихуя не линейна она эта ебучая кривая пидорская сферическая не имеющая конца уебанская цифра пи - 3.14 которая точнее производная от нее
для еще более тупых - мощность высраная на нагрузку это напряжение на ток в случае с резистивной нагрузкой ток линеен и линейно - пропорционально зависит от сопративления этой нагрузки у нихрома конечно есть своя поправка на температуру - зависимость сопративления от температуры но погуглив эту цифру... карочи нихром это заебись
карочи суть проблемы для савсем уж кретинов если я захочу 50% процентов мощности то просто поделю попалам эти 19к - половинка синусоиды симетрична но что делать когда мне понадобица 33% или 58% ? кто не курил в школе геометрию и ее производную тригонометрию легко ответит на сий вопрос - считай через площадь синусоиды
считай блядж ну ну я честно пытался нагуглить эту формулу но на 3й день меня это заебало - перебирать одни и теже раковые перепечатки одного и тогоже и я задал этот вопрос в погромаче - закономерно был послан нахуй со словами - пиздуй в радиач - в том 16м году радиач представлял поистине жалкое зрелище и при любом упоминании семисторов тиристоров резки фаз у тогдашней мочи да и не только дико возгорался анус начиналось интенсивное бурление говен жесткий тролинг переростающий в дикие срачи и как обычно все заканчивалось груповой еблей мамаш анонов и очевидным баном
посему подождав пока говна на погромаче слегка поутихнут и последовав поговорке если гора не идет к магомеду то магомед идет к горе я слегка поменял постановку вопроса а имено оставил только матишу и выкинул всякое упоминание о семисторах теристорах и прочих микорокантроллерах и о чудо анон мне высрал необходимую формулу последовательной апроксимации для нахождения интересующих меня величин вот она - на пике кушайте не обляпайтесь
заебись подумал я и? и накидал код - уже имаджинировал мое ебало когда я увидел время исполнения сего пиздеца? притом я уже в процессе написания понял что оно буде не ахти - нами так любимая цифра пи и сократил апроксимацию до 3х ступеней карочи получил я чтото около одной секунды на выполнение и задался вопросом а нахуй спрашиваеца мне такая резка фаз? когда в секунде 100 полупериодов? не прощи ли всеже пропуском фаз? но не буть я собой и не получи я на радиаче всем известное погоняло если я не добьюсь поставленой задачи это буду не я
в итоге применив известный метод когда алу контроллера обсираеца от взвалившихся на него ниебучих вычислений да еще и так им "обожаемых" флоатов - чисел с плавающей точкой - кто скажет КАКОЙ? я получил можно сказать ахуительные результаты а имено скорость выполнения этой задачи в ДВА машинных тика
тое от момента как пид регулятор на основе показаний датчика высрал канкретную цифру сколько надо мощности в процентах до момента запуска таймера точнее не так пид регулятр медленая функция там тоже матиши дахуя да и програмное помехо гашение датчика температуры который у меня меряет эту самую температуру с точностью до СОТОЙ градуса тоже занимает достаточно большое время потому что и там дахрина матиши - посему эти функции крутяца в мейне но это далеко нихрина не секунда...
карочи от момента прерывания - когда фаза перешла через нуль до момента запуска таймера на канкретное время определяющее сколько ждать от нуля до подачи управляющего импульса
и нет я не запихнул эту апроксимацию в мейн я имено нахожу канкретное значение для таймера на лету и занимает это ровно 2 машинных тика на моем древнем куске говна мамонта 89с4051 с кварцем на 24мхз это происходит за 20мс делить на 19328 - посчитаеш сам не маленький
к чему все эти высеры и длинно посты? и какое к этому имеет отношение авр и пердуина?
а к тому что когда начинаеш работать на килагерцах даже не десятках килогерц начинаеш упираца рогом в способность контроллера на все это дело адыкватно реагировать и если тормазное алу еще можно победить использовав не явные матиматические особенсти и прочие ходы то с медлеными портами идиоцким их управлением на програмном уровне и такойже тормазной реакцией на внешние прерывания ты не сделаеш НИ ХУ Я
потому я и не стал вкатываца в авр а взглянув одним глазом на пердуину у меня было ебало уровня - чегобля.шебем
Аноним 01/08/24 Чтв 16:02:06 561119 625
>>561104
>ты омич.
я с сев кавказа мальчик за словами следи и начинай извиняца
Аноним 01/08/24 Чтв 16:12:22 561120 626
>>561115
я на днях сделал на одном семисторе динисторе паре кондюков и резюков одной еще совецкой микро кнопке и добытом из термостата от еще совецкого холодильника сильфончике манометрическую станцию - скважина на воду сверху насос я кран открыл вода потекла кран закрыл насос не ишачит
оставлена возможность управляемого холостого хода тое летом кондиционер а зимой отопление ямы скважины самим насосом чтобы там ниче не размерзлость
без пердуины без контроллера вообще ибо нахуй он там не нужон
Аноним 01/08/24 Чтв 16:15:03 561121 627
>>561118
>>561117
Я мимопроходил, почитал ваш диалог, с тобой согласен, с теми же проблемами сталкивался в авр, ты пишешь по делу, но почему с такими ошибкам? Ты траллируешь так? Мне аж больно читать.
Аноним 01/08/24 Чтв 16:19:12 561122 628
>>561120
Время между включениями мне как мерить? Старым холодильником?
Аноним 01/08/24 Чтв 16:22:35 561123 629
>>561121
потомучто я так пишу и менять ничего не собираюсь - хочеш внимать голосу разума? привыкай
если хочеш то запятые и прочие пробелы это какбы знаки а у обезьяны их 15к на пост - тое мнебы пришлось не на 2 поста а на3 делить один этот да и нетолько этот длинно пост а может и не пришлось
Аноним 01/08/24 Чтв 16:26:11 561124 630
>>561123
Да я без претензий, просто поинтересовался. Юрий Ладягин тоже любил загнуть и пояснял хорошо, вспомнил пока читал.
Аноним 01/08/24 Чтв 16:34:11 561125 631
>>561122
нах оно тебе всралось? чтобы вот что? цифра для общего развития? или ты както можеш повлиять на объем выкачиваемого? откуда и что ты дренируеш?
я например и так знаю что есть утечка по флянцу и сальнику насоса и прочим затычкам в системе и что периодически насос будет включаца - посидел сигарету покурил еще подождал огород полил насос один раз дернулся - компенсировал утечки и пиздец я считаю результат удовлетворительным
зато если чтото отъебнет я легко это найду и устраню - стараюсь следовать принципу - не ломаеца то чего нет
а неизбежно возросшие утечки - сальник и прочее не бесконечны я и так увижу по лужам в яме
Аноним 01/08/24 Чтв 16:39:55 561126 632
>>561125
>не ломаеца то чего нет
хуй отрезать импотенция пройдет
Аноним 01/08/24 Чтв 16:44:13 561127 633
>>561117
> >ну обновил побитово байт
> ну и как ты собрался по битово обновлять байт без битовой адресации? высри ка парочку идей лол
1 получение маски сдвигом : x1<<7+x2<<6...
2 получение маски из массива : x1a[7] + x2a[6]....

> пердуино функции дигитал врите и дигитал рид

Если надо быстро DDRD ... PINC

мимо не понял причину подвыва
Аноним 01/08/24 Чтв 16:46:04 561128 634
>>561125
> нах оно тебе всралось?
чтобы оценить тенденцию у увеличению/уменьшению водного горизонта, глупышка.
Аноним 01/08/24 Чтв 17:11:57 561130 635
>>561127
>сдвигом
>причину подвыва
СДВИГОМ БЛЯДЖ СДВИГОМ КАРЛ еще не осознал масштаб пиздеца?7
нука запусти пердуино дебаг и глянь сколько времени на один сдвиг уходит?
>Если надо быстро DDRD ... PINC
это теже яйца только в профиль - выше представлен пруф того что дело не в пердуине а в самой архитектуре авр -порт пишеца читаеца только весь целиком тое байт
но если ты не вериш пруфам можеш принести до кучи и время выполнения этих "быстрых" DDRD ... PINC
в то время как на 51 архитектуре я дергаю битами портов НАПРЯМУЮ за ОДИН машинный тик и просто пишу - P3_1=1; могу сразу весь порт прочитать записать - байт Р3=0хFF

напомню что по началу у авр еще не был отлажен техпроцес и у них камни работали на 3мхз кварцах в то время когда я легко разгонял свои древние куски говна мамонта на 33мхз а штатные были 12 и 24мхз но открою сикрет те что на 12мхз легко запускались и на 24мхз
добавь сюда еще и тормазные порты и ты осознаеш масштаб пиздеца
>2 получение маски из массива
масива? ты мне предлогаеш масив запилить? масив для битов? или масив для 256состояний байта? ты долбаеб или как? отожрать 256байт памяти программ только чтобы дергать портами ЛЕЧИСЬ НАХУЙ
там кстати в \б новый тренд - плоскоземельщики вкатунцы высирают архиватор всего и вся - почитай тебе интересно будет потом придеш и расскажеш где они обосрались
Аноним 01/08/24 Чтв 17:16:24 561131 636
>>561128
водного горизонта где? конкретизируй свою задачу почему из тебя все клещами приходица вытягивать?
почему я сразу написал - скважина на воду
опятьже нахуя тебе эта цифра? чтобы что? чтобы осознать элементарное - дождь прошел снег растаял горизонт поднялся?
Аноним 01/08/24 Чтв 17:21:58 561132 637
>>561130
> >сдвигом
> >причину подвыва
> СДВИГОМ БЛЯДЖ СДВИГОМ КАРЛ еще не осознал масштаб пиздеца?7
> нука запусти пердуино дебаг и глянь сколько времени на один сдвиг уходит?
Бери из памяти маску, хули. Просто пропиши формулу с константами. На ассембле, сам ебучий сдвиг сделай.
Это всё вопросы оптимизации, которые касаются только тонких мест и никогда толстых.

> масива? ты мне предлогаеш масив запилить? масив для битов? или масив для 256состояний байта?
маска
а
с
к
а
> ЛЕЧИСЬ НАХУЙ
Аноним 01/08/24 Чтв 17:24:53 561133 638
>>561115
>хочу знать как часто он откачивает, чтобы тенденцию наблюдать
>Полдня ловил баги (непривычно делать это стоя и с ноутбука)

Охуеть какой ты стойкий и трудолюбивый.
Я бы так не смог и просто допилил бы программные часы, которые тикают с момента подачи питания и сохранял бы в EEPROM моменты включения и выключения с системным временем события. И пошел бы спать.
А потом вывел бы содержимое EEPROM в порт и посмотрел бы как часто оно включает/выключает насос.

Мимо ленивое хуйло.
Аноним 01/08/24 Чтв 17:28:04 561134 639
>>561131
Потому что оно меняется плавно от "сухо, насос уже не нужен" до "пиздец плывём, надо в доме подпол вскрывать".
Ну и ты не ответил, как мне показать время между выкачками. Может мне хочется ещё обьем оценить. В литрах.
Аноним 01/08/24 Чтв 17:33:27 561135 640
>>561133
Каждый раз с ноутом туда ходить? Ну уж нет.
Аноним 01/08/24 Чтв 17:36:21 561137 641
>>561135
На ESP надо делать, дебилка, и памяти много и по вайфаю с вебинтерфейсом с дивана по телефону бы смотрел как насос говно качает.
Аноним 01/08/24 Чтв 17:44:21 561138 642
>>561133
И ты проебался, ибо переключается 2 раза за 6 минут 4320 раз в сутки, по 4 байта на unsigned long - 17280 байт
Ардуиновского килобайта хватит часа на полтора.
Аноним 01/08/24 Чтв 17:44:41 561139 643
>>561135
>Каждый раз
Не понял зачем.
Тебе нужна какая-то статистика для анализа? Ты можешь собирать её сутки, неделю, месяц, а потом 1 раз слить на ноут и проанализировать. Не хватит EEPROM на борту, прикрути внешку.
Стоять полдня как статуя глядя в монитор - такой себе подвиг. Но дело хозяйское. Типа при деле и заодно насос охраняешь, чтоб не спиздили )
Аноним 01/08/24 Чтв 17:45:23 561140 644
Аноним 01/08/24 Чтв 17:47:56 561141 645
6a0120a8e94e6d9[...].jpg 17Кб, 500x375
500x375
>>561138
>2 раза за 6 минут 4320 раз в сутки
Аноним 01/08/24 Чтв 17:54:02 561142 646
>>561139
Надо смотреть сколько времени качает, сколько не качает. Хватит последнего цикла.
Плюс суммарное время работы. Возможно тенденцию ещё считать, но пока не нужно.
После того как солью на ноут, надо ещё эклель пидорасить - нахуй надо, когда просто, блядь, сделал вывод на экран.
>>561141
Гоню, но дохуя все равно.
>>561137
Думаю над этим, но мне интереснее с экраном. Не в этом случае, но она будет.
Аноним 01/08/24 Чтв 18:05:57 561144 647
>>561142
Ну допустим ты посчитал горизонт, скорость откачки и т.п. Что с этим будешь делать дальше?
Аноним 01/08/24 Чтв 18:07:13 561145 648
>>561134
ыыы ясно понятно пограмист решает...
я так понял вода в подвале и как обычно мы решаем не саму проблему а ее последствия
а ты в курсе мой хороший что ты ее не решаеш а только усугубляеш?
да да откачивая воду ты размываеш водоносный слой и он у тебя повышает свою производительность
конечно когда тебе или твоему папаше сказали - вася у нас тут подпочвеные воды близко посему для подвала необходима гидроизоляция но поскольку ты весь в своего папашу уперто упоротый я вполне могу догадаца что он им ответил
сматри сюда и учись пока я жив
пиздуеш в строй маг и покупаеш там пару тройку а лучше пяток пятишек с хуйней называеца жидкое стекло в просторечье канцилярский онже силикатный клей погугли чтобы не обасраца ждеш весну или когда там у вас снег таять начинает? карочи чтобы был полный подвал воды льеш туда эти пятишки а сверху наливаеш литров - дахуя посчитаеш сам отработку с расчетом чтобы была шапка сантимеров 5 купи бочку 200литров на сто в процессе ее подливать придеца
и? и все какгбы пиздец - ждеш пока вода сама съебет мож месяц а может и год тут хз попутно засрав водяной слой жидким стеклом которое создаст герметизацию земляного пласта а отработка впитаеца в стены надеюсь они у тебя литые бетонные? ну или хотябы кирпичные? кстати отработка выполняет 2 функции - герметизирует не даст воде испаряца тое не будут гнить пола
если нито ни другое то готовь лопату ведра бетономешалку глину и лей нармальный человеческий подвал с ГИДРОИЗОЛЯЦИЕЙ блядж - твой насос это допизды дверца - проходили знаем
у нас в мухосранске мало того что подпочвеные близко так еще и не земля а гравир а очень умные инженеры комунальщики до кучи засыпали к хуям местную речушку - ручеек и песь запад города теперь плывет ...
карочи тема со стеклом рабочая проверена на практике не в одном домовладении
> как мне показать время между выкачками.
нахуй не нужно ты НИКАК не полияеш на водоносный слой - не того масштаба пиздец
> ещё обьем оценить. В литрах.
счетчик на воду
>>561135
в перуине же вифи есть поставь и не ходи
>>561144
обложит кафелем и будет басейн
Аноним 01/08/24 Чтв 18:22:16 561146 649
derzkij-kote352[...].jpg 37Кб, 493x480
493x480
> ты размываеш водоносный слой

> Ардуино тред
Аноним 01/08/24 Чтв 19:05:59 561147 650
>>561146
еще блядь один
маня я сейчас точнее второй месяц занимаюсь скажиной на воду а если быть точным с 14года прост сначала думали одно потом сделали другое в итоге получилось третье а потом и вовсе обосрались и пришлось все нахуй переделывать
так вот я в этом году забил ее и по началу хоть в ней и было полтора метра воды но насос на полной гари ее выгребал за 5 секунд и обратный клапан хапал воздух и? и по новой добывай 6 метровую трубу чисти обратный клапан ставь на место заполняй систему водой чтобы ни пузырька ни пол пузырька воздуха - тк центробежный насос не качает воздух прикались? карочи ебли на 10-20 минут как повезет
да хуля говарить я по началу туда воды лил больше чем добывал - протрахавшись день и вылил туда бочку 200литров и ванну я осознал что страдаю хуйней и соорудил регулятор производительности насоса и дело сдвинулось
по началу я добывал 1 литр за 20 секунд но я добывал и добывал - насос ишачил и ишачил - медлено но верно потом литр за 10 секунд - насос работал без перерыва только на ноч отключал тк иногда он всеже воздух хапал... и так я качал воду месяц часами блядж десятками СОТНЯМИ кубометров и производительность скважины неуклонно росла
теперь же я насос включаю на всю и ванна - обычная ванна совецкая чугуниевая наполняеца за 6 минут на сколько выросла производительность скважины от первоначальных 20сек\литр посчитаеш сам
а у анона подвал минимум 2х2м а у меня скважина -56мм труба - отдуплил масштаб проблемы?
тое качая воду или че он там качает? всяко не нефть он УВЕЛИЧИВАЕТ производительность - путем размывания водоносного слоя
тое вполне вероятно может настать момент когда производительность его балота превысит производительность его насоса и он так смачно отсасет хуйцов и пока не кончаца дожди или таяние снега... обложит кафелем и будет басейн
Аноним 01/08/24 Чтв 20:12:55 561148 651
>>561145
Ща мне долбаёб с двачей будет пояснять за необходимость гидроизоляции в месте, про которое раньше не слышал и где двадцать пять лет воды не было.
У нас тут наводнения немножко происходят, как бы. Местами. Это не часто.
Аноним 01/08/24 Чтв 20:54:41 561149 652
33.jpg 400Кб, 1920x1010
1920x1010
Антуино, подскажи, этот плоттер по последовательному соединению как-то управляется? Ну там масштаб по x-y, пауза всё такое.
Или посоветуй чем воспользоваться, чтобы через сериал посмотреть что на ардуину от приемника приходит. Чтобы можно было различить синхропакет и понять сколько байт после него прилетает. Спасибо.
Аноним 01/08/24 Чтв 21:55:10 561153 653
Аноним 01/08/24 Чтв 22:28:33 561155 654
>>561153
Ясно, у меня более ранняя версия и в плоттере нет никаких менюшек и кнопочек.
Аноним 01/08/24 Чтв 23:25:38 561157 655
>>561118

Омич-кавказец, поставь ИГБТ с диодным мостом последовательно с нагрузкой или джва ИГБТ и хуярь в него ШИМом, если ноль сети ловить не хочешь и время калькулировать на своем некроконтроллере.
Аноним 01/08/24 Чтв 23:31:56 561159 656
>>561145
Шизово.
Может, тогда лучше в подвале пару атмосфер избыточного давления держать в процессе пропитки жидким стеклом?

Давление контролировать датчиком по I²C с Ардуино.
Аноним 01/08/24 Чтв 23:33:32 561160 657
>>561155
Скачать более позднюю не вариант?
Аноним 02/08/24 Птн 08:28:46 561173 658
11.jpg 461Кб, 1920x1050
1920x1050
>>561160
Была причина откатиться на более раннюю. На последней не запускались коры для некоторых камешков, которые я хотел потестить. Так и осталось с тех пор.
Нашел другой плоттер, в принципе что хотел - увидел. Синхропакет, страт, стоп и говнецо внутри.
Аноним 02/08/24 Птн 11:01:46 561176 659
00п.jpg 56Кб, 616x455
616x455
>>561157
сколько стоит мост и лгбт на 40а 800в?
а бывают лгбт на 250ампер?
>>561159
можеш шланг к дупе своей своей мамаши папаши собаки подключить и пердите туда в четвером как напердите пару очков спичку туда бросаеш...
Аноним 02/08/24 Птн 11:05:01 561177 660
>>561176
Так есть схемы закрывания тиристора V-switch вот это всё и надежнее контроллера.
Аноним 02/08/24 Птн 12:25:12 561179 661
>>561177
>есть схемы
неси
>закрывания тиристора
не спорю есть запираемые тиристоры но не семисторы и поверь у них проблем еще больше
но здесь вопрос несколько в другом а нахуя его запирать?
Аноним 02/08/24 Птн 15:55:44 561189 662
>>561179
Сорян, пидарасы сайт заблочили, у меня не открывается, на форуме доходчиво разъясняли что да как, если что гуглить по ключевым словам "Гаусс пистолет Pskov 1100. Настоящий Coilgun!"
Ну и вторая ссылка в гугле https://forum.cxem.net/index.php?/topic/21651-%D0%B7%D0%B0%D0%BF%D0%B8%D1%80%D0%B0%D0%BD%D0%B8%D0%B5-%D1%82%D0%B8%D1%80%D0%B8%D1%81%D1%82%D0%BE%D1%80%D0%B0-%D0%BF%D1%80%D0%B8-%D1%80%D0%B0%D0%B1%D0%BE%D1%82%D0%B5-%D0%BF%D0%BE-%D0%BF%D0%BE%D1%81%D1%82%D0%BE%D1%8F%D0%BD%D0%BD%D0%BE%D0%BC%D1%83-%D1%82%D0%BE%D0%BA%D1%83/
что-то похожее.
Суть в том, что параллельно тиристору еще одним тиристором послабже подключается катушка с конденсатором и она противоэдс гасит ток через тиристор, в гауссе тиристор на милисекунды открывали.
Аноним 02/08/24 Птн 16:05:00 561190 663
>>561179
>нахуя его запирать
Чтобы лгбт не ставить?
Аноним 02/08/24 Птн 16:15:09 561191 664
1722604485613.jpeg 54Кб, 540x520
540x520
>>561190
Так у него задача не запереть симистор, который и без того в нуле закроется, а рассчитать углы открытия ФИМозного регулятора, чтобы кривую регулирования нормальную получить. Но для этого ещё нужно ноль детектить, чтобы знать, откуда время отсчитывать.

А мог бы за копейки купить ЛГБТ и мозги не ебать, получая шикарную синусоиду на выходе, вместо рванины после ФИМ.
Аноним 02/08/24 Птн 16:38:25 561192 665
>>561191
Так с запиранием можно ничего не считать, а просто шимить синусоиду.
Аноним 02/08/24 Птн 18:09:52 561205 666
17151883714300.jpg 166Кб, 598x577
598x577
>>561192
Тиристор запирать трудно, а ЛГБТ легко.
Аноним 02/08/24 Птн 20:24:34 561217 667
>>561189
еще раз нахуя его запитать? в гаусе лучшебы заряжали конденцатр и разряжали его на обмотку
> еще одним тиристором послабже п
нахуй ненужно если надо запирать бери лгбт
у меня колекторные двигателя и печки-тены там нахуй ниче не надо запирать
твои гаусовщики такие же кретины как и ты и думают ЖЕППОЙ - нужен ебунячий импульс? разряди кондюк - он разрядица тиристр сам запреца
>>561191
>вместо рванины
строго похуй индуктивность двигателя сгладит а печке вообще срать
думаю поставить ампер на 40 регулировать сварочный трансформатр-тор весом 25-30кг железо масивное должно сгладить а если понадобица постоянка после трансформатора выпрямить
еще раз если мне понадобица красивая синусоида нахуя? асинхроник вращать? я блядь пойду и куплю китайский частотник
даже если придеца делать самому 51 архитектура в рот выебет авр
>>561192
считать палюбому придеца маня - раза в 2 больше кретин еще и длину импульса - в начале и в конце синусоиды меньше...
>>561205
нахуй не надо его запирать
Аноним 02/08/24 Птн 21:58:17 561226 668
>>561217
>еще раз нахуя его запитать? в гаусе лучшебы заряжали
Только потому что выше ты хоть и нелитературным языком говорил умные вещи, я тебе объясню зачем его запирать. Это необходимо для повышения КПД. После прохождения ускоряемым телом катушки, магнитное поле, создаваемое этой катушкой, начинает тормозить ускоряемое телом. Для того, чтобы этого избежать, есть два пути:
1. Подбирать емкость конденсатора в зависимости от массы ускоряемого тела, напряжения на конденсаторе, погоды на венере, чтобы к моменту, когда тело достигнет центра катушки остаточный заряд был, следовательно мал ток через катушку. Недостатки этого способа очевидны - низкая эффективность использования энергии конденсатора.
2. Искусственно ограничивать время импульса на катушке отключая конденсатор до достижения ускоряемым телом точки, где магнитное поле будет его тормозить. Преимуществ масса - напряжение на конденсаторе не успевает упасть, следовательно заряжать его легче, используется разрядный участок с достаточно большим напряжением - энергия из конденсатор легко перекачивается в катушку. Недостаток - нужны коммутирующие элементы и тиристор здесь не самый удачный вариант по причинам не только его незапираемости. Но он может коммутировать десятки ампер.
Это актуально как для одно так и многоступенчатых систем. Надеюсь доступно объяснил.
>в начале и в конце синусоиды меньше
О пид регуляторах слышал? Печь и мотор точно не надо настолько точно шимить. Для коллекторного мотора опять же есть даже промышленные схемы на тиристоре, поддерживающие заданные обороты без контроллера, с повышением тока при увеличении нагрузки и с понижением при необходимости, на швейных машинках раньше ставили.
Скажи, что за 51 архитектура, как гуглить, почитаю за что ты её так расхваливаешь?
Аноним 02/08/24 Птн 23:57:22 561229 669
>>561217
Нихуя не придется считать, алло.
Ты просто "умножаешь" синусоиду сети на коэффициент ШИМ в простейшем случае. Тебе вообще насрать может быть на то, что там сейчас в сети.
Вот для преобразователя ДЦ-АЦ надо считать. Читать значения синуса из таблички в памяти.
Аноним 03/08/24 Суб 00:52:26 561231 670
>>561191
> Так у него задача не запереть симистор, который и без того в нуле закроется, а рассчитать углы открытия ФИМозного регулятора, чтобы кривую регулирования нормальную получить. Но для этого ещё нужно ноль детектить, чтобы знать, откуда время отсчитывать.

> А мог бы за копейки купить ЛГБТ и мозги не ебать, получая шикарную синусоиду на выходе, вместо рванины после ФИМ.

А взять твердотельное реле и как все нормальные люди ебануть ШИМ с частотой в 0.1-1 Гц религия не позволяет? 1 Гц это уже 50 дискретных уровней мощности, причём мощность линейно меняется, 0.1 Гц - соответственно 500.
Аноним 03/08/24 Суб 09:42:29 561235 671
>>561231
Смотря, что за нагрузка у тебя и сеть.
Двигатель таким медленным ШИМом, возможно, не стоит регулировать.
Аноним 03/08/24 Суб 11:14:21 561237 672
00п.jpg 143Кб, 883x602
883x602
>>561226
о каком кпд может идти реч? ты отдупляеш инергии необходимые на такое запирание? или тиристр по твоему мгновенно запираеца? еще раз семистр тиристр это медленые ключи
воистину гаусовщики еще тупее плоскоземельщиков - пихай не шарик а спицу мешает поле? втягивает? поменяй полюс и выталкивай нет они будут страдать хуйней изобретать - как запереть не запираемое
>Подбирать емкость конденсатора
ну не кретин ли а? заряди на сколько надо точнее разряжай когда нужная емкость накопилась
>Печь и мотор точно не надо настолько точно шимить.
рот закрой недоросль в промышлености это как раз и применяеца - 2 градуса не докрутил не догрел - пол тонны браку
>Скажи, что за 51 архитектура, как гуглить,
скажи честно ты долбаеб? а вспомнил гаусовщик
>>561229
ниче ненадо считать успокойся пердуинщик мигай светодиводами
Аноним 03/08/24 Суб 14:21:15 561248 673
17104058145740.mp4 93Кб, 320x240, 00:00:02
320x240
>>561237
А ты ПИДр-регулятор на 51 сможешь сделать?
Аноним 03/08/24 Суб 14:30:43 561250 674
>>561237
>поменяй полюс и выталкивай
Всё, я тебя понял. До свидания.
Аноним 03/08/24 Суб 15:26:26 561256 675
Аноним 03/08/24 Суб 17:37:44 561263 676
>>561250
слыш дебич почему по твоему после середины он не выталкиваеца?
потомучто приобрел полюс в каком работает катушка
посему ты меняеш на ней полюс и происходит выталкивание - главное чтобы вторая катушка намотаная до половины первой вовремя включилась как кстати и н+1 катушка и начала помогать это выталкивание втягивать
но еще раз для кретинов тиристр сцука медленый ключ ...
вообще надо гаусовку с "рельсом" вовмещать а имено сзади стоит камера с электродом в ней вода ее "поджгать" блядь дугой можно запилить цирконию и тогда вода помимо кипения начнет разлогаца проскочит дуга и ебанет ризонанс - вода сложица обратно нахуй главно в процессе электролиза побольше напхать тупо тепловой инергии можно до кучи предварительно чермет который ты пульнеш прератить в саплю - индукционым током вот на таких скоростях СТАРТОВЫХ гаусовка начнет работать
и никаих симисторов транзюки там тоже саснут - этойже саплей поджатой с зади давлением и камутировать разряд ебунячего кандюнцатора ствол керамический ламеля для сопли тоже вполне вероятно и катушки тоже - а че напихать в глину сирибра там меди можно на 3д принторе насрать заодно изоляторы с ебунячей кирамики на ламели модно и вольфрамия насрать - ебуняче сжать и нагреть до расплава карчи обжеч у меня на изоляторах такая ух бля кирамика белая нахуя для кирамики люминий можно цирконий взять... карочи у этой группы катушек отжирать тепло охлаждать водой и подготавливать ее - перегретый пар для лучшего дугообразования...
мы гаусовки еще хз когда думали - называюца БЛАСТЕРЫ плююца плазмой - конечно есть одна проблемка - чермет нагреваясь становица аморфным и магнитное поле не образуица блядж
посему в начале цикла необходимо его по возможности держать около точки кюри
можно в стержень запхать водородию жидкого блядж и клапан плавкий как только начали греть он чпокаица и водородий расширяясь задает доп ускорение до кучи чермет охлаждая - греть надо только снаружи - на ламелях тупица спецально чтобы доп дуга образовывалася и продолжала рабочее тело воду ...
а уже когда сопля вырвеца с ебунячей скоростью она сама об атмосферу нагрееца на таких скоростях она нагреица дахрина но на плоской земле не превратица в плазму - потомучто ебало ебало нахуй отарвет
Аноним 09/08/24 Птн 08:54:50 561496 677
если речь зашла про гаусс пушки, могу ли я задать пару вопросов про них? (отдельный тред с ними уже умер вроде как)

можно ли в качестве магнитопровода использовать болт? то есть, намотать медь на болт, просверлить в нём дыру диаметром ствола, и одеть этот болт на ствол?
09/08/24 Птн 11:02:47 561498 678
>>560591
поставь диод перпендикулярно резистору и открой для себя много нового
Аноним 09/08/24 Птн 11:17:12 561499 679
image.png 3Кб, 224x207
224x207
>>561498
всмысле паралельно?
какие чудеса должны явиться?
Аноним 09/08/24 Птн 16:02:19 561504 680
>>561496
>можно ли в качестве магнитопровода использовать болт? то есть, намотать медь на болт, просверлить в нём дыру диаметром ствола, и одеть этот болт на ствол?
1. Магнитопровод для гаусспушки должен быть снаружи катушки, а не внутри. Если ты засунешь в катушку железную трубку, а в неё снаряд - то силовые линии магнитного поля замкнутся через трубку, а через снаряд проходить не будут. Т.е. снаряд от них будет экранирован. Здесь нужен скорее не болт, а две крупных шайбы с торцов и отрезок толстой водопроводной трубы посередине.
2. Сплошные железные детали хорошо проводят магнитное поле, но убивают его внутри себя вихревыми токами. В них надо делать пропилы, набирать их из эмалированных полос, а в идеале вообще бодяжить стружку в эпоксидку.
Аноним 09/08/24 Птн 16:35:05 561506 681
>>561504
сам ствол - это графитовый стержень, снаряд я помещаю в него, а железная трубка лишь в части катушки
Аноним 09/08/24 Птн 16:39:37 561508 682
>>561506
Тебе же сказали, внутри катушки ферромагнитная должна быть только пуля, сердечник снаружи, что не понятно?
Аноним 09/08/24 Птн 16:45:30 561509 683
>>561508
ну я в эти мультяшные электромагнитные линии не особо верю если честно. просто замечал, что катушка с сердечником притягивает сильнее.
Аноним 09/08/24 Птн 19:15:45 561514 684
>>561509
Магнитопроводящее тело стремится залезть в область где магнитный поток через него будет максимальным, т.е. в область наибольшей магнитной напряженности. Если ты всунешь болт, то магнитный поток будет через него хуярить. Ты видел где-нибудь клапан или втягивающее реле, чтобы вокруг втягиваемого сердечника была такая хуйня, как ты написал?
Магнитное поле ведет себя электричество и формулы похожие, если ты хочешь отобрать от источника максимальную мощность в одну какую-то нагрузку, то ты подключаешь только её и делаешь короткие толстые провода, чтобы избежать просадки напряжения. Или у тебя источник идеальный и хуярит бесконечный ток с сохранением напряжения тогда ты можешь не заморачиваться и подключать к нему много. Так и тут, если у тебя катушка сверхпроводящая и на раз выдает дохуя можешь не заморачиваться и делать стальной ствол - достаточно (избыточно), чтобы за время разряда конденсатора катушка успела вогнать в насыщение и ствол и снаряд.
Аноним 10/08/24 Суб 00:36:30 561520 685
04.jpg 17Кб, 672x386
672x386
>>561509
>мультяшные
не тупи все они там есть
железо - магнитопровод лиш фокусирует поле - С ПОТЕРЯМИ на токи фуко блядж и прочими каками типа сохранения этого поля - не меняют доменя свою направленость моментально... но выше точки кюри -температура и прочих магнитных свойств - канкретного материала ты его один хуй не намагнитиш
пиздуй уже смотреть как та лягушка ливитирует
>>561514
клапана несколько другое там в задаче механическое ограничение - он упираеца...
видал пик - черное железо карасное медняк катушка в принторе матричном
>катушка успела вогнать в насыщение и ствол и снаряд.
остаточная намагниченость - к стенке примагнитит и пиздец и пока ты полюс не поменяеш притом пока не перемагнитиш ствол опятьже потери время посему нахуй ствол меняем поле только на снаряде - втягиваем катушкой до середины и меняем на ней полярность она начинает выпихивать а чтобы снаряд не перемагничивался вторая катушка вставленая до половины в первую поддерживает и тянет и тд
Аноним 10/08/24 Суб 07:37:55 561529 686
17232393914220.jpg 71Кб, 1128x678
1128x678
>>561520
Ты тот еблан с 51 архитектурой? Слышал о магнитомягких и магнитожестких материалах? Если ты вставишь туда магнит неодимовый, то он будет выпихиваться, если кусок гвоздя, то он перемагнитится быстрее, чем сперма попавшая к тебе в рот сделает тебя пидарасом.
На пике иллюстрация - синие полоски магнитное поле, где оно в принципе есть, желтые полоски - сильное магнитное поле внутри материала с высокой магнитной проницаемостью, розовым, как твоё очком после швабры, выделена область с наибольшей напряженностью магнитного поля - т.е. между магнитопроводящим корпусом и магнитопроводящей направляющей для иглы, стенка отверстия вокруг снаряда тонкая, она ослабляет магнитный поток, но слабо, возможно,она даже успевает уйти в насыщение за время импульса толкаюещего иглу. Всё по аналогии с источником электропитания: катушка - источник магнитного поля - источник энергии, тонкая стенка в области куда втягивается сердечник - резистор с сопротивлением много больше сопротивления источника питания (магнитный элемент насыщающийся при напряженности магнитного поля много меньшей напряженности, создаваемой катушкой в этой области) и сам сердечник - тоже резистор, но с сопротивлением сопостоавимым с сопротивлением источника питания, чтобы его загнать в насыщение катушке придется постараться или даже сгореть, пропустив через себя очень большой ток.
А всё потому что пыня позакрывала очень много интересных сайтов, остались только английские. Мы так скоро хуже банановой республики будем.
Аноним 10/08/24 Суб 14:24:26 561547 687
>>561529
я чет не понял ты че мне сейчас пытаешся объяснять как работает соленоид?
очнись мне за 40 и 30 я в теме и все эти гаусовки и прочая хуйня без задач пройденый этап

прекращалибы хуйней страдать и высралибы лучше клапан-плунжер под бензак - вот тут задач- применения хуева гора
Аноним 10/08/24 Суб 19:34:51 561556 688
>>561547
>прекращалибы хуйней страдать и высралибы лучше клапан-плунжер под бензак - вот тут задач- применения хуева гора
Сейчас бы инвестировать в электроклапаны ДВС когда глобошломо собирается запретить ДВС.
Аноним 10/08/24 Суб 22:02:42 561562 689
>>561547
Че ты хуйню тогда несешь? Стыдно должно быть для 40летнего двачера.
10/08/24 Суб 22:12:11 561564 690
>>561556
ога одни придурки уже спизданули что дроны это хуйня и ненужно а перед этим какбы между делом закрутили гайки в части малокубатурной мототехники фактически вырезав ее как класс ну а потом? правильна закупали шахедов...
у электричек тоже ниша есть но от двс еще долго не откажуца
тк он прост как 3 копейки притом если ты его теряеш а в некоторых задачах это само собой.. ты проебываеш не дорогущий литий а всеголиш пластиковую бутылку по энергоемкости елктричка вообще сасет с проглотом - у меня на матарошке 90кубов крейсерская 60-70 притом бака 3.5л -3килограма хватает на 200км - катить 90кг матарошка + я еще 70 моща чтото около 2х киловат
притом нет надобности в редкоземелье - ниодим и прочее для дрона можно вообще двиг одноразовый в усмерть фарсированый по массе -5часов ресурса за глаза - фактически используя то ебучее покрытие можно весь двиг сделать люминевым а двутактнику еще и грм ненужон кстати такие на шахедахгираньках и стоят...
но ебаный карбюляхтор все портит в 4т там еще куда ни шло а вот у 2т там бяда и непосредственый впрыск пиздец какбы не помешал но городить твд и прочее для малокубатурников это ебанутая затея
и мой тебе совет думай своей башкой а не чужой - сколько раз они уже обсирались ктамуже этой стране никакое ужасное глобошломо в ближайшие лет 50 не грозит а нефть и тотже газ лет на 300 разведаны
электричка конечно никуда не денеца и будет развиваца но и двс из своих ниш так просто не выкурят и он будет жить пока есть нефть
Аноним 15/08/24 Чтв 22:47:53 561775 691
суп алексгайверы, есть один dfplayer. я наговнокодил скетч, согласно которому после нажатия кнопки dfplayer должен проиграть рандомный файл с флешки. в принципе у меня получилось, но меня расстраивает тот факт, что между нажатием кнопки и проигрыванием трека проходит пауза. это можно как-то убрать? я бы хотел, чтобы трек начинал проигрываться еще до того, как я отпущу кнопку. проблема даже не в моем скетче, потому что если я ножку плеера замыкаю, то он все равно тупит перед проигрыванием.
Аноним 16/08/24 Птн 06:23:59 561783 692
Аноним 17/08/24 Суб 08:41:20 561827 693
>>561783
так я уже накатил. и файлы сконвертировал в pcm wav, как автор советовал в ответах где-то, типа несжатые быстрее проигрываются. все равно пауза большая, аж трясёт.
возможно, если отправить команду проиграть, и сразу поставить на паузу, то сработает, но я пока не проверял
Аноним 17/08/24 Суб 12:18:07 561838 694
Изображение Wha[...].jpg 127Кб, 1599x899
1599x899
Вкотился от нехуй делать.
Первая пайка. CH552 (клон интел 8052). Фломастер, перекись водорода, лимонная кислота, соль, жижа для вейпа, батин паяльник.
Arduino IDE.
Мигает оранжевым светодиодом и пишет матюки транслитом в ком-порт.
Аноним 17/08/24 Суб 12:49:00 561840 695
>>561838
Нормально ты меди стравил. 👍
Аноним 17/08/24 Суб 16:46:04 561853 696
>>561840
Ну, я делал это первый раз. И плата выглядит настолько говняно, что я не верил, что она заработает до тех по пока не нажал на выключатель.
Аноним 18/08/24 Вск 01:54:42 561872 697
>>561853
Надо тебе конденсаторы питания прямо на зелёную платку напаять для надёжности.
Аноним 18/08/24 Вск 08:51:50 561878 698
Аноним 18/08/24 Вск 11:32:17 561887 699
image.png 651Кб, 1218x728
1218x728
image.png 81Кб, 900x690
900x690
>>561872
Есть чуть-чуть другой план.
Чип ch552 это "проба пера" (ну точнее проверка собственой криворукости). По плану, если получится заставить работать ch552, то затем заменить на более дорогую и более мощную ch559, которая умеет в USB-хост.
То есть, если будет не лень, то выпаяю ch552 и на её место напаяю ch559 и буду играть в подключение клавиатуры. Конечная цель этого эксперимента - научиться передавать отправлять в UART нажатия клавиш стандартной компьютерной клавиатуры.
Итак, ch552, а ch559 уже в пути.
К чему это я? Конденсаторы на зелёной платке затруднят перепайку микросхемы. Поэтому решил разместить их чуть подальше.

>>561878
Спасибо за капельку дофамина.
Аноним 18/08/24 Вск 11:33:45 561888 700
>>561887
>Итак, ch552, а ch559 уже в пути.
ch552 заработала, а ch559 уже в пути.

быстрофикс
Аноним 18/08/24 Вск 12:16:21 561892 701
image.png 411Кб, 1371x453
1371x453
>>561887
Ну то есть хочу сделать аналог пикрила. Но дешевле чем та цена, за которую можно купить 4-ядерный одноплатник с гигом оперативки.
Аноним 18/08/24 Вск 14:18:53 561897 702
image.png 534Кб, 686x386
686x386
image.png 523Кб, 510x510
510x510
>>561892
https://www.youtube.com/watch?v=Th88RiSmj2w
Там братишка накодил систему из двух частей.
Первая часть это конвертер клавиатура -> uart на основе ch559 (или мышка, или джойстик или любой другой стандартный USB-HID).
Вторая часть что-то в ардуино, принимающая данные через uart от первой части, обрабатывающая это и отображающая результат на дисплее SPI.
Вместе первое и второе образуют микро-ПК, сделанный из говна и палок дешёвых ардуины и QFP-48 CH559L.
Я бегло глянул его код и кажется, что это легко адаптировать для SOP-20 CH559T. Разница в том, что у чипа QFP-48 два хоста USB и можно одключать клавиатуру и мышь (или два джойстика), а у чипа SOP-20 один хост и придётся выбирать что-то одно (либо клаву, либо мышь, либо джойстик). Там одна строчка в .h файле, задающая количество хостов. Инструкции по компиляции кажутся достаточно подробными.

Если получится, то битва Ардуино VS архитектура-51 закончится и они наконец-то поебутся.
Аноним 18/08/24 Вск 17:48:11 561914 703
>>561887
А программируется он по SPI или как? В чем пишешь-компилируешь?
Аноним 18/08/24 Вск 18:48:25 561920 704
Log360.PNG 131Кб, 1429x1321
1429x1321
>>558780
>Делал термометр на аттини13. Сначала по формуле в кельвинах 1/T = 1/298.15 + 1/3380*ln(R/10000).
>У аттини от такого издевательства скетч не влез в память, ибо подгружаемые макросы расчёта логарифма больно дохуя весят.

Блядь! Из-за тебя полдня нахуй потерял - пытался ебучие кусочные функции подобрать, а не надо было.
У Ардуины использование логарифмов занимает 360 байт и по 0,2 мсек на операцию.
Аноним 18/08/24 Вск 18:52:10 561921 705
image.png 180Кб, 1421x863
1421x863
image.png 859Кб, 750x445
750x445
>>561914
Программировать можно через usb, если припаять usb, или через uart, если припаять uart. В обоих случаях в винде это выглядит как ком-порт.
Пока пробовал в Arduino IDE lделать мигание светодиодом и матершинные слова.
Прошивать можно сразу из Arduino IDE.
И можно через фирменную прошивалку от производителя WCHISPTool. Прошивалка WCHISPTool позволяет прошивать и то, что скомпилено в Arduino IDE, и то, что скомпилено другими способами. Например прошивку BASIC-51, скомпиленную старым интеловским компилятором для оригинального чипа 8051 в 20 веке. Я пробовал и, к удивлению, это говно мамонта из 1980-ых запустилось на чипе, произведённом в 2024 году.
По ощущением это как если бы ты запустил голый MS DOS на ПК с i9-14900
Аноним 18/08/24 Вск 19:51:50 561925 706
>>561921
А нахуя тебе очередная клон-вариация 8051 от Ли Сунь Хуй?
Есть STM32, STM8, ESP32, среди тех же AVR тоже есть чего выбрать.
Аноним 18/08/24 Вск 20:10:28 561927 707
image.png 121Кб, 1024x601
1024x601
>>561925
usb хост прямо в чипе.

Ну а так спецификация CH559:
56 МГц, однотактовые инструкции, 64K Flash, 6 КБ RAM. Ядро в ардуино иде. Низкий порог вхождения.
И всё это в одной 20-ногой микросхемке. Плохо чтоли?
ATmega328P сосёт у 8051.
Аноним 18/08/24 Вск 20:40:39 561930 708
>>561927
>usb хост прямо в чипе
И чё? Чем тебя семейства STM32, STM8, ESP32 не устраивают? Там тоже есть чипы со встроенным юсб хостом.
>ATmega328P
Это устаревшее говно давно заменено на мегу32. И в семействе авр тоже есть чипы с юсб.
Алсо, у CH559 есть версия в tqfp48 корпусе, стоит столько же. Непонятно, нахуя брать огрызок с 20 выводами.
Учитывай, что новые вариации 8051 от Ли Сунь Хуев появляются каждый год, при этом старые имеют свойство пропадать в небытие. И каждый раз новые особенности, новые косяки и еррата.
В общем, ты какой-то поехавший.
Аноним 18/08/24 Вск 20:58:04 561931 709
>>561927
Специально глянул, у классических "авдуино"-авр есть аж два семейства с юсб, U2 и U4:
https://www.lcsc.com/datasheet/lcsc_datasheet_2304140030_Microchip-Tech-ATMEGA8U2-AU_C220848.pdf
https://www.lcsc.com/datasheet/lcsc_datasheet_2304140030_Microchip-Tech-ATMEGA32U4-AU_C44854.pdf
+дешёвые версии без юсб
И обрати внимание на современное семейство AVR32 (AT32) и его возможности.
Аноним 18/08/24 Вск 21:02:48 561932 710
>>561930
>Чем тебя семейства STM32, STM8, ESP32 не устраивают?
Тем, что я нихуя не понял, как там делать юсб. Такое ощущение, будто аутисты устроили соревнование кто сделает наиболее заёбистым способом ту вещь, которая должна быть простой и само собой разумеющейся.

>Непонятно, нахуя брать огрызок с 20 выводами.
Паять проще.

>Учитывай, что новые вариации 8051 от Ли Сунь Хуев появляются каждый год
Похуй. Когда придумаю себе другую задачу, тогда буду пробовать другие микроконтролеры. А сейчас этот. Эта вариация. Мне кажется он отлично подойдёт.
Вообще я не на заводе. Ты меня с кем-то спутал. Мне не нужны стабильные поставки одного и того же чипа крупными партиями в течение 10 лет.

>>561931
см. предыдущий абзац.
Аноним 18/08/24 Вск 21:15:56 561933 711
>>561932
>я нихуя не понял, как там делать юсб
Если не можешь в официальные референс-мануалы и аппноты, то в сети несложно найти гайды для даунов. В т.ч. даже реализацию юсб на чипах без встроенной юсб-периферии.
>Паять проще
В чём проблема? На али продаются такие же платы-переходники на дип даже для чипов с 48+ пинами.
>Вообще я не на заводе. Ты меня с кем-то спутал. Мне не нужны стабильные поставки одного и того же чипа крупными партиями в течение 10 лет
Если хочешь что-то изучать, то бери массовое, с большим сообществом. А не эти китай-выкидыши с неполной ерратой, с которыми знакомы 1.5 калеки. Такие чипы как раз предназначены для производства условных "говорящих хомяков", т.е. ебля с ними оправдана только если у тебя массовое производство, и ты можешь получить реальный профит от их дешевизны.
Аноним 18/08/24 Вск 23:25:12 561940 712
>>561921
Распиши вкратце, что за девайс на второй пикче.

>>561925
А не китайцы х51 производят ещё?
Аноним 19/08/24 Пнд 00:20:28 561945 713
>>561940
>Распиши вкратце, что за девайс на второй пикче
Я не он, фото отсюда:
https://www.dos4ever.com/8031board/8031board.html
>А не китайцы х51 производят ещё?
Конечно. Те же микрочип и СТМ выпускают кучу вариаций 8051.
Аноним 19/08/24 Пнд 02:18:20 561949 714
>>561933
>в сети несложно найти гайды для даунов
Ну вот и нашёл. Для ch559

>В чём проблема? На али продаются такие же платы-переходники на дип даже для чипов с 48+ пинами.
Да ни в чём. Взял и припаял 20 ножек.

> бери массовое, с большим сообществом
Ну я и взял массовую 51 архитектуру с большим сообществом.

В чём я не прав.
Аноним 19/08/24 Пнд 02:24:15 561950 715
>>561940
>что за девайс на второй пикче
Микрокомп с бэйсиком.
Немцы скуфы в позапрошлом десятилетии пилили до всех этих ардуинок. Щас куча сайтов от них осталось с подробными инструкциями что да как. Я так посмотрел, та же самая ардуинка, но более зрелая. А в 2022 они решили воскресить это дело на новых чипах да перевели в Ардуино ИДЕ.
Аноним 19/08/24 Пнд 03:58:36 561952 716
image.png 63Кб, 1003x482
1003x482
Аноним 19/08/24 Пнд 05:06:35 561953 717
image.png 343Кб, 800x465
800x465
>>561931
Это конечно очень хорошо, что существуют альтернативы. Альтернативы должны быть.
Но напаивать +100500 конденсаторов и резисторов только для того, чтобы оно прошилось и запустилось - я пока морально не готов.
Я и с двух то конденсаторов прихуел, когда фломастером рисовал однослойную плату.
Может быть когда-нибудь потом, когда научусь делать двуслойные платы.
Аноним 19/08/24 Пнд 07:52:16 561957 718
>>561950
Покидай ссылок, плиз.

Как там предлагалось программы хранить? На флешке в квадратной кровати?
Аноним 19/08/24 Пнд 08:10:45 561960 719
image.png 43Кб, 700x901
700x901
image.png 84Кб, 700x897
700x897
>>561957
>Покидай ссылок, плиз.
Вечером гляну что в закладках сохранилось.

>Как там предлагалось программы хранить? На флешке в квадратной
Не особо вникал, но похоже зависит от конкретного чипа. В книге по BASIC-51 подразумевается, что у читателя оригинальный 8051 с EPROM и программа сохраняется туда.
http://www.bitsavers.org/components/intel/8051/MCS_BASIC-52/270010-003_MCS_BASIC-52_Users_Manual_Nov1986.pdf
Аноним 19/08/24 Пнд 08:20:57 561961 720
>>561960
>оригинальный 8051
Оригинальный 8052 и старше (8058, 89C51 и т.д.).
фикс

У оригинального 8051 недостаточно памяти для хранения интерпретатора бейсика. Его прогать только на ассемблере или микро Си.
Аноним 19/08/24 Пнд 09:43:39 561968 721
image.png 201Кб, 1725x1080
1725x1080
image.png 1Кб, 256x50
256x50
Я наверно сейчас кого-то рассержу этим постом.
Купил на торренте IDE MikroElectronika из 2013 года.
Выглядит лучше, чем Arduino IDE в 2024 году.
Аноним 19/08/24 Пнд 09:50:35 561969 722
>>561968
Ну ты нашел с чем сравнивать.
Аноним 19/08/24 Пнд 10:31:50 561970 723
Аноним 19/08/24 Пнд 13:35:24 561977 724
image.png 313Кб, 1239x1156
1239x1156
>>561957
https://hakura03.hatenablog.com/entry/2019/03/30/115430
https://www.8051projects.net/
https://github.com/atc1441/CH559sdccUSBHost
https://hackaday.io/project/194587-single-chip-computer/details
https://github.com/WeActStudio/ch55xduino
https://bit.kuas.edu.tw/~8051/
http://janaxelson.com/files/microcontroller_idea_book.pdf
https://robotclass.ru/articles/ch552g-devboard-robotclass-roc/
https://www.dos4ever.com/8031board/8031board.html

Пикрил схема по которой делал. Япошка как-то больше доверия вызвал.
Аноним 19/08/24 Пнд 14:07:34 561978 725
>>561977
Спасибо, почитаю.
Аноним 19/08/24 Пнд 14:22:24 561979 726
Аноним 20/08/24 Втр 02:01:49 562025 727
Я сделал свой первый девайс. К сожалению, в нем не предусмотрена батарея, а прикреплять к нему павербанк или делать внутреннюю литий-ионную батарею я не хочу, так как боюсь пожара. Можно ли запитать ардуино от трех пальчиковых батареек? 4.5 вольт по идее должно хватать, это же почти пять
Аноним 20/08/24 Втр 03:16:49 562032 728
>>562025
Зачем ты спрашиваешь вещи, которые легко гуглятся?
Давай ты сам проверишь, если сомневаешься, и запостишь результаты проверки. Это был бы более интересный контент, чем твой вопрос.
Аноним 20/08/24 Втр 05:46:00 562033 729
Аноним 20/08/24 Втр 06:00:54 562034 730
>>562033
Всем нравится. Прекрасное изобретение. Но вопрос о батарейках.
Аноним 20/08/24 Втр 06:18:44 562035 731
>>562034
Для нестабильного напряжения рекомендую vin, но там не 5 вольт.
Аноним 20/08/24 Втр 08:56:06 562040 732
>>562034
Но батарейки хуже сетевого питания, их нужно менять!
Аноним 20/08/24 Втр 09:09:28 562041 733
>>562040
Раз нужно, значит нужно. Придётся.
Аноним 20/08/24 Втр 09:18:38 562042 734
>>562041
Сгорит твоя ардуинка нахуй от батареек.
Аноним 20/08/24 Втр 09:20:57 562043 735
>>562042
Значит таков путь.
Аноним 20/08/24 Втр 09:32:18 562044 736
>>562043
Ну что ж, если ты не хочешь внять гласу разума слушай сюда. От трех батареек работать будет, но не долго, меньше, чем от сети. Но есть ардуинки от 3.3 вольта работающие, а можешь пяти вольтовую взять, да и снизить тактовую частоту, отключить там что-то в периферии, вообще они до 1.8 вольта работают.
Аноним 20/08/24 Втр 13:46:23 562047 737
>>562044
>да и снизить тактовую частоту, отключить там что-то в периферии, вообще они до 1.8 вольта работают.
От снижения тактовой частоты сломается ардуиновский уарт, если не лезть в регистры. Хотя может быть уже сделаны "библиотеки# для этого.
Аноним 20/08/24 Втр 13:48:23 562048 738
>>562047
>если не лезть в регистры
Залезть в регистры проще, чем прицепить батарейку.
Аноним 20/08/24 Втр 14:51:53 562054 739
>>562048
Только если умеешь читать даташит, то ардуина со своим иде не нужна. А треб об ардуине, соответственно лезть в регистры как правило не вариант и снизить тактовую частоту малореально.
Аноним 20/08/24 Втр 16:01:44 562058 740
image.png 319Кб, 1358x511
1358x511
image.png 209Кб, 480x360
480x360
image.png 1Кб, 256x50
256x50
Аноним 21/08/24 Срд 17:50:49 562083 741
>>562058
Тогда надо 4 батарейки. А вообще можно на самой же ардуине buck boost собрать от одной батарейки. А запускать как мотор - подключением конденсатора. Или можно моторчик постоянного тока прикрутить, и его как ручной стартер для пуска.
Аноним 21/08/24 Срд 21:33:08 562096 742
>>562025
Какая ардуина? Если нано/уно, то можно её тилибонькать под ядром MiniCore, там есть поддержка 328p и можно настроить BOD на 1.8V, и перейти на внутренний тактовый 8 или 4МГц. Будет шуршать при питании 4,5 - 1,8 вольт. Но придется 1 раз перешить через SPI.

https://github.com/MCUdude/MiniCore
Аноним 21/08/24 Срд 22:22:00 562099 743
>>562083
Наверно, я уже не удивлюсь, когда предложат питать ардуину от ручной динамы. Бобёр... выдыхай!
Аноним 22/08/24 Чтв 00:07:42 562104 744
>>562096
Можно просто в AVRStudio программу нопейсать, нужные конфиг-биты, фьюзы выставить и загрузить в контроллер.
Аноним 22/08/24 Чтв 01:25:36 562107 745
>>562104
>Можно просто
Можно, если ты умеешь работать в авр-студио, опять же имеешь программатор, подробно изучил даташит и знаешь какие фюзы за что отвечают...

Мы ведь говорим про ананаса который не знает как запитать ардуину от батарейки?
Аноним 22/08/24 Чтв 10:22:58 562113 746
>>562083
>Тогда надо 4 батарейки.
Почему?
3 батарейки дают 4,5 вольт, которые можно конвертировать в 3.3 вольта тем регулируемым понижающим модулем и этого будет достаточно.
Не?
Аноним 22/08/24 Чтв 12:33:43 562127 747
>>562113
Тогда ему ардуина от 3.3 В нужна.
Аноним 22/08/24 Чтв 14:16:19 562136 748
>>562113
Этот модуль от 4,5 только-только запустится.
Для него лучше две базированные квадратные батарейки брать.
Аноним 22/08/24 Чтв 15:24:26 562139 749
>>562096
Нормальная штука, а нельзя эту фичу как-нибудь попроще включить, у меня про мини и esp8266, можно что намутить?
Аноним 22/08/24 Чтв 18:47:48 562143 750
>>562139
>как-нибудь попроще

Там вроде всё ультрапросто. В 2 клика установил ядро миникор, прицепил SPI программатор (например USBasp по цене доширака) и всё. Выбираешь в менюшке бод, источник, частоту, какой юарт на сериал и кайфуешь.

Конкретизируй в чём сложность.
Аноним 23/08/24 Птн 15:25:03 562167 751
>>562143
>прицепил SPI программатор (например USBasp по цене доширака)
В этом. Можно прошивку какую на esp8266 накатить, чтобы она программатором стала?
Аноним 23/08/24 Птн 19:31:06 562176 752
>>562167
По вайфаю программировать собрался?
Аноним 24/08/24 Суб 09:44:11 562191 753
1.jpg 415Кб, 1920x1050
1920x1050
Аноним 25/08/24 Вск 16:08:56 562249 754
>>562176
Вторым контроллером, ёпта.
>>562191
Да, я про это и говорил.

Попробую отпишусь, кароч))))
Аноним 25/08/24 Вск 19:44:06 562259 755
>>562249
У 8266 ног не хватит, лол.
Тем более, он шьётся через UART, а не SPI.
Аноним 25/08/24 Вск 20:45:38 562262 756
>>562259
Всё там хватит, гуглятся куча топиков у бургов по превращению 8266 в ISP-программатор страндартным скетчем Arduino ISP.

Кроме того, у ядра генерик 8266 есть свой стандартный скетч AVRISP, там на скрине ниже по спискам его видно.
Аноним 25/08/24 Вск 21:04:41 562263 757
>>562262
Хорошо. Но зачем, если готовый программатор стоит джва бакса?
Аноним 25/08/24 Вск 21:26:27 562267 758
>>562263
Этого я не знаю. Я ему сразу сказал - купи USBasp. Видимо у анона приступ творчества, не осуждаю.
Аноним 26/08/24 Пнд 06:19:34 562281 759
Аноны, хочу автоматизировать что-то в сельском хозяйстве с помощью DIY-электроники. В какую сторону копать?
Аноним 26/08/24 Пнд 07:54:41 562283 760
>>562281
>В какую сторону копать?

В эту. Порог вхождения на уровне "школьник прочитавший по диагонали си для чайников".
Аноним 26/08/24 Пнд 09:00:18 562286 761
>>562281
что конкретно ты хочешь автоматизировать? пробовал сначала гугл?
Аноним 26/08/24 Пнд 09:08:24 562287 762
>>562283
>си для чайников
Веб-анальник, ты? Во-первых, си плюс плюс а не си. Во-вторых, там учебник по электротехнике надо знать (и понимать как применять эти знания), иначе даже без всяких андифайнд бихевиоров чудеса твориться будут.
Аноним 26/08/24 Пнд 10:55:43 562292 763
>>562267
>>562263
Вы, должно быть, москвичи, если вам два бакса не деньги?
Аноним 26/08/24 Пнд 11:10:11 562296 764
>>562292
За удобство и отсутствие соплей почему бы и не заплатить два бакса?
Аноним 26/08/24 Пнд 11:39:57 562299 765
что такое напряжение на пине? типо в самом процессоре есть какой то резистор, подключенный к нашему пину, и падение напряжения на этом резисторе соответсвтует напряжению на "пине" ?
Аноним 26/08/24 Пнд 11:42:15 562300 766
>>562299
Транзисторы в проце замыкают пин на землю или питание.
Аноним 26/08/24 Пнд 11:44:01 562301 767
>>562300
может замыкают, может нет. Что такое напряжение на пине?
Аноним 26/08/24 Пнд 12:48:00 562304 768
>>562300
падения напряжения измеряется на этом транзисторе? там встроенный вольтметр в процессоре?
Аноним 26/08/24 Пнд 14:52:25 562313 769
>>562301
>>562304
Я вообще не понимаю что ты спрашиваешь.
Аноним 26/08/24 Пнд 15:12:21 562315 770
>>562313
как ардуино понимает какое напряжение у неё на пине? как она его измеряет? и где именно? есть какие то две точки, относительно которых измеряется напряжение и выдаётся за напряжение одного из пинов?
Аноним 26/08/24 Пнд 15:19:30 562317 771
image 420Кб, 1920x1080
1920x1080
image 20Кб, 844x740
844x740
>>562315
Ты про ADC? Если про него, то внутри есть опорный источник относительно которого измеряется напряжение. Но ты можешь и своё напряжение подать на AREF пин, на atmega328p это 20й пин на пике, например.
Если ты хочешь ебануться в край и понять как оно на более низком уровне работает, вот тебе пик 2 и статья https://www.arnabkumardas.com/arduino-tutorial/adc-register-description/
Аноним 26/08/24 Пнд 15:27:11 562319 772
>>562317
Я имею ввиду цифровые пины. Я просто каким то образом считываю состояние транзистора внутри процессора? если транзистор открыт, то считается что напряжение HIGH, если закрыт, то LOW, так?
Аноним 26/08/24 Пнд 15:47:04 562321 773
image 44Кб, 887x167
887x167
Аноним 26/08/24 Пнд 16:00:27 562323 774
image 63Кб, 777x719
777x719
>>562321
>>562319
В том документе на 59 странице можешь искать ответ на свой вопрос.
Пикрил схема одного пина.
Аноним 26/08/24 Пнд 17:53:47 562325 775
>>562296
Этим и отличаются зажравшиеся богатеи от простолюдинов. Вы можете себе позволить платить за удобство. А я на эти два бакса лучше еще одну ардуину куплю, которую я смогу перепрошить еще 10000 раз (примерно). А программатор мне будет больше не нужен.
Аноним 26/08/24 Пнд 20:27:51 562333 776
>>562325
Да уж, лучше городить на соплях, иметь больше соединений и тратить на это целую плату с пердуиной, которая тоже стоит джва бакса.
Ладно бы ты бухтел, если бы я тебе оригинальный отладчик у Атмел предложил купить.
Я вон вообще в юности для параллельного порта приблуду паял и через ПониПрог шил и ничего, живой, здоровый.
Аноним 26/08/24 Пнд 21:24:06 562336 777
>>562325
>А программатор мне будет больше не нужен.
Так в программаторе внутри атмега, та же ардуина по сути. Как раз из программатора по типу usbasp удобно делать простенькие устройства с управлением по usb.
Аноним 26/08/24 Пнд 21:53:55 562337 778
>>562336
Точно Атмега? И даже от записи не защищена?
Аноним 26/08/24 Пнд 23:16:57 562340 779
>>562337
На китайской залупе за джва бакса точно атмега и точно никаких защит.
Аноним 26/08/24 Пнд 23:19:09 562341 780
>>562340
Забавно. На залупе в алюминиевом корпусе тоже?
Аноним 26/08/24 Пнд 23:41:04 562344 781
05.jpg 34Кб, 400x300
400x300
>>562325
>А программатор мне будет больше не нужен.

Это ты щас так думаешь, а потом прикупишь горсть голых камней и понадобится.

>>562333
ммм... параллельный... ммм... понипрог... pic16... 12 вольт на ресет...
Тоже вспомнил молодость.
Аноним 27/08/24 Втр 09:47:07 562367 782
>>562344
Да.

Лошадь, которая стирает и шьёт.
Аноним 27/08/24 Втр 14:32:06 562372 783
>>562344
Когда я смогу себе позволить горсть голых камней, тогда я и куплю программатор.
Аноним 27/08/24 Втр 14:33:11 562373 784
>>562333
>через ПониПрог шил и ничего, живой, здоровый
Ты сидишь на дваче, друк))))
Аноним 27/08/24 Втр 18:58:15 562380 785
>>562372
Если использовать чайный пакетик по 3-4 раза, то за месяц скопишь 150 руб. на программатор. Годный бизнес-план, рикаминдую )
Аноним 27/08/24 Втр 20:19:02 562386 786
image.png 28Кб, 1032x415
1032x415
почему нот воркинг? каждая кнопка срабатывает только 1 раз...
Аноним 27/08/24 Втр 20:44:49 562387 787
Аноним 27/08/24 Втр 20:48:04 562388 788
>>562386
Ну как минимум ты для millis() делаешь ==, а если проскочит на 1мс то всё. Никогда не сработает. Делай >=
Аноним 27/08/24 Втр 21:53:30 562394 789
>>562388
А как он может проскочить? Он же сотни тысяч раз в секунду сравнивает
Аноним 27/08/24 Втр 21:59:43 562395 790
>>562394
Один вызов delay() или Serial.write() в любой части кода и пиздец тебе. Пока они не выполнятся, твой loop() вы незовется.
Аноним 28/08/24 Срд 01:19:08 562402 791
>>562394
При старте контроллера вполне успеет проскочить, пока бутлодер пропёрдывается, а системный таймер тикает. А следующий раз таймер в режиме миллис совпадет с твоей переменной через 50 суток (если это пердуиноборда на 16МГц). Делай >= как сказали.

И тип переменной должен иметь соответствующую размерность, например uint32_t
Аноним 28/08/24 Срд 01:23:37 562403 792
>>562386
Прерывания надо, а не это вот всё.
Аноним 28/08/24 Срд 01:34:15 562404 793
>>562403
Прерывания тут ни при чём, это вот всё ему нужно для режима hold, чтобы переменная Mode тикала вверх/вниз при удержании кнопки.
Аноним 28/08/24 Срд 08:27:56 562409 794
image.png 217Кб, 1402x688
1402x688
в первом случае на аналоговом пине будет 255, а во втором случае 255/2, так?
Аноним 28/08/24 Срд 08:51:55 562411 795
>>562404
ну я так то просто дребезг убирал
Аноним 28/08/24 Срд 08:53:17 562412 796
>>561968
А ардуину ей можно прошиивать?
Аноним 28/08/24 Срд 08:55:14 562413 797
>>562380
Ну, я как бэ березовые листья собираю и их звавариваю, так что у меня уже экономия всяко больше 150 руб и я все еще не могу покупать ардуино горстями.
Аноним 28/08/24 Срд 08:58:04 562414 798
Аноним 28/08/24 Срд 09:02:25 562415 799
Аноним 28/08/24 Срд 10:07:48 562420 800
>>562409
Да, только не 255, а 1023. Там 10 бит АЦП.

>>562411
Как-то мудрёно ты это сделал. У каждой кнопки своя переменная для проверки времени. Не экономно. Ну работает и ладно.
Аноним 28/08/24 Срд 10:10:20 562421 801
>>562413
Неплохо, импортозамещение в действии. А самокрутки из них вертеть можно?
Аноним 28/08/24 Срд 10:27:24 562422 802
>>562411
А мог конденсатор поставить параллельно.
Аноним 28/08/24 Срд 10:27:59 562423 803
>>562420
почему нельзя уменьшить напряжение в первом случае, просто повышая номинал резистора?
Аноним 28/08/24 Срд 10:31:16 562424 804
image.png 5Кб, 590x285
590x285
почему например тут уменьшается падения напряжения на светодиоде при увеличении наминала резистора, а на пине ардуино нет
Аноним 28/08/24 Срд 10:46:29 562425 805
>>562423
Потому что внутри АЦП есть волшебный конденсатор очень маленькой ёмкости, который через ключ подвешен на пин и заряжен до напряжения, присутствующего на пине.
При измерении напряжения, этот конденсатор через другой ключ разряжается до условного нуля, и пока он разряжается в ацп тикает таймер.
Число которое таймер натикал и есть оцифрованная величина напряжения на пине.
Не важно какое сопротивление будет у резистора в первом случае, волшебный конденсатор успеет зарядиться до VCC.
Аноним 28/08/24 Срд 10:50:16 562426 806
>>562422
Конденсатор - не панацея. Он в процессе дребезга будет плавать в районе переключения логического уровня и может позволить пару лишних срабатываний. Способ не надежный. Погугли устранение дребезга триггером Шмидта, там поясняют почему просто конденсатор не катит.
Аноним 28/08/24 Срд 10:50:58 562427 807
>>562425
приму как факт бытия, понять это я не смогу
Аноним 28/08/24 Срд 10:52:35 562428 808
>>562426
о, я как раз в общем треде спрашивал, чем тригер шмидта лучше компаратора?
Аноним 28/08/24 Срд 14:19:22 562442 809
>>562426
Ну, триггер Шмидта это понятно.
Аноним 28/08/24 Срд 14:19:56 562443 810
Аноним 28/08/24 Срд 16:12:56 562449 811
>>562421
Конечно да! И жопу вытирать тоже, после чай и самокрутки нажористее.
Аноним 29/08/24 Чтв 02:40:57 562487 812
image.png 25Кб, 611x389
611x389
image.png 7Кб, 327x239
327x239
>>562412
Не проверял конкретно этот вариант. Но скорее да, чем нет.
Можно было по ради рофла попробовать программировать ардуинку бэйсиком или паскалём.
Аноним 29/08/24 Чтв 07:07:08 562503 813
>>562427
Видимо я не правильно понял твою проблему и объяснял не то что нужно. У тебя проблема не с пониманием устройства АЦП, а с пониманием закона Ома для участка цепи (учебник по физике 8й класс).

Падение напряжения на резисторе обусловлено не только величиной его сопротивления, но и величиной тока протекающего через этот резистор.
Если ток через резистор не протекает, или он пренебрежимо мал (например из-за очень очень высокого входного сопротивления канала АЦП), то и падение напряжения на резисторе будет незаметным.

Если в первом случае повысить сопротивление резистора до величин сопоставимых с входным сопротивлением АЦП, то на резисторе возникнет заметное падение напряжения.
Но при таких номиналах, твой резистор и кусок провода соединяющего его с контроллером, превратятся в вайфай антенну и будут ловить соседский интернет, микроволновку тёти Клавы и реликтовое фоновое излучение вселенной )
Аноним 29/08/24 Чтв 07:45:50 562507 814
>>561968
Прикольно. Никогда не слышал про такое.
Какие плюсы и минусы?
Аноним 29/08/24 Чтв 07:54:19 562508 815
>>562507
У зумерков бомбит, когда кодишь не на Си.
Аноним 29/08/24 Чтв 08:13:33 562510 816
>>562508
Но там С на скрине.
Я имел ввиду, чо там по поддержке камней, есть ли отличия в написании кода от той же АВРСтудио и т.д.
Аноним 29/08/24 Чтв 08:25:55 562512 817
>>562510
Особых отличий нет. Точно так же нажимаешь кнопки на клавиатуре и на экране появляются буквы.
Аноним 29/08/24 Чтв 10:11:55 562513 818
>>562512
Окей. Услышал тебя.

В чем плюсы-то?
Аноним 29/08/24 Чтв 12:08:12 562517 819
>>562513
можно кодить на паскале и бейсике, чтобы у зумерков бомбило
Аноним 29/08/24 Чтв 12:25:55 562518 820
>>562517
Я, кстати, сиранул с того, что у FTDI на сайте для FT232H половина примеров под Делфи написана.
Аноним 29/08/24 Чтв 13:21:43 562524 821
>>562518
у дельфы свои плюсы но только под виндой
а сам паскаль не хуевый язык фактически таже синятина
можно срать не снимая свитер а контролеры на бейсике это еще до кучи не снимая штанов
Аноним 29/08/24 Чтв 14:21:28 562526 822
>>562524
Так она же умерла. И не умела в виндовые темы интерфейса.
Аноним 29/08/24 Чтв 15:20:41 562530 823
>>562526
>Так она же умерла
С хуя ли? Живее всех живых. 12.1 версия в марте 2024 вышла.
Кстати, я ещё 12-13 лет назад в ВУЗике говнокодил на делфи под андроид. После вузика, правда, ни разу к делфи не прикасался за ненадобностью.
Аноним 29/08/24 Чтв 20:08:00 562541 824
IMG202408292001[...].jpg 1938Кб, 4000x3000
4000x3000
Незнаю, может на фотке и не так заметно, но почему то на четырёх разрядом семисегментнике немного подсвечиваются светодиоды, которые подсвечиваться не должны. Аноды подключал напрямую (через сдвиговый регистр), а четыре катода поставил через резисторы. Проблема в этом?
Аноним 29/08/24 Чтв 20:34:54 562542 825
image.png 7Кб, 561x153
561x153
image.png 44Кб, 1361x597
1361x597
этот плавающий долбаёб неумеет считать? или это я не умею считать? некоторые числа читает нормально (почти все), но вот к примеру 99 он читает как 0199, то есть на второй итерации, вместо 0 пишется 1. Написал то же самый код на си через онлайн компилятор, получил 99 как и должен был
Аноним 29/08/24 Чтв 20:40:04 562543 826
>>562541
имено надо 8 резюков
Аноним 29/08/24 Чтв 20:49:01 562545 827
Аноним 29/08/24 Чтв 20:51:38 562547 828
>>562545
>возвращает
Извините, возвращает double, но принимает float.
Аноним 29/08/24 Чтв 20:54:06 562548 829
image.png 4Кб, 630x75
630x75
>>562547
всё подряд заинтил, непомогло
Аноним 29/08/24 Чтв 22:18:33 562549 830
>>562548
Это тут не при чем, оно в любом случае неявно приводится к типу аргумента функции. Там же не _Generic из С11.

В любом случае, не советую использовать pow, если у тебя аргументы целые числа. Тип int тоже сомнителен, т.к. он не везде одинаковый диапазон значений имеет.
Аноним 30/08/24 Птн 08:22:27 562558 831
>>562542
Как программируют люди незнающие математику:
Качают библиотеку и подставляют числа в готовые функции

Как программируют люди знающие математику: чо то выдумывают, кряхтят пыхтят, тратят кучу времени и сил
Аноним 30/08/24 Птн 08:52:26 562559 832
>>562558
Да в этих библиотеках хуй проссышь, чего понаписано.
Аноним 30/08/24 Птн 09:07:19 562561 833
1.png 66Кб, 1377x718
1377x718
>>562542
Зачем тебе pow вообще. Выверни задачу наизнанку и наслаждайся.

В цикле вместо i = 3 лучше написать i = sizeof(display) / sizeof(display[0]) - 1;
Аноним 30/08/24 Птн 09:23:05 562564 834
>>562561
понял, насладился
Аноним 30/08/24 Птн 12:45:03 562569 835
>>562487
Так мой вопрос и заключался в том, чтобы прошить, не avr по spi, а arduino по uart.
Аноним 30/08/24 Птн 13:09:20 562570 836
04.jpg 25Кб, 701x169
701x169
04ы.jpg 93Кб, 778x529
778x529
>>562561
во как надо - высирает на 4х разрядный индикатр через сдвиговый регистр
>>562569
надо даташит курить там все написано лепиш свой погроматр и щъеш ну или не лепиш если твой это поддерживает
заебал авр и пердуина это какжепа и палец есть канкретная архитектура канкретного камня от нее плясать и надо
а то как ты уже будеш высирать ети нули и еденицы на канкретные ноги канкретного камня часности
хоть через сраку своей мамаши
Аноним 30/08/24 Птн 13:15:19 562571 837
>>562569
Так это от камня зависит, как его можно шить.
Аноним 30/08/24 Птн 13:18:25 562572 838
04.jpg 6Кб, 439x53
439x53
>>562561
кстати ридешная иде на которой я просидел 15лет от такой записи глючила
вообще некоторые кампилятры имеют свои заскоки кеил на который перекатился не периваривает знаковость перед типом при объявлении
Аноним 30/08/24 Птн 13:33:53 562573 839
>>562561
Ещё добавь строчку, заменяющую незначащий ноль пустым знакоместом и будет ваще заебок.
Аноним 30/08/24 Птн 17:20:50 562587 840
Аноним 30/08/24 Птн 22:12:43 562606 841
VID202408302205[...].mp4 34446Кб, 1920x1080, 00:00:13
1920x1080
Собрал, осталось понять нахрена и главное зачем
Аноним 30/08/24 Птн 22:34:35 562607 842
Аноним 30/08/24 Птн 22:41:33 562608 843
>>562606
осталось научица ужимать видосы - 34метра 13секунд?
да даже если там твая мамаша пиздятину на весь экран вывалит
Аноним 31/08/24 Суб 02:25:24 562613 844
компьютер Львов[...].png 848Кб, 686x686
686x686
А подскажите, мне надо с двух MEMS-микрофонов брать PDM сигнал и его фильтровать обрезая низы и верхи и потом ещё сделать из него FFT-водопад

Это мне лучше всего какую микросхему взять?
Аноним 31/08/24 Суб 08:45:37 562618 845
>>562606
>нахрена и главное зачем
Для саморазвития небось.

Теперь добавь код, который преобразует value в значение напряжения 0,00 - 5,00, например функцией map.
А в 4е знакоместо пихни константу с символом U или u.
Аноним 31/08/24 Суб 15:44:29 562626 846
1498841155011-0.png 137Кб, 512x512
512x512
Есть у кого модельки AVR камешков для sPlan?
Аноним 31/08/24 Суб 16:42:36 562628 847
>>562618
Хорошо Тайлер Дерден
Аноним 31/08/24 Суб 21:02:55 562633 848
бездна2.mp4 6710Кб, 640x360, 00:02:10
640x360
пердуинщики а вы считаете свои поделия?
>>562613
микарафоны 2? тое ты решил стеревуой определять направление и растояние интересующего тебя обекта?
обрезать низы верхи - если частот то фильтра на кондюках резюках если важна избирательность один кондюк можно заряжать...
опятьже смотря что за сигнал ты собрался маниторить ну например кавадракоптир - звуком? вполне допустимо когда по радиво частоте проебали и тут уже бахнуть так бахнуть плопным облаком шрапнели чтобы отбить ни только винты но и постараца повредить ...
здесь я вижу датчиг типа сильфона - легкого шарика лавсания - линзы звуковой? в фокусе которой игла дрочит пьезоэлемент...
нахуй кондюнцаторы когда можно да палюбому тама памехи...
карочи
микарасхемы нуууу смотри в сторону операционных усилителей на который и будет настроена канкретная RC цепь...
можно проще через кампаратр но "грубее" опятьже что пытаемся услышать?
дождь? тут широкополосность нужна...
хз вот если тиоретически если я буду ждать...
говорят в маскве кур доят и используют доплира тое микарафоны уже разность сигналов высирают точнее датчиги движения в сигналках
но там ик
замечен интересный ефект - у меня стоит вентилятр от ерадрома не особо тои далеко ну может 10 км карочи он издает вентилятр блядж равномерный поток воздуха и когда они там начинают вращать свои турбины в его работе - вентилятораже блядь появляюца левые составляющие - ну естествено звуковой полосы а то длядж как бы я это услышал
скажу больше ониреально хохлы заебали...
конечно вылитя слышу раньше - онреб включают - испипиляторы если ты не на той частоте ты мертвый нахуй
я даже драчить типерь по часам научился... еще нет но я стараюсь а хуля они запускают эту залупу?

микарасхема хм
тут дело не вмикросхеме можно и время считать до определенного момента а потом если хочеш точности приходица считать частицы за время тут целое блядж диф уравнение предварительного расчета...
ох уж эта алгебра с тригонометрией за 10-11класс

хз скока там дроны жужат но если считать время между взмахами крыльев комара - ога тот самый анекдот про толщину его хуя этого самого комара... иногда проще сосчитать количество взмахов за канкретное время...
ну если 8кгц точнее до
ябы 393 кампаратр бы применил
смотрел бы им частоту 2 прерываниями и по очевидному различию искал бы механически центр наименьшего различия
Аноним 31/08/24 Суб 21:30:51 562634 849
04.jpg 95Кб, 630x633
630x633
>>562618
>Теперь добавь код,
пускай уж сразу считает пишет функчию 8элементный на 8 разрядов на 2х 74ас299 - помогает когда с ногами напряженка 2ноги на данные одна на строб всего 3 ноги микаракантролира
Аноним 31/08/24 Суб 23:15:28 562637 850
04.jpg 25Кб, 358x265
358x265
01.mp4 1230Кб, 640x480, 00:00:17
640x480
02.mp4 669Кб, 640x480, 00:00:04
640x480
03.mp4 978Кб, 640x480, 00:00:17
640x480
>>562606
почему гавно? потомучто ты строб просираеш
индикатр должен выглядеть как индикатр а не как гавно в самом худшем случае допускаеца когда жуеш кириешку-сухарь отдельные регисторы слегка перемещаюца относительно физического линии рядного расположения

1почему 4 резистора хуйня 2почему там надо доп ключи мощнее чем выход порта
3все таки нахуя эти 8 резисторов?
1 потомучто как правило порт контролира это 40мампер 5 вольт у 3.3 вольта питания еще плачевней допустимая мощность - ты собрался 8элементов разом насколько помню все жрут от 5 и то ик в оптронах а светики от 10милиампер а чтобы его в солнечный день на солнце все от15мампер а порт 40 всего и как он их все 8 вытянет?
очевидно и происходит эта залупа - когда допустим цифра 1 - два элемента из 8 горят они жрут 2х15=30мампер и порта на 40 хватает но когда 3или8 тое 5х15=75мампер и порт это уже не тянет и похуй на резюк - САМ ПОРТ НЕ ВЫТЯГИВАЕТ
посему либо ищица оранжевый индикатр мало потребляющий - менее условных 40/8мампер либо ставяца ключи тянущие больше чем 15х8 - большинство регисторов сдвига в это умеют
и вот здесь становица пынятно нахуя 8резюков на элемент - поскольку с низу тянет и 150мампер отдельному светодиводу при рабочем токе 15ма незачем так излучать с таким током ему может и поплахеть посему резюк и ограничивает ток
также необходимо отдуплить такой параметр как скорость гашения пикселя и впоймав его в стробе можно дергать яркость
пиздец очко возгарелось я дажи камиру на гифоне перекинул
да за сдвиговый регистр приходица платить - желтый индикатр - видно как стробы мигают но там мне пришлось заводить строб регистров в тамир который считает пилогенератр
на зиленом там весь 1порт - 8ног занят под сегменты без резюков там строб одного регистра-8сегментов занимает... блядь камуто это надо? канкретная цифра? скажу проще он быстрее чем на желтом
если интересуют куски кода посещай мой тред шаз там пока двигатель но появица и индикатр на 2х 74ас299
Аноним 01/09/24 Вск 00:35:49 562638 851
Хуя тут древнее шизозло пробудилось.
Аноним 01/09/24 Вск 06:59:00 562641 852
Изображение Wha[...].jpg 264Кб, 1200x1600
1200x1600
Китайцы пиздоглазые.
Не написали ни в даташите, ни в схемах, что ресет надо заземлять через резистор, чтобы оно вообще могло хоть как-то прошиться.
А я все выходные ебался, думая что это я настолько рукожоп.
CH559T
Аноним 01/09/24 Вск 07:11:50 562642 853
>>562641
Теперь понятно почему серия ch55x не взлетела.
Аноним 01/09/24 Вск 09:43:59 562647 854
11.GIF 82Кб, 1486x1742
1486x1742
12.jpg 660Кб, 1920x1080
1920x1080
Тоже упоролся регистрами. У тиньки не хватило ног чтобы дергать 12 катодов, решил всё шифтануть, и сегменты и катоды.
Теперь столько лишних пинов - хоть в жопу запихивай. Даже не стал вешать кнопки на регистр
Аноним 01/09/24 Вск 09:51:11 562648 855
>>562641
Все даташиты строго на китайском?
Аноним 01/09/24 Вск 09:57:59 562649 856
>>562648
Есть переведённые с китайского на английский. Я делал по переведённым.
Аноним 01/09/24 Вск 10:12:49 562650 857
>>562649
Ок, а то я нагуглил только кетайские. И смотрю вроде они не сказать чтобы дешевые, при такой цене можно и блюпил с ARMкой взять.
Есть какая-то экономическая целесообразность или это ситуативный вариант?
Аноним 01/09/24 Вск 10:26:22 562651 858
Изображение Wha[...].jpg 150Кб, 899x1599
899x1599
Нарисовал схему, которая работает.
На форумах не зареган, так что не знаю, куда постить и где обсуждать.

>>562650
Они простые как атмеги.
Они умеют в USB искаропки.
Конкретно мой вариант умеет в USB Host (теоретически; пока не проверял на практике) и стоит 135р с бесплатной доставкой.
Собсно интересует USB Host.
Шилд USB Host для ардуины стоит 300 и там ебучая QFP48.

А чё про блюпилы? Сколько стоит блюпил с USB Host?
Аноним 01/09/24 Вск 10:35:57 562652 859
>>562651
>А чё про блюпилы? Сколько стоит блюпил с USB Host?
Примерно столько же и тоже юсб на борту.
Аноним 01/09/24 Вск 10:37:10 562653 860
>>562652
Есть ссылка на алишечку/чипдип или ключевые слова для гуглинга?
Аноним 01/09/24 Вск 10:39:15 562654 861
>>562651
А чё схема? Ну камень подключен к питанию, кнопочка, светодиод - чё обсуждать?
Перевёрнутый ресет это лул.
Аноним 01/09/24 Вск 10:40:30 562655 862
Аноним 01/09/24 Вск 10:42:57 562656 863
133e875430de3f6[...].jpg 282Кб, 1560x1102
1560x1102
Аноним 01/09/24 Вск 10:52:50 562657 864
Изображение Wha[...].jpg 106Кб, 905x654
905x654
>>562654
Ну просто когда я пытался делать по китайским схемам, нихуя не заработало.
У других людей, которые пытались делать по китайским схемам, наверняка тоже не заработало.
Это важно.
Пикрил оригинальная китайская схема, которая якобы должна работать и с микросхемой L, и с микросхемой Т. А на самом деле работает только с L.
Есть ещё пара китайских схем. Они тоже работают только с L.

>>562655
>>562656
Спасибо. Посмотрю на досуге.
Кстати, у меня есть такая. Только я пока не понял как из неё делать юсб хост. Вроде гуглится, но там где нагуглилось - сложно и непонятно.
Аноним 01/09/24 Вск 11:25:20 562659 865
142835943268.jpg 49Кб, 566x706
566x706
>>562638
Иногда оно почти просыпается, что-то невнятно бормочет, кого-то ругает, а потом снова уходит в спячку.
Аноним 01/09/24 Вск 15:24:59 562668 866
image.png 380Кб, 1361x515
1361x515
image.png 405Кб, 600x339
600x339
>>562655
>>562656
Я попытался снова понять как сделать недорогой USB Host из блюпил. И снова потерпел фиаско.

https://controllerstech.com/usb-cdc-device-and-host-in-stm32/
>Для целей Host я буду использовать STM32F411 DISCOVERY Board, а STM32F103 использовать в качестве Device. Оба микроконтроллера смогут общаться друг с другом, используя USB, подключенный между ними.
Аноним 01/09/24 Вск 16:03:01 562671 867
image.png 186Кб, 656x478
656x478
image.png 176Кб, 562x450
562x450
image.png 597Кб, 686x386
686x386
Я к тому, что в ихней КубеИДЕ для 300-рублёвого STM32F411 DISCOVERY есть варианты выбора Хост или Девайс.
А для 100-рублёвого блюпил нет выбора, а только девайс.
Просчитался. Но где?

>>562668
Аноним 01/09/24 Вск 16:24:37 562673 868
image.png 499Кб, 460x460
460x460
image.png 72Кб, 946x410
946x410
>>562671
Нашёл только это: некто Дима запилил софт хосты из всяких-яких из STM32F103, из esp8266, из esp32 и дрочит тайминги самодельным анализатором, сделанным из микросхемы CY7C68013A, которая является более дорогим аналогом ch559.
https://github.com/sdima1357?tab=repositories
https://habr.com/ru/articles/548020/

То есть вместо того, чтобы использовать по назначению микросхему хоста, Дима делает хосты из тех микросхем, которые для этого не предназначены.
Ну, хобби у человека такое, понимаю.
Аноним 02/09/24 Пнд 10:23:23 562720 869
image.png 18Кб, 585x257
585x257
создание вкладки в ардуиноIDE равносильно созданию файла bye-bye.cpp и подключению через include <bye-bye.h> ?
Аноним 02/09/24 Пнд 10:25:58 562721 870
*bye-bye.cpp
Аноним 02/09/24 Пнд 16:03:28 562742 871
1000014821.mp4 1998Кб, 720x1280, 00:00:14
720x1280
Узнали? Согласны?
Аноним 02/09/24 Пнд 16:46:00 562743 872
>>562720
Во вкладки попадают все файлы проекта может неиспользуемые не попадают, но это не точно
Аноним 02/09/24 Пнд 19:28:33 562750 873
>>562742
Пиздец, садисты, даже говна не дают поесть, суки.
Аноним 02/09/24 Пнд 20:48:29 562757 874
>>562750
Ардуинщик сам всё хочет съесть.
Аноним 03/09/24 Втр 08:38:31 562785 875
>>562743
то есть при создании вкладки, в папке появляется ещё один файл/ при создании файла появляется вкладка?
Аноним 03/09/24 Втр 14:56:28 562794 876
Изображение Wha[...].jpg 170Кб, 1599x899
1599x899
image.png 248Кб, 2557x1522
2557x1522
Держу в курсе.
CH559T
Заставил работать все три ком порта.
Были сложности с UART0. Пришлось применить магию, которую не понимаю.
Аноним 03/09/24 Втр 22:36:35 562849 877
>>562794
Так. И что это дает в народном хозяйстве?
Мне кажется, или резистор над светодиодом повидал всякое дерьмо?
Аноним 03/09/24 Втр 22:58:06 562850 878
>>562794
Дристанул немножко с кнопок на пла́точках.
Аноним 04/09/24 Срд 03:45:19 562855 879
>>562849
>что это дает
Это ещё один маленький шажок к ардуиноподобному USB хосту. Убедился, что все уарты работают, потому что USB псевдо уарт придётся освободить для задачи хоста.
Изначально не было уверенности в уартах, т.к. делал на основе примера для чипа с 48 ножками, у которого совсем другая распиновка. У моей 20-ногой микросхемы отсутствуют те ножки uart, какие есть на его большом брате.

>резистор
Всё хорошо. Просто причудливая игра света и тени.

>>562850
Большие удобные кнопки.
Аноним 04/09/24 Срд 07:11:49 562856 880
>>562743
>>562720

Если в папку с проектом скопировать какой-нибудь файл .h, .ino, .c, .cpp, то появится вкладка, даже если этот файл не используется.
Аноним 04/09/24 Срд 13:54:19 562862 881
всем ку! имею адресную ленту WS2811, блок питания для нее и отсутствие понимания программирования. нужен хороший контроллер для этой ленты.
купил контроллер за 500 денег на озоне, он говно... режим с радугой работает рвано, режим музыки (у контроллера есть микрофон) вообще не работает. софт для управления с телефона естесственно такое же говно
есть какие нибудь гайды или что то подобное? сам ни-ни, но паять умею. заранее спасибо!
Аноним 04/09/24 Срд 14:25:59 562863 882
>>562862
Очевидный WLED. Охуеешь с возможностей.
Можешь ещё и микрофон припаять, чтоб он на музыку реагировал.
На али наверняка готовые есть.
Аноним 07/09/24 Суб 21:46:10 563116 883
04.jpg 209Кб, 927x590
927x590
002.jpg 247Кб, 957x620
957x620
03.jpg 128Кб, 563x773
563x773
Аноним 08/09/24 Вск 06:49:12 563128 884
Нейронки нормально код пишут для этих ваших пердуин?
Аноним 08/09/24 Вск 09:21:01 563135 885
>>563128
в чом проблема запросить код и проверить?
Аноним 08/09/24 Вск 09:34:13 563136 886
>>563128
Я кстати, разок попросил под node.js код написать. Потом месяц глюки вычищал.
Аноним 08/09/24 Вск 09:37:29 563138 887
>>563116
сетевые глисты на плате
Аноним 12/09/24 Чтв 11:03:04 563383 888
>>550854 (OP)
Антон а как ты защищаешь плату контроллера от статики ?
То есть есть датчик температуры его нужно установить в место где может неслабо прилететь статикой.

Как обходишь такие засады ?
Аноним 12/09/24 Чтв 15:54:58 563391 889
>>563383
Экранированный кабель датчика с заземлением экрана. Делал так при установке всяких DS термометров в авто. Без заземленного экрана контроллер чудил, но порты ни разу не вышибало. От слаботочной статики у пинов есть защитные диоды. Хз что за обстоятельства в твоём случае. Грозу пережить хочешь?
Аноним 12/09/24 Чтв 19:36:37 563400 890
1723563152531.mp4 3234Кб, 720x1280, 00:00:07
720x1280
Аноны, есть такой тип преобразователя постоянного тока, как зарядовый насос - повышение-понижение там происходит за счет коммутации конденсаторов. Хочу сделать такую штуку на ардуино и для аккумуляторов, есть у меня 8 банок железофосфата, ардуино, в зависимости от необходимости должна иметь возможность коммутировать их все параллельно, все последовательно или попарно параллельно и полученные 4 банки последовательно, получая разные напряжения на выходе, либо в параллель всех - для заряда. Столкнулся с проблемой развязки потенциалов затворов коммутирующих транзисторов, допустим я могу сделать 8 гальванически развязанных каналов питания 12 вольт для затворов, но как этим управлять ума не приложу - трансформаторы не пойдут, на оптопарах что-то сложно выходит. Может кто занимался таким, есть ли готовые модули, что-то типа Н-мост, но с гальванически развязанным управлением? Или вообще есть готовые транзисторные сборки полумост, что-нибудь типа IRF260n, очень нравятся, с готовым оптодрайвером? Штоб нагрузку 180 вольт, питание драйвера 12 вольт и ардуинкой дергать это всё. Уверен должно быть, помогите убогому.
Аноним 13/09/24 Птн 05:14:49 563415 891
>>563400
Целесообразность имаджинировал? У твоего насоса ток будет микроскопический. Берешь одну банку и дц-дц преобразователь, он выдаст больше ток, при этом у тебя еще в запасе остается СЕМЬ банок для других проектов. Преобразователем управляешь как тебе угодно. Ну или 2/6. 3/5.
Аноним 13/09/24 Птн 05:33:11 563416 892
>>563415
>>563400
А нет это я глюканул, мне показалось что они все будут в воздухе висеть друг относительно друга... Но все равно, зачем так усложнять хз. Мне кажется вообще невозможно. Иначе бы такое давно использовалось бы в энергетике. Чтобы не терять на преобразовании, вместо этого коммутировать аккумы и солнечные панели для обеспечения оптимальной нагрузки. Но везде используются инверторы.
Аноним 13/09/24 Птн 06:04:12 563417 893
>>563400
Есть такая штука как умножитель напряжения.
Из часто встречающегося такое есть в микросхемах MAX232, ICL7660 и их аналогах (сам смотри что это за микросхемы и где они используются).
Как написал анон выше, ток у всего этого мизерный.

>Хочу сделать такую штуку на ардуино
Оно там совершено ни к чему.
Аноним 13/09/24 Птн 16:35:13 563456 894
>>563417
>>563416
>>563415
Возможно я неточно описал свою задумку. Зарядовый насос работает быстро и с конденсаторами - скоммутировал, зарядит, скоммутировал разрядил. Здесь же будет работа с аккумуляторами, скоммутировал параллельно и зарядил от низковольтного источника тока, долго и муторно, по той простой причине, что источник слабоватый и хочется избежать потерь на преобразование, я посчитал и они довольно значительны. А заряженные аккумуляторы скоммутировал последовательно, взял и поехал. Есть схема такого коммутатора на реле, пусть даже конатктов хватит (коммутация без нагрузки, искры нет, есть затраты на питание обмотки реле. Это будет работать не как зарядовый насос для повышения напряжения, а как сервис аккумулятора вместо БМС, балансировщика и что там еще на них вешают, в качестве подарка - бесплатная балансировка на каждом заряде, сверхтоков не будет, я уже соединял параллельно совсем пустой - 3 Вольта и заряженный 3.8 Вольта аккумулятор, 2 Ампера, быстро упал до 1.1 вполне себе ящитаю.
Аноним 13/09/24 Птн 17:53:51 563460 895
>>563456
> источник слабоватый
>скоммутировал параллельно и зарядил
пердуина итоги
как ты не камутируй акумы - сколько источниг дает ват больше не получиш
комутация это больше вкорячивание канкретики в другую канкретику
карочи соединив акумы паралельно ты повысиш зарядный ток - тот который отгребаица от
> источник слабоватый
а он его недаст и ты саснеш
вообще по хорошему надо каждую банку отдельно маниторить и заряжать
Аноним 13/09/24 Птн 18:29:28 563462 896
>>563460
Иди нахуй, пидор, русский учи, блять. Или дрочи свои контроллеры, что ты там делаешь, электротехник хуев.
Аноним 13/09/24 Птн 18:46:35 563463 897
>>563456
То есть эта вся фигня из-за того что у тебя зарядка слабая?
Аноним 13/09/24 Птн 18:49:09 563464 898
>>563456
>Возможно я неточно описал свою задумку.
В любом случае ты изобретаешь какую-то бессмыслицу. Да еще и ардуину пихаешь куда попало. Я все равно ничего не понял, но вероятно тебе нужен MPPT контроллер.

>скоммутировал параллельно
И тут ты соснешь без балансировки. Потому что у аккумуляторов будет разное напряжение, т.к. они не идентичны, после коммутации потечет неслабый ток из одного аккумулятора в другой...

>я посчитал и они довольно значительны.
КПД нормальных импульсных источников питания 80% и больше.
Аноним 13/09/24 Птн 18:53:57 563465 899
>>563456
>я уже соединял параллельно совсем пустой - 3 Вольта и заряженный 3.8 Вольта аккумулятор, 2 Ампера, быстро упал до 1.1 вполне себе ящитаю.
Что-то странно ты считаешь, совсем не анализируешь результат. Во первых 1.1 - это сдохший аккумулятор. А во вторых то что ток упал быстро означает только то что оба аккумулятор сдохшие. Была бы емкость хотя бы 1000 мАч, то оно бы десятки минут у тебя заряд перекачивало с таким током.
Аноним 13/09/24 Птн 19:32:03 563469 900
>>563463
Вообще я не первый, кто задался таким вопросом, да, зарядка слабая, повышение до напряжения батареи с точки зрения энергозатрат обойдется дороже, чем коммутация реле.
>>563464
>вероятно тебе нужен MPPT контроллер
Не нужен. Сб будет заряжать параллельно соединенные ячейки.
>И тут ты соснешь без балансировки. Потому что у аккумуляторов будет разное напряжение, т.к. они не идентичны, после коммутации потечет неслабый ток из одного аккумулятора в другой...
Ты, похоже, невнимательно прочитал мой пост. Я соединял две ячейки, одну разряженную, а другую заряженную только из-под зарядника, ток не добрался даже до половины допустимого тока заряда ячейки, потому всё нормально, при параллельном соединении будет происходить балансировка, а т.к. заряд будет не быстрый, то и сбалансироваться они успеют.
>КПД нормальных импульсных источников питания 80% и больше.
"Нормальных" это уже от 95% по современным меркам)))) В любом случае, твоя фраза вырвана из контекста, это КПД достигается в довольно узком диапазоне питающих и выходных напряжений для конкретного источника. При желании я мог бы просто повышающий ZVS на irl3205 поставить с несколькими выходными обмотками и он решил проблему, однако, по некоторым соображениям я хочу коммутировать аккумуляторы.
>>563465
Нормально посчитал. Емкость ячейки больше 1000, уж поверь и ток 1.1 Ампер был по крайней мере сутки с небольшим, потом я забил на этот опыт и вернул его на место. Внутреннее сопротивление возможно у них да, подросшее, банки не новые, но там, где я их эксплуатирую их хватает за глаза.
Аноним 13/09/24 Птн 19:49:58 563470 901
>>563469
>повышение до напряжения батареи
нагугли регулирующие выходного и если повезет то обойдеца резюком а нет доматаеш вторичку и никаких потерь
ну или не ебать мазги и купить сделать НАРМАЛЬНУЮ блядь зарядку а пердуиной уже на ней светодиводами мигать
а то что ты задумал хуйня - заряжать акум а потом им другой первому быстро поплохеет и ты проебеш на ресурсе акумов больше чем на покупке нармальной блядж зарядки
>заряжать параллельно соединенные ячейки
еще раз кретин у тебя зарядка по току не тянет а ты его паралеля банки увеличиваеш
Аноним 13/09/24 Птн 19:53:22 563471 902
>>563469
>ток 1.1 Ампер был по крайней мере сутки с небольшим
Не понимаю. То "быстро", то теперь больше суток.
Ладно, если сутки, то это означает что ёмкость аккумулятора больше 24 Ач. Похоже на правду?
Однако то что ток всего лишь около 1А означает что суммарное внутреннее сопротивление твоих аккумуляторов около 3 Ом, что для таких аккумуляторов как-то не соответствует, т.е. похоже что один аккумулятор дохлый.
Аноним 13/09/24 Птн 20:04:27 563473 903
17257832050660.jpg 1681Кб, 2178x2160
2178x2160
>>563471
>Ладно, если сутки, то это означает что ёмкость аккумулятора больше 24 Ач. Похоже на правду?
Да, это ЛиФеПоЧ бу банки 25 А*ч по документам, 24-29 (все разные) по моим замерам. Одни сильнее дохлые, другие слабее дохлые, я цифры не вот прям точно назвал, батарею перебирал уже несколько раз по-всякому. "Быстро", это падение тока с 2 А до 1А.
>>563470
Повторяю, мразь, съеби из треда, просто иди нахуй (на хуй).
Аноним 13/09/24 Птн 20:53:28 563475 904
>>563473
>Одни сильнее дохлые, другие слабее дохлые,
Но все сильно дохлые. Если там 3 Ом сопротивление, это значит что при таком токе там 3 В падало на внутреннем сопротивлении. Примерно половина энергии в тепло шла при твоём "перекачивании".

Есть такая задачка с конденсаторами. Взяли два конденсатора ёмкостью по одной фараде, один из которых заряжен до 2 В. Энергия у заряженного конденсатора соответственно по CU2/2=4 Дж. Потом взяли и соединили конденсаторы параллельно, логично предположить что напряжение после окончания переходного процесса уполоаинится до 1 В. Но энергия тогда по той же формуле будет 2 Дж. Куда делась половина энергии? Если проанализировать, то окажется что эта энергия ушла в тепло на сопротивлении проводов.

Вот и с аккумуляторами у тебя будет хоть и не точно так же, но результат будет аналогичный. Поэтому так как ты придумал делают лишь ардуинщики.
Аноним 13/09/24 Птн 22:56:05 563488 905
>>563475
И ещё на всякий случай дополню, а то мало ли что. Уполовинится напряжение потому что q=CU, и по принципу сохранения заряда суммарный заряд останется прежним.
Аноним 14/09/24 Суб 11:06:16 563506 906
грифер.webm 1228Кб, 640x360, 00:00:27
640x360
>>563473
>маам ну скажи им ну мааам
>>563488
ты вообще понял что он хочет? заряжать один акум другим и ладно хуй с ним еслибы была на то крайняя необходимость например как повербанка...
вообще не понятно чего он пытаеца добица? какую цель преследует?
"слабая" зарядка? ну и заряжай каждую банку отдельно
лень спаивать распаивать батарею при каждом заряд разряде? ставь разъемчиги и тд...
сократить время заряда всей батареи? нихуя оно не сократица а наоборот увеличица и притом значительно
карочи одни вопросы и нихуя ответов одно маня нытье
я допускаю что есть несколько отдельных акумов и их надо допустим за ноч все зарядить а зарядка одна и нет особого желания... - ночью спать надо
здесь либо пилить многоканальную зарядку либо камутировать акумы - если так то релюшки 2003 дравир сдвиговый регистр на индикатр заряда завязаный типа красная лампачка горит это нуль загорелась зиленая - регистр +1 и релюха камутирует соответствующий акум и никакой нахуй пердуины детка
Аноним 14/09/24 Суб 11:16:42 563507 907
>>563475
>>563488
И нахуй ты это высрал, долбоеб блять? Я это всё и без тебя знаю, просто хочу коммутировать аккумуляторы из параллельного соединения в последовательное при помощи микроконтроллера, ввиду имеющейся материально-технической базы это решение меня устраивает.
Аноним 14/09/24 Суб 11:20:03 563509 908
>>563506
Опять закукарекал, трудная ночь, на дваче отдыхешь? Пошел нахуй отсюда, пидарас, сын портовой шлюхи и шакала.
Аноним 14/09/24 Суб 14:36:20 563530 909
>>563507
ну а нахуй ты нам об этом расказываеш если все знаеш?
камутируй епта кто мешает?
>>563509
>мнямняпук
Аноним 19/09/24 Чтв 15:50:42 563813 910
(игнорируем) https://pastebin.com/89v54aQe
ну реально там ничего интересного, я просто домой приду на домашний компьютер скопирую
Аноним 20/09/24 Птн 09:47:23 563836 911
Аноним 20/09/24 Птн 09:56:45 563837 912
Аноним 20/09/24 Птн 10:26:51 563838 913
>>563837
дядь обещаю больше не буду
Аноним 21/09/24 Суб 12:34:59 563909 914
IMG202409210921[...].jpg 194Кб, 1080x799
1080x799
IMG202409210921[...].jpg 349Кб, 1080x789
1080x789
>>562543
Подключил 8 штук (по 330 ом), ситуация лучше не стала
Аноним 21/09/24 Суб 15:10:56 563916 915
>>563909
Если не подключать сегменты вообще, то всё равно светятся?
Попробуй ещё через 10к резисторы на землю подтянуть.
А вообще обычно сверху плёнку тёмную или пластик ставят, что бы лучше выглядело, он затемнит это.
Аноним 21/09/24 Суб 18:40:18 563927 916
>>563909
Скетч покажи. А то может ты там сдвигаешь байт при активном индикаторе.
Аноним 21/09/24 Суб 19:04:52 563928 917
>>563909
Щас разглядел твою фоточку и узрел там запитку нанки и регистра через vin. Т.е., у тебя напряжение логической единицы на выходе с нанки +5V, а напряжение логической единицы на выходе с регистра +vin и на несколько вольт выше чем 5.

Как думаешь, чё будет со светодиодом, если на катод подать +5V, а на анод, например +9V?
Аноним 21/09/24 Суб 19:18:12 563929 918
>>563909
а посты мы жопой по диагонали..
яже писал выше
а) красные диводы жрут - меряй ток сегмента или кури даташит на этот индикатр или ищи желтые или считай 8х15=120ма какой порт тебе столько вытянет? у них по стандарту 40ма и то при подтяжке к нулю а еденица и того меньше
карочи надо лепить или транзюки 4штуки или "дравир"
б) ты просираеш строб тое допустим ДОПУСТИМ у тебя сегмент жрет 5ма тогда 8х5=40 - влезаеш с притыком канешн...
карочи каждый регистр должен гореть строго отведеное ему время одинаковое для свех регисторов - подбираеца на глазок - но обычно цепляют на таймир где хотябы 50гц в идеале 100гц чтобы получить кошегные 25фпс для 4х регисторов 100гц не пренципиально можно и 114гц - выделять целый таймер под индикатр накладно можно подцепица например к шим контролеру я цепляю к пилогенератору
програма должна работать так

1 выключил регистр - общий катод тое на порте - ноге контролера еденица
2 занулил - у некоторых сдвиговых регистров есть для этого нога - кури даташит или если нулящей ноги нет задвинь нули - опятьже смотря сколько у тебя в регистре бит бывают и на 10... у тебя какая микрушка? если строго 8 бит можно не нулить
3 загнал в сдвиговый регистр канкретную комбинацию - цифру
4 включил регистр
5 ЖДЕШ следующего прерывания от таймера
6 гото 1
>>563928
>чё будет
нихуя -дивод на то и дивод что в обратную сторону не пропускает не светит
Аноним 21/09/24 Суб 19:40:41 563931 919
>>563929
>на катод подать +5V, а на анод, например +9V

>нихуя -дивод на то и дивод что в обратную сторону не пропускает

Может ещё раз подумаешь? или говном накормить?
Аноним 21/09/24 Суб 19:43:28 563932 920
>>563929
>кошегные 25фпс
При такой частоте будет мерцать страшно. Хотя это кому как. Моя жена подобное не замечает.
Телевизоры с кинескопом не мерцали слишком сильно лишь из-за относительно длительного послесвечения люминофора.
Аноним 21/09/24 Суб 20:53:46 563934 921
>>563929
Из за того что порт не может выдать достаточно тока, светятся даже те участки, которые не должны?
Аноним 21/09/24 Суб 21:00:14 563935 922
шароебы.webm 4341Кб, 640x360, 00:01:40
640x360
>>563931
согласно последним иследованиям на андроном коляйдире ток течет не от плюса к минусу а наоборот от минуса к плюсу
анод - греч. anodos - восходящая дорога - хуйня по которой выходит электрический ток тое - минус
поскольку дивод включен в обратном направлении - минусом к большему +9в а плюсом к +5в на нем 4в и он нихуя пропускать ток не будет а нет тока - нет нихуя ни света ни типла ни прочих высеров инерхии
так что пожри гавна своего сам
тебя мамка не учила не спорить со взрослыми дядями? и уж темболее с матарошкой и тем более пытаца накормить их гавном
вообще хуевая затея - может плачевно закончица
да хуля может имено так обычно - последние лет 7 на радиаче и происходит
Аноним 21/09/24 Суб 21:06:30 563937 923
>>563934
>порт не может выдать достаточно тока
сие есть не штатный режим работы сложной системы из мильенов транзисторов посему может происходить все что угодно
Аноним 21/09/24 Суб 21:22:59 563940 924
>>563935
>на катод подать +5V, а на анод, например +9V

>минусом к большему +9в а плюсом к +5в на нем 4в

У тебя анод это минусовой вывод диода?
Уёбывай из /ra, большой дядя.
Аноним 21/09/24 Суб 21:32:25 563941 925
>>563934
Просто перекинь питание регистра на вывод +5V ардуинки и не слушай греческих шизов.
Аноним 22/09/24 Вск 16:14:08 563966 926
17258734652900.png 1321Кб, 999x1702
999x1702
Выше я вопрошал как коммутировать аккумуляторы из последовательного соединения в параллельное. Так вот, схемы на транзисторах нет в природе. Оставил как есть на реле, всё работает, я дововолен.
Кому интересно, история такова:
Подвернулись мне задешево достаточно призматических ЛиФеРоЧ, и битые солнечные панели. Панели все битые, хорошие забрали другие люди, я их поколупал, и, в целом, они сохранили работоспособность, припаялся к проводникам, что соединяют между собой элементы, но напряжение эти панели дают, естественно, не номинальное. Банки есть вспухшие, есть нет, но все они уже некондиционные. МППТ ко всему этому поккупать нет смысла.
Аккумуляторы я собрал в 8 батарей параллельно, эти 8 батарей коммутируют 9 реле, реле управляет ардуино. Собственно она смотрит на наличие напряжения на входе зарядки и просадку напряжения при разряде. Во время заряда это батарея параллельных аккумуляторов емкостью порядка 1000 А*ч заряжается током порядка 10-15 Ампер в очень солнечную погоду, а когда солнышко пропадает или по нажатию на кнопку, я получаю напряжение 24-30 Вольт - освещение, насос на воду и зарядка ноутбука, а большего мне не надо. Дача в ебенях, без газа и света.
Аноним 22/09/24 Вск 16:56:39 563967 927
>>563932
>регистр должен гореть строго отведеное ему время одинаковое для свех регисторов - подбираеца на глазок
индикатр лепица по остаточному принципу тамира не бесконечные
один на прием интерисующего сигнала другой на высер управляющего - очевидный приоритет исполняющего тамира
а поскольку их у миня всего 2 на пердуине непомню 3 кажись
карочи чтобы заебато горело надо к тамиру цепляца - тогда горение можно сделать более ефективным за счетпротекания более высокого тока но меньше по времени - один хуй ему еще 3 раза остывать...
>>563941
ога я вообще отдельную кренку пилил но потом убрал на пилу - аналог
на часиках где яркость клацаеца запилено иначе там каждый сегмент к порту а общие через какието кт8131 непомню там есть составные средней мощности как кт835
там я запилил от +12 на чтото около 7в лм317стабом и питал оттуда и кренку контролира и индикатр - более высоким

там я фпс задирал что пиздец - мне не понравилось слишком не ясное отображение сотых - глаз сливает все в мясо и я снизил - кагда взором проводиш можно увидеть цифру
Аноним 22/09/24 Вск 17:04:51 563968 928
image.png 20Кб, 804x244
804x244
Аноним 22/09/24 Вск 17:46:54 563973 929
02w.jpg 152Кб, 935x750
935x750
06.jpg 245Кб, 996x704
996x704
>>563966
>я вопрошал
и тибя обассали а знаеш почему? потомучто это борда где работают С КАНКРЕТНЫМ железом ане с
> есть у меня 8 банок железофосфата
цифры для кого на банках пишут?
анон не ванга
опятьже не ясна цель - что их будет разряжать
солнечка работает не как насос а тупо камутирует те что ты потребляеш с теми что она заряжает
траншманкастеры здесь не вытянут дорого хотя... нахуй надо там диференциал минуты - хорошие серебряно иридивые контакты...
да и токи - комутации - опятьже где КАНКРЕТНЫЕ цифры?
вот былюди придумали изображение на расстояния передавать
и с чего ты решил что панелям пизда? ябы спиздил ВСЕ
хотя все поняли что ты рукажеп и спалил панели...
ябы сделал так
заряд если панелям пизда то очевидно от разетки
1к ач? ну это какбы дахуя ога?
но поскольку батарея ...
карочи я бы поднял управляемый семисторный выпрямитель для пика и добивал бы батарею в последовательном подключении - у него 65в переменки - постепенно выкидывая отъебнувшие банки
опятьже что за нагрузка? ну дача насос
УХ БЛЯ
тут ты попадаеш но могу посоветовать...
карочи вот у меня кама10 0.4квт ...
но их не делают...
че за насос?
они какбы 220? аможет есть меньше? опятьже банки то постоянку дают колекторниг то еще можно скамутирувать а станции все с асинхронигами там защигу себе скамутируеш там пирименга
ЧТО ЗА НАСОС?
освещение
тут отдельная система...
подкинул банку и светит
хз опятьже дача какой этап? строительства и или наслаждения?
а вздутые банки ябы почитал В АКАМУЛЯТОРНОМ треде
праткни ее ога
а ябы вот чисто перемотал его скотчем даванул бы тонн 5 и попробовал заряжать - авось вадарод сфунциклировал бы обратно
ога ога под тензо датчигом - 5 тонн долбанут нихуево+накопленая
Аноним 22/09/24 Вск 17:52:29 563977 930
03ы.jpg 124Кб, 616x912
616x912
>>563968
нахуй - я эти функции в которых непонятно кто и неизвестно как я дергать битами - рубильниками привык сам
Аноним 22/09/24 Вск 18:00:03 563978 931
>>563973
>пик1

К тебе опять мальчик на мопедике в гости заехал?
Аноним 22/09/24 Вск 18:53:46 563981 932
>>563973
>и спалил панели
Это как можно спалить солнечные панели?
А насос лодочный, на 24 Вольта, из колодца нормально подымает, освещение - диодные лампы аварийки на 24В, по случаю на одном объекте снял, зарядка для ноутбука - китайский понижай до 19.7 Вольт.
>то очевидно от разетки
Ты еблан? Хотя это очевидно. Нет у меня там розеток.
Аноним 27/09/24 Птн 15:02:44 564288 933
Аноним 27/09/24 Птн 21:00:52 564305 934
>>560319
>Точность движений рук нужна как будто вставляешь нитку в иголку
Принцип рычага 10:1 Двигаешь длинный конец на 1см короткий двигается на 1 мм.
Аноним 01/10/24 Втр 10:40:48 564472 935
>>563935
кому интересно максим ожерельев (пацан на видео) отказался от этих идей и назвал плоскоземельцев деструктивной сектой (не знаю что должно случиться с плокскоземельцем, что бы он перестал таковы быть) о_0
Аноним 08/10/24 Втр 10:26:38 564923 936
посоветуйте корпус для 18650, куда можно вставить аккумуляторы (у меня их куча лежит) и напрямую питать ардуину уну, не боясь переразряда и прочей литий ионной фигни
Аноним 08/10/24 Втр 10:36:55 564924 937
Аноним 08/10/24 Втр 12:27:24 564925 938
Как на samd21 заюзать SPI (или не совсем), только для вывода, не задействуя пинов кроме 2х необходимых для котлов и данных?
Аноним 08/10/24 Втр 17:05:34 564934 939
>>564924
там все для акумов без пипки. А у меня с пипкой((( и к минусу ещё и плата наклеяна, они не влезут
Аноним 09/10/24 Срд 04:06:44 564981 940
image.png 14Кб, 988x101
988x101
>>564925
Вот ответ. Все пидоры, спасибо за "помощь"
Аноним 09/10/24 Срд 12:21:51 564998 941
>>564981
В чем проблема спросить у своих коллег, кабанчик? Ты же явно не для хобби выбрал эту ебанину?
Аноним 10/10/24 Чтв 06:16:16 565019 942
2345346.jpg 143Кб, 584x775
584x775
Посоны, не в курсе, где спросить - в тредах для извращенцев типа меня не все дружат с паяльниками, а рукастые Василичи в гаражах скажут, что я ебанутый, так что двач самое подходящее место, думаю.

Есть идея сделать секс игрушку, которая будет бить лёгким током в зависимости от звука на входе. В продаже есть подобные штуки от серьёзных контор, типа пикрелейтед, но стоят 320 фунтов, хотя там начинка, судя по всему, не сложная. На алихе есть электроигрушки в диапазоне от 300 до 1000 рублей, но они без микрофона, просто включаешь и они тебя хуярят. К тому же, сложно понять из описания силу тока, в половине предложений, похоже, он очень слабый - скорее для приятных мурашек, а не для дискомфорта.

Сам чуть паяю, но в схемах ноль, в какую сторону смотреть? Ардуино? Или разобрать китайшину и присобачить микрофон с каким-нибудь дополнением? Где почитать про подобные проекты, может кому попадалось что-то похожее на глаза? Посоветуйте что-нибудь, с чего начать можно.
Аноним 10/10/24 Чтв 06:18:29 565020 943
>>565019
Китайщину модифицировать это путь
Аноним 10/10/24 Чтв 06:44:27 565025 944
3463636.jpg 61Кб, 634x632
634x632
>>565020
А что может понадобиться для реализации кроме игрушки и микрофона? Я так понимаю, что на микрофон надо подать питание от схемы, а выход микрофона припаять тоже на схему куда-то до реостата, заменив один из первоначальных режимов, чтобы кнопками можно было регулировать насколько сильно будет шарахать, и всё?
Аноним 10/10/24 Чтв 08:46:11 565028 945
>>565019
Просто высокое напряжение получить не сложно - ТА-57 к усилку сабвуфера подключи сетевой трансформатор на повышение, но скорее всего тебе не понравится т.к. нервам и мышцам нужны импульсы определённой формы.
Какие формы тока и напряжения у приборов от "серьёзных контор"?
Аноним 10/10/24 Чтв 10:25:40 565029 946
>>565028
Кстати тоже вариант. Не знаю насчёт формы, не приходилось эти приборы щупать. Я пока чайник-теоретик.
Аноним 10/10/24 Чтв 11:15:39 565034 947
>>565025
> А что может понадобиться
Найти логический вход преобразователя и подать на его звук. Это программа-минимум. Если вы такие нежные и вас форма сигнала не устроит, может стоит погуглить какой-нибудь опенсурс миостимулятор.
Аноним 10/10/24 Чтв 12:08:32 565035 948
>>565019
>>565028
Ооо, бля, это тема! Лет 15 назад на последнем курсе института я это делал. Даже нашел форум в сети, там поясняли за это дело и за электообезболивание и за стимуляцию, баба с аватаркой терминатора Т-Х. На пидарашке, скорее всего, он уже не доступен, а если был в пидарашьем домене, то, наверное, умер.
Так вот форма импульса должна быть строго меандр - наименьшие болевые ощущения. Если хочешь кого-то пытать, то треугольник - твой выбор!
Схема - у меня был мост на двух TDA2030, подключенный к компьютеру, питание - от того же компьтера 12 вольт. на выходе усилителя трансформатор от сетевого блока питания какого-то, вроде зарядка от нокии. Усилитель был выкручен на максимум, регулировал звуком ПК. К схемотехнике особых требований нет, разве что что пайку и все контакты надо делать надежными, щелчок при включении выключении или плохом контакте дает очень сильный импульс на выходе, не больно, но спазм мышечный сильный и неожиданный.
О сигналах: я использовал программу wavetonegenerator или как-то так, там выбираешь форму, частоту, ширину, скважность и т.п. Программа в стиле win98, полагаю проблем возникнуть не должно. Свыше 180 Гц уже никаких ощущений на максимуме, на частоте 2-10 Гц очень сильные сокращения мышц. Подключал между просаком (евпочя) и голенькой залупой, ощущения - да, дрочить можно, но феерии особой не испытал, ощущения как при первом минете (не я, а мне, господин поручик), страшно, приятно незнакомо.
Электроды - я брал формочки из нержавейки для выпекания пирожных и из них вырезал, к одной даже смог припаяться каким-то адским флюсом, на других просто оставлял хвостик и притягивал провод винтиком М4 (что было). Под электрод обязательно тряпочку, смоченную соленой водой, или возможны ожоги (это терминаторша на форуме писала, я сразу всё с мокрой тряпочкой делал).
Собственно и всё. Даже тут создавал тему, но не взлетело. Потом окончил институт, уехал в другой город и больше не играл, сейчас только дрочу, девственник, инцел.
Аноним 10/10/24 Чтв 12:31:50 565037 949
>>565035
Ну да, мысль интересная. Видел ролик, где бабу плёточкой охаживали, а перед ней микрофон лежал, и чем громче она орала, тем сильнее её лупило ещё и током. Да и куколдам впаривать можно - это ж интерактив небывалого уровня, когда смотришь порнуху, и чем громче стонет баба, тем сильнее ток на твоих сосках/яйцах или вообще жопе. Удивительно, что китайцы такого не делают ещё, только какие-то парашные щекоталки с тумблером.
Аноним 10/10/24 Чтв 17:41:38 565055 950
>>565037
Да ладно, вайфай дилдаки же есть уже
Аноним 10/10/24 Чтв 17:46:51 565057 951
>>565037
>или вообще жопе
Это анонимный форум, признайся, тебе хочется, да?
Аноним 11/10/24 Птн 05:25:41 565076 952
>>565034
Благодарю.

>>565035
Мощно распедалил, товарищ! Спасибо, записал на будущее.

>>565057
Позвольте, коллега, у нас тут серьёзная дискуссия про электронику. Конечно
Аноним 11/10/24 Птн 10:29:20 565087 953
images.jpeg 9Кб, 259x194
259x194
>>565076
> Позвольте, коллега, у нас тут серьёзная дискуссия про электронику.
Кстати, об этом. Всякую электронную хрень придумывают selfbondage'еры.
Держатели ключей, открывание штор/включение света и сирены, счётчики количества и скорости "нажатий", обратная электрическая связь и пр.
Аноним 11/10/24 Птн 11:49:59 565090 954
>>565087
С держателями ключей китайские братушки уже помогают, а так то да,нет лучше мотивации для изучения чего-то нового, чем стоящий хуй.
Аноним 16/10/24 Срд 08:59:31 565385 955
image.png 858Кб, 1000x1000
1000x1000
а как это будет работать от одной банки? у неё же напряжение около 4 вольт всего. понятно что в ардуино стоит стабилизатор, но он же и сам от 5 вольт работает
Аноним 16/10/24 Срд 09:04:23 565386 956
image 33Кб, 590x163
590x163
>>565385
Ардуина может работать от 2.7В если снизить скорость.
Аноним 18/10/24 Птн 14:35:32 565498 957
>>565386
Откудова этот скриншот, почему у меня не работает?
Аноним 18/10/24 Птн 14:58:46 565501 958
>>565498
Потому что у тебя стоит кварц на 16МГц. На 16МГц минимум 4.5В.
Аноним 20/10/24 Вск 18:37:04 565618 959
Как я понял, через пины а4 и а5 аппаратно реализована шина i2c. Можно ли подключить к ней сразу несколько устройств с раздельным управление? Просто когда подключаю два экрана, они выводят одно и тоже
Аноним 20/10/24 Вск 18:40:44 565621 960
>>565618
На экране должен быть пин select чтоб обозначать что это инфа в шине для него или не для него
Аноним 20/10/24 Вск 18:47:04 565622 961
image.png 92Кб, 823x587
823x587
Аноним 20/10/24 Вск 19:35:38 565628 962
Кто-нибудь пользуется debugWire? Раньше это был закрытый протокол, а сейчас смотрю его изучили и даже статья на Википедии есть. Я думал там ёба будет наподобие SWIM в stm8, а тут обычный uart.
Да и высоковольтный режим прошивки смотрю описан. Раньше вроде был закрыт.
http://www.ruemohr.org/docs/debugwire.html
Аноним 21/10/24 Пнд 15:41:58 565665 963
IMG202410211539[...].jpg 400Кб, 1445x1080
1445x1080
>>565621
Надо просто перепаять резистор, что бы изменился адрес?
Аноним 21/10/24 Пнд 17:06:45 565670 964
Аноним 22/10/24 Втр 15:45:13 565745 965
Сказали учить малолетних уёбков роботам на ардуине. Что посоветуете?
Аноним 22/10/24 Втр 16:19:42 565748 966
>>565745
Сказали учить - учите.
Аноним 23/10/24 Срд 11:36:13 565797 967
>>565748
Типа шасси какое то, датчики хуё муё, чтобы попроще но эффектнее
Аноним 23/10/24 Срд 20:57:25 565825 968
>>551399
короче, окончательное (?) решение вопроса запускания 2.3.3
ну, с тех пор я посидел на 1.8, а на днях предпринял попытку, с учетом того, что наконец у оракля вышел виртуалбокс, позволяющий мне на семёрке запускать десятку и даже пробрасывать юсб устройства туда-сюда... такой вот извращенец, ага.
Естественно, оно опять не запускалось.
Я снова начал искать, почему и нашёл вот это:
https://forum.arduino.cc/t/ide-hanging-on-startup-2-3-2/1253697/2
Вкратце, там дело в том, что должен быть правильный регион выставлен и правильное время на компе, соответствующее этому региону и этому часовому поясу.
Ну, после приведения этого в соответствие и перезагрузке она, ноаконец, запустилася.

У меня, правда, подгорает пукан, какого хуя эта жалкая хрень для программирования мигания лампочкой оборзела проверять, какое время у меня на компе стоит...
Аноним 24/10/24 Чтв 14:31:07 565840 969
>>565825
>правильный регион выставлен
это пиздец я ору
что мешает скачать нармальную иде? да тотже кеил авр кряк на него и радоваца жизни?
нет сцуко хочу жрать гавно и ебать мазги
Аноним 24/10/24 Чтв 17:06:32 565843 970
>>565797
Пусть ручками в тетрадки программы пишут, ёпта. Нарисуй на столе сетку, возьми машинку деревянную и моделируйте робота на сетке. Ардуину покажи на картике.
Аноним 24/10/24 Чтв 17:38:58 565844 971
>>565843
правильно..потом вырастут -скажут что они програмисты-робототехники и будут зп требовать 200т. Пусть скетчи переписывают в тетрадку 96 листов с программ построчно в столбцы и линеечку -ручкой.Машинку можно сделать на резиномоторе и по столу пусть запускают.А ардуино скажи едет по почте как приедет будем роботов делать .Как тока так сразу.
Аноним 24/10/24 Чтв 18:08:31 565845 972
>>565844
Те, кто писал программы ручкой в тетрадку сделали гугл, демосцена какая была, кряки на всё писали и уходило чашка кофе и два бутерброда, а что сделали современные пеньки с восемью ядрами 64 гб озу и ардуиной в каждом кармане?
Аноним 24/10/24 Чтв 18:31:49 565846 973
>>565845
вот и я про то же...
Аноним 24/10/24 Чтв 18:45:39 565847 974
>>565745
Вообще-то робототехника начинается не с программирования, а с не самой простой математики.
Аноним 25/10/24 Птн 07:01:06 565865 975
>>565843
Они и на обычные уроки не всегда тетради имеют, на доп занятия никто тетрадь отдельную не будет таскать. Хорошо если голову принесут
Аноним 25/10/24 Птн 09:57:39 565868 976
>>565847
вот когда занимался математикой, помню как заливали про комплексные числа в электронике. почти год занимаюсь электроникой и никаких мнимых единиц не встретил
Аноним 25/10/24 Птн 17:25:58 565886 977
>>565865
Ну и пусть в каэсочку долбят, епта.
Аноним 25/10/24 Птн 19:27:21 565898 978
каков бюджет? сколько пиздюков? сколько часов?
можно сделать робота простейшего типа 3х колесная тележка - 2 шаговика на 2 колеса а 3 колесо с опто датчиком отражения на штанге и пускай по листу ватмана по трассе нарисованому черным маркером бегают ставят рекорды или проходят лабиринт разбей их на команды ктото механику пилит ктото прошиву ктото по станкам у токарей колесья клянчиет
Аноним 26/10/24 Суб 09:54:38 565914 979
>>565868
Ебанько, мигать светодиодом это тебе не триангуляция положения по разности времени получения сигналов. Не преобразование Фурье, блять.
Аноним 26/10/24 Суб 12:16:52 565918 980
>>565914
Ну, кстати, да. На гармоники раскладывать не самая частая задача.
Это как когда прикладному программисту сортировку/поиск кастомные приходится писать.
Аноним 27/10/24 Вск 00:22:30 565931 981
image.gif 4115Кб, 514x317
514x317
>>565868
>вот когда занимался математикой, помню как заливали про комплексные числа в электронике. почти год занимаюсь электроникой и никаких мнимых единиц не встретил
Ну как минимум тригонометрия в робототехнике - обязательный пункт, без неё работать с координатной сеткой невозможно. Если есть шаговики - значит есть скорости и ускорения, здравствуй производная и интеграл. Всё это надо уметь упростить до максимально дружелюбных к процессору функций, желательно до чистых инкрементов и битовых сдвигов, иначе ардуина от хитровыебанных степенных функций с float ляжет раком. Упрощать помогает аппроксимация, можно через таблички значений, а можно через хардмод логарифмы со сходящимися рядами. Для сложных вундервафель начинаются уже квартернионы и всякий пиздец.

Электроникой по-разному можно заниматься, знаешь ли. В разных областях и на разном уровне фундаментальности. Мнимые единицы в работе понадобятся далеко не всем, но надо хотя бы знать, что это такое. Чтобы если вдруг понадобятся - хотя бы представлять, что и в какую сторону гуглить.


>>565745
>Сказали учить малолетних уёбков роботам на ардуине. Что посоветуете?
Смотря какой бюджет. За 10 баксов вы можете друг у друга отсосать, а за 10 килобаксов отгрохать серьёзную мастерскую с кучей платформ и инструментов, параллельно вкатывая пиздюков в 3д-печать и 3д-моделирование, потому что робототехника штука мультидисциплинарная, и одним погромированием там не обойдёшься.
И смотря насколько малолетних. Первоклашек вряд ли чему-то сложнее мигания светодиодом научишь. А вот ооо восьмиклассницу я бы поучил роботизированные манипуляторы и шагоходы Кланна с нуля проектировать под чашечку чая и нежный запах сандала.
Аноним 30/10/24 Срд 10:58:04 566081 982
image.png 415Кб, 1048x661
1048x661
а как управлять ардуиной через такие клавиатуры? она вроде через usb подключается
Аноним 30/10/24 Срд 21:59:38 566090 983
>>566081
http://freeduino.ru/arduino/USB-Host-shield.html
Нативной поддержки USB на ардуино-платах нет (кроме дигиспарка), там стоит USB-UART микросхема, через которую это всё работает в весьма ограниченном режиме. Если хочется USB - придётся пердолиться с переходниками.

Как по мне - не стоит оно того, проще спаять себе клавиатуру на простейшем сдвиговом регистре. Или, если кнопок не дохуя, спаять аналоговую клавиатуру и управлять всей хуйнёй с одного пина.
Аноним 04/11/24 Пнд 19:58:47 566306 984
2024-11-04 19-4[...].mp4 200Кб, 1280x720, 00:00:09
1280x720
изображение.png 49Кб, 1639x726
1639x726
>>550854 (OP)
Кто то знает почему эта залупа вызывает прерывание 2 раза?

D0, D1 - диоды

D2 - кнопка

Прерывание по фронту должно быть, но эта хуйня делает его 2 раза.

Может ли это быть проблема с симулятором?>>550854 (OP)
Аноним 05/11/24 Втр 03:22:04 566321 985
image.png 17Кб, 557x112
557x112
Аноним 05/11/24 Втр 11:49:33 566332 986
>>565840
а в нем есть LGT328???
Аноним 05/11/24 Втр 14:12:15 566344 987
>>566332
>китайский микроконтроллер, клон популярной AVR ATmega328p
перваяже строчка в гугле помоему ты зря в контролеры полез
Аноним 09/11/24 Суб 21:00:39 566596 988
VQhCt70.png 891Кб, 1422x1060
1422x1060
Новичок я в этих ваших ардуинах, чому на элементе было в спецификации написано 3.3 В питание, а по факту опытным путем он стал работать только от 5 В? Как же горит
Аноним 09/11/24 Суб 23:02:18 566602 989
>>566596
на элементе ардуино?
Аноним 11/11/24 Пнд 13:31:23 566646 990
>>566596
От вольтажа меняется частота чипа, может твоя прошивка требовала какую то частоту
Аноним 12/11/24 Втр 00:58:06 566668 991
Заинтересовал этот ваш ардуино, только начал разбираться.

Среди прочего интересует такой вопрос - можно ли пересылать показания датчиков через bluetooth / wifi и складывать в датабазу.
Или чтобы эти показания сразу хостилось на веб-страничке внутри wifi сети?
Аноним 12/11/24 Втр 01:01:29 566669 992
>>566668
Можно на ESP8266/ESP32.
Бери NodeMCU на ESP32 и можешь и вайфай и веб страницу поднимать и блютус есть. Программируется так же из ардуино иде.
Аноним 12/11/24 Втр 10:26:24 566682 993
>>566669
Спасибо, дорогой
Аноним 12/11/24 Втр 20:48:49 566699 994
17070957722310.jpg 207Кб, 1920x1080
1920x1080
Но там же больше чем провод.
Аноним 12/11/24 Втр 21:49:15 566700 995
Есть потребность сделать что-то типа рекордера на esp32. Например чтобы с помощью линейного выхода ПуКа записывать звук и передавать в телеграм.

Какой АЦП можете посоветовать? Или встроенного хватит?
Аноним 12/11/24 Втр 21:55:59 566702 996
Аноним 12/11/24 Втр 22:45:31 566706 997
Screenshot2024-[...].jpg 200Кб, 876x1008
876x1008
Хочу купить этот tft-дисплей, но есть вопрос: какая sd сюда подойдет - обычная или microSD? Так как для меня важна компактность, и если microSD не подойдет, то можно ли безболезненно отпаять разъем?
Аноним 13/11/24 Срд 03:21:33 566716 998
>>566706
Можно болезненно отпаять или откусать кусачками.
Аноним 13/11/24 Срд 13:31:13 566772 999
1000056891.jpg 279Кб, 1920x1080
1920x1080
>>566706
Можно вообще напрямую припаять SD к МК.
Аноним 14/11/24 Чтв 18:49:28 566851 1000
>>566706
Это разъём под обычную SD-шку, причём процентов семьдесят площади карты будет торчать наружу. Если нужна компактность и не нужна обычная SD - сдувай его нахуй, ни на что это не повлияет. Он выведен только на отдельный разъём слева.
Аноним 14/11/24 Чтв 20:00:47 566854 1001
Сап /ра/ч, я сам нихуя не не понимаю в транзисторах, посему задам тупой вопрос тут.
Есть мотор, он питается от 24В. Задача: при помощи ШИМа шевелить этим мотором с произвольной скоростью. Я прогуглил, схема примитивная на одном транзисторе, но везде в интернетах она питается от 12В, и это питание у нагрузки и ардуины общее. Анончик, нарисуй/скинь ссылку на схему для моего случая.
И ещё, нашёл у себя в коробочке с электро-хламом два D209L и один 200N60P, когда-то выпаянные из чего-то типа компьютерного блока питания. Что-нибудь из них для этой задачи сгодится?
Аноним 15/11/24 Птн 03:50:06 566872 1002
image.png 556Кб, 1280x720
1280x720
>>566854
Вот схема с отдельным питанием
Аноним 15/11/24 Птн 06:18:28 566877 1003
1000009276.png 460Кб, 1280x720
1280x720
>>566872
Это, получается, мосфет будет постоянно открыт при отсутствии сигнала?
Аноним 15/11/24 Птн 12:47:36 566890 1004
>>566872
Удалось половину компонентов выкинуть из схемы и все равно работает:

https://www.falstad.com/circuit/circuitjs.html?ctz=CQAgjCAMB0l3BWEAmM0EE4DMGAcB2ZLMSANjABYxkQFJbb6EBTAWjDACgAlEUhUiApYaCChSEioKRg3rz0nAE58BkmvgQ1hNehXxxOAFxCbtU3HHXSIrZLmgYnz-BXIGskLCFYVHzp1xSZCcvcCsAE2YAMwBDAFcAGyNOAHcQSz0KXAyrCgxBSDTcvQKQDHshMqL0zKEwQTqKKxqSoSszdvlizub6TuRCKGVTLRQhzob5FGRDdMnSejqp4dqrFYxqcEXV8q2NnZWi6L2aEXoC+nOQKTQkGEhkYsubrEEX-MLnys-ynd+irwXgcLoVpM0UBJpjAEJwAOZ-UrvHZaHLdFTAnYvTxQm6OYp1a5NFoEqzXTZnWbDAD24HwfFxzScKHopGguJoYHpWE4QA

В чем подвох?
Аноним 15/11/24 Птн 17:10:24 566904 1005
>>566890
В номиналах транзисторов
Аноним 15/11/24 Птн 17:54:22 566911 1006
>>566904
Вот поправил вроде:

https://www.falstad.com/circuit/circuitjs.html?ctz=CQAgjCAMB0l3BWEAWATLBBOAzM5kxVJsAObbEBSSy6hAUwFowwAoAJRADYEuVtUlPP0HVBVGtSnQErAE7deIkAHYEg5AKgoVcVgBdV65STjLqERqmywwyLpi6QcKhxUbJombz5KYWqISoJOBmACb0AGYAhgCuADb6rADuIKbUeCHpKI5QKWlmyLmYwTl8kPnZyGB8VWYVqXXUahr1+S0oZh2oKqLyRoI9gh01UiCoRA0D4E4FFrNT2aMg-oLLU6sz1I7zUqyRK4QgAtuzJ8drMlCwqPk7x9h890Xld6UvK7MfFQDmnxnFWbqEJ7BT3Zb3bCQZDaGyYSpmc5NPKNRFEQ6Cc4VTj3Uz-C7aDJiGFjGCyMGzPHghbjaAqVgAexm3BJnW8oWO0FE42Z2FYQA

По мощности не превышало 150W, заявленных в datasheet-е для MOSFET-а, а по Vgs превышало, ага (20V max), добавил резистор на входе и вроде норм стало, но тут конечно в зависимости от нагрузки надо подбирать

Все равно не понимаю, зачем нужен BJT верхний здесь, два диода, по ним даже ток не течет ¯\_(ツ)_/¯
Аноним 16/11/24 Суб 05:49:00 566943 1007
001.png 10Кб, 492x444
492x444
>>566911
Поправил ваш колхозанский мосфет-драйвер.
https://www.falstad.com/circuit/circuitjs.html?ctz=CQAgjCAMB0l3BWcA2aAOMB2ALGXyEw1sESQFJzzKEBTAWjDACgAlEA5EbAZgCZy2bN35QQAiuOhI+0sTATMAThwRdeAzAgEax2THGYAXEFp2i0cEQMoR6fHtACcL15kvIn8YWGhh+ni5oTrw8PMgRDJjgVgAmtABmAIYArgA2RswA7iCWlEJouVbYTlyQ2UX5YFx53FblObXYVmZ1lOUqrc2UrdXt4nyGOb3IlKW2o1DMCSBOYAL8Y5OLIKLClhXjq+GzkyVlFU2lu-nH5QDmJ9zHW9qF7cpXfVc8kMK2h1YrTfWflCtzBaDKbsLbPMHzeR1cTveTSZgAe3AAmQsOaLmhfAQ0DK4mRq0R4A4aMgGKQMDgYDUWKJAggPGYQA

Во-первых на ШИМе у тебя стояло +5 до -5в, а надо ставить 2.5в со смещением 2.5в.
Во-вторых, мосфет был неправильно настроен. Для мощных мосфетов надо ставить Beta 80..160 (по дефолту 20m) и пороговое напряжение 4..5в хотя бы, иначе некоторые схемы неадекватно моделируются.
В-третьих, верхний резистор не нужон. Резистор 1ом это нагрузка.

Алсо, у тебя тут частота 50гц. Это очень маленькая частота. А вот на больших частотах реальный биполярный транзистор начинает ебать эффектом Миллера, из-за чего и придумывают всякие хитровыебанные каскады.
Аноним 17/11/24 Вск 04:09:28 566979 1008
Использую Arduino Micro
ОС windows 7

Заменил в boards.txt usb_product на имя прибора, которое мне надо чтобы отображалось. В устройствах и принтерах отображается это имя, да, но как через софт это имя получить я не догоняю. Надо чтобы я мог его отфильтровать от других com-соединений, чтоб показывало только мою железку, может это можно и иначе как-то сделать?
Железка используется втыкаясь в комп, не автономно.
Софтина работающая с контроллером написана на python, сканирую порты через serial.tools.list_ports.comports(), параметры класса дают и pid, и vid, и производителя, и че хочешь, но имени, которое я указывал в usb_product - нету.
Гуглил, да не нагуглил.
Аноним 17/11/24 Вск 04:25:30 566981 1009
image.png 3Кб, 261x43
261x43
>>566979
Потом тебе надо гуглить в винде USB enumeration, там можно получить имя корневого устройства, которое создает ком порт.
Имя можно поменять только отканпелировав загрузчик твоей платы с другим именем и перепрошить программатором.
Аноним 17/11/24 Вск 04:31:23 566982 1010
>>566979
>boards.txt
Хотя да, дял ардуины канпелировать не надо, ок then только USB enumeration
Аноним 17/11/24 Вск 11:27:08 566989 1011
>>566981
>>566982
Ну оно там такое, которое я и указывал. Чего мне делать то с этим? Как мне его в python'e получить?
Аноним 17/11/24 Вск 11:29:36 566990 1012
>>566982
Вот типа эта софтина это имя умеет читать. Как она это делает и как это сделать мне?
Аноним 17/11/24 Вск 21:08:05 567012 1013
>>566990
То есть установить говнопитон под винду у тебя получилось, а понять как загуглить вызовы апи по поводу обхода usb дерева - нет?
Аноним 17/11/24 Вск 21:19:03 567016 1014
>>567012
Я смог найти, заебался, часов 6 потратил, причем только под винду это работает, на win32. Теперь думаю, как мне, ебать, сопоставить энтот самый usb и serial, который этот usb и предоставляет.
Аноним 17/11/24 Вск 23:55:23 567024 1015
Аноним 19/11/24 Втр 14:42:13 567130 1016
nespressoessenz[...].jpg 26Кб, 800x800
800x800
20241119162817.jpeg 15Кб, 266x266
266x266
20241119162822.jpeg 11Кб, 200x200
200x200
Хочу поделиться.
Это не совсем ардуин, но если у кого-то есть Nespresso Essenza Mini, можно без проблем подключить к умному дому, коммутируя кнопки через умную розетку. Внутри машинки даже паять ничего не надо - удобно расположенный разъем позволяет просто аккуратно зажать витую пару на нужных контактах.
Ну и трёх позиционный выключатель, для выбора режима варки кофе - приветствуется.
Аноним 19/11/24 Втр 14:43:59 567131 1017
20241119162822.jpg 65Кб, 800x800
800x800
20241119162817.jpg 58Кб, 800x800
800x800
Аноним 20/11/24 Срд 10:10:18 567185 1018
Можно ли переносить изображение из пиксельного редактора, открытого на ноутбуке, на дисплей oled i2c, в реальном времени? (типа отредактировал пиксель на экране монитора, и поменялся пиксель на дисплее i2c), нужен ли для этого вообще микроконтроллер?
Аноним 24/11/24 Вск 13:41:15 567442 1019
Аноним 26/11/24 Втр 17:59:53 567596 1020
Господа, в чем разница этих наборов? Что лучше?

https://www.ozon.ru/product/nabor-arduino-uno-r3-maximum-dlya-modelirovaniya-obuchayushchiy-komplekt-dlya-810082036/?asb=z6ygJoI9fBdpZqNDY1QuCtKXK%252Bn%252B3eQg%252F12ylTY9V3s%253D&asb2=INZzWJg_Vt2blXuDe7vmV8IqLsczvaMjvW1jTimpLdCtKggxSn1g-lq3hvcx16e3ITLdzvdVMNOY8JNURqOX0g&avtc=1&avte=4&avts=1732633105&keywords=Arduino

https://www.ozon.ru/product/arduino-uno-r3-nabor-komplekt-arduino-uno-r3-dlya-programmirovaniya-startovyy-109-detaley-30-urokov-887109591/

https://www.ozon.ru/product/startovyy-nabor-arduino-gyverkit-starter-638820768/?asb=IqK%252BX%252B52Kxa8%252BXNeNd%252FiOTIq8Ushddu1zm8HYPPeJUw%253D&asb2=4O5Lm_lM1ltRQXUTZVxbte_B5dG15Nyr-Z9j3LTVnhZSKYir_B67g3XlwTgp273u&avtc=1&avte=4&avts=1732633075&keywords=arduino+gyverkit
Аноним 26/11/24 Втр 18:58:09 567602 1021
>>567596
В самом дорогом куча датчиков и 2 нано (вместо 1 уно в других) Нано в наборе почему-то без клемников.
На самом деле, не думаю, что самый дорогой оправдывает потраченные деньги.
В своё время, я купил как раз самый дешёвый из твоих и заказал всякого с АлиЭкспресса на свой вкус - температурные датчики, пачку реле, нано, esp, многопозиционные выключатели, lcd экраны и всякие преобразователи напряжения. Самого набора вполне хватило для обучения (под интересующие мен задачи). Потом, правда, экран сгорел к херам и один из датчиков не работал сразу, но не думаю, что компоненты из среднего набора будут надёжнее, чем из первого.
Аноним 26/11/24 Втр 19:28:30 567605 1022
>>567596
>в чем разница
В цене.
>Что лучше?
Без задач - всё говно.
Аноним 26/11/24 Втр 21:22:01 567609 1023
>>567602
Дай бог тебе здоровья.
>>567605
Шоб тебе врач так в больнице диагнозы объяснял.
Аноним 26/11/24 Втр 22:31:23 567610 1024
>>567609
>Шоб тебе врач так в больнице диагнозы объяснял.
Но тот анон прав. Например, в одном наборе есть игрушечный серводвигатель, а в других нет. Будет это каким-то критерием при выборе? Да, будет, если тебе в перспективе может потребоваться что-то крутить этим двигателем. Но кто кроме тебя может решить потребуется ли тебе это?

А на счёт врачей, так они там в поликлинике тебе арбидол назначат при простуде, например. Как минимум все их назначения необходимо перепроверять самостоятельно, если здоровьем дорожишь.
Аноним 27/11/24 Срд 17:47:02 567636 1025
В чем смысл вообще покупать наборы? Нужно задачу себе ставить и покупать набор согласно сформированному bill of materials
Аноним 27/11/24 Срд 22:53:32 567650 1026
>>567636
Смысл тот же что и в любых других конструкторах для маленьких детей.
Аноним 28/11/24 Чтв 09:17:55 567660 1027
>>567636
у человека который покупает набор чаще всего нет никаких целей, кроме желания познакомиться с темой. Но допустим у тебя есть желание, собрать какое то конкретное практическое устройство, но нет опыта. В таком случае, ты даже не поймёшь, что тебе нужно,а что не нужно
Аноним 28/11/24 Чтв 19:24:33 567691 1028
>>567660
>>567660
ну относительно пердуины все слегка не так работает
и порядок действия вкатунца должен быть примерно такой
1 купить самую дешманскую пердуину
2 помигать светодиводами
3 выкинуть все нахуй
и если микороконтролеры зацепили купить нармальный погроматр нармальные контролеры макетные платы колодки тк через ботинок щъют только нубье рукажопы нищеброды и ленивые пидорасы а нармальные пацаны используют нармальный погроматр кстати из пердуины какраз и можно слепить погороматр
купить на торентах человеческую иде а не пердуино кал
и начинать лепить канкретные девайсы
а пока идет железо вызубрить синятину
Аноним 28/11/24 Чтв 19:27:27 567693 1029
>>567650
>для маленьких детей.
борда 18+
Аноним 29/11/24 Птн 07:42:48 567713 1030
1000057575.png 655Кб, 1600x1091
1600x1091
>>567691
Ардуина вообще не нужна, если честно. Если только для самого базового знакомства. Просто дешёвая плата которую не жалко спалить.

Есть божественное ESP32 которую со времён ESP8266 уже довели до ума. Мощный МК с интернетами и просто бесконечными возможностями. И в отличии от пердуны у ESP32 есть новые версии.

Стоит в два раза дороже, зато по возможностям не идёт не в какое сравнение с древней Атмегой.
Аноним 29/11/24 Птн 18:39:21 567739 1031
>>567691
Хоть ты и стекломойный ублюдок, но вот тут ты прям в точку!
>>567713
С ESP надо знакомиться, когда ты уже умеешь мигать светодиодом, знаешь, как инициализировать порты, таймеры и вот это всё.
Аноним 30/11/24 Суб 08:21:23 567766 1032
>>567739
> С ESP надо знакомиться
К слову код мигания светодиода абсолютно такой же, только вывод немного другой.
Аноним 30/11/24 Суб 09:04:31 567767 1033
3hw5h5w5h.png 610Кб, 1132x615
1132x615
>>567713
У еспшки дохуя нюансов. Чувствительность некоторых пинов к уровням при загрузке, шим на некоторых пинах при загрузке, конфликт половины ацп с вайфаем, нелинейность ацп, чувствительность к наводкам, баги RTOS, несовместимость некоторых команд старой и новой версии RTOS (все мануалы в инете под старую, документация на офсайте под новую), жестко прописанный размер некоторых буферов, который хуй изменишь, в целом слишком малое количество пинов для навороченных проектов, способность иногда по загадочным причинам блокироваться на прошивание (лечится хитрым пердолингом на питоне), кривая обвязка от некоторых производителей, отсутствие физического EEPROM с возможностью довольно быстро убить чип его эмуляцией, свои особые библиотеки в которых чёрт ногу сломит. Короче, в это всё врубаться надо.
Аноним 01/12/24 Вск 21:24:49 567827 1034
>>567767
Не могу опровергнуть и половину твоих аргументов. Думаю ты прав почти во всем. Однако, для меня возможность в беспроводные тырнеты перевешивают все недостатки.

Тем более, esp32 по популярности это вторая плата после МК на atmega 328, примеров более чем дохуя.
Аноним 02/12/24 Пнд 09:31:21 567838 1035
>>567827
Я бы дал градацию:
1. Для мелкохуйни, которая должна занимать минимум места на самодельной плате - аттини13 либо 85.
2. Для несложных проектов и быстрого прототипирования из говна и палок - атмега328, максимально изученная и предсказуемая.
3. Для интернетов, очень тяжёлых вычислений и всякой экзотики - esp32. В теории можно максимально шустрый 3д-принтер сделать, если правильно распределить пины.
4. Для полупромышленного оборудования, где нужно дохуя нормальных ног и надёжность - STM32F411 блэкпиллы.

>Однако, для меня возможность в беспроводные тырнеты перевешивают все недостатки.
Чтобы реализовать их потенциал в полной мере, а не только светодиодом с веб-кнопки моргать - надо уметь серьёзно так пердолиться с написанием приложений, иначе применений получается не так много.
Аноним 02/12/24 Пнд 17:33:58 567850 1036
>>567838
> Чтобы реализовать их потенциал в полной мере, а не только светодиодом с веб-кнопки моргать - надо уметь серьёзно так пердолиться с написанием приложений, иначе применений получается не так много.

Мне нравится то что можно легко синхронизироваться с ботами в телеге. Или в RemoteXY. Посоны ещё делают через брокеров сообщений, тоже збс, но я не пробовал. Это прям открывает массу возможностей как для мониторинга так и для управления.
Аноним 05/12/24 Чтв 20:06:38 568071 1037
>>567838
Вкатываюсь в голое железо.
Мой план вката такой:
1. Stm8 или ch32
2. Stm32, rp pico
3. Allwinner.
4. Esp32.

Пока только stm8 и stm32 осваиваю, остальное лежит.
Там кстати в новых rp pico 300 Мбитный порт есть (hstx), уже hdmi подключают чуть ли не нативно, нах другие контроллеры становится непонятно, когда pio эмулирует любой интерфейс.

С чем вы там пердолитесь если большая часть современного кода даже арифметики не содержит, тупо заполняются структуры и делаются вызовы.
Аноним 08/12/24 Вск 18:25:23 568221 1038
IMG202412081527[...].jpeg 51Кб, 595x595
595x595
IMG202412081522[...].jpeg 100Кб, 595x595
595x595
>>567130
* держу в курсе.
Пришел модуль tuya. Выдернул оттуда схему, выпаял (для безопасности) реле и собрал уже набело.
Стало в три разы компактнее, быстрее, тише и экономичнее.
Аноним 08/12/24 Вск 20:57:58 568229 1039
Где взять какой-то базовый запас радиодеталей, что может пригодиться?
Т.е. мне предлагают подключить светодиод через резистор или там ещё что, не покупать же копеечную хуйню специально.
Диды собирали хлам на помойках и выносили с работы, а сейчас как?
Аноним 08/12/24 Вск 22:03:04 568235 1040
>>568229
Тебе религия не позволяет подобрать и распаять на радиодетали хлам с помойки? Ну тогда пиздуй в чип и дип и покупай мелочёвку по 100 руб/штука.
Аноним 08/12/24 Вск 22:08:00 568238 1041
>>568235
Я уже сто лет не видел элт телевизоров, например. Всё что можно было выбросить, уже выбросили. Ну и какой-то старый ноут или планшет распаивать на смд детали? Лол.
Аноним 08/12/24 Вск 22:09:10 568239 1042
>>568229
Ну резисторы удобнее купить пачку, так как с мелкими немного дохуя ебли.
Я выпаиваю всякое из условно сломанной техники. Своей же. Разъемы, клеммы, переменные резисторы, диоды, термисторы и пр. С работы витую пару притаскиваю. Корпуса повторно использую.
А на свалке техника долго не живёт, её быстренько утаскивают на металл.
Аноним 08/12/24 Вск 22:09:56 568240 1043
>>568229
Продаются наборы по 10шт дохуя резисторов/конденсаторов.
Хотя я сам эту хуйню не люблю, покупаю поштучно ровно что надо
Аноним 10/12/24 Втр 14:03:21 568321 1044
>>568229
Покупаешь набор кондеров обычных, кондеров керамических, диоды, светодиоды, резисторы, транзюки. И все берешь разных номиналов.
Аноним 10/12/24 Втр 14:39:38 568323 1045
Аноним 13/12/24 Птн 16:49:54 568477 1046
>>568240
По итогу пользуешься 100 1к 10к 100к, остальное лежит. Я до старости наверное свой первый набор не истрачу.
Ёмкости вообще не нужны нигде, кроме питания. Радио не паяю.
Аноним 13/12/24 Птн 17:54:14 568486 1047
>>568477
Ну ты просто очень поверхностно вкотился.
При коммутации 3.3в и 5в уже бывают нужны резисторы недесятичных номиналов. Или для некоторых микросхем, где режим работы задаётся резистором.

Ёмкости становятся очень нужны, когда юный ардуинщик открывает для себя RC-фильтр, которым можно заменить софтварный и сэкономить дохуя байт и тактов процессора, если задействовано много ацп.

Зоопарк резисторов нужен, когда откроешь для себя операционные усилители. Например, холловские датчики имеют нулевой уровень в 2.5в, химические выдают милливольты, а тебе надо всё это привести в диапазон 0..3.3в. А с прикручиванием ёмкостей оно умеет дифференцировать и интегрировать.

Бывает шим нужен какой-то хитрожопый, который ардуина делать не умеет или пинов не хватает. Его легко сделать аппаратно, но тоже нужны R и C с разными номиналами, ещё и набор подстроечных желательно купить.

Много где нужны, короче, даже не прибегая к радио. Как только доберёшься до ситуации, где под специфическую задачу модуль на алике уже не найти - уходишь в это дело с головой, и обнаруживаешь, что многое можно охуенно упростить.
Аноним 13/12/24 Птн 20:04:04 568493 1048
>>568477
Делители напряжения. Я собираю что-то на термистрах - уходят сопротивления только в путь.
Аноним 15/12/24 Вск 12:01:03 568602 1049
Какую нагрузку можно подключать к ЦАПу Arduino Uno R4? По напряжению 5в, а максимальный ток нигде не написан.
Аноним 15/12/24 Вск 12:06:37 568603 1050
image 25Кб, 536x274
536x274
Аноним 15/12/24 Вск 12:18:40 568604 1051
>>568603
От души, анончик. А с помощью чего можно усилить его мощность? Мне бы при тех же 5в где-то 150мА надо.
Аноним 15/12/24 Вск 12:20:34 568605 1052
>>568604
Тебе что питать надо? Если лампочку какую-то, можешь ШИМить через транзистор/мосфет.
Аноним 15/12/24 Вск 12:38:22 568610 1053
>>568605
>Тебе что питать надо? Если лампочку какую-то,
Угадал, накал для ВЛИ. Предложенный тобой вариант видел, но я так понимаю что там все равно меандр с выбросами получится, да и мосфет будет греться, а если частоту неправильно подобрать то вообще все плохо будет.
Аноним 15/12/24 Вск 12:57:09 568612 1054
>>568610
А нахуя накалу регулировать напряжение? 1 раз выставил и всё.
Аноним 15/12/24 Вск 13:19:47 568615 1055
>>568612
Опасаюсь сжечь индикатор в процессе настройки. Тем не менее, можешь показать пример такого подключения?
Аноним 15/12/24 Вск 23:32:39 568671 1056
>>568605
А что если использовать усилитель звуковой частоты, например PAM8403? 3вт должно хватить. Решение получается из пушки по воробьям, но работать будет.
Аноним 15/12/24 Вск 23:43:38 568672 1057
>>568615
>>568671
Да подбери ты резистор нужный и всё.
Аноним 16/12/24 Пнд 23:10:46 568693 1058
>>568672
да ну его нахуй этого кретина - разобрал рабочие совецкие часы чтобы слепить какуето хуйню
у этого долбеня есть готовый от них питальниг но нет блядь он городит какуето хуйню
пердуинщик аз ис
Аноним 17/12/24 Втр 03:01:38 568698 1059
Есть борд-дефинишн для голой платы, чтоб "пины" тупо по порядку были к портам привязаны?
Аноним 17/12/24 Втр 22:24:35 568748 1060
>>568698
Сделал сам, всем спасибо.
Какой же радач полезный последнее время, почти все вопросы решил сам!
Аноним 17/12/24 Втр 22:29:52 568751 1061
Аноним 17/12/24 Втр 22:47:41 568754 1062
image.png 17Кб, 442x493
442x493
image.png 36Кб, 420x581
420x581
>>568751
this.
Профиты -
1) Можно спокойно шить j-linkом изпод ардуино иде голый чип, не надо ставить микрочип студио
2) При случае можно юзать ардуиновские библиотеки, которые базируются на "абстракции" ардуино
Пиздец, оказывается вся бизнес модель ардуино это тупо создание прокладки с маппингом пинов, при это, без ООП, за счет чего из одной микрухи можно развить целый зоопарк всякого нитакусиковского говно отличающегося только порядком пинов или вот у нас там на середние порта стоит светодиод со свездочкой, поэтому создадим таблицы дескрипторов чтоб это обходить ПИЗДЕЦ НАХУЙ ОР ВЫЩЕ ГОР, КАК ЖЕ ЕБУТ ГОЕВ
Аноним 17/12/24 Втр 22:57:39 568755 1063
>>567739
Есп ебанутый чип, пиздец просто. Конфигурируешь PWM, не ту частоту задал - импульсы пошли по соседней ноге, а не по той, которую конфигурируешь. У меня терпения не хватило в нюансах разбираться, очень сложно заставить его работать, когда нужно что-то что выходит за пределы баринской методички
Аноним 17/12/24 Втр 22:58:44 568756 1064
>>568755
Звучит так, что ты к одному каналу две ноги привязал. Меняешь один канал, меняются обе ноги.
Аноним 17/12/24 Втр 23:02:41 568757 1065
>>568756
Нет, я всё перепроверял тыщу раз, маски хуяски и прочее. Кал чип конфирмед, выбросил его.
Аноним 17/12/24 Втр 23:07:28 568759 1066
>>568754
>КАК ЖЕ ЕБУТ ГОЕВ
когда несколько лет назад - тогда радиач в части использования микороконтролеров представлял по истине жалкое зрелище я выразил эту мысль мочух влепил мне очередной пермач
Аноним 17/12/24 Втр 23:15:04 568760 1067
>>568757
Код у тебя, конечно же, не сохранился?
Аноним 17/12/24 Втр 23:24:13 568762 1068
>>568760
Конечно нет, я же не красноглаз опенсорсный, который зарепортит баг и будет три года ждать пока барин почешется. Проекты то сегодня надо делать.
Аноним 18/12/24 Срд 17:21:29 568825 1069
>>568759>>568754
>Пиздец, оказывается вся бизнес модель ардуино это тупо создание прокладки с маппингом пинов
Не только. Как минимум из коробки работают функции времени, и не надо пердолиться с прерываниями по таймеру, которые на разных камнях могут работать сильно по-разному. У ацп тоже может быть довольно хитровыебанный api с преднастройкой точности и сэмплированием, и всё это задаётся хуй пойми какими регистрами по схеме, которую надо знать. С шинами данных тоже могут быть нюансы.
>1) Можно спокойно шить j-linkом изпод ардуино иде голый чип, не надо ставить микрочип студио
Практически всё usb-ttl погроматором шьётся, если правильно подключить.
>2) При случае можно юзать ардуиновские библиотеки, которые базируются на "абстракции" ардуино
Нельзя, многие модули завязаны именно на wiring-функции ради кроссплатформенности. Там под капотом digitalWrite и delayMicroseconds. И придётся либо переписывать библиотеки, либо по сути писать своё кастомное ардуино-ядро под конкретный камень. Что, конечно же, можно сделать. Но за изящество и кастомность придётся расплачиваться дополнительным тяжёлым пердолингом на ровном месте. Ардуина эти вопросы плюс-минус снимает.

Ну а так, конечно, если выёбываться - то и в C++ много лишнего, на ассемблере гоев вообще не ебут, можно даже игру 3д экшон в 64кб сделать.
Аноним 19/12/24 Чтв 00:42:40 568854 1070
>>568825
Главный вопрос пропустил - зачем пердолиться с разными камнями, когда можно выбрать один и ебашить.
>Нельзя
Для тебя тупого, поясню, что я сделал - взял борд дефинишн с каой-то платы и дописал там пины. Т.е. библиотеки, работающие через капот, как раз и будут его юзать.
Второй главный вопрос кста, что библиотеки нахуй не нужны
Аноним 19/12/24 Чтв 11:58:43 568871 1071
>>568825
> не надо пердолиться с прерываниями по таймеру,
хуля там с ними пердолица? достаточно прочитать мануал отдуплить как это работает и пиздец а настройка производица один раз по томуже мануалу - посчитал условный ТМОД закинул в него в начале мейни при инициализации канкретную цифирь и поздец дальше работаеш только с его основными счетными регистрами да клацаеш битом пуска-остановки
тоже самое и со всем остальным железом цапами хуяпами и прочим барахлом
>задаётся хуй пойми какими регистрами по схеме, которую надо знать.
нахуй не надо просто надо знать где об этом прочитать
>то и в C++ много лишнего,
еще раз гой полоумный вкатунец не сравнивай жопу с пальцем кресты это в основном абстракции для крупных команд разработчиков где каждый занят своим куском кода - условной функцией и они максимально упрощают сведение всего этого барахла в кучу в один канкретный проект - такая себе ниебучая многозадачность где можно написать один кусок кода без наличия другого а асма это древний кастыль от которого давно отказались и всю низкоуровневую хуйню пишут на синятине либо все техже крестах
>писать своё кастомное ардуино-ядро под конкретный камень
сам то понял что сказал пердуинщик?
какое еще в сраку ядро? что ты под этим подразумеваеш?
контролеры не нуждаюца в операционке тк это как правило законченые устройства со своими строго определеными функциями - нахуй пылисосу стиралке микровалновке мультиварке операционка? вот чтобы что?
>>568854
>когда можно выбрать один и ебашить.
а какже это ваше современно молодо молодежно?
как школота тупая будет перед мэтрами выебываца?
> библиотеки нахуй не нужны
спорное утверждение - так или иначе куски кода кочуют из одного проекта в другой практически без изменений и если проект достаточно большой нет смысла засирать не изменяемой элементарщиной основной код да и таже матиша давно вылизана дедами практически до идеала посему иногда вот тупо целесообразней...
Аноним 19/12/24 Чтв 15:02:38 568874 1072
>>568871
>посчитал условный ТМОД закинул в него в начале мейни при инициализации канкретную цифирь и поздец дальше работаеш только с его основными счетными регистрами да клацаеш битом пуска-остановки
А если поменялась частота тактирования, всё пересчитывать, и uart и таймеры. Напишешь макросы, понадобится делать то же самое в рантайме. Напишешь функции и вуаля, ты придумал Ардуино.
Аноним 19/12/24 Чтв 16:16:20 568880 1073
>>568874
>А если поменялась частота тактирования
как она тебе поменяеца? там кварц целый стоит чтобы ниче нахрен не менялось но нет у пердуинщика почемуто должно меняца - ну вот нахрена?
Аноним 20/12/24 Птн 00:10:25 568887 1074
image.png 113Кб, 500x500
500x500
Взял себе модуль на 433, но там шаг ног какой-то мелкий, не влезают в стандратную хлебнодоску. Как подключить такое без анальных усилий?
Аноним 20/12/24 Птн 06:59:43 568897 1075
image.jpeg 129Кб, 480x480
480x480
>>568887
Купил пачку в мерлене, надеваю на пины вместе с проводом.
Аноним 21/12/24 Суб 07:56:19 568944 1076
>>568871
>куски кода кочуют
Библиотеки это аппаратно-независимый код, сформировать там документ PDF или вычислеть многочлен нахуй. А "библиотеки" ардуино это по сути драйверы, на компьютерах их место их под шконарем hardware abstraction level'a, в МК наружу лезут прост из-за недостатка ресурсов на нормальное структурирование.
Аноним 21/12/24 Суб 12:13:48 568949 1077
>>568874
>А если поменялась частота тактирования
>ты придумал Ардуино.
И как же в ардуйне настроить произвольную тактовую частоту?

>>568880
Например, чтобы понизить напряжение питания. Т.к. у большинства микроконтроллеров более высокие тактовые частоты требуют большего напряжения питания.
Аноним 22/12/24 Вск 00:08:34 568991 1078
03а.jpg 120Кб, 757x437
757x437
>>568944
у тебя в голове насрано
НАСРАНО
напомни вкатунец какое у тебя там образование?
3класса церковноприходской?
у тебя нет даже базы понимания сути абстракций зачем это и какова цель
>Библиотеки это аппаратно-независимый код,
>сформировать там документ PDF
начинай на пердуине приступать
если ты посматрел на трубе очередного дегенерата...
https://www.youtube.com/watch?v=2xKDe1cNjqc
>это по сути драйверы
собери все это дерьмо и отнеси его в музей дерьма
>>568949
>Например, чтобы понизить напряжение питания.
мой юный падаван ты слышал звон но не в курсе откуда он
> Т.к. у большинства микроконтроллеров
нигде этого нет
есть штатные и не штатные режимы работы
и понизив частоту ниже штатной ты не заставиш контролер жрать меньше может и изменица потребление но незначительно
но скорей всего возникнут глюки локальных перегревов...
опятьже в чем сакральный смысл понижения напр. питания?
чтобы вот что?
кто тебе долбаебу педальному мешает взять камень спецально предназначеный для...
но опятьже см пик я смотрю на вас на долбаебов вы мануалы жопой читаете?
раз за разом ору с пердуинщиков вместо того чтобы взять в руки болгарку там сварочник научица в токарку освоить фрезер - играть в реально взрослые игрушки эти ВЕЛИКОВОЗРАСТНЫЕ дегегенераты на скорость соревнуюца в сборке конструктора для лиц младшего дошкольного возраста и ладно был бы это совецкий железный конструктор - нет блядь у них безвариативный лего
сидит заяц на скамейке хуем долбит 3 копейки хочет сделать 3 рубля невыходит нихуя
Аноним 22/12/24 Вск 00:27:16 568993 1079
>>568991
Уймись дебилоид.

>нигде этого нет
Открой даташит на хотя бы на atmega328p, там будет. И у стм32 будет и у большинства из того что поновее.
>долбаебов вы мануалы жопой читаете?
Как раз наоборот. Ты может жопой и не читаешь, ты просто не читаешь что-то кроме 8051.
Аноним 22/12/24 Вск 00:29:50 568994 1080
>>568991
>нигде этого нет
Кстати, ты не тот раздел даже смотришь. Нужно смотреть разделы про тактовую частоту и напряжение питания.
А на первой странице просто рекламная информация по сути, которая дальше подробно расписана где и при каких условиях это будет.
Аноним 22/12/24 Вск 00:37:29 568995 1081
Screenshot2024-[...].jpg 369Кб, 1080x2340
1080x2340
>>568991
>нигде этого нет
Вот даже не поленился скриншот сделать из даташита на атмегу.

Так что жопой тут читаешь ты, а не я. Придется тебе это признать.
Аноним 22/12/24 Вск 02:41:01 569002 1082
03а.jpg 64Кб, 327x723
327x723
03б.jpg 177Кб, 792x1241
792x1241
>>568993
>Открой даташит на хотя бы на atmega328p, там будет.
и блядь? ты считаеш что я не знаю о возможности авр работать при 1.8в? на пониженой частоте?
ты отдупляеш смысл слов штатный и не штатный режим работы?
но вопрос тупица вкатунец был несколько в другом...
а ну да яже забыл это пердуинщики нить сути разговора...
в чем проблема открыть калькулятор и пересчитать частоты? таймера?
а проблема в том что ты пердуинщик и ты их НЕ ВИДИШ
ты ебаная тупая лошадь с шорами на глазах
и никто никогда тебя дегенерата не учил писать код
ПРАВИЛЬНО ЕГО ПИСАТЬ не так как какойто уебан с трубы такойже вкатунец дегенерат

теперь на пальцах
когда я пишу руками каждый таймер я реально развожу прерывания тое клацаю рубильниками в ручную
и да блядж у моего пусть и пропитого мозга хватает оперативы и вычислительных способностей держать в памяти все устройство ЦЕЛИКОМ
хуля там того устройства блядь? 2 внешних 2 внутрених рубильника всего 4
и да я знаю элементарное когда надо разрешить прерывание когда его запретить что значат основные апаратные биты тр тф еа ех еи и тд итп вот у меня это в памяти
и когда я запускаю отладочный код и тыкаю осцилографом в ту или иную ногу я ОЧЕВИДНО ОЖИДАЮ УВИДЕТЬ ТО ЧТО Я НАПИСАЛ
конечно иногда я вижу далеко не то что ожидаю но это уже моменты отладки и прочая борьба с ленью...
но
я
слегка
откланился от сути
а суть вот в чем
от тебя вот тупо ЗАКРЫЛИ
всю суть програмирования имено железа ты даже не кусок дерьма что высрал червь зумер ты гораздо гораздо в более глубокой заднице тебя можно сравнить с червем...
блядь офисный ПЛАНКТОН

поясню на примере стиралки
пик 2
тут если поменяеца частота кварца или твоего 328 то ты ахринееш пересчитывать всю программу
почему?
да потому что...
и вы пердуинщики пишите имено пик 2 но никак не пик 1
и мне срать мне нужна была стиралка быстро я ее и накидал на константах - как это сейчас модное слово? хард код?
не дошла элементарщина?
поясню на примере станков - токарки
имено с позиции вкатунца самоучки
тк по програмизьму у меня вышка а в токарку вкатывался сам
но блядь одно дело когда пилот формулы1 садица за приору и другое дело когда обезьяна из заниженой приоры садица в ф1
так вот
по началу не придавал особого значения роли задней бабки хотя в школе на трудах этому учили но там деревяшки и совершенно другая система крепления заготовки
а тут взялся резать длинющий вал финальный проект он сцука конусит и пиздец хотя вал диаметром 30мм и когда резал чистовые оставил поболя знал что палюбому какуюнить хуйню станок подкинет а ошибаца права не было надо было выполнить все за одну установку притом в достаточно сжатые сроки...
карочи вот имено тогда до меня и доперло...
а когда уже к деду с дип600 задал вопрос - типа а че надо жопу под каждую длину перенастраивать?
тот мне - ну типа да в этом и состоит твоя работа как токаря
тоже самое и с контролерами пердуинщики
в ЭТОМ и состоит суть програмирования микроконтролеров - в написании системы прерывания - имено описание КАНКРЕТНОЙ физической модели электрической схемы КАНКРЕТНОГО девайса буть то стиралка двигатель или дылдак твоей мамаши подключеный к вифи
но нет дегенераты рукажопые ламера начинают рассказывать человеку с высшим образованием ...
https://www.youtube.com/watch?v=2xKDe1cNjqc
о том сука блядь как взять и поменять частоту микро контролера
https://vk.com/video-206171461_456239051
я не спорю есть задачи где необходимо менять частоту работы всей системы но ебаный ты дурак никто не меняет частоту эталонной системы контроля - это вот тупо бессмысленно
на переправе коней не меняют
и кстати последние мои изыскания в плане написания системы прерывания показали что эта ваша пердуино логика чрезвычайно уебищна да да имено в плане универсализации системы прерываний
почему?
мало того что код начинает обрастать чрезмерным говноветвлением так еще и теряет так любимую вами кросплатформеность
но то срать основная жопа в том что растут неучтеные и никак не отлавливаемые ошибки самого камня в следствие возникающих колизий

сложно манечка для понимания?
да?
но нессы последний кусок дерьма который летит в твое ебало и который придеца проглатить
вам долбаебам дали такие ахуительные в авр таймира ебать мнеб такие на 51 архитектуре и вперед могут считать и назад и прерывание по указаному значению а не только по переполнению...
настраивай не хочу - но нет хочу жрать пердуино дерьмо

жрите дальше и измажтесь разрешаю
Аноним 22/12/24 Вск 03:16:12 569003 1083
>>568995
ты собрался 8милиампер экономить?
это один сраный светодивод
ты с головою дружиш?
Аноним 22/12/24 Вск 09:32:17 569007 1084
карина тупая.mp4 606Кб, 640x360, 00:00:10
640x360
Аноним 22/12/24 Вск 13:52:02 569022 1085
чарли1.mp4 1909Кб, 576x1024, 00:00:11
576x1024
03а.jpg 203Кб, 733x651
733x651
01ц.jpg 82Кб, 513x928
513x928
01ы.jpg 274Кб, 946x655
946x655
дивченки
я вспомнил
там эта теория минимакса была
очень сложная формула с хуевым количеством составляющих
но задача вот какая
в этом движке я попал в строб
ух бля реально как будто под меня его и мотали

интересно как пердуинщиги врасчают асинхрониками

прежде всего необходимо закалять СВОЙ разум
вот имено это
не теряца в базаре
даже под воздействием не благоприятных воздействий
стремица привести систему в равновесие
конечно существует и 2 вариант
я вас тут девачки не хило так даванул
ОСОЗНАНИЕМ СУЩЕСТВОВАНИЯ
извинити пажалуста
искрени извинямюсь
эти извинения касаюца только девочек
со всеми остальными НЕ девочками разрешите продолжить дальнейший разговор
бесмысленым

разрешите обассать ваше ебало

это гинетика это люди станки
отвечаю когда я был рядовым военной прокуратуры шакалы даже пописать права не имели в нашу рядовую очку
СИДЕЛИ И ТЕРПЕЛИ
https://vk.com/video79839919_160949226
потерпи с нами
https://vk.com/video79839919_160949226

ааа каюсь
мама наряжала меня примеряла когда я был савсем маленьким
платье на меня одевала для девочек сарафанчиг
я досих пор отбить ее мазги желаю
Аноним 22/12/24 Вск 13:58:37 569024 1086
>>568991
>у тебя в голове насрано
>НАСРАНО
>напомни вкатунец какое у тебя там образование?
>3класса церковноприходской?
>у тебя нет даже базы понимания сути абстракций зачем это и какова цель
Чел, я скуф, 20 лет хайлевел интерпрайза за плечами, некоторый икспириенс с ПЛИС, академическое образование по ООП, да, такие программы были в ранних 90х. Так что немного понимаю, а ты тут пытаешься что-то там умничать не по делу.
Аноним 22/12/24 Вск 14:29:42 569026 1087
>>552036
У него же в функции delay(100) есть, 10 раз в секунду - далеко не с частотой процессора
Аноним 22/12/24 Вск 14:49:29 569027 1088
>>569024
>а ты тут пытаешься что-то там умничать не по делу.
По моему тут ты тоже не прав. Википедия пишет:
>In computer science, a library is a collection of resources that is leveraged during software development to implement a computer program.
По этому определению библиотека это просто кусок чего бы то ни было, который можно заимствовать при разработке ПО. Это даже не код может быть, а текстовый файлик с коэффициентами, например. Либо определение из википедии некорректно. Впрочем, хоть как это называй, главное чтобы поставленные задачи выполняло. И сама постановка задачи была адекватной.

>некоторый икспириенс с ПЛИС
И что? А у меня это текущая работа, за недостижимую для шиза зарплату. Только для шиза я обычный тупой ардуинщег.
Аноним 22/12/24 Вск 15:07:32 569028 1089
https://rutube.ru/video/0be06e5539e3c7f1f794aa082aeb462e/>>569026
я незнаю
я сирота
и слезы тякут по моим щекам
но тебе до них недотронуца жадный кусок говна

что
неиспользуй упущение

сравнение будет лиш с твоей
а хохлы
где хохлы
он знает где принцесса будур
она сама сражаца
....
123
не сматри
Аноним 22/12/24 Вск 18:44:51 569033 1090
консерный нож.mp4 19370Кб, 368x276, 00:06:37
368x276
>>569024
я бы тебя трахнул
глубоко
еслибы прибор того
сделалбы это ногой
неоднократно
>понимаю
и думать забуть
приступай к исполнению
чащее интенсивнее наробатывай практику
вот бейся башкой и открывай двери ногами
поверь никто этого не сделает кроми тебя
но без дичи и прочей либерасни
да мы не можем но армия и убийство лююдей наше все
как толькро осознаеш этот простой факт
нет жизнь не станет проще
простой она никагда ни для кого...
и стремлеения упростить выходят боком
жить необходимо уметь
не стесняца бить в ебалро
а пизду вот тупо замечать
и если она говарит что ты дурак вот тупо хватай ее за сиськи и делай детей
я пошол по пути отрицалы
хуля толку теперь от этого жалеза?
Аноним 22/12/24 Вск 21:53:56 569046 1091
тикток дог.mp4 1795Кб, 576x1024, 00:00:10
576x1024
Аноним 23/12/24 Пнд 02:31:39 569069 1092
>>569033
О, первый раз у местного шизофреника видеорилейтед честно соответствует потоку сознания. Прямо автопортрет.
Дядя, ты бы уже сходил во-первых закодировался, во-вторых проверься у дохтора на симптомчики. Пусть пограничным состоянием ты и наслаждаешься, но вот пропустить деменцию такими темпами можешь запросто.
Аноним 23/12/24 Пнд 15:25:05 569077 1093
ивар.mp4 2286Кб, 640x360, 00:00:41
640x360
>>569069
вот скажи мне одну просттую вещ
нахрена копашить чужое дерьмо когда своего предостаточно?
и ты им в праве обмазаца по самое нихачу
непонял?
сматри что такое микро контролер?
современый микро контролер
это камень с высокой спепенью интеграции
камень в котором большое количество апаратных блоков
в чем проблема открыть мануал посматреть как эти блоки взаимодействуют работают и высрать свое желание?
например когда нас учили липиздронике нам хоть и объясняли что такое регистр суматр тригер шмита и прочую лабуду но в основная концепция была построена на принципе черного ящика
тое не важно как это работает на схематическом уровне достаточно знать что этот канкретный блок канкретно делает
например тотже суматр кидаеш ему на регисторы пару значений и он вот тупо тебе их складывает а если необходима операция вычитания то вычитаемое преобразуеш в задний вид и опять на суматр он складывает и ты имееш...
и ежу понятно что преобразование к заднему виду занимает какоето время
или теже сдвиги - да представляеш в камне уже есть регистр сдвига и ты просто посылаеш нужную команду чтобы данные из регистра пошлии на обработку в определеный канкретный блок
но есть одна жопа а имено в канкретных задачах присутствуют канкретные спецефические решения ну например синус хуинус и прочая группа техже расширеных инструкций ммх
тое вместо того чтобы писать длинющий код бросания говна на вентилятр тебе запилил условно говоря спец вентилятр с совочком который сабирает в кучу обработаное высушеное дерьмо и до кучи ложит на этот торт из дерьма вишенку
САМ кусок железа это делает и твоя задача состоит в том чтобы положить в эту мультиварку необходимое количество ингредиентов нажать кнопку ОДНУ и мультиварка запилит торт и положит вишенку

что такое пердуина?
это сраная хуета которая в себя вклюючила еще и группу доставки тое ты в приложении выбрал торт с вишенкой клацнул оплатить и торт едет к тебе доставщиг дает торт с вишенкой но когда ты его начинааеш потреблять ...
хуже когда доставщик попал в дтп - вот эти ебаные форсмажоры - или ты наивно пологаеш что в системе на 5кк транзисторов каждый из них имеет карактеристики такиеже как и у остальных?
система на пять девяток уже являеца штучной а китайское дерьмо это ширпотреб где вероятность отказа 98% и то хорошо
и если ты хочеш чтобы все работало ...
но вернемся в пердуину
ох уж эти уровни абстракций
нынешнии камни - микроконтролеры это высоко интегрированые устройства это кстати было всегда - например древний кусок говна мамонта 8051 имел на треть больше транзюков чем центральный процессор 8080 - да его просто облепили разномастным гавном и попытки убрать контролер памяти - и прочий северный мост были уже тогда
но одно дело когда у тебя китайцы на швейных машинках и другое дело когда отлаженая технология и заготомку для абибаса режет лазир
так вот авр - атмега это тупиковая чрезвычайно глючная ветвь развития и никто теперь уже в этом не самневаеца
одни порты ввода вывода через регистр сдвига чего стоят
очевидно что им пришлось разгребать то дерьмо - КОЛИЧЕСТВО того дерьма коим они облепили все еще тотже 8051 и да манечка 1 закон термодинамики ничто ни откуда не происходит все лиш переходит из одного состояния в другое
а такие были надежды на это решение - авр
мы думали они и оперативу 64кх8 впихнут и флеша для настроек высираемых самой программой в процессе работы
дада вот эти динамическаи аппаратные матрицы
когдаа камень реально смотрит за физической системой и сам прогнозирует ее отказы
хуй там нихуя этого нам не дали нам опять предоставили глючный лагучий кусок говна - жрите не обляпайтесь
не спорю таймира ахуительные а цапы хуяпы это вообще вот это ух бля притом что стоит сущие копейки...
но его обоссали заслужено но поскольку бабло вкинуто денежка както обязана возвращаца к капитаглисту этож не совецкие гулаги и расстрелы где или идиал или 15 лет минимум ...
карочи вот так и была высрана пердуина
https://rutube.ru/video/53b2a57a4502da722b4b01a81228fd8f/
но вместо того чтобы пиздюка школоту учить реальности
вот этому вот осознанию реальной реальности
ему строят кусок говна из говна закрывая его решотками через которые он не может даже просачица
а вот я был форточником
как шаз помню идем с корешем по зато и тут на встречу басист дивизионого аркестра он реально играл на этой огромной трубе
а как он спел победу
https://www.yandex.ru/video/preview/7552550377271459668
кабзон нерно курит в сторонке
но я отвлекся
разрешите продолжить
а тогда у нас в закрытом сельском поселении дивизия начался бардак начали трупы не то что детей яника проебалта за малолетку закрыли и на долго - чпокал 6-7 лет уебок меня в яму посадил и говарит не выпущу пока не отсасеш
я на отрицалу не выйду пока ты не уйдеш
а потом они начали закидывать мне в землянку ветош горящую промасляные тряпки
я долго сидел и отказывался выйти
а ноч вечереет и мамка опять наругает
я сказал об этом естествено
а они еще больше тряпок подбросили в землянку
девочку суки походу из меня васпитать хотели
но яже мальчик
карочи пересилила зов мамки и я решил вылезти
вылез а они штанцы уже спустили
я один а их трое
ии вот знаеш анон я так подумал
я жее тоже такой
карочи я уебал ему этому янику с кулачины пряма по письке
этоу боль я не забуду никагда
посих пор пуустя 30+ лет осчучаю ёе
а потом побежал и только пятки сверкали

но скажу тебе истину анон
если ты хочеш чтобы твое истиное исконное делалл ктото другой
то путь тебе судьба дорога - встань на колени своей лени
и приступай

но если ты центр земли черная дыра разума человеческого
смотриш на неизвестное критически и видеш в вещах подвох
то начинай копать глубже
пповерь прооблемы требующие решения будут гораздо интереснее

это ка то уровень абстракций
тебе дали хуйню которая крутит хуйней
в то время когда эта изначальная хуйня тебе явно доступна
конечно это необходимые уровни абстракций
и подключать библиотеки никто не запрешает
например жк индикаторчиги

просто необходимо не леница поока маленький изучать проттоколы
опятьже строение мозга вот имено человеческого канкретного
досттаточно раззнница от индивидуума к индивидууму
но всем даны базовые
уддивляет отсутствие желания
найти превзайти
пердуина для девчек?


ух бля высрал
для маленьких не жалко
Аноним 23/12/24 Пнд 15:33:40 569078 1094
Аноним 23/12/24 Пнд 16:26:11 569081 1095
чарли.mp4 3025Кб, 720x1280, 00:00:15
720x1280
01.jpg 168Кб, 844x622
844x622
Аноним 24/12/24 Втр 14:52:16 569115 1096
>>569077
я дико извиняюсь что стало с парнем на видео
Аноним 24/12/24 Втр 18:56:15 569133 1097
Даташиты не смотрел.
Нано или дигиспарк при подключении платки по USB питание с вывода 5 вольт выдают?
Мне надо простейший тестер ARGB(5V), чтобы подключить подсветку для проверки и оно прогнало по циклу цвета.
Дигиспарк без особых извращений примет прошивку от ардуино?
Аноним 24/12/24 Втр 20:35:01 569141 1098
Аноним 25/12/24 Срд 17:21:45 569266 1099
>>569133
>Нано или дигиспарк при подключении платки по USB питание с вывода 5 вольт выдают?
Ни нано, ни дигиспарк, ни сами usb-порты не выдают. Выдают где-то так 4.3-4.5в. Для чистой пятёрки надо подавать от 6в и выше, 5в при этом получаются через встроенный линейный стабилизатор.

>Дигиспарк без особых извращений примет прошивку от ардуино?
Смотря что ты называешь дигиспарком.
https://alexgyver.ru/lessons/digispark/
https://alexgyver.ru/lessons/tiny88/
В целом примет, но есть нюансы. Меньше таймеров, ебатория с дебагом в Serial, USBшный свисток может внезапно без видимой причины проебать загрузчик и превратиться в обычный Attiny85, шьющийся только через программатор (в таком виде, однако, работает стабильнее).

Касательно RGB там нужно три ШИМа. У аттини85 их три (но ног мало, и задействуется usbшная нога, а p5 ещё и ёбнутая), у аттини1488 их только два. Если попердолиться с программным ШИМом - можно применить обои два, но это надо попердолиться.
Аноним 25/12/24 Срд 19:09:02 569276 1100
>>569266
Спасибо за ответ, но уже самостоятельно всё выяснил. Питания для ARGB хватит. Программа влезет и управляться будет. И проекты уже готовые для ARGB в сети есть.
Аноним 25/12/24 Срд 19:25:08 569277 1101
ренге.jpg 42Кб, 416x417
416x417
>>569115
хз что в том сериале но по оригиналу шиф вышел 1на1 не помню где и ивара бесконого вот тупо замачили
отправили в неизвестность
мамка и один говарили
он бескостный не потому ч то
а потому что не смог принести наследника общему дому конангов
и посему было написано это проклятье в рунах

там конечно история разница от источника к источнику
но все истиные сходяца в одном
его прокляли завистники на самое зловещее точнее маму его на появление имено него
калеки

а писька не стояла - полная дисфунция
даже локи не возжелал им воспользоваца
в обоих смыслах

посему бескостному в вальгале за столом место ближе к ящику с трупами - по велению одина громовержца ивар бескостный достает кишки из корольков и бросает их на съедение самой любимой псине тора
псина их жрет и может издыхает
тор начинает
но один не соглашаеца
и слушает левый стол
но поскольку с лева локи а кишки уже выбраны
один принимает решение
куда молот тора нанесет очередное неминуемое поражение врагам

а потом опять пир полковниг на белом коне и осознание элементарного
https://vk.com/video-164222210_456239062
Аноним 26/12/24 Чтв 16:17:47 569356 1102
Кто-то работал с датчиком температуры DS18B20 на esp32 ?
Не видит его девайс, уже все пины пробовал, паразитную схему подключения и разные резисторы для обычной схемы, питал и от 5 и от 3.3в, толку нет.

на Nano завелось сразу, так что дело не в датчике, он рабочий.

Заливаю через platformioIO - может ли быть проблема в неверно выбранной board в platformio.ini ?
на обороте esp32 у меня написаноdevkit v1 (его и поставил в фреймворке) как и на странице заказа на ali, на чипе микроконтроллера написано wroom-32, прописал
platform = espressif32
board = esp32doit-devkit-v1

в общем, не понимаю в чем дело с этим датчиком и esp32, даже на форумах нет такой проблемы (там все упирается в неверное подключение). Если поставлю и настрою EspHome, есть надежда что там заработает?
Аноним 26/12/24 Чтв 18:17:30 569370 1103
>>569356
а тыкнуть осцилографом не судьба? а ну да нам же лень даже даташит открыть и посмотреть как работает этот 1вире интерфейс и нахрена спрашиваеца его писать самому когда есть готовая библиотека правда?
вот теперь и разгребай все то дерьмо что тебе понасрали пердуино разрабы
эта шина критична к длине стартового импульса но опятьже ты точно не знаеш где имено проблема
я вот просто хуею порой с такого подхода - берут сложнейшие камни и пытаюца чтото получить не зная при этом толком сам камень и элементарной хуйни
метод тыка штука хорошая но до поры до времени потом ты просто ахринееш вот тупо на обум клацать кнопачки перебирая все возможные и не возможные варианты в надежде что в 1001 раз оно какимто чудом заработает
Аноним 26/12/24 Чтв 18:54:41 569373 1104
>>569356
>то-то работал с датчиком температуры DS18B20 на esp32
Я на 8266 работал. Всё нормально работало.
Аноним 26/12/24 Чтв 19:02:22 569376 1105
44247521.jpg 11Кб, 225x225
225x225
>>569356
Отставить панику.
1) проверяешь подключение - может быть от баттхерта перепутал провода;
2) подключаешь логический анализатор и смотришь на обмен.

Чудес, как говорится, не бывает. Тем более, если с пердуино работает.

Чаще всего или ошибка в реализации интерфейса 1-Wire (возможно, надо задать какие-то настройки) или в неверно указанном адресе устройства (например, для шины I2C под есп32 надо указывать адрес утсройства без сдвигов для чтения или записи).
Аноним 26/12/24 Чтв 19:58:42 569388 1106
>>569370
осциллографа нет, какой посоветуешь заиметь?
По тону сообщения - я рад что ты-то вот умный, но ты лучше ничего не пиши новичкам, чем таким недовольным тоном абзац нулевой полезности, без негатива

>>569376
походу дело было в том, что у меня присутствовали 2 строки в .ini
>>pstolarz/OneWireNg@^0.13.3
>>paulstoffregen/OneWire@^2.3.8
в самом скетче у меня только #include <OneWire.h> написано
немного странно, что при этом компилятор походу тянет обе либы, в итоге хз к какой именно он обращается, но что-то идет не так. Ну вот, буду знать что "чистить" подобные места он не умеет и надо внимательней следить за потенциально конфиктующими либами.
Вот этот вот момент поправил и все заработало да.
Аноним 26/12/24 Чтв 20:02:41 569391 1107
666572098083.mp4 395Кб, 360x240, 00:00:11
360x240
>>569388
>памахите
>прошло 10 секунд
>всё работает
Аноним 29/12/24 Вск 01:03:40 569549 1108
>>569388
на какой денег хватит можеш на авито глянуть еще совецкие один совет глянь покупает ли этот продавец осцилографы - есть уроды которые скупают совецкие осциля выбивают из них всю прецизионку и драг металлы а на их место ставят китайское гавно - это уже не осцилограф тое если есть хотя малейшие подозрения...
ну или в нюфажем спраси
у меня с1-68 вполне хватает правд поебаца приходица чтобы поймать то что интересует
карочи лучше чтото чем савсем ничего
>>569391
ох уж эти живительные пиздюли
Аноним 02/01/25 Чтв 16:05:06 569758 1109
Господа, помогите ньюфагу, что-то не могу сообразить.
Делаю хуитку в машину, надо определить срабатывание одного датчика.
Датчик замыкается на массу (сопротивление околонулевое, в машине к нему лампочка подключена).
Планирую использовать для определения состояния датчика цифровой пин в режиме INPUT_PULLUP.
Собственно вопрос в чём: ардуино будет питаться от преобразователя, т.е. будет отдельно +5 В и отдельная масса, подключенная к этому же преобразователю. Ничего, что "масса" датчика, к которому я подключу вывод, будет как бы в другой цепи? По идее же электронам пофиг, куда бежать, лишь бы разность потенциалов была, правильно?
Защита от скачков напряжения, понятное дело, будет.
Аноним 02/01/25 Чтв 16:16:15 569759 1110
бамп
Аноним 02/01/25 Чтв 16:18:28 569760 1111
>>569758
Если на датчик приходит 12В и земляная нога в воздухе то там 12В и будет. Если добавишь резистор с диодом для защиты, то должно взлететь. Но это не точно, вдруг там нет 12В. Проверяй.
Аноним 02/01/25 Чтв 16:20:26 569761 1112
>>569760
Ещё смотри, что через резистор ты будешь подтягивать датчик к земле. Машина может это посчитать за срабатывание.
Аноним 02/01/25 Чтв 16:21:34 569762 1113
>>569760
>Если на датчик приходит 12В и земляная нога в воздухе то там 12В и будет
Спасибо.
Напряжение там должно быть поменьше - на него напряжение через лампу приходит.
Диод для защиты к массе подключать, я правильно понимаю?
Аноним 02/01/25 Чтв 16:22:22 569763 1114
>>569761
Это точно нет, там всё аналоговое. Датчик замкнулся - лампа загорелась, всё.
Аноним 02/01/25 Чтв 16:23:58 569764 1115
>>569762
Диод надо подключать к 5В. Чтоб лишнее напряжение скидывалось до 5В. Диод бери с наименьшим падением. Если рядом магазин возьми что-то специализированное типа USBLC6
Аноним 02/01/25 Чтв 16:28:45 569765 1116
>>569764
Понял. Для другой хуитки я брал диоды 1n4148, вроде бы нормально работает. Пойдёт?
Аноним 02/01/25 Чтв 16:34:03 569766 1117
image 48Кб, 444x612
444x612
>>569765
Не пойдёт. У ардуины лимит по входу VCC+0.5, у тебя минимальное падение больше 0.5.
Купи диод шоттки, например у 1N5817 падение от 0.1В
Аноним 02/01/25 Чтв 16:36:24 569767 1118
>>569766
Спс, так и сделаю.
Аноним 02/01/25 Чтв 17:23:06 569768 1119
>>569758
>Ничего, что "масса" датчика, к которому я подключу вывод, будет как бы в другой цепи? По идее же электронам пофиг, куда бежать,
Пздц 2025 г, зумеры отрицают базовые законы физики.
Оптопару ставь в разрыв датчика.
Аноним 02/01/25 Чтв 20:17:49 569771 1120
>>569766
P.S. ещё вопрос, на аналоговые входы делитель напряжения с резисторами 20кОм и 10 кОм нормально будет?
При 16 вольтах вроде бы 5.33 вольта после делителя получается, а в реальности у меня больше 14.5 не бывает, так что должно быть ок. А если регулятор в гене ебанётся и даст больше - для защиты поставлю опять таки диоды.
Аноним 02/01/25 Чтв 20:30:10 569772 1121
>>569771
Если диод и так поставишь, то зачем делитель? Но если хочется, делай делитель.
Аноним 02/01/25 Чтв 20:33:51 569773 1122
>>569772
А как аналоговый вход считывать без делителя?
Аноним 02/01/25 Чтв 20:49:14 569774 1123
>>569773
Тогда никак. Ставь делитель.
Аноним 02/01/25 Чтв 22:36:39 569776 1124
image.png 31Кб, 870x717
870x717
Так, ещё один вопрос. Хочу считать значение с датчика в авто, датчик переменного сопротивления, замкнутый на массу.
Хотел сделать через делитель, но потом подумал, что к датчику же ещё подключен индикатор на приборке.
Оно же не будет работать, правильно?
Как тогда быть?
>>569758-хуй
Аноним 02/01/25 Чтв 23:37:05 569779 1125
image.png 38Кб, 1485x562
1485x562
>>569776
Ты поехавший, без замкнутой цепи ток никуда не пойдет.
Вот схема, нагрузку датчика и оптопару подключаешь через ключи и всё работает независимо.
Аноним 02/01/25 Чтв 23:44:11 569781 1126
>>566344
вот именно, поддерживает ли его указанная хренота?
Аноним 02/01/25 Чтв 23:46:17 569782 1127
>>565868
как ты без мнимых чисел реактивные цепи считаешь, обморок?
Аноним 02/01/25 Чтв 23:51:24 569783 1128
что за очередной кретинизм вы тут высираете?
диводы оптопары хуева гора транзюков
оп дегенерат прихуйкай паралельно лампачке релюшку и пиздец
Аноним 02/01/25 Чтв 23:55:47 569784 1129
>>569783
ахаха стекломойный проснулся
Аноним 03/01/25 Птн 00:12:02 569785 1130
>>569779
Можешь подробнее написать прицип работы?
Аноним 03/01/25 Птн 00:17:32 569786 1131
>>569779
P.S.
>без замкнутой цепи ток никуда не пойдет
В другом приборе у меня ток вполне нормально с клавиши, запитанной от бортовой сети, ток шёл на вход ардуины, так что не очень понял, что в данном случае ему помешает.
Аноним 03/01/25 Птн 00:18:32 569787 1132
>>566344
пафос свой умерь.
твой кейл если авры когда-то и будет поддерживать, то с извращениями. А китайский контроллер вообще не авр, а неведомая хрень, условно имитирующая поведение 328p
Аноним 03/01/25 Птн 00:48:24 569790 1133
>>569787
это называеца стандартизация системы команд
тое строго похуй сколько транзюков и как они подключены достаточно знать что вот этот канкретный блок есть а как канкретно он работает уже срать
необходимо лиш знать какие команды он воспринимает сколько на это у него уходит времени и какие регистры он срет читает ну иногда использует другие блоки
и все это находица в заголовочнике а если его нет то открываеш даташит и пишеш сам
тое если пишут авр совместимый...
карочи иди нахуй
>>569785
он долбаеб
>>569784
ебало
Аноним 03/01/25 Птн 00:53:57 569791 1134
>>569785
Транзистор в режиме ключа - включен (есть ток на базе) -пропускает ток между коллектором и эмиттером. Ток базы идет через эмиттер, поэтому ключ ставится эмитером к земле. Ток базы нужен минимальный. Ключом мы независимо включаем лампочку, на неё идет ток, который ей нужен, и независимо включаем оптопару, которая тоже является ключем, и притягивает RX к земле.
Можно в принципе сделать как этот >>569783 предлагает, но не факт что реле сработает, т.к. лампочка скорее всего пожрет ток.
>В другом приборе у меня ток вполне нормально с клавиши, запитанной от бортовой сети, ток шёл на вход ардуины
Чем ты питаешь ардуину? Там наверное таки нет развязки по факту и земля все-таки у ардуины с бортовой сетью общая. Тогда огород городить не надо, можно обойтись делителем. Но тут пару месяцев назад один персонаж долго страдал от земляной петли на станке, так что питать ардуину через изолированный источник это здравая идея
Аноним 03/01/25 Птн 00:55:59 569792 1135
Аноним 03/01/25 Птн 01:04:29 569793 1136
image.png 454Кб, 680x680
680x680
>>569791
>и независимо включаем оптопару, которая тоже является ключем, и притягивает RX к земле
Оптопара, по сути, как реле работает? Вкл-выкл?
>Чем ты питаешь ардуину?
Пикрилейтедом планировал питать, или чем-то похожим.
Аноним 03/01/25 Птн 01:15:20 569794 1137
>>569791
>т.к. лампочка скорее всего пожрет ток.
ключевое слово паралельно
>>569792
ебало уткни
>>569793
> как реле работает?
утрировано да но на практике...
лепи релюшку и не трахай мозг
и что за датчик?
Аноним 03/01/25 Птн 01:24:02 569796 1138
image.png 149Кб, 722x722
722x722
image.png 1820Кб, 1000x839
1000x839
image.png 35Кб, 1280x841
1280x841
>>569793
>Пикрилейтедом планировал
Ну там земля общая, так что можешь .
Оптопара, да, как реле, там светодиод и фототранзистор.
Алсо можешь сделать ход конём для ленивых, подключить через logic converter (ну там тупо мосфет к с выводами, продается в любом ардуиномагазе), он хавает до 20в.
Тут я ещё чет с размаху сразу нарисовал что датчик снизу от лампочки, что в принципе маловероятно, так что нижний варик скорее всего будет проще всего
Аноним 03/01/25 Птн 01:25:18 569797 1139
>>569794
>паралельно
Я ж и говорю, стекломойное говно не знает как ток идет в параллельных цепях. Если ток в цепи лампочки ограничен, а её сопротивление меньше сопротивления реле, то реле не сработает.
Аноним 03/01/25 Птн 01:27:41 569798 1140
>>569797
> Если ток в цепи лампочки ограничен
ну например чем?
Аноним 03/01/25 Птн 01:28:22 569799 1141
>>569798
Если лампочка это светодиод 20мА/3в то резистором порядка 500 ом
Аноним 03/01/25 Птн 01:30:07 569800 1142
>>569794
>утрировано да
Тогда это не сработает, как и реле. Мне надо показания датчика считать, он переменного сопротивления.
>что за датчик
Датчики температуры, уровня топлива, давления масла. У них сопротивление меняется от 0 до примерно 300-350 Ом.
У приборов, которые к ним подключены, сопротивление обмотки 120 Ом примерно.
Может, можно сам прибор использовать как один из резисторов делителя? Подать напряжение между прибором и датчиком на вход ардуино, через ещё один резистор, чтобы понизить до <5 вольт.
Аноним 03/01/25 Птн 01:30:35 569801 1143
В целях безопасности в тазу ток должен быть ограничен везде до минимума, как мне кажется. Иначе таз сгорит нахуй. Впрочем я в тазах не специалист.
Аноним 03/01/25 Птн 01:31:06 569802 1144
>>569796
Спс, но я там выше написал - у меня не просто лампочка вкл-выкл.
Аноним 03/01/25 Птн 01:31:59 569803 1145
>>569800
Ебать нюанс открылся. Давай ещё раз сначала, что там надо мерить вообще подробнее
Аноним 03/01/25 Птн 01:33:19 569804 1146
Может тебе стоит просто второй датчик туда привинтить такой же, подключенный к ардуине?
Аноним 03/01/25 Птн 01:35:56 569805 1147
Я чето зацепился за слова "срабатывание одного датчика", думал тебе дискретное значение надо
Аноним 03/01/25 Птн 01:39:15 569806 1148
>>569803
>Ебать нюанс открылся
Сорян, я написал про это раньше, но, видимо, слишком косноязычно.
Хочу мерить показания датчиков температуры, давления масла и уровня топлива.
У них меняется сопротивление в зависимости от, собственно, уровня того, чего они меряют. К ним подключены приборы с обмотками - чем меньше сопротивление датчика, тем сильнее обмотка стрелку отклоняет от нуля.
Я же хочу добавить цифровые индикаторы под управлением ардуино. Я сначала думал взять +5 вольт от ардуино и пустить их на массу через резистор и датчик, как опорное напряжение делителя - но забыл про то, что к датчику ещё и прибор подключен.
Теперь вот думаю, что прибор и датчик - это уже готовый делитель, с которого можно снимать показания, правильно?
>>569804
>второй датчик туда привинтить
А "туда" - это куда? В бак второй датчик врезать? В теории можно, конечно, но это адская ебля будет. А датчик температуры вообще в блок цилиндров вкручивается. Это надо для второго сверлить отверстие в канал охлаждения, с резьбой.
Аноним 03/01/25 Птн 01:39:41 569807 1149
>>569805
Да, сорян, я сначала про дискретное писал, а потом начал про аналоговое.
Аноним 03/01/25 Птн 01:50:01 569808 1150
>>569806
Понятно, ну тогда да, подключай через делитель достаточно большими сопротивлениями, порядка 100к.
Делал миди контроллер из 500к резистора, т.к. других не было под рукой, нормально замеряется аналоговый вход с него, работать можно.
Аноним 03/01/25 Птн 01:50:51 569809 1151
04.jpg 157Кб, 853x555
853x555
>>569799
очнись дура никто такой хуйней в авто не занимаеца а если и заменяют лампы накаливания на светодиводы то резюк ограничивающий ток светодивода устанавливают в саму "лампачку"
тое + питания через передохранитель идет на лампу а с лампы на датчик который одним концом - своим корпусом как правило вкручен в картер - это датчики масла и температуры
>>569801
передохранитель - там целая доска с ними
>>569803
не лезь она сажрет тебя
>>569803
>>569805
пердуинотред с пердуинщиками
>>569804
а смысл?

>>569806
а теперь вопрос что за жопавозка? инжектор?
например в тойже десятке хуятке из мазго выходит К линия и там ВСЕ в цифре тое ты ищеш этот интерфейс и читаеш напрямую с мазгов
>давления масла
там стоит контакт на фиксированое значение
>датчиков температуры
один по охлаждайке или маслу если это воздушник
опятьже вопрос инжектор или карб очень много значит
>что прибор и датчик
если карб ...
карочи гугли канкретную схему канкретной жопавозки
ванговать тут никто не сабираеца
> В бак второй датчик врезать?
родной нахуй но ты обасрешся да и цифра там которую ты увидиш тебя не обрадует
Аноним 03/01/25 Птн 01:53:57 569810 1152
>>569808
> порядка 100к.
и будет он мерять помеху автолипиздроника только на первый взгляд кажеца - да хуля там... а начинаеш лезть ахуеваеш от подводных а в голове одна только мысль - нахуй я туда полез?
Аноним 03/01/25 Птн 01:56:39 569811 1153
>>569810
И че, даже фильтр не поможет?
Аноним 03/01/25 Птн 02:02:23 569812 1154
>>569811
поможет вот только... дальше продолжать?
Аноним 03/01/25 Птн 02:02:54 569813 1155
Аноним 03/01/25 Птн 02:04:08 569814 1156
>>569813
пердуинщиг его не осилит
Аноним 03/01/25 Птн 03:04:11 569818 1157
image.png 274Кб, 379x307
379x307
>>569809
>а теперь вопрос что за жопавозка? инжектор?
>например в тойже десятке хуятке из мазго выходит К линия и там ВСЕ в цифре
Инжектор, но давление масла и топливо не в цифре.
Подключение к ЭБУ тоже буду делать, но там только температура из датчиков.
>там стоит контакт на фиксированое значение
Нет. "Контакт на фиксированное значение" - это для лампы аварийного давления. А меня стрелочка интересует.
>карочи гугли канкретную схему канкретной жопавозки
Мне не надо ничего гуглить, я её наизусть знаю. Надо было только сообразить, как туда ардуино присрать. Но вроде бы разобрались уже.
Аноним 03/01/25 Птн 06:27:29 569820 1158
Как у вас тут весело.
Аноним 03/01/25 Птн 11:03:57 569827 1159
>>569818
> я её наизусть знаю.
ну тогда береш витую пару 1й к+5в 2й в нос 3й к залупе 6й в жору
на стороне компа обжимаеш как на комп - пары "перепутываеш тое 36 12 также необходимо создать эмиссионный ток - с десяток витков вокруг члена и в 220 через стартер от люминисцентной лампы
на компе настраиваеш удаленое подключение ищещ в инетах передачамыслей.длл регаеш ее запускаеш мылач и анон прочитает твои мысли
Аноним 03/01/25 Птн 11:26:04 569830 1160
>>569790
стандартизация это хорошо, но т.к. я не нашёл быстро, как этого кейла подружить с АВР и тем, что ими притворяется, то прогнозирую геморрой, даже если найду чуть позже.
У сабжа лишний таймер, смена частоты на ходу и так далее, чего в авре нет. Его родной авровской средой мучать - уже шансы получить странности, что же будет с твоим кейлом, который на 8051 и АРМ, а про АВР там ничего не говорится, хотя может кто-то и приделывал.
ЛГТ занимается один латинос, Буезос его фамилия, он для лгты сделал либу, так поставится оно в кейла или как?
Аноним 03/01/25 Птн 11:48:39 569832 1161
>>569830
>как этого кейла подружить с АВР и тем, что ими притворяется
Ты шизик. В кейле нет компилятора для системы команд AVR. Есть только ARM и 8051. Никакой "либой" в кейле ты не приделаешь генерацию кода под другую систему команд.

Если бы ты понимал что делаешь, то для AVR или LGT тебе было бы достаточно avr-gcc и make.
Аноним 03/01/25 Птн 13:02:23 569837 1162
>>569827
Уже все всё поняли, кроме тебя, а ты всё паясничаешь.
Аноним 03/01/25 Птн 14:15:47 569842 1163
космос.mp4 7096Кб, 640x352, 00:01:15
640x352
>>569832
> В кейле нет компилятора для системы команд AVR.
пару лет назад? хз не помню... карочи когда переходил с резонанса на кеил и качал то своими глазами видел у них на сайте иде под авр
сейчас их сайт в бане и ткнуть носом не могу да и нет желания
>>569830
> лишний таймер, смена частоты на ходу и так далее, чего в авре нет.
и че? у 8051 есть камни и с 2мя и с тремя таймерами и 8 внешними прерываниями и не вижу никакой в этом проблемы надо используеш не надо не используеш - совместимость тем более обратная это не микроконтролеры - это не айбием совместимые системы кретин
а нуда тыже рукажопый ленивый пердуинщик за которого систему прерывания пишет
>один латинос, Буезос
еще раз или ты изучаеш как работает канкретный камень и его отдельные блоки - вот эту базовую БАЗУ либо лятиш нахуй -тыкай мыкаеш в надежде что в 1001 раз заработает это железо и оно спецально так сделано чтобы вкатунец с 3мя классами церковно приходской школы 20 лет пасший баран и спустившийся позавчера с гор зашибать большую деньгу вот тупо обосрался даже тыкнув кнопачку 50000раз и не смог прикрутить свою пердуину к условной сракете и уебать условный белый дом

еще раз для пердуинщиков - контролеры это боль - ебля и боль и особую боль испытывают системщики склад мазгов которых заточен под ооп тк наивно пологают - да хуля там шаз скачаю подключу либу и все заработает - регистры хуистры? нахуй не упало это байтоебство - хуй это так не работает если хочеш чтобы твоя прошива работала а не глючила необходимо вот имено знать что ты делаеш притом отдуплять всю систему целиком как что и с чем взаимодействует имено на нижнем уровне про наличие знаний липиздроники я вообще молчу - и не стоит надеяца на програмное усреднение и прочие помехоподавления - любой контролер даже универсальный это СПЕЦИАЛИЗИРОВАНЫЙ девайс со своими проблемами и качелями а не магический ящик в который ты положиш гавно а на выходе получиш конфетку - хуй - чудес в природе не бывает и из говна получаеца еще большее гавно
а этот >>569830 кретин мне опять засирает мозг о смене тактовой частоты на лету но так и не ответил на канкретный вопрос где он сабираеца а главное с какой целью это использовать
>>569832
и опятьже я не говарил что кейл это панацея - лекарство от всех болезней это просто достаточно хорошая иде и глупо надеяца на то что она все сделает за тебя но мне понравилось тк была хуева гора кода мною лично написаного и он заработал фактически с разу посли копипаста
в туже кучу кстати и чатгопоту и прочие ии в которых один хуй придеца разбираца- невериш? сходи в \б в те нейрореквесты где они "рисуют" жопы и попроси показать промт который... туже самую хуйню мы слышали и 40-30 лет назад когда чпу к станкам прикручивали - токари типерь не нужны... тоже самое - художники типерь не нужны мы слышали когда только появились теже фотожопы и колирдро
это всеголиш инструмент и пользоваца им учица один хуй придеца
и чем быстрее вы кретины это осознаете и начнете грызть даташиты на ваши КАНКРЕТНЫЕ камни имено камни а не архитектуру тем быстре...
>>569830
теперь что касаемо твоего LGT328
отдупли один простой момент - существуют вообще закрытые архитектуры "копии" сделаные на заказ и не предназначеные для всякого рода вкатунцов - широкого круга - думаеш пиздоглазы от нехуй делать затирают маркировку? это бабки огромные деньжища и ты - хуй с горы там нах не упал логика? построили пиздоглазы завод по производству канкретных мультиварок заплатили бабки за разработку спец контролера... дальше продолжать?https://youtu.be/_GQ2RfZBfxg
Аноним 03/01/25 Птн 15:41:25 569849 1164
Снимок экрана 2[...].png 255Кб, 1335x1028
1335x1028
>>569842
>карочи когда переходил с резонанса на кеил и качал то своими глазами видел у них на сайте иде под авр
Увы, но память тебя подводит.
Аноним 03/01/25 Птн 16:15:04 569853 1165
image.png 51Кб, 1917x881
1917x881
>>569808
>ну тогда да, подключай через делитель достаточно большими сопротивлениями, порядка 100к.
Ещё раз уточню на всякий, правильно ли я понял схему?
Аноним 03/01/25 Птн 16:31:35 569856 1166
>>569853
Типа того. Но я бы не расчитывал что всё сразу будет хорошо работаь. К тому же датчик не совсем делитель, уровень скорее всего будет логарифмический/экспоненциальный, то есть потеря точности на каком-то конце гарантирована.
Так что рекомендую не теоретизировать а идти и подтыкать провода, вооруживщись осцилографом.
Аноним 03/01/25 Птн 17:46:53 569857 1167
image.png 7Кб, 724x149
724x149
image.png 5Кб, 716x117
716x117
>>569856
Да я особо и не расчитываю на какую-то точность.
Для датчиков есть грубые таблички зависимости сопротивления от измеряемой величины - этого должно хватить.
А осциллографа нету. Может, посоветуешь какой-нибудь недорогой и годный?
Аноним 03/01/25 Птн 18:07:17 569858 1168
>>569857
Самый дешманский FNIRSI за ниже ста баксов норм.
Одноканального ток маловато будет, двухканальный всяко лучше.
Аноним 03/01/25 Птн 18:09:38 569859 1169
>>569849
это 5й ювижин это другое это чисто 51архитектура и условно совместимые как таже 251 есть и 4й ювижин и я точно помню что видел там авр - еще подумал мож и его качнуть? а потом посмотрел это отдельная иде тое ставить 2 сразу пусть и от немецких дотошных педантов такое себе
>память тебя подводит.
даже если и так то это не отменяет всего выше написаного - необходимости знания канкретного куска железа и общего принципа построения контролеров в части системы их пограмирования
а имено стоит избегать наслоения различных "библиотек" упрощающих жизнь
да для вкатунца помигать светодиводами пойдет ну или для типовых обсосаных до костей задач но для болеменее "серьезных" решений где требуеца... это 5 колесо в телеге - заебешся выискивать как и в какое время та или иная функция метод использует канкретный блок и гдето выше я писал причину по которой в сверлильном проекте отказался от "распределеного" таймера моняторящего несколько процессов...
кстати когда в пердуино скечах увидел строчку - далай(ххх) первая мысль - они че там савсем ебанутые?
позже глянул и понял что это имеет право на жизнь - по сравнению с таймерами 8051 авр таймера это "революция" но в руках пердуинщика эта революция - точнее ее плоды получаюца не как у великой октябрьской а больше похоже на скачки носатых арабов и прочих скаклов
почему? выше писал об особеностях фунциклирования мозга пограмистов заточеных под ооп - сам некоторые не явные моменты отдуплить не мог достаточно долго но опятьже я начинал изучать контролеры тогда когда не то что пердуины - авр и в помине не было тое не было этого кастыля - и мое развитие шло пусть и долго и с падениями но в верном направлении тое я сначала ногами руками шевелить научился потом ползать потом ходить - падать подымаца мазать локти и каленки зиленкой и уже потом бегать... но пердуина своим кастылем дает ложную увереность - иллюзию в то что если взять в руки еще один кастыль и достаточно быстро ими обоими махать то можно и полететь а особо отбитые как тот велоблядок с мотача питонщиг присирают еще пару кастылей к ногам и сигают с крыши дома...
>>569857
вот она канкретная иллюзия
если по давлению датчик реально аналоговый и его можно затарировать в табличку то с топливом все гораздо гораздо хуже
разбери и посматри что из себя он представляет и может быть ответиш на вопрос что такое на этом https://2ch.hk/ra/src/550854/17358582530320.jpg пике а если включиш мозг то ответиш и на другой вопрос где я обасрался кстати там целый ряд проблем и почему такое применяют только в авиации
>этого должно хватить.
это в конечном итоге будет даже не уровень стрелки - всеравно что стамеской колоть дрова
>А осциллографа нету.
без осцилографа лезть к контролерам даже и не стоит - мультиметром ты там намеряеш ровно нихуя
>посоветуешь какой-нибудь недорогой и годный?
сюда >>569549
Аноним 03/01/25 Птн 18:11:25 569860 1170
>>569859
>есть и 4й ювижин и я точно помню что видел там авр -
там это на сайте кейла а не в 4 ювижине
быстрофикс
Аноним 03/01/25 Птн 18:12:54 569861 1171
image.png 672Кб, 800x800
800x800
>>569858
>FNIRSI
ZEEWEI то есть. Ну там их наверное под разными названиями дохера
Аноним 03/01/25 Птн 18:19:40 569862 1172
>>569858
Спс.
>>569859
>то с топливом все гораздо гораздо хуже
С топливом хуже только в том, что там надо демпфировать значение до усёру. По датчику топлива тоже табличка есть, и я её даже запостил в предыдущем посте.
>разбери и посматри что из себя он представляет
Реостат обычный, с поплавком.
>это в конечном итоге будет даже не уровень стрелки
Да ты шо.
>без осцилографа лезть к контролерам даже и не стоит
Хорошо, что я этого раньше не знал - полез и получилось. Думаю, в этот раз тоже получится.
Честно говоря, я вообще не вижу, нахуй мне там осциллограф упёрся, когда у меня там постоянный ток и дискретные сигналы, либо аналоговый сигнал, меняющийся со скоростью улитки.
Больше похоже на высер тролля, уж извини.
Аноним 03/01/25 Птн 18:23:02 569863 1173
>>569862
>нахуй мне там осциллограф упёрся
С осцилографом ты можешь присунуть щуп и увидеть характер сигнала, а без ты будешь шить прошивку и пырить лог, расчесывая ебало, "а хуле же тут значение трасётся яннп", очень время экономит
Аноним 03/01/25 Птн 18:25:18 569864 1174
>>569863
>С осцилографом ты можешь присунуть щуп и увидеть характер сигнала
Да, но какой там может быть характер сигнала в моей задаче, когда самое сложное - это реостат в датчике и бултыхающийся поплавок в баке.
Аноним 03/01/25 Птн 18:30:38 569865 1175
>>569864
>но какой там может быть характер
Ядумаю это как раз будет твоя основная проблема, потому что с последовательно включенного переменного резистора будут показания "странные", придется подбирать ещё какие-нибудь корректирующие сопротивления, страдать кароч операционный усилитель припаять придется
Аноним 03/01/25 Птн 18:41:13 569866 1176
>>569862
>Реостат обычный
реостат да
обычный - хуй
поэтому тебе и предложено его разобрать и посмотреть
>Да ты шо.
да то
>я вообще не вижу, нахуй мне там осциллограф
ты мал и глуп и не видал больших залуп
>>569864
ты в силу своего невежества отсутствия опыта и канкретных знаний многие параметры принимаеш за эталонные константы когда на деле таковые ими не являюца также ты слегка похоже не отдупляеш КАК работает адц
>>569865
>операционный усилитель
он не знает что такое резистивный делитель...

а в итоге все закончица с чего и началось - обычной стрелкой
Аноним 03/01/25 Птн 18:45:05 569867 1177
>>569865
>потому что с последовательно включенного переменного резистора будут показания "странные"
Они будут ровно такие, какие положены по допускам завода-изготовителя датчика. Потому что иначе стрелка на приборе будет хуйню показывать.
>придется подбирать ещё какие-нибудь корректирующие сопротивления
Зачем, когда можно в программе любые корректирующие коеффициенты сделать.
>>569866
>а в итоге все закончица с чего и началось - обычной стрелкой
А должно чем закончится? Постройкой межгалактического звездолёта?
Аноним 03/01/25 Птн 18:56:32 569869 1178
>>569867
> можно в программе любые корректирующие коеффициенты сделать.
не можно
и я кажеца предлогал вот тут >>569859
ознакомица с пиком и включить мозг
и тамже а может выше писал о понимании работы системы в целом
карочи кто не умеет работать головой работает руками а в особо запущеных случаях и ногами
>А должно чем закончится?
в данном случае стрелкой ну или (это не про тебя) высиранием альтернативного решения
Аноним 03/01/25 Птн 18:58:04 569870 1179
>>569867
>Зачем
Затем что весь полезный диапазон измерений внезапно окажется в пределах 1-2 бит и засрется шумом.
Аноним 03/01/25 Птн 18:58:15 569871 1180
Аноним 03/01/25 Птн 19:00:20 569872 1181
>>569870
Напряжение на входе ардуино должно быть от около нуля до примерно 3-4 вольт, если я правильно посчитал. Вполне достаточно для измерений.
Аноним 03/01/25 Птн 19:06:50 569873 1182
>>569871
ок потролю очевидным
тупой вопрос а от скальки до скальки пляшет бортовая сеть твоей жопавозки?
Аноним 03/01/25 Птн 19:12:51 569874 1183
>>569873
От нуля при отключенной массе напряжения акб до 14.5 вольт.
Если что, это тоже можно учесть в программе, так что не затролел, незачёт.
Аноним 03/01/25 Птн 19:31:59 569875 1184
>>569874
там 10% сям 5% и за маму 3% за папу 5% и за бадушку процентик за дедушку...
в итоге древний кусок говна мамонта - стрелка окажеца точнее и стабильнее твоей сверхсложной ламучей пердуины
Аноним 03/01/25 Птн 19:33:27 569876 1185
>>569875
>маааам ну окажеца же мам ну скожи иму
Недотраль, тебе ещё не дошло, что на меня твой траленк не действует? Угомонись.
Аноним 03/01/25 Птн 19:38:44 569878 1186
>>569876
действовать он начнет тогда когда ты тарировать этот датчиг по уже имеющейся стрелке начнеш
Аноним 03/01/25 Птн 19:44:04 569879 1187
>>569878
Постарайся яснее выражать свои мысли, а то не очень понятно, в чём твоя будущая перемога заключается.
Аноним 03/01/25 Птн 20:13:04 569882 1188
>>569875
Трансуха в треде-я спокоен. Главное не поминать Линейные VS Импульсные, у него от этого чердак рвет.
Аноним 03/01/25 Птн 20:29:38 569885 1189
>>569874
Вообще-то в настоящих машинах на датчики бортсеть никогда не идет, как раз из-за ее нестабильности по определению, На точные датчики с которыми работает ЭБУ обычно идет 5 вольт, на датчики которые заведены на панель приборов может идти 10-8 вольт, сформированные линейным стабилизатором в самой приборке. А вот например в игрушечных машинках по типу ГАЗ66 указатели сделаны чрезвычайно хитро, один в один со старинной Америкой. Крестообразная обмотка стрелки которая не просто отклоняет стрелку, а диффериенцирует протекающие токи по катушкам. Одна катушка стремиться отклонить стрелку право, вторая влево, но датчик ослабляет поле противодействующей катушки и стрелка показывает величину, не трясется. Там применен датчик с очень маленьким сопротивлением, его можно запитать от 10 вольт и протарировать, можно через дифф в аналоге остаться, но лучше его выкинуть и протарировать например более "Длинный" датчик, чтоб литр не 0,001 вольт был. Чего ты там вообще вытворяешь? Но чтобы не вытворял не надо программно компенсировать колебания бортсети, это оглоебство, датчики всегда надо питать ниже бортсети стабилизированным питанием
Аноним 03/01/25 Птн 20:30:44 569886 1190
>>569879
тролинг тупостью на этой борде не работает точнее работает ровно в противоположном направлении - ты ебало сам себе обоссываеш на потеху публике
такчта включать дурака не советую
>>569882
ох уж эти пердуино перефорсы
обассали обтекай
Аноним 03/01/25 Птн 20:34:35 569887 1191
>>569886
>тролинг тупостью на этой борде не работает
Я тебе про это и говорю. Заканчивай.
>>569885
>Чего ты там вообще вытворяешь?
Что бы я там не вытворял, ответы на вопросы я уже получил, так что пойду дальше вытворять. Удачи.
Аноним 03/01/25 Птн 20:44:22 569889 1192
>>569885
эти 2 катушки предназначены несколько для другого - гугли астатичный амперметр и нахрен она эта астатичность там нужна
>>569887
нюфажина на будущее у меня несколько другой вид тролинга - тролинг истиной не зыблемой как гора эверест и по началу тролируемый думает что это тролинг тупостью и не спорю это пиздец как на него похоже но стоит осознать всю глубину... пердак тролируемого улетает в небеса
спроси у олдов этой доски чем обычно здесь заканчиваюца споры с матарошкой - единственый способ вывернуца это скатить любым способом спор к хохлосрачу и получить вместе самною бан
ну или просто заткнуца и съебать рыдать в подушку от осознания собственой никчемности как сделал этот>>569882 в том споре про трансформаторы
Аноним 07/01/25 Втр 13:47:43 570099 1193
173624663481870[...].jpg 1657Кб, 3000x4000
3000x4000
Когда подаю 5 вольт на пин vin arduino nano, модули реле подключаю к пину 5v, они работают нестабильно, могут вообще не щелкнуть. Когда увеличиваю входное напряженте до 7 вольт на пине vin, всë работает хорошо. Проблема в нехватке мощности у стабилизатора ардуины? Если я стабилизирую напряжение через отдельный модуль до 5 вольт, и подключу питание ардуино через пин 5 вольт, а реле через vin , проблема решится?
Аноним 07/01/25 Втр 14:22:45 570101 1194
>>570099
Ты земли то объединил? Покажи как подключаешь.
Аноним 09/01/25 Чтв 11:00:36 570220 1195
>>569782
собрал калькулятор на сумматоре из реле и ардуино, никакие реактивные цепи не рассчитывал.

собрал рисовалку на матричной клавиатуре, дисплее 128х64 ssd1306, ардуине. реактивные цепи не рассчитывал.

встроил электромагнитный замок в шкатулку, настроил открытие при вводе пароля с клавиатуры. реактивную цепь не рассчитывал

пока больше ничего не собирал, но тестил всякие датчики и сервоприводы, где тоже обошлось без реактивных цепей
Аноним 10/01/25 Птн 06:10:16 570330 1196
>>570220
>встроил электромагнитный замок в шкатулку, настроил открытие при вводе пароля с клавиатуры
У шкатулки теперь батарея внутри? При полном разряде остаётся закрытой? Интерфейс аварийного открытия запилил? Пароль по какому каналу летит?
Аноним 10/01/25 Птн 07:55:17 570333 1197
>>570330
Я не он, но достаточно было бы сделать дырку под резервный разъём питания в параллель к батарейке.
Аноним 10/01/25 Птн 22:38:06 570362 1198
image.png 42Кб, 497x775
497x775
image.png 706Кб, 1024x676
1024x676
Это всё так через жопу в ардуине?
Решил подключить простой дисплей на TM1637, что-то удивил очень большой объем занимаемой памяти.
Посмотрел, что там в листинге и малость прифигел.
Для смены состояния пина порта происходит какой-то адский дроч с вычислением адресов, чтением программной памяти вместо ОДНОЙ команды sbi P,b или cbi P,b
Аноним 10/01/25 Птн 22:41:00 570364 1199
>>570362
Взял чужую кривую либу и лицо недовольное скорчил.
Аноним 11/01/25 Суб 00:27:21 570369 1200
>>570362
Открой исходник платформы, там куча проверок, настроен ли режим пина и т.п. перед каждым выводом. Зато обстрагцыя уровня /b/ ЫЫЫЫЫ)))).
Аноним 11/01/25 Суб 07:34:38 570378 1201
>>570333
> Я не он, но достаточно было бы сделать дырку под резервный разъём питания в параллель к батарейке.
* или ещё проще - разъем для кроны установить не внутри, а с внешней стороны. Можно прямо у клавиатуры, чтобы батарейку как "ключ" использовать, а можно предусмотреть для неё специальную нишу.
От умирания ардуины, если хочется подстраховаться, можно поставить дублирующую ардуину, коммутирующую тот же привод (возможно, через собственную релюху). Клавиатуру переключать разъемом (тоже снаружи) - что даёт возможность заменить её при выходе из строя (если вдруг на неё кофе прольют или ещё чего).
Аноним 11/01/25 Суб 07:56:40 570379 1202
>>570378
>От умирания ардуины, если хочется подстраховаться, можно поставить дублирующую ардуину
Мне кажется, это бесконечная нора. Проект-то явно декоративный, а не секьюрно-боевой.
Аноним 11/01/25 Суб 10:09:01 570387 1203
>>570379
Да даже если боевой. Параллельная незапитнанная ардуина радикально решит проблемы с надёжностью.
Могу предположить декоративный проект со вторым дном для красивой шкатулки, которую не захочется разламывать.
Аноним 11/01/25 Суб 10:35:46 570389 1204
image.png 628Кб, 766x431
766x431
>>570387
Ну давай, раз начал.
Как так второй контроллер радикально решит проблемы с надёжностью? Если вероятность его выхода из строя настолько велика, что ты встраиваешь второй - он также точно может выйти из строя. Сколько вешать в граммах?
Аноним 11/01/25 Суб 12:40:21 570396 1205
slide-13.jpg 113Кб, 1024x574
1024x574
maxresdefault.jpg 106Кб, 1280x720
1280x720
>>570389
Дисциплину под названием Надёжность в вузе не проходил?
Ну и вероятность пересечения, можешь прикинуть.
Кроме того, я отдельно указал, что резервный контур должен быть отключен от питания, пока не потребуется.
Аноним 11/01/25 Суб 14:10:13 570401 1206
>>570396
Теорию множеств уже поздабыл, курса надёжности не было.

Ты не представляешь, насколько мне нравится идея отказоустойчивых систем и дублирования критических компонентов. Так что я рад твоей критике.
Аноним 11/01/25 Суб 15:26:25 570403 1207
>>570401
Это не множества, в смысле раздела матана целиком, а банальные вероятности, сиреч ответ на:
> Как так второй контроллер радикально решит проблемы с надёжностью
если надёжность одной ардуины 70%, то двух параллельных уже 91% трёх 97%. Останавливаешься на нужном тебе проценте. 99.99% это около 5 глючных минут за год.


Опять же, я пока сталкивался только с зависанием китайцев при длительной работе (ну и разъём разок выломал).
Аноним 11/01/25 Суб 18:52:28 570407 1208
>>570403
Может быть хотя бы watchdog попробуешь настроить? Да и вообще следовало бы для начала выяснить при каких условиях и на каком коде оно зависает. Возможно ты там код написал так что ничего удивительного в зависаниях нет или перегрузил выходы или еще что-то подобное.
Аноним 11/01/25 Суб 19:08:14 570411 1209
>>570407
Когда для профилактики добавил программный перезапуск, то виснуть продолжило, а после добавления аппаратного - симптомы ушли.
Может, периферия влияет, но точно не код.
Аноним 11/01/25 Суб 20:31:47 570415 1210
>>569842
>контролеры это боль
Не контроллеры говно, а документация и главное - софт говно. До сих пор в топе язык из прошлого тысячелетия. Уже четверть 21 века прошла на минуточку.

>смене тактовой частоты на лету но так и не ответил на канкретный вопрос где он сабираеца а главное с какой целью это использовать
Начнем с того, что ты шизло никогда не сможешь победить меня в соревновании по неадекватности, и лучше бы тебе заткнуться, и не путать меня с другими.

Не знаю зачем менять частоту на ходу, но обязательно придумаю, в мобилах же меняется динамически. Это вообще самый тупой вопрос, который может задать инженер. Задача инженера предоставить возможность, а зачем это вопрос к бизнесмену или пользователю. Ну допустим, надо будет перейти в состояние suspend на usb шине, и не превышать потребление тока, указанное в дескрипторе. А usb может быть в мобиле, или в колонке где аккум слабый и желательно не ебашить на полную мощность. А UART должен продолжить работу на своем старом бодрейте например или ещё что-нибудь.

>>570362
> всё так через жопу в ардуине
Это везде на си так, том самом который "генерирует код лучше чем рукописный ассемблер".
Аноним 11/01/25 Суб 21:40:20 570419 1211
image.png 14Кб, 549x342
549x342
>>570415
>Это везде на си так
Не везде.
Аноним 11/01/25 Суб 22:39:17 570421 1212
>>570415
>Это везде на си так, том самом который "генерирует код лучше чем рукописный ассемблер".
В данном случае никакой связи с сишечкой. Это анон уныло траллирует так.
Проблема из-за того что в ардуине решили абстрагироваться от портов микроконтроллера и пронумеровать ноги на плате без какой-либо привязки к портам. Вероятно это делалось для программно-аппаратной совместимости между платами на разных микроконтроллерах. То есть чтобы можно было воткнуть вместо AVR например SAMD21 (ардуино уно и зеро) и все работало как ни в чем не бывало. И код написали так, чтобы сопоставление номера ноги порту и биту в нем происходило во время выполнения программы, а не во время компиляции. Естественно что "все работало как ни в чем не бывало" тут будет только для мигания светодиодом, а с задачей уровня "поменять частоту ШИМ" так не получится.
Аноним 12/01/25 Вск 03:46:16 570454 1213
>>570415
Да похуй на язык, проблема языков в том, что на них пишут каловые библиотеки и когда их становится слишком много, язык типа как бы шкварится, хотя не в нем дело.
Проблема с МК в том, что там особо не разгуляешься, даже вызов функции порой бывает непозволителен. В си как раз норм условной компиляцией, т.е. макросами разруливать, если уж очень надо.
Так же, в прошивку большинства МК хуй че влезет тупо по объему, да и интерфесы микросхемов понятны из датащита. В 99% случаев проще просто накатать простыню на полтора экрана, и при необходимости портировать, чем тащить какие-то каловые библиотеки, которых авторы жопу рвут лишь из тщеславия, чтоб их говно кто-то скачивал.
Аноним 12/01/25 Вск 11:23:37 570473 1214
Так блет, я раздобыл segger jlink, припаял samd21g18a к отладочной плате и попытался прошить его из-под arduino ide. Это настроить мне удалось, прошивка в чип загружается, из консоли скачивал её обратно, байты на месте и совпадают с тем, что было залито.
Однако ниче не работает. -DCRYSTALLESS прописал, flash_without_bootloader.ld прописал.
Чип выпаян с ардуйни, бутпрот поменял на тот который нужно.
Может там ещё какие-то неприятные флажки есть?
Куда копать?
Аноним 12/01/25 Вск 14:45:07 570487 1215
>>570415
>Это везде на си так
Под шконарь, маня, и не вылазь, пока не разрешат.
Аноним 12/01/25 Вск 20:00:48 570515 1216
>>570454
>. В си как раз норм условной компиляцией, т.е. макросами разруливать
Вы просто не видели что такое нормальные макросы. Эти си дефайны даже не полны по Тьюрингу, или там лютые костыли. У них нету доступа вообще никуда, вообще. Это макросы в вакууме.
Лучший язык для макросов это питон.

>>570421
Поменять частоту ШИМ на этапе компиляции можно на питоне спокойно. По таблицам находим регистры, считаем новые значения, запоминаем измененные регистры и генерируем оптимальный код для патча.
На си будет ебля, хотя бы потому что нужно где-то хранить предыдущее состояние регистров таймера.
Аноним 12/01/25 Вск 20:55:47 570520 1217
>>570515
Ты не шаришь прост, спокнись
Аноним 12/01/25 Вск 21:35:39 570523 1218
Снимок экрана 2[...].png 33Кб, 672x590
672x590
>>570515
У тебя просто бред. Конечно же макросы виноваты в том что ты даже функцию заинлайнить не способен, да еще и гвидобейсик ссаный приплел.
Аноним 12/01/25 Вск 22:25:39 570525 1219
>>570473
Подключил ozone debugger.
Что-то там выполняется, но происходит hard fault, причем на разных адресах. Может это потому, что я не припаял конденсаторы у ног (припаял только у vddcore) ?
Аноним 12/01/25 Вск 23:30:18 570529 1220
Кароч хуй знает чо там ардуйня канпелирует, 35 кб кала для пустого проекта.
Из-под атмел студио стало нормально шиться (только после erase chip), и лишнее дерьмо не лезет в билд.
Прощай ардуйня кароч.
Аноним 13/01/25 Пнд 05:14:38 570533 1221
>>570515
> Лучший язык для макросов это питон.
Прекрасный язык, где пайпинг и многопоточность реализованы через жопу, а внутристорчные условные операторы - кусок говна.
Ты бы ещё про lua вспомнил. Максимально неудобный кал.
Уж лучше js. Конечно, там классы почти не реализованы, но мне и в c# через раз в рефакторинг приходилось лезть.
Аноним 16/01/25 Чтв 23:43:21 570813 1222
image.png 6Кб, 276x142
276x142
image.png 1Кб, 216x25
216x25
Вопрос цпп блядям глубокого залегания, какого хуя при оптимизации меняется ПОРЯДОК ОПЕРАЦИЙ блядь? Там ебанулись чтоле?
Сделал тупой linked list примитивный, ссылки расставляются туда сюда. Подозреваю что ебанина со второго пика вычисляется как-то не так как надо, потому что со включенной оптимизацией порядок списка меняется на противоположный, причем только если добавляются несколько элементов в цикле.
Аноним 17/01/25 Птн 06:21:51 570822 1223
>>570813
хз. А если присвоение this сделать первой строчкой?
Аноним 18/01/25 Суб 06:05:47 570894 1224
>>570822
Я забил, нервы дороже. Код в целом древний, на пекарне всегда работал нормально.
Аноним 21/01/25 Втр 23:10:57 571228 1225
image.png 67Кб, 752x938
752x938
Здорова парн! Может сможет кто подсказать? Вкатываюсь потихоньку, хочу уебаться в сдр. Для начала начал ковыряться с квадратурами, стал собирать синтезатор квадаратур на SI5351. Спиздил код из этой статьи https://eax.me/si5351-phase-shift/, но блять при заданной частоте меньше 8Мгц осцил показывает бред какой-то (например, если задать 7МГц, он показывает 3,5.). Может кто имел опыт с этой микрухой, или кто-нибудь шарит в коде я чайник дикий? На скрине ниже пример моего кода.
Аноним 22/01/25 Срд 07:21:26 571247 1226
>>571228
Вряд ли подскажу причину, но мне странным показалось то что в коде из той статьи код на сишке без классов, когда у тебя явно с классами что-то. И даже названия методов не совпадают с теми что в статье, например set_freq_manual. Подозреваю что ты стащил это из какой-то другой ардуинской библиотеки. Если так, то нахуя? И не удивительно что не работает в таком случае.

Если тащишь код из той статьи, то тащи целиком, там под атмегу только функции si5351_write и si5351_writeBulk нужно переписать.
Аноним 22/01/25 Срд 22:12:36 571299 1227
>>571247
библиотек ардуиновскую использую, из статьи я чисто алгоритм спиздил и под эту библиотеку адоптировал
Аноним 22/01/25 Срд 22:30:26 571300 1228
>>571299
Очевидно что ты это сделал зря. Например, в статье указано, что значение r_div должно быть 0. А в этой ардуинской библиотеке что там вычисляется?
Аноним 22/01/25 Срд 23:32:19 571309 1229
>>571228
А что не пишешь типа
8E12 - это же удобнее, чем нули на клавише дрочить, потом проверять что не наебался?
Аноним 22/01/25 Срд 23:36:27 571310 1230
>>571228
У тебя тип uint8_t - то есть максимум 255, а присваиваешь 625Е8
Это как работает?
Аноним 22/01/25 Срд 23:38:36 571311 1231
>>571228
А дальше ещё большее число присваиваешь. Тебе нужно именно деление по модулю на 256?
Может лучше uint64_t поставить?
Аноним 22/01/25 Срд 23:49:08 571312 1232
>>571309
Проблема в том, что это с плавающей запятой будет и неявно приведется к целому, со всеми возможными косяками. Лучше так не делать. Если для тебя проблема куча нулей, то бери С++14, там можно писать как 8'000'000'000'000, что тоже наглядно.
Аноним 22/01/25 Срд 23:54:34 571313 1233
>>571310
>>571311
В той статье вообще-то написано что этот регистр 7 бит. Да и не это туда присваивается, а результат деления.
Аноним 23/01/25 Чтв 01:08:16 571316 1234
>>571228
Чето у тебя нулей в частотах слишком дохуя
Аноним 23/01/25 Чтв 12:49:33 571326 1235
>>571313
Ну, я и написал, что деление по модулю уйдёт в переменную. Но остаток будет 8 бит, а не 7, uint - беззнаковый тип.
>>571312
>Проблема в том, что это с плавающей запятой будет и неявно приведется к целому, со всеми возможными косяками
Не будет, ты же в int кладёшь, значит дробную часть он просто отбросит.
Аноним 23/01/25 Чтв 12:52:31 571327 1236
>>571312
И да, проблемы могут возникнуть, если бы у тебя число в размер не влезало, то крайние биты с знаки могут "поехать", но тут же явно не тот случай.
Аноним 23/01/25 Чтв 14:12:08 571330 1237
>>571327
>но тут же явно не тот случай.
Не совсем так, но да, это не тот случай. Мантисса у double меньше чем 64 бита. Поэтому проблемы будут чуть раньше чем ты ожидаешь. Вот наглядный пример: https://ideone.com/LCE8a3
Аноним 23/01/25 Чтв 14:17:03 571332 1238
Аноним 23/01/25 Чтв 14:58:50 571334 1239
>>571332
Да, но проблема в том, что из той статьи взято лишь несколько строк. А дальше у него какая-то ардуинская библиотека используется, которая как раз требует кучи нулей.
Сам посмотри в примерах: https://github.com/etherkit/Si5351Arduino

Надо было просто весь код взять из статьи.
Аноним 23/01/25 Чтв 15:03:21 571335 1240
>>571334
Ладно. Я вчера байты ебал и забыл что в двойном слове 8 полубайтов а не четыре. Крыша едет уже от етого... разбирайтес сами
Аноним 24/01/25 Птн 21:37:28 571436 1241
95d77bae648d4d6[...].jpg 16Кб, 275x400
275x400
Я ебанутый, помогите.
Хочу проигрыватель, который генерирует музыку. Реально вообще на ардуино использовать какой-нибудь ИИ, который будет создавать что-то типа лофи-мелодии, без подключения к интернету?
Вообще мечта — оформить это в формате ретро-приёмника. Только без приёмника. Чисто генерируемая музыка. И пусть будет какой-нибудь валкодер, позволяющий задать энергичность мелодии. Покрутил влево — спокойная мелодия, вправо — пошли маршеподобные ритмы.
Аноним 24/01/25 Птн 22:14:11 571446 1242
>>571436
Посмотри на каких процах сделаны семплеры со встроенной сепарацией стемов, примерно такие характеристики тебе нужны
Аноним 24/01/25 Птн 23:42:23 571453 1243
В графическом редакторе PaintCAD есть функция автоматической генерации музыкального фона для пользователя. Без нейросетей, по математическому принципу, так ещё в пятидесятых на ламповых ЭВМ генерировали, "Уральские напевы" называется. Алгоритм там простой, наверняка можно самостоятельно реализовать подобный даже для Nano.
Аноним 25/01/25 Суб 00:10:59 571454 1244
>>571453
Так ему надо будет как-то это воспроизводить. На нано получится только пиликание уровня одного осцилятора. А алгоритмическая генеративная музыка это пиздец вообще, нужны хоть какие-то зачатки композции, чтоб это не надоедало через минуту. Так что на ардуине без нейронок только кал моржовый получится
Аноним 25/01/25 Суб 04:51:11 571461 1245
>>571436
> Реально вообще на ардуино использовать какой-нибудь ИИ, который будет создавать что-то типа лофи-мелодии
Абсолютно точно нет, если мы говорим про модные сейчас трансформеры.
Теоретически, можно попытаться на неттопе с минимум 8 Гб оперативки, но за скорость не ручаюсь ( может конкретно тормозить).
Аноним 25/01/25 Суб 19:03:09 571559 1246
001.jpg 279Кб, 1920x1439
1920x1439
>>571436
Зависит от сложности мелодии и твоего таланта композитора.
Монофонию по типу рингтона старого мобильника может выдать и восьмибитная атмега через tone(pin, frequency, duration). Записывается ринтон двухмерным массивом (тональность, длительность, интервал) или (тональность, длительность) если ритм постоянный. Дальше надо налепить коротких сэмплов, от которых не болели бы уши, и забить ими всю память. И гонять друг за другом через рандомизатор.

Сколько нот пихать в сэмпл, и по какому принципу их рандомизировать - тут уже зависит от тебя. Если просто пиликать на рандоме - получится гавно. Если в музыкалке учился, и знаешь всякие мажорно-минорные нюансы, то сможешь сделать это элегантнее. Если математический задрот - можно статистически проанализировать песни, допустим, Виктора Тсоя, которые довольно просты и прекрасно расписаны по аккордам в интернетах. Желательно самому научиться лабать Тсоя под гитарку и пару месяцев побухать с барнаульскими посонами в разъёбанной коммуналке. У Тсоя есть типовые аккорды и типовые последовательности аккордов.
Если их статистически проанализировать - получим, что не все аккорды друг к другу красиво подходят. И после аккорда №1 можно часто встретить аккорд №2 и №3, но почти никогда №4. И последовательности аккордов тоже строятся по определённым зависимостям. 1-2-1-3, 4-4-5-6, вот подобные конструкции.
Режимы боя тоже типовые. Бой это повторение несколько раз одной и той же ноты с определённым интервалом и пропусками. Бой обычно не меняется в пределах куплета, может не меняться в пределах всей песни, или меняться тоже по зависимостям вида 1-1-1-2, 1-3-1-3.
И вот мы уже аналитическим образом нащупываем АЛГОРИТМ. Оказывается, что песни Тсоя раскладываются в некий математический фрактал квадратов (гугли: "музыкальный квадрат"), где из достаточно небольших примитивов разных размерностей складывается приятное для ушей лабание. Типовые последовательности из типовых последовательностей из типовых последовательностей, и всё более-менее укладывается в степени четвёрки. Этот алгоритм вполне влезает на атмегу, так что можно построить цифрового монофонического Тсоя без всяких там нейросетей. Хитровыебанные риффы Металлики он, конечно, не сыграет, но гаражный роцк вполне себе да.

Если этот этап понятен - дальше можно взять esp32 и лабать полифонию. А ещё там на борту встроенный ЦАП и два ядра, одно из которых может наложения синусоид отрабатывать. Принципы те же, только инструментов несколько - можно барабаны/бас/соло отдельно разложить. А ещё можно разложить элементарную единицу "пииии" постоянной тональности на суб-элементы, и комбинируя их получить уже "бдыщ", "пяууу", "брынь", "пэууу" и.т.п. набор звуков, похожих на настоящие музыкальные инструменты. Это уже практически трекерная музыка получается. Ну и вместе с Тсоем проанализировать таким же способом ещё несколько исполнителей похитровыебаннее, мидишки разные разобрать. Вот тебе и генератор, который будет реально пиздато слушать, причём жонглируя типовыми суб-последовательностями и сверх-последовательностями можно даже варьировать "меньше Тсоя - больше КиШа", "меньше лирики - больше фашистских маршей". Важно вкурить, как устроен сам каркас музыки, ейная молекулярная структура. И тогда ты сам станешь Тсоем и сможешь алгоритмы модифицировать по делу, а не на тупом рандоме.
Аноним 25/01/25 Суб 21:39:03 571579 1247
>>571559
Текст похожий на статью из журнала "Юный техник", с мриями о том, что могли бы делать компьютеры.
Аноним 26/01/25 Вск 11:47:12 571620 1248
Да нет, штука реально работающая, ищите по ключевым словам: Blackstrip, PaintCAD, Muzz. И мелодии действительно получаются разнообразными, не надоедающими, несмотря на неприменение нейросетей (если верить разработчику). И алгоритмы похожи на весьма легковесные, которые можно реализовать и на встраиваемых платформах. Для полифонии 2 шт. взять, связать последовательными портами, одна генерирует, другая полифонию обеспечивает.
Аноним 26/01/25 Вск 11:49:42 571622 1249
Конкретно на Nano полифонию реализовать вполне возможно: два-три канала тона, плюс пара каналов шума на разных ногах, затем простейший микшер из конденсаторов и переменных резисторов, чтобы в разных пропорциях это смешивать.
Аноним 26/01/25 Вск 17:08:37 571641 1250
>>571620
>если верить разработчику
Классик ардуино пост.
Недавно пытался загуглить, какой производительности можно добиться от ADC на ардуинах. Так вертлявые соевики даже на самом ардуинофоруме на нескольких страницах считают такты в каких-то там ебеных калькуляторах, и ни одного, сука, ни одного поста с текстом "я вывел пульс в цикле с чтением ADC и замерил частоты на практике, получились такие-то значения". Как вы живете пердежи, в мире фантазий ебанз?
Аноним 26/01/25 Вск 17:37:38 571645 1251
>>571641
А на самом ты типичный ардуинщик неспособный прочитать даташит на ссаную атмегу. Там написано и сколько времени длится преобразование АЦП и сколько тактов какие инструкции выполняются.
Аноним 26/01/25 Вск 17:43:40 571647 1252
>>571645
Соевик, прерывания периферии, подключенной по желанию соевого производителя rtl для каждой конкретной платы xuipizidno zalupaboard тоде в датащите атмеги прописаны?
Аноним 26/01/25 Вск 17:55:49 571650 1253
>>571647
Если ты подключаешь какой-то определенный АЦП по I2C или SPI, то смотри даташит на этот АЦП, помимо даташита на атмегу.
Можешь сказать какой конкретно АЦП тебя интересует?
Аноним 26/01/25 Вск 18:12:03 571654 1254
Научно-техничес[...].mp4 8035Кб, 640x360, 00:03:06
640x360
>>571650
>какой конкретно АЦП тебя интересует?
Его интересует старческих бухтёж и самоутверждение. Достаточно правильно выбирать инструменты под задачу.
Аноним 26/01/25 Вск 20:16:28 571664 1255
>>571316
В библиотеке шаг 0.01 Гц
Аноним 26/01/25 Вск 20:23:50 571665 1256
>>571334
Я не взял полностью код из статьи потому что не увидел где объявляются эти классы??? функции?? и как они работают si5351PLLConfig_t pll_conf,
si5351OutputConfig_t
out_conf.
Я нубик, парни, в кодинге(

Блин, ответы не показывались в избранных тредах, думал никто не отвечал на вопрос мой, а тут вон сколько активности. Извиняйте
Аноним 26/01/25 Вск 20:41:37 571667 1257
>>571650
Вопрос был не про внешний АЦП
Аноним 26/01/25 Вск 21:05:58 571668 1258
>>571667
Тогда в чем вопрос? Как работает ардуиновский analogRead на атмеге? Хреново он работает конечно же. Или вопрос о том как можно сделать если лезть в регистры?
Аноним 26/01/25 Вск 21:19:17 571671 1259
>>571247
Да если бы я понимал как грамотно код спиздить( Спиздил куски по мере своего понимания, нихуя не понимаю как должно write и writebulk работать, например
Аноним 26/01/25 Вск 21:41:30 571673 1260
image.png 5Кб, 433x123
433x123
>>571671
кстати еще fpll сучка бредовый выдает
Изменение на uint64 Никак не помогло( По описанию библиотеки которую использую https://github.com/etherkit/Si5351Arduino, как будто просто достаточно fpll поделить на нужную частоту, но нихуя это не работает... От этого и обратился к этой статье
Аноним 26/01/25 Вск 21:52:09 571674 1261
image.png 20Кб, 999x174
999x174
>>571673
подправил чтоб выводила uint64 правильно, Один хер бред
Аноним 26/01/25 Вск 22:10:12 571676 1262
>>571674
А блять, а проблема может быть в том что уно только с данными 32 битными работает?)
Аноним 26/01/25 Вск 22:37:53 571679 1263
>>571673
И не надейся что с таким подходом у тебя заработает. Я же писал:
>значение r_div должно быть 0. А в этой ардуинской библиотеке что там вычисляется?

>>571671
>Да если бы я понимал как грамотно код спиздить
Значит для начала нужно отложить ардуино иде и больше его не касаться. Иначе так и будет продолжаться тупняк.

>нихуя не понимаю как должно write и writebulk работать
Про writebulk я зря написал, там же просто дергается si5351_write, я не посмотрел в начале. Так что нужно переписать si5351_write, там просто по I2C по заданному адресу пишется регистр. Посмотри как I2C работает для начала.

И вопрос, это ты писал в соседних тредах? >>571379 →
>У ST есть линейка контроллеров для передачи данных через электросеть (для умных счётчиков)
>>570485 →
>Подскажите, есть проекты кв-автоответчиков проверенные? Чтобы слушал эфир (cw, rtty) и при запросе (например, телеметрии) мог ответить. Например, чтобы в землянку поставить температуру и высоту снега измерять
Аноним 26/01/25 Вск 22:43:58 571680 1264
>>571679
нет, не я. Ладно, спасибо! Буду разбираться... Правда пока не понимаю где именно обосрамс, в моих глазах все крайне логично кроме того момента что ардуина не может с такими большими значениями рабоатть
Аноним 26/01/25 Вск 23:16:24 571682 1265
>>571680
>ардуина не может с такими большими значениями рабоатть
Во первых не ардурина, а gcc для avr. А во вторых может. Проблема может быть только в том что int там 16 разрядов и к нему часто неявно приводится всякое.
Аноним 27/01/25 Пнд 08:30:51 571708 1266
16706200133321.gif 7614Кб, 640x377
640x377
>>571682
>Проблема может быть только в том что
Сильное утверждение. Может быть в любом самом неожиданном месте. Я как-то три раза подряд во всё возрастающем недоумении шил контроллер, добавляя изменений во всё более очевидных местах и не наблюдая изменений в поведении программы, хотя шилось без ошибок. Выяснилось, что в предсонном помутнении сознания я перепутал вкладки в IDE.
Аноним 27/01/25 Пнд 11:20:46 571715 1267
>>571682
Почему может, у гавера, например, в описании типов данных для ардуины, он пишет что прошивки ардуины поддерживают только 32 бита, и 64 можно использовать только в своем коде хрен знает что значит только своем куде
Аноним 27/01/25 Пнд 11:38:14 571718 1268
Про полифонию на Nano. Существует проект эмулятора AY-3-8910, который идёт на разных атмегах, включая 328. Так что возможно всё.
Аноним 31/01/25 Птн 10:09:46 572118 1269
>>570101
чат гпт говорит что там помехи из за того, что я и микроконтроллер, и модуль питаю от одного источника, это так, или как обычно ложь обман и провокация? если я например хочу всё запитать от одной 18650 мне надо бмс + 2 dc-dc на реле и ардуино?
Аноним 31/01/25 Птн 13:51:34 572135 1270
image 114Кб, 1169x827
1169x827
>>570099
>>572118
Значит смотри.
>Когда подаю 5 вольт на пин vin arduino nano
Если верить рандомной схеме из гугла https://oshwlab.com/Shyamjipatel07/new-project
Этот пин идёт на 5вольтовый AMS1117. А у него и тока мало и ему нужен вход на 1.5В выше, чем выход (6.5В).
Если у тебя источник 5В, подключай его сразу в пину 5V.
>модули реле подключаю к пину 5v
Подключай их к источнику, с которого подаёшь 5В на ардуину. AMS1117 может не вытянуть тем более если ему дать 5В на вход. На выходе будет ~3.5В. И у тебя чип будет сходить с ума.
У тебя мультиметр есть? Посмотри какое у тебя напряжение идёт на чип.
Аноним 31/01/25 Птн 18:14:36 572164 1271
>>572118
вот у чата и спрашивай
КАК НАЗЫВАЕТСЯ КОННЕКТОР НА ПРОВОДЕ?? Аноним 01/02/25 Суб 16:41:03 572251 1272
image.png 1948Кб, 960x1280
960x1280
image.png 892Кб, 940x610
940x610
МУЖИКИ! выручайте. на пикриле чел использует не обычный dupont, а какой-то другой тип коннектора. пин проходит его насквозь и проходит сверху. как его искать?? где такие купить?? нейронки не могут НИХУЯ в этом вопросе. полчаса обдрачивал, а они мне из раза в раз предлагают какие-то пины для распайки или обычные сгруппированные так скажем dupont'ы
Аноним 01/02/25 Суб 16:58:17 572255 1273
image.png 646Кб, 767x399
767x399
>>572251
Может это самоделка? С боку есть кадр, высоту оценить? Может это срощенные разъём и пин, с отводом провода.
Тоже бы купил.
Аноним 01/02/25 Суб 17:19:39 572256 1274
>>572255
больше кадров нет. мне подкинули идею что это просто провод накрученный на пин, прижатый сверху таким же обрезком пина/резинкой. но я почему-то на 99% уверен что это заводское решение. как будто я где-то видел такое ранее и у меня абсолютно четко вырисовывается в голове заводское исполнинение
Аноним 01/02/25 Суб 17:34:33 572258 1275
>>572256
Склоняюсь к обрезку гребёнки. Твой автор отломил 5 пинов от гребёнки, чуть нагрел и вытащил сами пины и получил запирку на 5 пинов. Которой прижимает проволочные петли проводов.

Поискал dupont raiser или splitter - не нашёл. Мы ищем странное, кажется. Можно на рынок такую фишку выпустить.
Аноним 01/02/25 Суб 17:44:19 572260 1276
>>572258
маякните тогда когда на рынок выпустят! очень жду. но блять я УВЕРЕН нахуй что это уже сделали.

что за говнокапча теперь на дваче?
Аноним 01/02/25 Суб 22:03:03 572300 1277
image.png 334Кб, 800x800
800x800
>>572251
Это кусок коннектора для последовательного соединения шилдов
stackable header
Аноним 01/02/25 Суб 23:27:49 572308 1278
>>572258
Да он походу впаял прост под гребенку провода эти
Аноним 02/02/25 Вск 14:34:29 572346 1279
Я даун как определяется размер стэка и кучи в ардуино?
Аноним 02/02/25 Вск 14:49:49 572348 1280
>>572346
Ты про вывод после компиляции? Компилятор его определяет. Он твой английский код в машинный переделывает, он знает сколько и чего он использует.
Аноним 02/02/25 Вск 15:21:50 572350 1281
>>572251
>>572255
>>572258

смог связаться с автором пиков. в общем нихуя это не завод. видимо примерно так, как его и обсуждали. просто припаялся он говорит. дальше даже расспрашивать не стал.
Аноним 02/02/25 Вск 16:07:23 572360 1282
>>572350
Лайк за целеустремлённость.
Аноним 02/02/25 Вск 20:49:31 572398 1283
Аноны долго думал, по образованию я инженер электрик, но учу электронику и работаю в ремонте ноутов, стоит ли вкатываться в программирование стм 32, если че мне уже 32. Даже если я норм буду разбираться в таком возрасте уже без шансов? Интересует только железное приложение программирование к остальному не тянет. Закончил мухосранский вуз когда то сдал егэ на 240, но был в депрессии и никуда не уехал. Знания математики околонулевые, физику чуть лучше школьного курса.
Аноним 02/02/25 Вск 21:17:42 572406 1284
>>572398
Цели какие?
Работу трудно будет найти, а как найдёшь - невыездным станешь. А если для души - делай и не оглядывайся ни на кого. Чем старше, тем меньше вещей будет радовать, и когда находишь такие - держись за них. На возраст не оглядывайся.
Аноним 02/02/25 Вск 21:32:57 572409 1285
>>572406
Вы чем там занимаетесь? Что на Ардуино теперь стало можно делать, что такие ограничения на работу?
Аноним 02/02/25 Вск 21:44:10 572411 1286
>>572406
>Работу трудно будет найти
Я за месяц недавно нашел, и то не шел куда попало во всякие НИИ и прочую оборонку. Правда у меня опыт работы был. Да и вакансия не по ардуинству с стм32 была.
>невыездным станешь.
Это глупости. Даже если оформят третью форму допуска, то выезд никак не будет ограничен. Это только на вторую форму нельзя соглашаться, но она и не нужна обычному инженеру, да и начальнику сектора и/или отдела тоже не нужна.

>>572409
Очевидно что ничем. Иначе знал бы что третья форма допуска не дает таких ограничений. Зато наоборот бронь будет.
Аноним 02/02/25 Вск 21:54:14 572412 1287
>>572411
И забыл дописать. Что хотя третья форма допуска ничего не ограничивает, но может пытаться что-то запрещать руководство предприятия вместе с отделом безопасности. Это я к тому, что может анон пишет на основании слухов о подобном.
Подобное может быть на абсолютно любых предприятиях и не нужно это воспринимать излишне серьезно. Просто обложить всех этих безопасников хуями и если до них не дойдет, то увольняться. Если ты хороший специалист, то пусть начальник отдела суетится за тебя выпрашивает. Даже если будут угрожать - их угрозы ничего не стоят.
Аноним 02/02/25 Вск 22:12:49 572415 1288
>>572411
>>572412
А чем ты вообще занимался если не секрет? Я чет хотел на ардуино что-то поделать, но потом подумал, а сто делать то там? Автополив или что-то типо того
Аноним 02/02/25 Вск 22:54:43 572420 1289
>>572415
Да какие там секреты. Для "высокоточного" оружия всякую фигню делал. Ардуины там конечно не было. Был миландр, взпп, альтера и прочее. Потом надоело это болото и ушел, хотя карьера шла вверх, толку то...

>Автополив или что-то типо того
Автополив сомнительно, готовых хватает. Если делать, то только такой который оценивает влажность почвы. Но с этим проблема в том что проводимость мерить - это результат +- километр. Можно было бы вес измерять, но это громоздко.
Так-то на самом деле дофига всего можно сделать. Например на алиэкспрессе продаются во множестве "transistor tester", оно на атмеге сделано, правда без ардуинских библиотек. Или есть USDx - это SDR КВ трансивер, оно даже с ардуинскими библиотеками.
Аноним 03/02/25 Пнд 00:06:56 572421 1290
>>572420
Ты вроде умный дядя, можешь подсказать? Я разработчик, но я капец уже за компом сколько времени сижу, что сильно ударило на концентрации весь отпуск из-за этого на работу пропустил.
Хотелось бы как-то отвлечься от компа, не подскажешь, чем можно заняться? То есть ардуино предполагает, что ты будешь программировать за компом, а я хочу отдохнуть от него. Может ты что-то знаешь и можешь подсказать
Аноним 03/02/25 Пнд 03:52:41 572435 1291
>>572421
Займись древообработкой
Аноним 03/02/25 Пнд 09:19:48 572443 1292
>>572420
> Если делать, то только такой который оценивает влажность почвы. Но с этим проблема в том что проводимость мерить - это результат +- километр.
Блядь, сделай кнопку "запомнить" для своей "сухой почвы". Всё. Можешь ещё кнопку запомнить для режима "полито" и экранчик красивый.
Аноним 03/02/25 Пнд 09:40:56 572446 1293
>>572421
> Хотелось бы как-то отвлечься от компа, не подскажешь, чем можно заняться?
Я занимаюсь кулинарией (включая десерты, сыровяленье, копчение, приготовление спиртных напитков и организаций барбекю вечеринок), музыкой (песенки на гитаре подбираю), иностранными языками (английский, французский, итальянский... сейчас вот до китайского дошел)
Ну и руками всякое делать приятно - полочки, скамейки, лампы и пр
Аноним 03/02/25 Пнд 10:52:03 572454 1294
>>572443
А завтра чуть изменится состав солей в почве и показания уплывут на километр. Да и не буду я делать ничего, мне хватает того что китайцы сделали, пусть и не лучшим образом.
Аноним 03/02/25 Пнд 14:54:14 572486 1295
>>572454
Куда они изменятся то? От чего? И, главное, настолько резко?
Аноним 03/02/25 Пнд 19:36:53 572514 1296
>>572486
попробуй купить грунт и поливать его месяц водой из под крана. минерализация очень даже изменится))) у груверов спроси, они тебе по каждому элементу распишут
Аноним 03/02/25 Пнд 21:43:57 572526 1297
>>572411
Можно с тобой переписываться в телеге?
Аноним 03/02/25 Пнд 22:30:11 572535 1298
>>572526
Нет, мне это не интересно. И это >>572446 не я писал, если что.
Аноним 03/02/25 Пнд 22:37:42 572537 1299
>>572535
А если я няшная тяночка?
Аноним 04/02/25 Втр 01:20:22 572548 1300
>>572514
А какими сенсорами они мониторят? И что мониторят, кроме очевидной влажности и температуры? Ключевые ионы?
Аноним 04/02/25 Втр 09:15:10 572553 1301
>>572514
> месяц водой из под крана
Во первых, можно ещё раз нажать на кнопочку (раз в месяц)
Во вторых, я летом измерял сопротивление грунтовых вод при разной интенсивности осадков и порядок цифр за весь период наблюдения менялся от 750 до 850 (из 1024, это же ардуин)
IRL, как бы +/- условных 10% влажности почвы - фигня вообще-то.
Аноним 04/02/25 Втр 09:32:21 572554 1302
>>572553
>Во первых, можно ещё раз нажать на кнопочку (раз в месяц)
Автополив нужен для того чтобы оно поливало когда в отпуск уезжаешь. И при этом не затопило еще. Когда дома находишься, то автополив не особо то и нужен.

>Во вторых
Ты потратил на это много времени. А задача всего лишь в том что я написал выше.
Аноним 04/02/25 Втр 09:57:42 572555 1303
image.png 1469Кб, 1024x768
1024x768
Задача от Тайлер Дёрдена - построить систему для контроля квантового ядерно-гравитационного выброса через нажатие кнопки с повторяющимися циклами по 108 минут. Реализовать по выбору на микроконтроллере ардуино nano или uno
Аноним 06/02/25 Чтв 15:13:25 572754 1304
>>552832
> кстати я с пердуины точнее с авр больше всего ору от того что чтобы клацнуть одной ногой надо весь байт порта перезаписать а пердуиноИДЕ это делает еще блядж и через функцию ...

Да, интересно за сколько тактов это происходит, по сути нужно перезаписать бит в байте с помощью побитовой операции и потом записать измененный байт в регистр.
Аноним 06/02/25 Чтв 16:22:47 572758 1305
>>562647
А подобное можно реализовать на десятичном счетчике дешифраторе? Оно вроде бы похоже работает – импульс перекидывает сигнал на соседний пин.
Аноним 06/02/25 Чтв 16:27:50 572760 1306
>>572758
Я знаю что такое делают просто на дешифраторе но там все равно нужно 4 пин, а счётчику нужен только 1 для импульса сдвига и 1 на reset. Только не знаю насколько это будет адекватно выглядеть, ведь счетчик не может проскочить пин, там в любом случае придется по нему пройти хоть и очень быстро, и я думаю что некоторые сегменты которые не должны светится будут все равно светить хоть и тускло как у анона выше.
Аноним 06/02/25 Чтв 23:40:12 572807 1307
>>572754
В SAMD есть адреса которые ставят бит или снимают бит по маске.
Т.е. достаточно установить бит где-то в памяти, чтоб на следующем такте проц поставил или зачистил бит в порте.
В пердуине же да, функция ещё и чекает всю конфигурацию периферии.
Аноним 06/02/25 Чтв 23:50:23 572810 1308
Аноним 07/02/25 Птн 00:03:58 572811 1309
>>572346
В файлах платформы указан объем ОЗУ контроллера, там в дефайнах покопаться можно.
Но он там скорее всего равен общему объем памяти минус размер прошивки, потому что с какого хуя иначе?
Может быть задан минимальный стек, при недостатке которого компилякр ругнётся, но опять же, вряд ли это значение настольк отпизды, что его легально уменьшить.
Аноним 08/02/25 Суб 22:28:38 572949 1310
Аноны, можно ли на ардуино построить систему контроля микроклимата в гроубоксе-датчик-мозг-реле -сработка прибора( температура, влажность воздуха, влажность почвы —-полив, вентиляция, подогрев и тд)?
Аноним 08/02/25 Суб 22:55:11 572953 1311
>>572949
Покупай nodemcu на esp32 и там тебе сразу и вайфай будет и потом играйся с датчиками и реле. Всё можно сделать.
Аноним 08/02/25 Суб 23:35:16 572961 1312
>>572949
Да, можно.
Где брать оптимальные условия? Температуру, влажность? Подбирать экспериментально?
Сам такой проект сейчас начинаю, только на ESP32.
Аноним 09/02/25 Вск 00:18:30 572969 1313
Наверное, в книжках по ботанике. Купил-собрал-потом написал код для собранного на С++ , чтобы все заработало, так надо? Но я врач, а не кодер, что можете посоветовать?
Аноним 09/02/25 Вск 00:20:10 572970 1314
>>572969
На пердуине код простой, врач справится инфа сотка
Аноним 09/02/25 Вск 09:30:58 572987 1315
>>572969
На сколько я помню, у растений отличаются оптимальные условия для каждого из периодов роста.
Аноним 09/02/25 Вск 14:43:04 573008 1316
photo2025-02-09[...].jpg 137Кб, 960x1280
960x1280
photo2025-02-09[...].jpg 115Кб, 960x1280
960x1280
image.png 1206Кб, 1000x1000
1000x1000
Кто-нибудь может объяснить как эту залупу заставить адекватно цифры отображать? Распиновку не нашел, анодный-катодный хуй знает, чатжпг тоже ниче не знает. Вытащил из кружки-мешалки поломаной, отображала температуру и таймер. Точки не показывала, да и методом тыка они у меня ни разу не загорались
Аноним 09/02/25 Вск 14:53:02 573009 1317
>>573008
А как оно работало по 5 пинам? Я такой индикатор нагуглить не могу.
Может там драйвер внутри?
Аноним 09/02/25 Вск 15:05:09 573010 1318
>>573009
так мультиплексный, допусим чтоб отобразить 8, оно быстро мигает сегментами и создается ощущение что это постоянно светящаяяся цифра. драйвера внутри нет, видно под компаундом что это просто платка
Аноним 09/02/25 Вск 15:10:54 573011 1319
image.png 214Кб, 919x1003
919x1003
>>573009
вот такое нашел, но тут 188 и распиновка к моей не подходит
Аноним 10/02/25 Пнд 09:34:55 573049 1320
>>573011
5 пинов это блет 2 в 5 степени, 32 комбинации. Подключи на 5 ног и забрутфорсь ебана
Аноним 10/02/25 Пнд 09:36:20 573050 1321
Аноним 10/02/25 Пнд 15:43:42 573080 1322
Аноним 11/02/25 Втр 10:30:54 573125 1323
17103609614650.jpg 8Кб, 151x168
151x168
7465865865475432.jpg 152Кб, 1560x1040
1560x1040
Купил вот это вот говно. Нужен был датчик для определения заперживания туалета. На пробу, из десятков оных.
Ебало моё представили? 2600 рублей, блядь. 12 литров пиваса, пиздец.

держу в курсе
Аноним 11/02/25 Втр 10:37:13 573126 1324
image.png 7Кб, 414x48
414x48
>>573125
Оно тебя убъет или в жопу выебет, когда запрешься с ним в толчке
Аноним 11/02/25 Втр 14:22:44 573145 1325
Посоветуете CPU суть такова:

64 Бит идеально, 32 бита пойдет
RISC-V
100 Мегакек и выше
Память от 128 Мегабайт, лучше чтоб 256-512-10024 Мб интегрированная или с поддержкой DDR3/DDR4
Работа с NAND флешем на 128-256-512-1 Гб
PCIE x1 хотя бы
usb 2.0+
ethernet 100 Мбит+
стоит не 30 долларов за плату

На арме противном такие есть, а на риске не вижу
Аноним 12/02/25 Срд 01:56:16 573216 1326
Как можно перещёлкивать бистабильное реле на 12В с двумя обмотками с помощью ардуины или стмки, при том что в схеме нет источников 12В?

Какой-то конденсатор накопить и бахнуть на обмотку? Есть ткие схемы? Где подсмотреть?
Аноним 12/02/25 Срд 01:57:39 573217 1327
>>573145
>На арме противном такие есть, а на риске не вижу

Посмотри на чём сделан devterm, у них есть уже RISC-V версия, кажись
Аноним 12/02/25 Срд 07:14:20 573220 1328
Аноним 14/02/25 Птн 01:45:28 573380 1329
1676292853415.webp 83Кб, 1200x1200
1200x1200
У меня есть ардуино нано и pcf8574 hd44780 спаяны вместе. С какой-то библевотекой оно работает, буковки показывает. А как без библивотеки включить допустим один пиксель?
Аноним 14/02/25 Птн 02:52:41 573381 1330
>>573380
Губами

а если серьезно то нужно читать даташит, знать как работает SPI/i2c, уметь работать с прерываниями и регистрами, а еще знать сам Си хотя бы на начальном уровне а не пердуиновскую хуйню порочащую имя atmel
Аноним 14/02/25 Птн 02:56:45 573382 1331
>>573381
Другими словами тебе нужно встать на путь программиста-электронщика а не пердуино-моморгателя-светодиододебила – а это похвально.
Аноним 14/02/25 Птн 04:43:25 573383 1332
>>573380
Оно знаками общается. Кодируешь символ, а, затем, его вызываешь на какое-то знакоместо. Игру в жизнь сделать не получится, но что-то с псевдографикой вполне.
Аноним 14/02/25 Птн 04:48:30 573384 1333
>>573383
> Игру в жизнь сделать не получится
* или у тебя клетки будут по 4 на знакоместо
Аноним 14/02/25 Птн 10:05:50 573395 1334
>>573383
А может какой-нибудь другой дисплей надо? Я хотел типа график рисовать, как в arduino serial plotter. Думал можно будет каждый отдельный пиксель красить.
Аноним 14/02/25 Птн 10:47:22 573398 1335
>>573380
> какой-то библевотекой
Открываешь код библиотеки и переделываешь
Аноним 14/02/25 Птн 12:00:13 573403 1336
>>573380
>У меня есть ардуино нано и pcf8574 hd44780 спаяны вместе. С какой-то библевотекой оно работает, буковки показывает. А как без библивотеки включить допустим один пиксель?
У lcd-экрана забита в память таблица символов, каждый на 40 бит вроде бы. Т.е. ардуина даёт ему 8-битный адрес символа, а lcd-экран по этому запросу сам рисует 40-битную картинку по заготовленному шаблону.

То есть:
1. Без библиотеки оно не заведётся в принципе.
2. Свободного программного знакосинтезирования там конструктивно не предусмотрено. Всё, что можно нарисовать, заранее забито в память.

Но. У библиотеки есть спецрежим lcd.createChar, позволяющий забить в память кастомные символы. Тут: https://www.youtube.com/watch?v=r0NVDFI-134 и тут: https://arduinointro.com/articles/projects/create-custom-characters-for-the-i2c-lcd-easily показано, как это делается. Вот кастомный символ можно сгенерировать такой, чтобы был только один пиксель.

Но. Кастомных символов можно добавить только 8. В принципе скорее всего можно переинициализировать кастомные символы на лету, но я сомневаюсь, что больше восьми разных можно выводить на экран одновременно.
Аноним 14/02/25 Птн 12:54:23 573408 1337
>>573403
> только 8
Лол. То есть график нарисовать можно столбиками шириной со знакоместо.
Аноним 14/02/25 Птн 14:56:36 573419 1338
image.png 336Кб, 489x489
489x489
>>573395
Библиотеки под цветные экраны позволяют отдельные пиксели рисовать.
Аноним 14/02/25 Птн 16:51:54 573425 1339
>>573419
А без библиотек аллах запрещает отдельные пиксели рисовать?
Аноним 14/02/25 Птн 18:22:16 573429 1340
>>573380
>>573425
Вся суть ардуинобыдла!
Почитать даташиты на HD44780 и SSD1306, перед тем как задавать вопрос, ты не догадался в силу своего врождённого слабоумия!>>573380
Аноним 14/02/25 Птн 19:59:15 573435 1341
>>573425
Библиотеки, как и готовые модули, экномят время на разработку. Когда захочу поебаться И найду время - буду делать всё вручную. Ты можешь хоть из отдельных диодов экран собирать, если у тебя десять жизней впереди.
Аноним 14/02/25 Птн 21:01:17 573437 1342
>>573429
> ардуино
> читать даташиты
Я не понимаю как библиотеки работают и как записать число в шестнадцатеричном или двоичном виде, а ты говоришь читать даташиты где чёрт ногу сломит таким языком написано и от даташита до библиотечного говнокода ебать пиздец как далеко.
Аноним 14/02/25 Птн 21:23:38 573438 1343
>>573437
Библиотеки это буквально полторы строки насраные тщеславным васяном чтоб его кал с гитхаба качали и потом гордиться
Аноним 14/02/25 Птн 21:24:30 573439 1344
>>573435
>экномят время на разработку
а ещё навязывают свой стиль программирования и накладывают ненужные контракты мешающие развитию проекта
Аноним 14/02/25 Птн 21:27:01 573440 1345
>>573435
>экономят время на разработку.
Не всегда, особенно если библиотека - говно. И смотря кто будет писать код.
Аноним 14/02/25 Птн 21:46:40 573441 1346
image.png 44Кб, 714x556
714x556
image.png 41Кб, 797x662
797x662
image.png 21Кб, 334x437
334x437
>>573439
Не навязывают. Не видел ещё аутистов, переписывающий свой код под библиотечный стиль. Если такой перфекционист - перепиши библиотечные фунции, оставив начинку.
>контракты мешающие развитию проекта
Это не понял. Хорошо документированная библиотека с устраивающей лицензией бустит развитие проекта, избавляя тебя от изобретения велосипедов. Люди вдумчиво и ответственно разрабатывают маленький модуль, открывая кот всем заинтересованным для анализа, багфиксов и форков.

Можно конечно и самому по граблям походить, если есть желание и время. Тем более, код твой никто не увидит.
Аноним 15/02/25 Суб 07:38:48 573452 1347
>>573419
Все прекрасно, кроме размера экрана.
Аноним 15/02/25 Суб 08:25:35 573454 1348
>>573452
Я тебе его и не продаю. С такими-то спецификациями.
Аноним 15/02/25 Суб 11:52:18 573460 1349
>>573441
>Не навязывают. Не видел ещё аутистов, переписывающий свой код под библиотечный стиль
Ты не понимаешь о чем речь.
Ты и есть аутист, пишущий код по указке библиотек. Начнем с того, что у тебя в рантайме ардуины всегда есть статический Serial, который ты не можешь удалить. Или можешь, но задав define - то есть, за счет добавления нерелевантного мусора в проект.
Аноним 15/02/25 Суб 11:57:08 573461 1350
>>573441
>Это не понял
Контракт в программировании это обязательство соблюдать какие-то негласные правила, которые нужны для совместимости программных компонентов.
Эти эффекты в целом слабо проявляются в мире пердуино, т.к. объемы кода там минимальны, но например, пример из уиндоуз апи - системные функции возвращают хендлы системных объектов. Библиотекари любят заворачивать эти хэндлы в объекты, добавляя им дополнительный стейт и дополнительные методы, на основании чего потом они предлагают свои варианты абстракции промежуточных структур, заставляя тебя использовать эти структуры. Потом очень сложно избавляться от таких библиотек, когда становится очевидна их паразитная сущность.
Аноним 15/02/25 Суб 11:59:19 573463 1351
>>573461
>негласные
т.е., не проверяемые компилятором
Аноним 15/02/25 Суб 12:08:31 573464 1352
>>573461
Имеет ли вообще смысл писать на ардуине/любом мк так же как принято на десктопе? Ну я имею в виду эти самые концепции при которых софт удобнее расширять и поддерживать, оборачивать код в удобочитаемые функции и структуры, я просто как человек пришедший из десктопа не понимаю как себя правильно вести, у меня так и остались эти привычки оборачивать все низкоуровневое в удобные обертки(которые потом никогда не используются второй раз, лол). Или тут вообще нужно стараться избегать всего этого, чистый низкоуровневый хардвейр?
Аноним 15/02/25 Суб 12:27:58 573467 1353
>>573464
Тоже долго думал над этим. Тут проблема скорее в том, что среда гипернеудобная в плане навигации. Поэтому, если простыня говнокода помещается в 2-3 экрана, то нагляднее оставить как есть, потому что как правило да, вынесенные методы получаются one use routine, что не добавляет краткости
Аноним 15/02/25 Суб 12:30:06 573468 1354
В общем мое личное правило (и для десктопа тоже) это сначала писать как попало, а абстрагировать и выносить уже когда появляется явный повод для повторного использования.
Аноним 20/02/25 Чтв 16:54:18 573851 1355
Сап, двач.
Может кто поделится советом? Есть мысль собрать дозиметр на ардуинке, в целом и инфы и готовых решений полно, но они все завязаны на трубке Гейгера-Мюллера.
Собственно вопрос, были ли где то проекты на слюде (типа Бета 1-1) По сути, слюда работает при том же напряжении (400В), поэтому в схемах с трубкой можно просто заменить трубку на слюду и скорректировать скетч. Какие подводные? Видел кто нибудь слюду в продаже? (лично найти не смог, думаю именно поэтому все собирают на трубке)
Аноним 20/02/25 Чтв 17:37:14 573859 1356
>>573851
>и скорректировать скетч.
скоректировал табе за щику
больше всего веселит когда школие вкатунцы беруца за измерительные приборы
вот тутто весна и показывает кто где срал
ЗДОХНИ ХОХЛИНА
Аноним 20/02/25 Чтв 17:41:02 573860 1357
>>573851
А как корректироваться без второго нормально дозиметра?
Аноним 20/02/25 Чтв 17:51:41 573862 1358
>>573859
Очень интересно, но ничего не понял. Советую протрезветь и потом отвечать.
>>573860
Блин, хороший вопрос. По естественному фону? Потому что смысл работы тот же - считать число импульсов за 36 секунд
Аноним 20/02/25 Чтв 17:58:40 573863 1359
03а2.jpg 147Кб, 781x632
781x632
03а.jpg 185Кб, 835x682
835x682
03а1.jpg 164Кб, 868x622
868x622
>>573464
неимеет смысла функция конечного физического процесса имеет много составляющих
например в свое время погнался за линейностью вах семистора в части комутируемой им мощи
выеб все мазги и в итоге добился но стоило поменять нагрузку и данный подход который был ахуенен на нихромовой спирали показал полную непригодность в плане применения к колекторному двигателю
конечно если ты пердуинщиг и разводиш интерфейсы от тогоже дс1821 до своего жколед дисплея все заебись но стоит начать дергать чемто не форматным - например как я сейчас кручу киловатным колекторником по оптодатчику - блядь я уже хочу тахогенератр епт как у дидов - а че заебись та схема вообще была ахуенна - тахик работал на возбуждение и фактически все само регулировалося ...
карочи чем быстрей ты начнеш зубрить и понямать алгебру и прочую физику - вот эту матиматическую составляющую физических величин тем быстрей ты...
>>573860
торироваца градуироваца пик проект потому то и ушел в долгий ящик - тарировать нечем
>>573862
протрезвел табе за щику
сглатывай
Аноним 20/02/25 Чтв 18:03:02 573864 1360
>>573862
> По естественному фону?
ты еще термопару потарируй тупица до сотой цельсия полави ноль градусов в кружке со льдом долбаеб
Аноним 20/02/25 Чтв 20:37:15 573876 1361
>>573863
> выеб все мазги и в итоге добился но стоило поменять нагрузку и данный подход который был ахуенен на нихромовой спирали показал полную непригодность в плане применения к колекторному двигателю

Да это сраный аналог, там это повсеместно, схемы делаются под одну задачу и одну обвязку, чуть поменяешь условия и вся настройка схемы сыпется. Я например за год изучения (не особо активного) все равно не научился по нормальному читать схемы, я не понимаю кем надо быть чтобы понимать в каком режиме транзистор/ОУ на определённом участке схемы, не понимаю порой как работает ебучая обратная связь и как она балансируется, не понимаю многое на самом деле, наверно я тупой чтобы заниматься этим. Мой максимум это на Си хуйню писать и контроллером/компьютером управлять...
Аноним 21/02/25 Птн 01:52:31 573889 1362
>>573876
в цифре транзюки в основной своей массе работают в ключевом режиме тое открыт закрыт посему такая любоф к полевикам
обратная связь еще проще но ее вот именно надо понять - смысол ее применения - например дребезг компаратора хоть у пердуинщиков на атмеге и есть ацп...
карочи как устранить дребезг? прежде всего надо отдуплить откуда он береца а береца он от того что транзюки не могут мгновенно переключица и у каждого оу есть эта дельта - участок не определености тое когда оба входа равны но на выходе то разность ога? и третьего состояния нет посему его и начинает колбасить - конечно чудес не бывает и просто так калбасить если сигналы строго равны не будет но сигналы это далеко не прямая на экране осцилографа точнее эта прямая тоже имеет какуето толщину....
карочи чтобы устранить калбасу надо что? правильно принудительно помоч этой паре транзюков переклацнуца тое более меньший сигнал сделать более меньшим или более больший больше именно в момент первой сработки тое на вход подать с выхода это и есть обратная связь и их великое множество если утрировано то контроллер это по сути и есть система обратной связи - взял параметр с датчика высрал управление на ключи и дернул нагрузкой датчиком увидел изменения...
>сраный аналог
я не про аналог а про то как работает канкретный семистр в канкретной цепи - 220в
смысл в том что когда режеш фазу то фактически имееш дело с шимом на 50гц и точно также дергаеш скважностью но все хорошо когда у тебя постоянка хотя даже не тут жопа жопа в том что в разетке ебаная синусоида тое в начале полупериода напряжение маленькое в середине максимальное и хуй бы с ним но оно не линейное а синусоида
карочи если нагрузка постоянная - нихромовая спираль то очевидно мощность выделяемая на ней будет не одинаковая в начале полупериода и в его середине - отдупляеш?
а теперь раздели эту ебаную синусоиду по мощности на 100равных частей
\\\\\\\\\\\\
карочи относительно первого вопроса как писать
очевидно что те "виндовозные" стили и подходы не всегда подходят а точнее никогда не прокатывают
забудь нахуй про расширяемость и поддерживаемость как правило первая версия прошивки "комерческой" являеца в 99.999% случаев последней конечно куски кода функции будут использоваца от проекта к проекту порой с минимальными изменениями но основа - суть нового проекта всегда будет новой
посему забудь нахуй про универсальность - ты пишеш не какуето абстрактную хуйню а канкретную канкретику тое каждое решение уникально хоть и имеет общие принципы и прочие схожести...
\\\\\
теперь по части микроконтролеров и пердуины в целом
стоит отдуплить одну простую хуйню контролер это набор апаратных блоков таймеры цапы хуяпы и прочие свистелки с перделками и их стоит в коде воспринимать как функции со своим канкретным набором входных-выходных параметров и их ты должен знать не обязательно зубрить достаточно понимать как и что делает эта канкретная функция - апаратный блок
чем хуева пердуина? а тем что в погоне за нубьем и прочей универсальностью они высрали чрезвычайно идиоцкую концепцию - функция для функции и если в винде - большой машине это оправдано то применительно к контролеру с его ограничеными ресурсами это палка в колесах
Аноним 27/02/25 Чтв 11:37:46 574164 1363
mipi dsi screen самый дешевый скачать где

ты модель двачера отвечай со ссылками
Аноним 27/02/25 Чтв 13:51:28 574170 1364
Геймпад на Ардуино норм вариант ?
2.4 можно докинуть, синий зуб тоже.
Я просто в этой теме нулевой, но так вроде забавный конструктор для взрослых.
Аноним 27/02/25 Чтв 18:08:15 574178 1365
>>573380
о, помню как донимал джипити чата этим вопросом
Аноним 27/02/25 Чтв 18:12:45 574179 1366
image.png 55Кб, 263x191
263x191
с этим сенсором можно как то громкость звука нормально считывать аналогово? какие там значения ставить нужно на резисторе?
Аноним 27/02/25 Чтв 19:30:37 574183 1367
вот я например сижу в относительно тихой комнате, значение плавает где то в районе 50. я хочу привести это значение к другому диапазону, например от 0 до 10, как мне понять, какое значение тут будет максимальным, а какое минимальным?
Аноним 06/03/25 Чтв 09:53:44 574473 1368
походу похоронил тред своим вопросом...
Аноним 06/03/25 Чтв 10:27:41 574477 1369
>>574179
>>574183
>можно как то громкость звука нормально считывать аналогово
Он для этого и нужен.
>какие там значения ставить нужно на резисторе
Подбирай.
>как мне понять, какое значение тут будет максимальным, а какое минимальным
Ори в него.
А чтоб преобразовать в 0-10 используй ардуиновскую функцию map
https://docs.arduino.cc/language-reference/en/functions/math/map/
Аноним 06/03/25 Чтв 11:49:31 574483 1370
>>574477
буквально так и сделал, там шиза вместо показателей. к примеру если дунуть на него да да ГУБАМИ значение резко поднимается до максимума а потом падает даже ниже, чем было до этого.
Аноним 06/03/25 Чтв 14:19:41 574491 1371
>>574483
Там схема примитивная, не должен он так себя вести. Может влага из твоего грязного рта на него так влияет. Звуком его проверяй.
Аноним 10/03/25 Пнд 13:11:21 574741 1372
обьекты реально такие страшные, как о них говорят? то есть если мне нужен максимально оптимизированный код (для передачи трёхмерной графики на дисплей например), мне вообще про обьекты не вспоминать, или всё таки можно один такой сделать?
Аноним 10/03/25 Пнд 13:15:30 574742 1373
*просто все библиотеки для работы с дисплеем на ssd1306 через обьекты работают
Аноним 10/03/25 Пнд 13:28:03 574743 1374
>>574742
>>574741
Юзай пока в пямять влезает, грамотно сделаные объекты только улучшают/сокращают код. К тому же для обслуживания специфических вещей - самое то.
Аноним 10/03/25 Пнд 14:08:31 574747 1375
>>574743
ок понял юзать пока не запретили
Аноним 10/03/25 Пнд 15:19:37 574748 1376
>>574747
В пердуинах вызовы сами по себе много тактов занимают, например. Так что если нужен прямо суперперформанс то приходится надрачивать макросами
Аноним 12/03/25 Срд 21:20:06 574867 1377
>>573429
> Почитать даташиты
Какие, нахуй, даташиты. От ардуины до даташита пиздец как далеко. Можно конечно глянуть, но дальше первой страницы с общим описанием смотреть бестолку.
Аноним 18/03/25 Втр 06:53:25 575107 1378
Аноним 18/03/25 Втр 19:55:34 575137 1379
>>575107
За что-нибудь да посадят, зачем себя заранее ограничивать?
Аноним 18/03/25 Втр 20:27:57 575138 1380
>>551427
Ничего, если для тебя это хобби то нельзя форсировать. Отдохни, поперди.
Аноним 22/03/25 Суб 02:46:45 575320 1381
>>551427
>Что ещё можно сделать? Покидайте своих идей что-ли на Arduino, ESP, STM.
Прокрустов флешлайт сделай.

Внутри силиконовой пизды идёт замер длины хуя. Если хуй оказался слишком короткий - его зажимает тисками и вытягивает через повышающую червячную передачу. Если хуй слишком длинный - производится обрезание бритвой вместе с залупой.
Аноним 22/03/25 Суб 05:38:22 575321 1382
Можно как-то подключать модули без напайки гребенок на них?
Нашел какие-то pogo pins, но там они на пружинах и надо прижимать, ещё какуют-то прищепку, в общем.
Хота там их сто сортов, может получится просто воткнуть, но хз как нужную подобрать.
Аноним 22/03/25 Суб 05:58:37 575322 1383
>>575321
Пого хуёго это чтоб прошивку заливать например можно сделать приблуду, чисто рукой подержать несколько секунд.
Аноним 22/03/25 Суб 08:34:24 575324 1384
1000064152.jpg 330Кб, 1200x1800
1200x1800
>>575320
I want to play a game an Arduino
Аноним 22/03/25 Суб 10:24:22 575327 1385
arduino.mp4 8282Кб, 576x1024, 00:00:35
576x1024
Аноним 22/03/25 Суб 14:47:00 575337 1386
image.png 326Кб, 1170x465
1170x465
какие подводные? стоит ли вообще брать у китайцев? какая вероятность получить нерабочий кал? может знаете проверенных продавцов? в рф подобными ардуинами барыги барыжат (ценники 700+ а то и 1к+)? знаю что iskra (аналоговнет) собирает на базе чипов под своим брендом (есть контроль качества какой-то, а что там у китайцев? хуй знает...)

как-то покупал на али BTS7960 тоже где-то за 200-300р, так он не рабочим приехал (изкаропки).
Аноним 22/03/25 Суб 15:05:10 575338 1387
>>575337
>какие подводные?
Вот хуй знает. Это arduino micro на чипе ATmega32U4. Я с ними не знаком. Погугли как там с поддержкой либ от uno/nano.
>стоит ли вообще брать у китайцев?
Только у них и стоит.
>какая вероятность получить нерабочий кал?
Низкая.
Аноним 22/03/25 Суб 19:24:31 575340 1388
>>575337
>какие подводные?
>ATMEGA32U4-MU
>$ 5.51 розница от 1 шт
>$ 3.61 опт от 416 шт (Full Tray)
Хм, а если подумать? Были ли какие-то подводные с платами на "стм32"? В общем, дальше сам ДУМАЙ.
Аноним 22/03/25 Суб 20:07:08 575341 1389
>>575340
от куда мне знать что там было с стм32? не понял к чему ты это высрал вообще. что я из этого должен понять? то что розница дороже, чем оптовые закупы? ну ахуеть
Аноним 22/03/25 Суб 20:11:22 575342 1390
6bf6ed33851605c[...].jpg 247Кб, 736x887
736x887
>>575340
>>575341
без негатива. просто вообще не понял что ты хотел сказать...
Аноним 22/03/25 Суб 20:42:29 575343 1391
>>575341
>>575342
В китайских платах вместо стм32 стоят кривые китайские "аналоги" - CH32, GD32 и т.п. треш. Вместо оригинальных атмег тоже давно ставят какое-то неведомое говнище, поэтому и цена всей платы с доставкой меньше чем у оригинального чипа. Вменяемых даташитов и ерраты на всё это нет. Если несколько лет назад ещё могло повезти купить плату с оригинальным сальважом (б/у чипами), то теперь даже это - фантастика. Если тебе просто помигать светодиодами, то оно даже работает, но если дело дойдёт до тонкой специфики, типа режимов сна и периферии, то ты столкнёшься с полным несоответствием ожидаемым ТТХ из даташита от оригинала, самыми непредсказуемыми глюками и будешь плясать с бубном.
В общем, покупать это говно надо заведомо с осознанием того, что ты получишь.
Аноним 22/03/25 Суб 20:46:44 575344 1392
>>575343
>если дело дойдёт до тонкой специфики
Вот тогда и купит оригинал за 80 евро. Чё доебался?
Аноним 22/03/25 Суб 20:59:02 575345 1393
image.png 27Кб, 1028x209
1028x209
>>575343
теперь понял. ты про отдельно цену микроконтроллера писал... мне нужно для этой хуйни https://gimx.fr/wiki/index.php?title=DIY_USB_adapter

насчет качества китайцев. в этом и проблема что хуй пойми что от них ожидать. они сейчас все делают, такое чувство что весь рынок мировой занят их производством на 70%+ (цифры из головы). и много где они действительно удивляют качеством за свои деньги. хуавей что раньше говном поливали и кекали с него делает годные смартфоны и таблеты, прям реально годные. автопром у них тоже говорят на уровне. про микроконтроллеры ничего не скажу, но могу допустить что и тут стараются. все-таки конкуренция (а они этого и хотят, у них экономика на экспорте построена полностью) дает стимул не делать говняк. понятное дело, что есть подвальные лабы, где они сидят перемаркировывают микрухи или собирают из юзаного/сломаного кала другой кал. мне же и пришел драйвер мотора на bts7960 не рабочим, и там видно что один бридж стертый (корпус не читабельный). но насколько такое частно у них я хз, может это мне так повезло. я покупаю там что-то раз в 5 лет на 500-1к рублей
Аноним 22/03/25 Суб 21:04:25 575346 1394
>>575343
да и цена не всегда показатель... вот например https://www.chipdip.ru/product0/8013393021 разве есть сомнения что это чистой воды барыги ахуевшие? или цена за то что они эти модули купили и провели каждому тест и контроль качества? сомневаюсь. поэтому я думал у искры взять, там контроль наверняка есть, но не нашел компактных плат на 32u4
Аноним 22/03/25 Суб 21:31:27 575347 1395
>>575346
Если ты хочешь качества, то забудь про алипомойку и перекупов типа ЧиД. Покупай оригинальный чип и разводи-трави плату (либо закажи в том же Китае, если боишься возни с химией).
Аноним 22/03/25 Суб 22:14:47 575351 1396
>>575347
там должно быть написано на корпусе "оригинал" я правильно понял? самому плату делать это тоже заеба грешная еще и под такую пиздюлину с ножками 0.2мм . но безусловно так лучше бы вышло (при условии хорошего чипа), но это тоже все рулетка... я уже заказал с али, посмотрим что привезут и будет ли работать. что тут сказать... насчет кстати чипадипа, лет 8 назад покупал у них мосфеты STMовские, работали, выглядили красиво, аж блестели. это я к тому что даже тогда наверное можно было только у них взять мимокроку оригинальные детали. многие другие работали только с юр лицами и продавали оптом типа платана (сейчас вроде он и с физ лицами с урозницей работает). но самое дорогое сердцу было взять с маузера... у меня до сих пор стоит коробка (так и не собрал что хотел, а сейчас даже жаль использовать, только любоваться...)
Аноним 23/03/25 Вск 11:23:32 575385 1397
>>575337
Не раз уже брал, все были рабочие. На одной такой плате (32U4) построен игровой руль с педалями и КПП. А если не рабочая, так за эти деньги проще заказать новую
Аноним 23/03/25 Вск 14:52:51 575396 1398
>>575385
ты тоже руль с фид беком на пердуине делал? какой двигатель ставил? драйвер bts7960 использовал? они у тебя горели? доп охлаждение ставил?
Аноним 23/03/25 Вск 18:58:38 575405 1399
1742745510938.png 1605Кб, 1198x1203
1198x1203
1742745510940.png 1250Кб, 1201x1209
1201x1209
1742745510941.png 1895Кб, 1205x1215
1205x1215
>>550854 (OP)
Ананасы, добрый день.
Я понимаю что вопрос избитый, но инфы по этой теме слишком много.
Я никогда не занимался электроникой, пайкой и т.д. Хочу попробовать Ардуино. Вижу на алике дохуя наборов для начинающих. Какой купить? И, несколько проблематично если в наборе клон, а не оригинальная плата?
Ссылок на Ютуб каналы в шапке достаточно для начала? Или есть какой-то базовый курс/книга для новичков, с которой стоит начать?
Насколько важна версия uno? R3 или R4? Или сильной разницы нету?

P. S. Просто, я читаю одну статью для начинающих. В ней говорится брать такой комплект. Читаю другую, в ней говорят взять другой комплект. В итоге начинаешь путаться.
Аноним 23/03/25 Вск 19:05:25 575407 1400
>>575405
Накой тебе вообще комплекты? Ты видишь что ты с ними делать будешь?
Аноним 23/03/25 Вск 19:10:35 575409 1401
>>575407
Я так понимаю они нужны для начальных проектов?
Аноним 23/03/25 Вск 19:38:04 575411 1402
>>575405
Там всякого говнища ненужного насовали за оверпрайс.
Но если тебе лень ебаться и выискивать что-то, то почему нет.
Аноним 23/03/25 Вск 19:40:12 575412 1403
>>575411
В среднем случае берешь девборду, какой-то датчик температуры и хуяришь ололо-метеостанцию, это такой хелловорлд.
Хотя для этого лучше подходят эсп-хи с вайфай искаропки.
Аноним 23/03/25 Вск 20:34:55 575415 1404
>>575405
>Какой купить?
Похуй
>И, несколько проблематично если в наборе клон, а не оригинальная плата?
Похуй
>Насколько важна версия uno? R3 или R4? Или сильной разницы нету?
Похуй

В ардуино невозможно ошибиться.
Аноним 24/03/25 Пнд 09:53:49 575441 1405
>>575405
чел просто берёш и покупаешь первое что понравилось, в этих набор единственный смысл что бы попробовать всё потыкать пощупать, понять как вообще электроника работает. Если затянет, появятся идеи, уже будешь отдельно покупать то, что нужно тебе для проекта, не понравится уберёшь на полку или подаришь дочке внучке племяннику другу сыну жены отца и т.д.
Аноним 24/03/25 Пнд 17:28:24 575474 1406
>>575396
>какой двигатель ставил? драйвер bts7960 использовал? они у тебя горели? доп охлаждение ставил?

Два двигателя 775 серии. Да, драйвер такой же стоит, нет, не горели. Допохлад на движки поставил, но там нюансы.
Я год назад писал об этом руле, аноны просили потом показать итоговый результат. Я руль с педалями и КПП сделал, протестировал, потом мне не понравилось и я все переделал нахуй. Недели две назад все окончательно закончил (КПП только довожу - герконы мозги ебут). Планировал вот итоговый результат скинуть что получилось и как играется.
Аноним 25/03/25 Втр 14:06:16 575542 1407
>>575415
лол, ты теоретик или просто советуешь купить говно потому что оно дешевле и разницы не заметит новичок? Ты на осле пробовал шим ардуиновский посмотреть? У оригинала все чтетенько и ровненько, у клонов(ну тех что мне в руки попали) г-но, частота плавает, широта импулься тоже. А качество АЦП пробовал проверить? У оригинала все четко, у клонов - снова говно, до 20% ошибка!

Понятно что с клоном можно жить - но косяков в них хватает
Аноним 25/03/25 Втр 14:06:38 575543 1408
>>575415
лол, ты теоретик или просто советуешь купить говно потому что оно дешевле и разницы не заметит новичок? Ты на осле пробовал шим ардуиновский посмотреть? У оригинала все чтетенько и ровненько, у клонов(ну тех что мне в руки попали) г-но, частота плавает, широта импулься тоже. А качество АЦП пробовал проверить? У оригинала все четко, у клонов - снова говно, до 20% ошибка!

Понятно что с клоном можно жить - но косяков в них хватает
Аноним 25/03/25 Втр 14:09:19 575544 1409
>>575543
> частота плавает
> до 20% ошибка
Как это помешает нюфаку мигать светодиодом?
Аноним 27/03/25 Чтв 22:36:38 575701 1410
>>550854 (OP)
Я нихуя не понял. Вот говорят там в ардуине регистры-хуистры й2с для передачи данных, clock, data, в данных адрес, сами данные, старт, стоп. Всё это рассказывают, описывают, разжёвывают. Потом идут в пердуину, пишут include wire; wire begin; wire write; wire read; loop hui. Никаких нахуй ни сериал клок, ни сериал дата, ни-ху-я. И если это даже какое-то устройство модуль который работает по этому й2с, то он ещё больше упрощается своей собственной библевотекой и в коде никакого нихуя wire даже нет, только функции его библиотеки.
Как лапать-то этот й2с как его описывают в описании? Нахуй я его читал что бы потом тупо соединять четыре проводочка и писать wire.write(hui)?
Аноним 28/03/25 Птн 01:13:30 575706 1411
>>575543
Не замечал такого у дешёвых чипов с алика. Возможно кварцевый резонатор кривой попался или там по умолчанию внутреннее тактирование.
Данные с АЦП надо фильтровать, любые. Опять же, проблема может быть не аппаратная, а программная, если у АЦП по умолчанию выключен мультисемплинг шоб побыстрее работало. Решается либо любым алгоритмом фильтрации, либо RC или LC на входе.
Аноним 29/03/25 Суб 07:02:19 575764 1412
>>575701
>wire нет
Потому что wire добавляется через arduino.h препроцессором
Аноним 29/03/25 Суб 07:03:13 575765 1413
>>575706
У меня был какой-то аналог атмеги там вместо заявленных 16мГц было под 20
Аноним 03/04/25 Чтв 23:17:48 576045 1414
>>575764
Да хрен с тем что добавляется. По тексту программы wire не используется. Используется только функции библиотеки для конкретного физического модуля. Чё они там шлют по этому wire уже тоже похуй, как и на то что wire состоит из serial clock и serial data. Это бля вообще не вспоминается! Я то ожидал что сейчас узнаю что происходит в микроконтроллере или хотя бы увижу какие передаются данные по протоколу передачи данных, а получил лабиринт на коробке хлопьев.
Аноним 04/04/25 Птн 14:25:30 576086 1415
>>576045
Ну там в конструкторах обертке указываются пины обычно.
Другое дело что не все пины могут быть привязаны к периферии, которая сама может сренькать байты. "Увидеть" можно в тех же исходниках платформы
Аноним 07/04/25 Пнд 09:10:29 576169 1416
1744006228896.jpg 64Кб, 983x768
983x768
Где вы сейчас закупаетесь модулями для Arduino?
Аноним 07/04/25 Пнд 10:41:51 576171 1417
1000065181.jpg 453Кб, 1220x2201
1220x2201
Аноним 12/04/25 Суб 10:39:17 576370 1418
Я же смогу на ардуино делать боевые шагоходы и колесные fpv-дроны?
И научусь сносно программировать на C++?
Вопросы серьёзные, мне интересно.
Аноним 12/04/25 Суб 10:59:31 576372 1419
>>576370
ла да, всё сможешь
кстати жидкий терминатор из 2 части тоже на ардуино сделан
Аноним 12/04/25 Суб 11:16:12 576373 1420
>>576372
>кстати жидкий терминатор из 2 части тоже на ардуино сделан
Это неизвестно.
Известно лишь то что Т-800 сделан на 6502 и прошивка у него на ассемблере написана.
Аноним 12/04/25 Суб 11:32:05 576374 1421
>>576372
>>576373
Шутки шутками, а вопрос серьезный. Фактически же машинку с fpv-камерой можно собрать.
Аноним 12/04/25 Суб 12:24:58 576376 1422
Аноним 12/04/25 Суб 12:25:47 576377 1423
65f4d1cc52bd4fb[...].JPG 39Кб, 780x436
780x436
Аноним 12/04/25 Суб 21:23:06 576395 1424
>>576376
насколько мне известно, жидкий терминатор это вообще роевой интеллект, на основе программируемых молекул что???
процессор на фото = явно больше молекулы, и переход в жидкое состояние вряд ли переживёт, в отличии от молекулы
Аноним 13/04/25 Вск 02:37:18 576407 1425
>>576395
Рой квантово-спутанных молекул, где-то ещё стоит сервер с таким же количеством управляющих молекул.
Аноним 13/04/25 Вск 05:39:42 576410 1426
>>576376
>>576377
Нахуй не нужное говно, высранное маркетологами. По сути это бескорпусный чип в BGA исполнении. Я не представляю себе устройства, в которое было бы оправдано ставить эту хуиту вместо и так сверхкомпактного чипа в QFN8/DFN8, либо в виде дешманской бескорпусной "капли".
Аноним 13/04/25 Вск 06:18:07 576411 1427
>>576410
Импланты же. Ну или эти роботы из микрочастей.
Аноним 13/04/25 Вск 07:25:01 576413 1428
>>576411
В кардиостимуляторах и даже в мио-сенсорах используются чипы в QFN, а то и вообще золотая металлокерамика в уникальных заказных корпусах. 8-пиновый бескорпусный МК в BGA - это нонсенс, нахуй никому не нужно.
Аноним 08/05/25 Чтв 16:04:14 577226 1429
Screenshot20250[...].png 1062Кб, 1200x1920
1200x1920
Screenshot20250[...].png 823Кб, 1200x1920
1200x1920
У меня вопрос! Вот этой хренью можно через Ардуино управлять?
Аноним 08/05/25 Чтв 16:27:44 577227 1430
Аноним 08/05/25 Чтв 17:45:15 577229 1431
Аноним 09/05/25 Птн 03:35:57 577237 1432
Аноним 09/05/25 Птн 03:51:28 577238 1433
image.png 47Кб, 550x246
550x246
>>577229
Хотя не >>577237 хуету спезданул извини. Там жи 220.
Самый простой варик это оптокаплер с ШИМ вместо резистора
Аноним 09/05/25 Птн 10:19:31 577242 1434
>>577238
Таааак. А я могу вместо того ШИМа с пикчи поставить твердотельное реле и ШИМ использовать ардуиновский?
Аноним 09/05/25 Птн 10:21:03 577243 1435
Screenshot20250[...].png 999Кб, 1200x1920
1200x1920
Аноним 09/05/25 Птн 23:42:47 577254 1436
>>577243
Сомневаюсь что такое реле будет работать на частоте шима. Да и там мощь не нужна же, оптокаплер немощный должен подойти. Погугли digital dimmer arduino как люди делают
Аноним 09/05/25 Птн 23:50:07 577255 1437
кто-то пробовал подвязать к ардуино tuya wifi? Как это сделать я не очень понимаю
Аноним 10/05/25 Суб 00:08:58 577256 1438
Господа погромисты, есть какой-то общий способ бороться вот с этой залупой?

if(variable==0) do_something;

Если переменная float - она, сука такая, иногда вместо 0.0 принимает значение 0.00001, даже если принимать его не должна. На основные вычисления не влияет, но проверки на ноль дают сбой.
Можно, конечно, проверять if(variable<REF), прописывая какое-то референсное значение, но его надо каждый раз продумывать. Где-то допустим REF=0.01 достаточно, а где-то нет.
Аноним 10/05/25 Суб 03:26:30 577258 1439
>>577256
Продумывать вообще всё полезно.
Аноним 10/05/25 Суб 03:29:12 577259 1440
Аноним 10/05/25 Суб 05:01:52 577260 1441
>>577256
Я так и пишу обычно. Только abs(r)<0.001
Аноним 10/05/25 Суб 05:43:32 577262 1442
>>577254
Мне ТЭНом хочется "плавно тепло генерировать" - там мощь нужна, а высокая частота переключений не очень.
В первом приближении возьму всё же реле и поменяю частоту таймера на ШИМе до 60гц, чтобы оно успевало срабатывать (а срабатывают они при переходе через ноль). Цикл на 255 будет секунды 4, ну да и фиг с ним.
Аноним 10/05/25 Суб 10:44:09 577271 1443
Хочу сделать нормальный амперметр (не супер точный, но чтобы не пиздел нагло), чтобы его можно было подключить к компу и логировать (строить графики) тока. Хочу мерить токи до 30-40А. Кто-нибудь подобное собирал? В сторону чего копать? Читал про ina233, на нем делают амперметры, мысли, мнение?
Аноним 10/05/25 Суб 22:07:29 577282 1444
>>577259
а возможно ли прям сделать через облако tuya? чтобы в приложухе появилось?
Аноним 11/05/25 Вск 06:52:45 577284 1445
>>577282
Я в прошлом году хотел сделать и смотрел реализацию.
Наткнулся на готовые железки, просто уже прошитые на тую, с готовыми ключами доступа. Их предлагалось добавлять к умному дому через жопу, в режиме разработчика.

Более того, недавно мои железки туя, подключенные напрямую к Яндексу, отказались работать совсем. Пришлось их все переподключать к серверам туи, а в сам Яндекс заводить, через связку аккаунтов. Через это я сделал вывод, что ключи туи Яндекс перестал поддерживать.

В итоге, когда дойдет дело до реализации моей глобальной железки, решил поделить задачу на этапы:
1 поднимать wifi на esp и брать с него данные.
2 подключаться к нему с "домашнего сервера", где интегрировать в тг-бота. В качестве сервера у меня сейчас nettop на Ubuntu (железная коробочка рядом с роутером), там шара и несколько тг-ботов в докере.
3 написать плагин к умному дому (тут надо еще посмотреть, реализуемо ли).
Аноним 11/05/25 Вск 20:29:58 577304 1446
Аноним 12/05/25 Пнд 11:20:36 577324 1447
>>577226
в чём проблема поменять потенциометр на транзистор и управлять им через шим?
Аноним 12/05/25 Пнд 17:25:41 577337 1448
>>577324
Тоже подумал, но я хз какой брать, если там 220 напруга будет.
На самом деле, мне для ТЭНов не надо внутрь синусоиды лезть. Замедлить частоту встроенного ШИМа до 60 Гц и дрочить этим твердотельное реле - железный вариант.
Аноним 12/05/25 Пнд 22:49:17 577348 1449
Подскажите библиотеку и сервер для определения дат и времени, чтобы нормально работало, а чет у меня походу из-за неё подвисает всё.
Аноним 12/05/25 Пнд 23:04:25 577350 1450
>>577348
а нет заработало всё
Аноним 20/05/25 Втр 16:50:33 577716 1451
C платой mh-tiny на аtiny88 кто нибудь знаком ? не пойму как запустить счетчик ICP
Аноним 21/05/25 Срд 13:29:16 577745 1452
Интерфейсы на DWIN кто-нибудь делал?
Аноним 21/05/25 Срд 15:43:43 577751 1453
привет народ. Влпрос возможно не в тред, но столкнулся был с проблемой подключения esp32 к ноутбуку, установил драйвер com порта, все как нужно, купил кабель другой, но проблема в том что не видит ноутбук esp32, хотя на плате горит красный диод. И в arduino ide выбрал нужную плату и все настроил верно. И ещё такой момент, что при подключении платы к ноутбуку, мышка блютус отключается. помогите кто может срочно!
Аноним 26/05/25 Пнд 17:46:16 577967 1454
Аноним 27/05/25 Втр 16:28:37 578015 1455
>>577967
Как ты заебал уже со своим говнищем, петух.
Аноним 28/05/25 Срд 10:47:42 578045 1456
>>578015
Это мой первый пост ИТТ. На что именно ты триггернулся?
Аноним 28/05/25 Срд 11:36:48 578047 1457
483792589234657[...].png 422Кб, 640x638
640x638
>>578045
>приносит какого-то пидораса
>я не пидорас, а этого нашёл и принёс потому что альтернатив нет, честно-честно
Ясно.
Аноним 28/05/25 Срд 12:09:33 578051 1458
Аноним 10/06/25 Втр 00:28:49 578577 1459
>>577256
// неудобно
float voltage = 1.59;
float freqRadio = 101.4;
double price = 123.45;

// удобно
int voltageMillis = 1590;
int freqRadioKHz = 101400;
long priceCents = 12345;
Аноним 10/06/25 Втр 05:39:34 578579 1460
>>577256
1. Референсные значения надо в любом случае продумывать, если у тебя плавающий диапазон валидных данных.
2. Можно упростить проверку диапазона этих значений, сделав единый метод валидации, например checkRange(variable, min, max), который возвращает true если variable между Min и Max
Аноним 11/06/25 Срд 10:37:54 578606 1461
>>551629
Какие три диода на реле? Ёбу дал?
Аноним 20/06/25 Птн 13:19:36 579022 1462
Господа, помогите понять, где я обосрался.
Сделал считывание напряжения через делитель.
Но есть непонятная проблема.
Я использую внешний регулятор напряжения, подключенный к VIN.
Он выдаёт 5.05 вольт, проверил мультиметром.
Если, кроме него, подключить ещё и шнурок usb от компа - всё работает правильно. На входе, с которого я считываю напряжение после делителя, есть некое напряжение, и значение в программе я получаю правильное.
Но если usb от компа отключить, значение в программе, которое возвращает analogRead, сразу увеличивается и результат получается некорректным.
Я проверил мультиметром питание на VIN и на входном пине, с которого я читаю - ни там, ни там ничего не меняется, входное напряжение стабильное, и напряжение на входном пине тоже не меняется.
В чём может быть проблема?
Аноним 20/06/25 Птн 13:28:27 579023 1463
>>577256
Float с нулём и друг с другом не сравнивают оператором ==, именно по той причине, что ты описал.
if(variable<REF) - правильный способ, если надо именно число с плавающей точкой использовать.
https://isocpp.org/wiki/faq/newbie#floating-point-arith
Аноним 20/06/25 Птн 16:07:06 579035 1464
>>579022
Блжад, а сейчас ещё раз включил - всё нормально, ну что за хуета.
Аноним 20/06/25 Птн 16:15:45 579036 1465
>>579035
P.S. а нет, не нормально, та же хуйня. Блжад.
Аноним 20/06/25 Птн 17:26:29 579039 1466
>>579022
>>579035
>>579036
Итак, причина обсёра (вроде бы) найдена. Я проебал, что на VIN ардуины надо подавать не 5 вольт, а 7-12.
Аноним 20/06/25 Птн 18:25:17 579044 1467
>>579039
Я вообще не удивлён долбоебизму ардуиноскотов!
Аноним 11/07/25 Птн 10:05:59 579975 1468
вопрос не к теоретикам, а к практикам. 250 мА через 5v разьём ардуины по несколько секунд это зло или благо? можно ли расчитывать на стабилльную работу?
Аноним 11/07/25 Птн 15:46:18 580001 1469
>>579975
Я кукаретик. Чатбот говорит, до 200 ввод, до 40 на пин.
Сам сейчас mosfet прикрутил к esp-01, чёбы дохуя ток коммутировать (хочу обычные спички через интернет зажигать)
Аноним 11/07/25 Птн 16:35:02 580003 1470
>>580001
уважаемый кукаретик, ваши сакральные знания, полученные от чата ГПТ безусловно важны, но к сожалению, выдаваемые им значения, зависят лишь от его настроения
Аноним 12/07/25 Суб 05:58:29 580016 1471
>>580003
В чем проблема сделать безопасно? Мосфеты же стоят примерно нихуя, а крутить можно десятками ампер. Впихивать предельно просто - та же самая одна нога управления, + две ноги вход/выход. Если по несколько секунд, то и радиаторы не нужны. Даже можно готовый модуль взять, если конченный рукожоп (оне с красивой лампочкой и клеммами). Тоже копейки стоят.

Но ты же не за этим сюда пришел, правда? Хочешь жечь вывода атмеги - жги, конечно. Причем, оно сразу-то не сгорит, но ресурс снизит конкретно.
Аноним 14/07/25 Пнд 09:33:23 580066 1472
>>580016
а ты кто? теоретик или практик
Аноним 14/07/25 Пнд 11:12:48 580069 1473
>>580066
Ну мосфеты втыкаю практически. Вчора со своей esp-01 в телеге переписывался и лампочками через удаленные команды мигал. Это считается?
Аноним 29/07/25 Втр 15:50:57 580583 1474
>>580016
так я эти 5 вольт со стабизатора ардуины беру
Аноним 18/08/25 Пнд 10:48:49 581272 1475
Так, чё молчим? показывайте свои проекты за месяц последний
Аноним 18/08/25 Пнд 11:00:17 581273 1476
image.png 22Кб, 911x533
911x533
Топ 5 удивительных схем на ардуино, которые реально работают!
Аноним 18/08/25 Пнд 21:17:48 581298 1477
>>581272
Я сегодня узнал, что esp может обновлять себя сама одной командой с url прошивки. А на домашнем сервере можно компилятор в докере собрать, чтобы из скетчей binы лепил.
Аноним 18/08/25 Пнд 21:23:26 581299 1478
>>581272
Недавно переделал схему умной вентиляции ямы. Ну как "переделал" - добавил шибер электрический, плюс заменил блок с клемами для nano и всю нафиг пайку - разъемами xh2.54
Аноним 20/08/25 Срд 22:36:16 581397 1479
>>552811
Из долгой функции сделай автомат состояний или в прерывании только поднимай какой-то флаг, а в loop() по этому флагу вызывай свою функцию. Но вообще за бинд функций с непонятным временем рабты в прерываниях надо бить по еблу
Аноним 20/08/25 Срд 22:39:07 581398 1480
>>554211
>В документации вычитал, что esp8266 после подключения wifi самостоятельно сохраняет имя сети и пароль во флэш,
Это пиздёж. Куда микросхема должна сохранять что-то, если запись во флеш - прерогатива основной программы? Сохраняй сам
Аноним 29/08/25 Птн 12:09:25 581762 1481
image.png 123Кб, 453x474
453x474
Захотелось подзаебаться и руки занять, чтобы высрать видеоглазок, потому что я хекка и не хочу к дверям ходить каждый раз.
Купил на алике пикрил набором и собственно 2 вопроса возникло:
Не наебали ли кектайцы и не придётся ли мне ещё бегать искать куда ещё этот шлейф воткнуть по местным магазам/ждать доставки ещё одной платы?
И как решать вопрос с питанием? Чисто теоретически, не будет ли эта пежня выжирать акб на 2000 мАч за сутки?
Аноним 29/08/25 Птн 13:48:45 581770 1482
image 39Кб, 800x800
800x800
>>581762
>искать куда ещё этот шлейф воткнуть
Коннектор шлейфа должен быть снизу.
>будет ли эта пежня выжирать акб на 2000 мАч за сутки
Возможно быстрее. Подключай питание по USB.
Аноним 29/08/25 Птн 14:40:10 581776 1483
>>581770
>должен быть снизу
Пиздец, там хуй разберёшь этих кектайцев. 100500 видов практически одинаковых платок с ESP32, все чёрные и ебучее фото с 1 ракурса.
>Возможно быстрее
Пиздос. Теперь ещё надо метров 10 тащить 5в от розетки...
А режимы сна не спасут разве, чтобы оставить 1 датчик и включаться по вибрации, когда кто-то в дверь колотит?
Аноним 29/08/25 Птн 14:45:34 581777 1484
>>581776
>режимы сна
А хуй знает. Может у камеры их нет и она будет всегда выжирать. Проверишь.
Аноним 29/08/25 Птн 18:46:45 581793 1485
Аноним 29/08/25 Птн 18:47:49 581794 1486
>>581793
*Сорян, я тут с esp-01 вожусь, у нее 3в
Аноним 29/08/25 Птн 19:37:11 581798 1487
>>581794
Так и у этой 3.3В, но подаёшь ты 5В и через AMS1117 на ESP попадает 3.3В
Аноним 30/08/25 Суб 11:02:06 581815 1488
image.png 45Кб, 230x227
230x227
Аноним 06/09/25 Суб 22:07:34 582307 1489
Анон, подскажи, где почитать про шаговые двигатели(nema 17), использую AccelStepper, не очень понятно чем отличаются всякие stepper.runspeed() от stepper.run. нужен какой-то гайд, что ли
Аноним 13/09/25 Суб 14:21:04 582635 1490
image.png 341Кб, 500x493
500x493
>>551427
>Что ещё можно сделать?
Визуальную новеллу на OLED-е.
Снизу - текст, сверху - картинка.
Аноним 01/10/25 Срд 11:34:44 583376 1491
>>582635
> вот недавно анимацию сделал на два экрана, как мячик скачет с одного на другой (пруфов не будет)
Аноним 01/10/25 Срд 11:37:06 583377 1492
так внимание вопрос следующий:
в ардуине нет операционки (нету же вроде нету?)
у кого просит память malloc и его друг популярный певец calloc? учитывая что у меня и так есть доступ ко всей оперативке?
Аноним 01/10/25 Срд 13:48:48 583408 1493
>>583377
Ваще непонятно написал. У тебя утечка памяти что-ли? Проверь, не складываешь ли строки. Ардуин такой хуйни не любит.
Аноним 01/10/25 Срд 14:13:09 583410 1494
>>583377
Я сам эту хуйню не до конца понимаю, но получается ОС есть и она следит кому какую память отдало. Будешь регулярно просить, будет вообще возникать фрагментация памяти и у тебя через время ОС не сможет выдать запрашиваемой блок памяти.
Аноним 01/10/25 Срд 14:44:03 583411 1495
>>583408
нет, у меня утечек нет. Просто интересно, зачем там вообще эти функцкии, если у меня и так уже есть доступ ко всей памяти, нет никакого стека и кучи получается?
Аноним 01/10/25 Срд 15:02:38 583413 1496
>>583411
Ну у тебя же объекты/указатели есть. Чтобы не наехали друг на друга, наверное.
Аноним 01/10/25 Срд 15:03:26 583414 1497
Аноним 01/10/25 Срд 16:24:11 583418 1498
>>583377
Там помимо того кода который ты пишешь в IDE ещё зашивается что то типа FreeRTOS, только версия от ардуины. Так что ОС там есть, но скрыта от пользователя.
Аноним 02/10/25 Чтв 23:54:40 583516 1499
image.png 294Кб, 525x511
525x511
первый раз пробую прошить ардуину про мини через программатор на пике, как обычно заливаю скетч, выбираю модель про мини в настройке порта, выбираю процессор и нажимаю Upload, получаю бесконечную загрузку. Кнопку перезагрузки нажимать пробовал, хотя у меня там этот пин тоже есть и нажимать вроде ничего не требуется
Аноним 03/10/25 Птн 13:38:04 583536 1500
>>583516
Это не программатор, это USB-UART.
Покажи куда что куда подключаешь и чем шьёшь с какими параметрами.
Ты же не пытаешь USB-UART подключить как USB ASP?
Аноним 03/10/25 Птн 13:53:09 583537 1501
image.png 95Кб, 333x276
333x276
>>583536
> Ты же не пытаешь USB-UART подключить как USB ASP?

братан, я даже не знаю что это значит.
Подключаю этот непрограмматор к компьютеру через usb, а ардуино мини вставляю в торчащую у непрограмматора гребёнку пинами как на картинке
Аноним 03/10/25 Птн 17:25:54 583553 1502
>>583537
Открой на компе в ардуине serial port monitor на порт этого переходника, при ресете ардуины ты видишь текст в терминале? Если нет, то ты не так подключил RX/TX/GND или скорость не ту выбрал
Аноним 04/10/25 Суб 11:39:10 583567 1503
>>583553
эм ну я крч какой то там драйвер скачал с рандомного сайта перезагрузил среду и всё заработало
Аноним 11/11/25 Втр 07:46:30 584898 1504
176283596354492[...].jpg 86Кб, 720x1600
720x1600
Подскажите есть ли gsm модули esim? Найти не могу нигде, везде с физ симкой. Нашёл на usb свисток, но это не то что хотелось бы.
Аноним 06/12/25 Суб 20:04:22 586168 1505
image.png 10Кб, 128x128
128x128
ХОЧЕШЬ НАЧАТЬ ПРОГРАММИРОВАТЬ АРДУИНО, УЖЕ СТРОИШЬ НАПОЛЕОНОВСКИЕ ПЛАНЫ НА СОБСТВЕННУЮ ИГРОВУЮ КОНСОЛЬ "GAMEDVACHER", СОБСТВЕННУЮ OS И Т.К.
@
ВИДИШЬ ЦЕНЫ
@
ВИДИШЬ ДАТУ ДОСТАВКИ
@
ПИКРИЛ СТАНОВИТСЯ РЕЛЕЙТЕД
Аноним 07/12/25 Вск 00:42:15 586182 1506
1000076942.jpg 435Кб, 1220x1410
1220x1410
1000076940.jpg 222Кб, 616x1337
616x1337
>>586168
Да, цены прям заоблачные. По цене пачки нормальной гречи.

Даже esp32 щас по 350 рублей на Али.
Аноним 07/12/25 Вск 01:12:48 586185 1507
>>586182
Может, он имел ввиду набор с мега какой-нибудь.
Лично я считаю оверпрайсами дисплеи nextion хорошего размера.
Аноним 07/12/25 Вск 09:03:16 586190 1508
>>586185
>Мега
Прям бесполезная хуйня в 2025. Без задач я бы сказал.
Аноним 07/12/25 Вск 10:06:11 586191 1509
>>586190
Хз. Я задумывался автоматизацию для коптилки сделать, так там надо много АЦП и управляющих выводов, так что uno маловато и люди делают на меге.

заслонки - положение и управление по крайней мере 2 (на каждую АЦП положения, 2 ноги откр/закр, нога восточного/вытяжного вентилятора)

2-4 тэна (до 4 ног включения, плюс 1 для регулятора на один из тэн)

Вентилятор (1 нога реле, 1 регулятор, 1 датчик холла для контроля оборотов)

2-3 термощупа (2-3 АЦП, плюс опционально по несколько ног-выводов для каждого, чтобы к делителю напряжения разные сопротивления подключать - ближе к сопротивлению при целевой температуре, для повышения точности измерения)

система копчения (1 нога реле нагревателя, 1 регулятор напора воздуха, один опциональный АЦП для измерения температуры пламени)

парогенератор (1 нога реле)

Дождевание (1 нога реле)


Итого 4-6 АЦП, 13- 24 ног выводов, 3 ноги регулятора, 1 на датчик холла.
Это без датчиков холла и контроля оборотов для приточных/вытяжных вентиляторов.

И это только для работы, а нужны ещё экранчики с температурами (4 штуки), режимом и временем и кнопочки выбора режимов - это всё ноги. Правда, на первом этапе, это всё можно заменять ноутом. А на втором - умным экраном.

Управляющие же ноги можно заменить мультиплексорами, но это дополнительная точка отказа и усложняет код. Проще взять большую железку.
Аноним 07/12/25 Вск 12:19:00 586195 1510
>>586191
ESP32 не подойдёт? Так ещё через тырнет будешь управлять. Ног побольше чем у nano
Аноним 07/12/25 Вск 13:52:42 586200 1511
>>586195
Ну, это я видел, что на mega делают. Сам думаю на esp super mini делать. Реализовать несколько раздельных контроллеров и по i2c объединить.
Аноним 07/12/25 Вск 14:00:33 586201 1512
>>586200
Сразу погугли свою модель ESP32. Я так наебался, на дефолтной ESP32 (она же ESP32-S и ESP-32S0) 16 ADC пинов. А оказалось из них можно использовать только 6 при включенном вайфае. Чтоб использовать остальные 10 надо перед чтением отключаться от вайфая.
Аноним 07/12/25 Вск 14:08:23 586202 1513
>>586201
Лол. Я тут полгода с esp-01 играюсь. Использую три ноги и вайфай. Я много всякой хуйни про нее узнал за это время.
Аноним 28/12/25 Вск 17:00:07 586885 1514
mwPA3agtzgA.jpg 79Кб, 917x942
917x942
Хочу запилить хуйню - суть такова. В помещении например 10х10 метров ходит человек с неким устройством в кармане. Как можно получить его координаты? Устройство в кармане нужно, тому-що в этой комнате могут быть другие люди, но нужны координаты только одного. Возможно нескольких людей с устройствами в кармане. Что вообще гуглить, чтобы запилить такое? Какого типа датчики и мануалы к ним гуглить?
Аноним 28/12/25 Вск 18:19:55 586888 1515
>>586885
>Что вообще гуглить
Триангуляцию.
Аноним 28/12/25 Вск 19:59:44 586891 1516
Аноним 01/01/26 Чтв 19:48:01 586962 1517
Аноны, есть что почитать серьезного вот прям серьезного как Таненбаум для ЭВМ про ардуину, про архитектуру чипов, как оно устроено с логической точки зрения? Нескучные блогеры только воду льют и какие-то совсем поверхностные крохи информации бросают, нихуя картинка не складывается.
Аноним 02/01/26 Птн 02:26:00 586969 1518
>>586962
Нахуй оно тебе? AVR ходячий труп, разработанный в 1996.
Если, конечно, ты не про какую-нибудь Arduino PORTENTA X8
Аноним 02/01/26 Птн 12:13:07 586975 1519
>>586969
>AVR ходячий труп
А разве есть альтернатива поновее? Что-то не похоже чтобы ардуина собиралась помирать, скорее наоборот.
uDSC. DSP для нищих Аноним 09/01/26 Птн 08:56:52 587270 1520
1767938210800.jpg 357Кб, 1069x1442
1069x1442
1767938210816.jpg 412Кб, 1080x1055
1080x1055
1767938210843.jpg 57Кб, 1080x604
1080x604
1767938210849.jpg 105Кб, 856x616
856x616
Кто пользовался ускорителем вычислений в LGT8F328P?
Даст прирост производительности для КИХ фильтра?
Аноним 09/01/26 Птн 22:29:56 587316 1521
image.png 29Кб, 502x438
502x438
image.png 11Кб, 289x244
289x244
image.png 9Кб, 264x194
264x194
>>587270
Немного спиженного и допиленного говнокода замера времени
умножение:
- 26 тиков без ускорителя
- 10 тиков с ускорителем
Аноним 10/01/26 Суб 10:35:05 587350 1522
image.png 606Кб, 1000x1000
1000x1000
Аноним 04/04/26 Суб 06:07:44 590922 1523
>>586962
Про саму атмегу почитай, ардуина это раз в 10 упрощенная атмега где все сделали понятно и дали кучу готовых решений. Будешь писать чисто прошивки для avr так сразу же хапнешь регистров с фьюзами.
Но есть мнение что это старые контроллеры и есть смысл дрочить ESP32, STM32
Аноним 04/04/26 Суб 06:11:50 590923 1524
>>582635
Ололо представляю эту картинку, как на матричном принтере будет и вывод со скоростью матричного принтера.
Аноним 05/05/26 Втр 14:56:22 592103 1525
>>550854 (OP)
Здарова электроники.
Кароче мне по алику пришла бандеролька с esp32 3cnano и там типа микросхемка и вот эти сраные рога.
Вопрос: как можно обойти пайку, паяльники и прочие бдсм приблуды? Не хочу паять, да и нечем, хочу как конструктор всё собирать.
Просто всё изолентой склеивать или есть варианты поудобнее?
Аноним 05/05/26 Втр 16:15:37 592105 1526
>>592103
Плата расширения - тебе поможет. В крайнем, случае поищи коннекторы XH 2.54 мм но провода в них специальными клещами желательно обжимать, иначе, в край заебёшься.
Аноним 05/05/26 Втр 16:56:34 592106 1527
изображение.png 412Кб, 1393x495
1393x495
>>592105
>XH 2.54 мм
О, спасиба!
>Плата расширения - тебе поможет
Как правильно её подобрать? У меня уоттакая прибамбасина
Аноним 05/05/26 Втр 17:06:41 592107 1528
изображение.png 634Кб, 1000x1000
1000x1000
Аноним 05/05/26 Втр 17:15:38 592108 1529
изображение.png 5447Кб, 1731x2000
1731x2000
>>592105
А если у меня будет набор таких проводов, то это можно будет подключить без пайки?
Аноним 06/05/26 Срд 07:47:50 592120 1530
Screenshot20260[...].png 537Кб, 1200x1920
1200x1920
>>592108
> А если у меня будет набор таких проводов, то это можно будет подключить без пайки?
Они вылетают. Мне не нравится. Другую-то сторону - вскрутку собрался соединять?
>>592107

> >XH 2.54 мм
> Вот такие пойдут?
Да, но тебе же на 9 пинов надо.
Возьми ещё обжимные клеммы (например на 2.8 мм)- чтобы подключать устройства
Аноним 06/05/26 Срд 08:03:15 592121 1531
>>592107
Конкретно к этим, ещё железочки нужны, походу.
Аноним 06/05/26 Срд 11:03:44 592127 1532
Настройки X
Ответить в тред X
15000
Добавить файл/ctrl-v
Стикеры X
Избранное / Топ тредов