Главная Юзердоски Каталог Трекер NSFW Настройки

Радиотехника

Ответить в тред Ответить в тред
Check this out!
<<
Назад | Вниз | Каталог | Обновить | Автообновление | 154 67 81
Личных проектов и самоделок тред #1 Аноним 19/12/24 Чтв 01:11:43 568856 1
754110250429BF3[...].mov 1886Кб, 480x360, 00:00:24
480x360
image.png 1490Кб, 2570x1492
2570x1492
image.png 171Кб, 1010x720
1010x720
image.png 18223Кб, 3024x4032
3024x4032
Постим свои поделия и поделия из сети. Обсуждаем махарайки, обсираем чужие схемы и находим идеи для будущих проектов.
Аноним 19/12/24 Чтв 11:26:32 568868 2
Аноним 19/12/24 Чтв 13:45:24 568872 3
>>568856 (OP)
>Постим свои поделия
Бля на ум ничего не приходит, кроме моих всратых переделанных фонарей
Аноним 19/12/24 Чтв 17:52:14 568883 4
Аноним 19/12/24 Чтв 19:05:35 568884 5
>>568872
У меня в начале нулевых был пластмассовый фонарь филипс на 2аа и с одним обычным белым, скорее всего, 5мм диодом. Так как он светил не сильно лучше зажигалки со светодиодом я примотал изолентой "дистанцирующую" стальную втулку длиной сантиметров 5 и толщиной стенки миллиметров 5, и на конце, тоже изолентой, закрепил стеклянный шар изображающий собой фокуссирующую линзу. Фонарь стал как минимум в 3 раза тяжелее, зато стал светить как в мультиках - узким тусклым кругом с равномерной заливкой. Я его кому-то задарил, вот сейчас представляю лицо человека который разбирал мой апгрейд.
Аноним 20/12/24 Птн 01:03:28 568889 6
Махарайки делятся на 2 вида -
1) Кринжовый кал, которым стыдно делиться
2) Стейт оф арт комершиал продакт, которым нельзя делиться, потому что это влечет утраченную прибыль
Аноним 20/12/24 Птн 01:03:42 568890 7
Поэтому данный тред утонет
Аноним 20/12/24 Птн 01:13:50 568891 8
Аноним 20/12/24 Птн 07:00:55 568898 9
z03.png 448Кб, 467x477
467x477
z04.png 993Кб, 584x852
584x852
>>568889
Есть ещё третий вид махараек. Когда ты сделал что-то для какой-то своей локальной задачи и не фоткал (тем более в макро) потому что а нахуя по такому поводу камвхорить? И всё давно засунуто в корпус, разбирать лень, работает и похуй. Это ж не декоративное поделие для ютаба.

Пик - внешний регулятор термостола для старого принтака. Сыро-всрато, здесь даже кап по питанию забыл (он в итоге приколхожен отдельно навесным способом), но свою задачу оно выполняет. А лучших фоток и нет.
Аноним 20/12/24 Птн 17:22:46 568923 10
image.png 199Кб, 2398x1652
2398x1652
image.png 2195Кб, 2687x1636
2687x1636
image.png 4715Кб, 1563x1563
1563x1563
>>568889
у меня есть знакомые американцы, они регулярно делают красивые проекты для души и портфолио. В России уверен точно такие же есть.

SPI + JTAG interface for Efinity Trion

Небольшой проект по изготовлению небольшой пользовательской платы на основе FT2232H для программирования ПЛИС Efinity. Цель — сделать что-то настолько маленькое, насколько это возможно, и настолько большое, насколько это необходимо. Все неиспользуемые контакты FT2232H не будут открыты, иначе это будет то же самое, что и типичная плата 2232H.

Так что и среди нас такие найдутся.
Аноним 20/12/24 Птн 18:21:31 568926 11
Аноним 20/12/24 Птн 18:24:11 568927 12
>>568926
ну и что, можно через другие китайские сервисы заказать плату или на крайняк через али
Аноним 17/01/25 Птн 03:51:11 570819 13
image.png 1511Кб, 1024x768
1024x768
Сделал 2d потенциометор.
Аноним 19/01/25 Вск 20:31:03 571036 14
>>568856 (OP)
Одна из первых самоделок это ЛАБОРАТОРНЫЙ БЛОК ПИТАНИЯ, фото которого в шапке замеялся-проиграл треда висит. Горжусь им. До сих пор храню некоторые детали от него
Аноним 15/02/25 Суб 18:25:03 573506 15
photo2024-06-26[...].jpg 167Кб, 1280x720
1280x720
photo2024-06-26[...].jpg 99Кб, 1280x720
1280x720
photo2024-06-26[...].jpg 148Кб, 720x1280
720x1280
>>568856 (OP)
Увесилитель из говна и палок для Ы30
Аноним 15/02/25 Суб 19:25:06 573510 16
>>573506
Годно, анон.
1. Почему внутри такой пыльный?
2. Что по внутренностям, МК это STM32?
Аноним 15/02/25 Суб 19:44:16 573516 17
>>573510
>1. Почему внутри такой пыльный?
Я чуханю, не люблю делать уборку в комнате
А МК - атмега 8 и микросхема аудиопроцессора на tda7313(аналог pt2313), стоит практически в любой бюджетной автомагнитоле
Если нужен проектик, могу поделится
Аноним 15/02/25 Суб 21:51:18 573533 18
>>573516
Офигенно. Сможешь скинуть?
Аноним 15/02/25 Суб 23:28:30 573535 19
>>573533
Держи, дружище)
https://disk.yandex.ru/d/ph35ZmNQrczo8g
В архиве есть плата, но я там немного неправильно питание на стабе 5 вольт развел, там ams1117 стоит, давно это было, поэтому не помню че там, а все остальное по разводке правильно
Дисплей 1602 можно китайский брать, поддержка кириллицы необязательна
Плату для tda7313 можно найти первой ссылкой в поисковике на радиокоте
Аноним 15/02/25 Суб 23:32:47 573536 20
>>573535
Дополню прошлый пост
Номиналы не подписаны, только сейчас увидел
SMD резисторы на плате все по 10 килоом, кондеры возле кварца на землю 22 пикофарада, кварц на 4 МГц
На плате есть перемычки, но не выделены они
Удачной сборки, если будешь собирать)
Аноним 15/02/25 Суб 23:33:54 573538 21
Аноним 20/02/25 Чтв 19:37:15 573871 22
image.png 2247Кб, 1024x1024
1024x1024
Усовершенствовал 2д потенциометр. Сократил зазоры, обеспечил впихуевоемость верхнего потенциометра без вандализирования выводов. Вспомнил про существование вытяжных заклёпок и переделал жопку. Теперь меня не остановить.
Аноним 07/03/25 Птн 15:24:03 574555 23
photo2025-03-07[...].jpg 44Кб, 640x480
640x480
>>568883
Законченная ВЕЩЬ!

Поддерживаемые протоколы - PDI, SWD, SWIM, SBW, ES7P003 ISP, ESP8266 ISP.
Поддерживаемые чипы - ATXMEGA, ES7P003, ESP8266, GD32F1, GD32F3, MSP430, MSP430I, STM32F0, STM32F1, STM32F3, STM8S.
Аноним 08/03/25 Суб 11:08:33 574614 24
Аноним 08/03/25 Суб 14:05:24 574629 25
>>574614
Откуда такая сумма? Ссылку скинь.
Аноним 08/03/25 Суб 14:10:55 574631 26
Аноним 08/03/25 Суб 14:23:13 574633 27
>>574631
Ну это тот, что на видео. На фото в прозрачном корпуса мой вариант.
Аноним 08/03/25 Суб 14:26:10 574634 28
Аноним 08/03/25 Суб 14:31:03 574637 29
>>574634
В понедельник смогу показать. Что конкретно?
Аноним 08/03/25 Суб 14:45:04 574642 30
Аноним 10/03/25 Пнд 11:10:20 574736 31
photo2025-03-10[...].jpg 70Кб, 480x640
480x640
photo2025-03-10[...].jpg 69Кб, 480x640
480x640
>>574642
Хрен знает, что ты хотел увидеть. Вот макетный образец.
Аноним 11/03/25 Втр 19:14:53 574815 32
>>574736
это тоже автопрошиватор? почему всего 3 пина, это SWD?
Аноним 12/03/25 Срд 01:32:01 574827 33
CAfyZRZetY.jpg 112Кб, 600x604
600x604
>>574555
>>574736
>>574815
Зачем этот калыч нужен, когда программаторы уже давно придуманы
Поздравляю, вы заново изобрели велосипед
А он еще едет шьет медленнее
Да еще и за 299$ Я бы и 10 не отдал
Аноним 12/03/25 Срд 08:23:12 574834 34
>>574815
Это макет, гребёнка для подключения стлинка, отладка. Шьёт он через разъём USB 3, есть переходник на 6 пого иголок. В сборе вот >>574555
>>574827
>Поздравляю, вы заново изобрели велосипед
Да похуй как-то. Зато он у меня один под все чипы, которые я использую. И меня не парит добавить туда какой-нибудь новый протокол.
Аноним 12/03/25 Срд 08:28:13 574835 35
image.png 2620Кб, 1603x960
1603x960
>>568856 (OP)
Смешнявку в шелкографию добавить не забыл, а резистор забыл, ну разумист
Аноним 12/03/25 Срд 10:18:50 574837 36
>>574827
А какой вообще программатор самый универсальный, из доступных для широких масс? TL866? Ещё что-то есть?
Аноним 12/03/25 Срд 10:42:00 574838 37
Аноним 12/03/25 Срд 13:17:36 574840 38
>>574838
Это скорее для ремонтников, а не для радиогубителей. Поддерживает ли он микроконтроллеры, те же авр, пики, стм8, стм32? Сможет ли прошить такой антиквариат как К573РФ1/2/5? (особенно РФ1 с её +-5В и +12В).
Аноним 12/03/25 Срд 13:56:29 574841 39
Аноним 12/03/25 Срд 18:46:43 574851 40
>>574837
T48 топ за свои деньги!
Аноним 12/03/25 Срд 19:12:17 574861 41
>>574840
>Поддерживает ли он микроконтроллеры, те же авр, пики, стм8, стм32?
Зачем? Для stm есть j-link или st-link, с которыми получаешь отладку. Пикам уже место в музее, да и там pickit2 есть, с возможностью отладки. Авр, ну возьми копеечный usbasp на алиэкспрессе.

>>574851
Т48 это развитие TL866 тем же разработчиком. Старые TL866 уже распродали давно.
Аноним 13/03/25 Чтв 01:56:29 574887 42
>>574861
>Для stm есть j-link или st-link
>pickit2
>usbasp
>Зачем?
Для удобства, очевидно. Один универсальный программатор вместо кучи. Пусть и без возможности отладки.
>Пикам уже место в музее
"Классические" пики до сих пор активно применяются, в т.ч. в серьёзных industrial, automotive и medical отраслях, я уж молчу про современные PIC32.
>Авр, ну возьми копеечный usbasp
Сразу видно одноклеточного ардуинщика. В usbasp нет высоковольтного режима, например.
>Старые TL866 уже распродали давно
На алипомойку зайди, продаются. Китайцы продавали, продают и будут продавать клоны и клоны клонов.
Твой пост в целом похож на троллинг тупостью. Надеюсь, ты не всерьёз.
Аноним 13/03/25 Чтв 07:38:00 574888 43
>>574887
>На алипомойку зайди, продаются. Китайцы продавали, продают и будут продавать клоны и клоны клонов.
Зашёл. А там заголовки вида "xgecu t48 (tl866)". И внутри там т48.

>Для удобства, очевидно.
Если тебе удобно без отладки, то ты либо повторяет готовую конструкцию либо ремонтируешь. Если сам разрабатываешь, то вряд ли ограничиться "универсальным" программатором.

>"Классические" пики до сих пор активно применяются, в т.ч. в серьёзных industrial, automotive и medical отрасля
Разработали давно и теперь штампуют дальше. В пиках ничего хорошего нет. Радиолюбителю то зачем этого касаться?

>нет высоковольтного режима
Он даже для пиков не нужен, кроме совсем древних. Ну и для параллельных ПЗУ, которые тоже если и нужны, то только для всякой древности.

>современные PIC32
Для них j-link.
Аноним 13/03/25 Чтв 12:04:27 574900 44
screencapture-a[...].png 5176Кб, 1593x4040
1593x4040
>>574888
>Зашёл. А там заголовки вида "xgecu t48 (tl866)". И внутри там т48
Захотел бы - нашёл.
>Если тебе удобно без отладки, то ты либо повторяет готовую конструкцию либо ремонтируешь
Именно, гений.
>В пиках ничего хорошего нет. Радиолюбителю то зачем этого касаться?
С пиками дохуллиарды готовых проектов, начиная ещё с 80-х годов. Олды продолжают их использовать, потому что для своих задач хватает. Надёжность доказана десятилетиями.
>Он даже для пиков не нужен, кроме совсем древних. Ну и для параллельных ПЗУ, которые тоже если и нужны, то только для всякой древности.
Как ты усбаспом прошёшь свою ссаную ардуину с отключённым ресетом? Ты вообще понимаешь, о чём пишешь?
Аноним 13/03/25 Чтв 14:08:00 574906 45
>>574861
> с которыми получаешь отладку
ядумаю тут целевая аудитория это ремонтобляде, которые ООО ЫЫЫ СКОЧЯТЬ ПРАШЫВКА ДЛЯ МАСГОВ ААААА ))))) а не ресерчеры, готовые плотить тыщи за дебаг и поддержку в средах
Аноним 13/03/25 Чтв 15:19:43 574908 46
>>574900
>Как ты усбаспом прошёшь свою ссаную ардуину с отключённым ресетом?
Так сложно не отключать?
Аноним 13/03/25 Чтв 15:54:18 574910 47
>>574908
Ты серьёзно или совсем дебил? На какой-нибудь тиньке всего 8 ног.
Аноним 15/03/25 Суб 23:36:02 575000 48
>>574910
МИКРОКОНТРОЛЛЕР НА ПЛАТЕ С 8 РАЗВЕДЕННЫМИ НОГАМИ ИЗ 64
@
АРДУИНА!
@
ВСЕЛЕННАЯ, ПОСТРОЕННАЯ НА ПРОШИВАНИИ ЧЕРЕЗ USB
@
МИЛИАРДНЫЕ ТИРАЖИ ГОВНОПЛАТ
@
ТЕРАБАЙТНЫЕ РЕПОЗИТОРИИ ПЛАТФОРМ
@
ПОЛЧИЩА ВОСТОРЖЕННЫХ ЗУМЕРОВ
Аноним 26/03/25 Срд 10:50:33 575600 49
>>568923
Они точно всё штампуют или руками подпаивают?
Аноним 26/03/25 Срд 19:36:28 575630 50
>>575600
Они сразу со сборкой заказывают, паяют только нищие махарайщики всякие.
Аноним 26/03/25 Срд 20:24:46 575637 51
>>575630
А упаковывает тоже робот или грязная китаянка жирными пальчиками?
Аноним 27/03/25 Чтв 13:33:23 575675 52
>>575637
На конвеерее десять грязных китаянок садятся на платы жопами а потом грязные китайцы собираются вокруг платы и делают на неё букаке
Аноним 27/03/25 Чтв 13:34:55 575676 53
Так же при заказе есть опция "помыть плату" мочевиной
Аноним 27/03/25 Чтв 14:14:18 575678 54
Аноним 01/04/25 Втр 10:51:39 575905 55
DSC2998.JPG 1241Кб, 2227x1248
2227x1248
DSC3002.JPG 1025Кб, 2088x1170
2088x1170
DSC3003.JPG 1125Кб, 2088x1170
2088x1170
20220707210519.jpg 395Кб, 1296x1174
1296x1174
Про этот проект рассказывал еще в треде про ардуино. С тех пор я его переделывал пару раз и этой зимой наконец закончил окончательно. Никогда до этого похожего не делал, поэтому пришлось учиться на своих же ошибках, т.к. в видео на ютубе похожие самоделки делятся на два варианта: из спичек и желудей и качественно, но сильно ограниченно по функционалу в некоторых аспектах.

Если резюмировать кратко: делал руль с обратной связью, педальным блоком и КПП для несложных и вальяжных игр типа ETS2 или серии Farming Simulator (хотя эти до сих пор не завезли в свою поделие обратную связь). Результат меня сейчас устраивает, переделывать больше ничего не планирую, т.к. улучшением конструкции можно заниматься бесконечно. Поэтому в текущей конструкции некоторые работающие элементы просто переехали едва ли не с первого прототипа, хотя можно при желании их уменьшить в размере.

Краткие ТТХ: на базе руля 4 кнопки, два подрулевых переключателя от калины, общий вентилятор охлаждения, который работает на выдув. Обратная связь идет от двух 12-вольтовых двигателей типа 775 через шкивы GT2.5 и ремня такого же типа. Двигатели стоят на небольших радиаторах (это уже было сделано по результатам испытаний первых версий).
Педальный узел с верхним расположением оси педалей. Был переделан после испытаний классического блока с нижним расположением оси.
КПП на 8 положений + три кнопки на ручке. Ручка от грузовика MAN. Коммутация передач на герконах и магните из неодима. Педали и КПП соединяются с базой руля с помощью разъемов RJ45.
База управляется двумя платами ардуино: Leonardo и Nano. На первой управление рулем, педалями и кнопками на базе, на второй управление подрулевыми и КПП. Подключается через два провода usb. Программное управление рулем идет через отдельную программу, которую необходимо запускать перед игрой.
Аноним 01/04/25 Втр 17:50:44 575918 56
59555a7e08760.t[...].jpg 203Кб, 1000x750
1000x750
20170316221845.[...].jpg 462Кб, 1000x750
1000x750
>>575905
Кстати на фото йа))) и мой предыдущий проект
Аноним 02/04/25 Срд 08:59:28 575942 57
Аноним 02/04/25 Срд 10:19:43 575948 58
image.png 735Кб, 1135x851
1135x851
Аноним 02/04/25 Срд 17:41:39 575972 59
Аноним 02/04/25 Срд 19:43:19 575973 60
>>575905
Хорошо сделол, аж дебилы порвались. Я тоже хотел такое пилить в прошлом году, но решил что чет не стоит
Аноним 27/04/25 Вск 23:05:31 576863 61
>>575905
А что по софту? Прошивку сам писал, или взял где? На комп надо какие-нибудь мокрописьки ставить?
Аноним 28/04/25 Пнд 00:46:59 576870 62
>>576863
Есть попенсорс реализация протокола на гитхабе.
Самому писать ето такое.
Там довольно мутная система команд, то есть руль не только форсится в какое-то положение а ещё и может трястись с какими-то частотами и усилием или выполняет последовательные списки команд, сохраненых с компа, короче довольно жопошная технология.
Сомневаюсь так же что в прошиву пердуины поместится полноценный контроллер.

мимо другой анон
Аноним 29/04/25 Втр 19:12:15 576951 63
нигроид.mp4 2561Кб, 480x360, 00:00:40
480x360
Аноним 29/04/25 Втр 20:42:26 576955 64
Пятые сутки подряд работает самодельная конструкция - стабилизатор на светодиоде и транзисторе кт315, и источник тока на втором кт315 подключенном через тщательно подобранный резистор к стабилизатору (чтобы ток был ровно 7 миллиампер).

И питается этим делом небольшая связка светодиодов из сломанной гирлянды. Собственно целью было подобрать минимальный ток при котором свечение было бы всё ещё удовлетворительным и давало возможность, например, читать книгу рядом с этим автономным ночником.

Но суть не в этом. Аккумулятор окончательно выдохнется примерно через сутки или двое. После чего я подключу пятиамперный, которого должно хватить на 1,5 месяца.
В связи с этим возник вопрос - не особо важный, но для общего развития - интересно, сказывается ли на транзисторах такое открытое состояние в течение длительного времени? Может ли быть так что эти кт315 после года в непрерывно открытом состоянии перестанут полностью закрываться, и станут как германиевые транзисторы имеющие микротоки утечки по дефолту?
Аноним 01/05/25 Чтв 13:55:32 577033 65
>>576955
Если режимы в ОБР - нет.
У КТ315 скорее нога от кристалла отвалится, чем переходы деградируют.
Аноним 06/05/25 Втр 10:23:27 577172 66
17362000455.jpg 109Кб, 768x576
768x576
173620004541.jpg 11Кб, 640x360
640x360
173620004563.jpg 13Кб, 640x360
640x360
173620004598.jpg 16Кб, 640x360
640x360
Есть один гибридный (каменно-ламповый) перегруз для гитары. Делал его сам из говна и палок, на пониженном напряжении для экономии заряда аккума. Соответственно звук хуже фирменного, но всё равно присутсвует теплый ламповый хруст, чего я и добивался.

Сейчас выход с анода нагружен на делитель напряжения и буфер на транзисторе, с которого звук идет на штекер и в комбик соответственно.
Хочу изменить конструкцию выхода - нагрузить анод не на резисторы, а на настоящий трансформатор, с выходом на несколько динамиков подключенных последовательно и резистор для добивки приведенного сопротивления. Чтобы звук стал ещё ламповее, и динамики с трансформатором своими недостатками влияли на звук так же как и во взрослых ламповых усилителях.

Сигнал будет сниматься с клеммы одного из динамиков и так же идти на буфер а с него на комбик (включенный в клине). Сами динамики заглушу драпом, чтобы не мешали слышать комбик.

Но есть проблема с выходным трансформатором. Настоящий ТВЗ-1-9 покупать для примитивной самоделки слишком дорого. Хочу вкорячить туда трансформатор от 9-вольтового блока питания от денди например.
Знаю что сетевые трансы не подходят для этого дела из-за отсутствия зазоров и последующей намагниченности. Но у меня мощность на аноде в пределах 0.5 ватт. Скорее даже 0.3, учитывая пониженное напряжение.
Сильно ли будет магнититься сетевой в таком включении и мощности? Насколько будет хуже звук по сравнению с оригинальным ламповым ТВЗ?

пикрандом для привлечения внимания
Аноним 12/05/25 Пнд 08:03:37 577317 67
>>574887
А для AVR где-то нужен высоковольтный режим?

>>574910
И что она, по SPI не шьётся?
Аноним 18/05/25 Вск 07:42:30 577633 68
Аноним 18/05/25 Вск 10:20:43 577636 69
>>577633
Вот и подрастает поколение которое не узнают сходу Барбару Брыльски. Которая снималась в пореве и при этом снялась в главной роли в советском новогоднем фильме "Ирония судьбы или с легким паром".
Аноним 18/05/25 Вск 14:30:36 577647 70
>>577636
>снималась в пореве
В твоих фантазиях? 1.5 сцены с сиськами, пара фотосетов с неприкрытым кустом.
Ебли нет.
Аноним 18/05/25 Вск 16:44:19 577648 71
>>577647
Ебать весь обфантазировался, сейчас стены начну ебать. Если ты такой знаток ретропорева, ретроэротики и прочей музейной пыли-молодец. Я не настолько погружен в вопрос.
Аноним 19/05/25 Пнд 06:55:20 577678 72
174762659984184[...].jpg 1165Кб, 1266x1800
1266x1800
>>577633
>соус милфы?
Barbara Brylska (1941 год рождения)
>милфы
Вот и выросло поколение... Эх.

мимо 1967 года рождения
23/05/25 Птн 22:21:13 577863 73
Подскажите быстрый транзистор, с током не меньше ампера, выдерживающий 400 вольт на колекторе. Скорость важна, так-как нужно чтобы он хорошо усиливал прямоугольные импульсы.

Пилю очередную повышайку напряжения на фиксированной частоте, в качестве ключа использовал выдернутый откуда-то транзистор 13005D. Полдня с ним провозился в поисках оптимальной частоты, тока и индуктивности пока не догадался что он тупо не работает на частотах выше 50 килогерц. На 30к заработал с малым кпд. На 15 наконец-то удалось выжать из него 500 милливат на 110 вольтах, при затратах в 2 ватта. В принципе 500 мвт мне уже хватает, и понятно что примерно ещё 500 уходит на неизбежный нагрев катушки и транзистора, но всё равно не хочется тратить оставшийся ватт впустую.
надобно вкорячить в качестве ключа что-то более резвое
Аноним 23/05/25 Птн 23:34:13 577865 74
>>577863
>импульснек
>на бжт
надыбай бля схемак какойнить от какогонить советского компьютерного имп блочка там есть. там точно СИТо где то стояли у них бля это похожая вроде хуйня (кароч транзюк но типа как триод бля). тока ты прихуеешь какой там нетворк аааахуевший какбы в базах у них висит это прост СУПЕР АХУЙ бля. литералли гроздья ебучие. ну а хуль ты хотел базу то бжтшника ты хуй разрядиш после насыщенния значит нехуй насыщать епт. ну у тя есть ишо вариантик юзать катушку тесла 10кг меди в своем преобразователе и кадушку кондеров но такое делать не приходилось как бы.

пабырому то диод шотки ебани транзюку между базой и колектором анодом на базу бля (всмысле если он нпн). полехче должно вот это вот твое положение стать я те говорю..........
Аноним 24/05/25 Суб 11:18:01 577870 75
>>577863
Ебанутый, возьми полевой транзистор типа 4n60 и не еби мозги
Нахуя ты на биполнярнике этот кал собираешь?
Аноним 24/05/25 Суб 11:22:12 577871 76
>>577865
Схемы старых комповых БП есть, но там трансформатор управления базами пздц хитрый, не как на управление полевиками, хотя один и тот же полумост, а частота 34-36 КГц, при этом стоят биполяры типа 13007 или 13009.
25/05/25 Вск 21:20:31 577927 77
>>577865
>>577870
>>577871
Короче, докладываю. Попробовал другой 13005d, мощность выросла процентов на 30. К сожалению нет осциллографа, чтобы понять что изменилось при его включении, а так по амперметру потребление практически не выросло. Частота та же что и у прошлого транзистора. Просто этот сработал чуточку лучше.

Но всё равно 1 ватт тратить на нагревание как-то жалко, попробовал мосфет выдернутый из телевизора и внезапно идеально заработало.
Катушка и мосфет практически не греются, при этом на резисторе 100к напруга 250 вольт! Как раз то что нужно для анодного напряжения лампы.
После печек из биполярных ключей это выглядит даже как-то нереально. КПД навскидку 85-90 процентов.

Подозреваю что у биполярных нарастание сигнала идет медленнее а после прогрева вообще наверное меандр становися синусом. Вроде как КТ805 имеет частоту 80 мегагерц и в теории должен сработать не хуже полевика, но он не выдержит 250вольт.

Так что теперь я осознал что мосфеты это сила а Россия мощь. Только где бы их надергать нахаляву, из какой техники?

>>577863 кун
Аноним 27/05/25 Втр 06:49:57 577987 78
>>577927
По идее, блоки питания и зарядки
Да они копеечные, поищи китай на lcsc
Аноним 28/05/25 Срд 17:40:08 578057 79
9999999910.jpg 179Кб, 864x1152
864x1152
>>577927
Биполярник нужно еще и закрывать на высокой частоте как-то, если этого не делать, возрастают сквозные токи, да у мощных транзисторов высоковольтных, зачастую очень маленький коэффициент усиления, а значить в базу нужно вкачивать больше тока, тем самым надо иметь выходной каскад для управления таким биполярником мощный, чтобы как-то его раскачивать. Полевик управляется напряжением, им проще управлять, но надо затворную емкость разряжать, чтобы сквозных токов не было. На маломощных достаточно иметь подтяжку к минусу питания, а то и сами успевают рассасывать заряд, в ШИМах даже мертвое время есть для этого дела. Для мощных мосфетов используют специальные драйверы, чтобы можно было раскачивать тугие затворы, а так же разряжать затворные емкости, чтобы закрыть мосфет
Не забывай в своей самоделке про снабберы. Судя по тому, что у тебя схема однотактная, снаббер обязателен, чтобы выбросы при переключениях гасить, выбросы ЭДС могут быть кратно выше пробивного напряжения ключевого транзистора. При выбросах, может быть повышенный нагрев транзистора, а так же и его пробой.
Аноним 28/05/25 Срд 17:47:42 578058 80
16272532045820.jpg 940Кб, 3840x2160
3840x2160
>>577927
>Только где бы их надергать нахаляву, из какой техники?
Кинескопные мониторы(irf640) и им подобные, по два штуки стоят, старые бесперебойники(низковольтные мосфеты типа irfz44), блоки питания импульсные, там обычно высоковольтный мосфет или пара мосфетов стоят, материнские платы от компов, дохуя откуда короч, это еще не полный список, стоять могут где угодно
Аноним 30/05/25 Птн 08:57:45 578146 81
250250-5.jpg 51Кб, 764x498
764x498
>>577987
>>578057
>>578058
Спасибо. Буду смотреть внимательнее на платах (много натаскано со свалок)

Насчет малого усиления биполярного -это я учитывал. Закачивал столько тока сколько нужно для эквивалента малого сопротивления с катушки на землю.
Мосфет также подключил по всем канонам (описанным в статьях в интернете). Открывается через коллекторный резистор стоящего перед ним кт3102, разряжается через открытый коллектор его же. Работает норм, как и писал выше.
В общем зайду на днях к барыгам в чипдип, куплю для экспериментов несколько полевых за 30р. По сути мне на ближайшее время надо запилить всего-то три конвертора для ламповых устройств.

>снаббер обязателен
тут наверное не нужен. схема такая - катушка соединена с мосфетом на замлю, с места соединения ультрабыстрый диод идет на связку высоковольтных конденсаторов (электролит, пленка и керамический на всякий случай), ну и параллельно связке резистор на который пока идет нагрузка.

В готовом устройстве вместо резистора будет резистор со стабилитроном, затем повторитель на транзисторе (то бишь получается простейший стабилизатор), далее RC цепь емкостью 400, а может и 1000 микрофарад на землю, и собственно выход на нагрузку. С такими емкостями наверное все выбросы будут уходить в землю даже не успев зародиться.
30/05/25 Птн 18:48:13 578165 82
>>578146
>конвертора для ламповых устройств.
Сделай повышайку на внешнем полевике с mc34063, все стоит копейки в том же чип и дейле, только ты получаешь стабилизацию напряжения и настраиваемую защиту по току
Аноним 30/05/25 Птн 18:50:45 578167 83
523b911f974adf1[...].jpeg 32Кб, 827x419
827x419
124562050016117[...].png 109Кб, 2026x866
2026x866
Аноним 31/05/25 Суб 11:59:00 578185 84
>>578165
>>578167
есть опасение, что изменения скважности будут гадить в звук, вдруг снова придется добавлять фильтры и т.п.
пусть уж лучше будет фиксированная 50 процентов, от которой не ждешь сюрпризов
Аноним 19/10/25 Вск 05:19:02 584153 85
image 3412Кб, 1048x3471
1048x3471
image 4734Кб, 1372x4401
1372x4401
10 работа.mp4 1572Кб, 960x880, 00:00:51
960x880
11 работа.mp4 2078Кб, 640x360, 00:00:31
640x360
Rate me!
Зимой мёрзнут ноги, решил сделать тёплый пол в месте комнаты, где сижу. Разбил на 16 зон чтоб включать только зону под ногами.
Купил самый дешевый self regulated кабель на али, нарезал на куски, распаял, добавил в центр каждой зоны по термистору.
Раскопал яму посреди комнаты, уложил пенополистирол, залил смесью для тёплых полов, в середине кабели.
В угол комнаты залил металлическую коробку для автоматов, туда поставил плату на ESP32 с SSR для управления нагревателями и токовый трансформатор для замера тока, антенна выведена наружу.
Управление через браузер и MQTT по вайфаю.
Сделал лимит 40 градусов, прогревал одну зону до 40, всё работает.
Ощущается как тёплая каменная печь. 10 из 10, зависимость лютая.

Осталось шкафы из комнаты вынести чтоб постелить линолеум. А потом делать вытяжку для пайки с заслонками на сервоприводах, 2 дыры по 150мм на улицу уже просверлены и всё куплено.
Аноним 19/10/25 Вск 07:38:09 584157 86
Аноним 19/10/25 Вск 09:42:37 584160 87
>>584153
Осталось при мытье полов вывернуть ведро воды на этот шкафчик и будет вообще заебца, лол.
Аноним 19/10/25 Вск 16:19:09 584180 88
>>584153
А купить коврик с подогревом не додумался?
Аноним 27/10/25 Пнд 14:05:18 584353 89
>>584153
А соседи снизу, что говорят?
Аноним 27/10/25 Пнд 14:50:59 584354 90
>>584353
Я же на них вёдрами воду не лью как >>584160
Под полом 50мм пенополистирол и по краям изолон, тёплая плита просто висит в воздухе и изолирована от всего получается.
Аноним 08/11/25 Суб 17:50:08 584778 91
176261243809533[...].webp 25Кб, 500x448
500x448
А где diy поделки схемы берёте? Хочу свой тестер акб заебенить.
Аноним 03/12/25 Срд 19:09:11 586035 92
17315749101310.jpg 37Кб, 231x311
231x311
Подскажите, для чего динамические микрофоны согласуют со входом усилителя?
У них же сопротивление обычно не превышает 100 ом, а у усилителя редко входное бывает меньше чем 10к.

Чем больше сопротивление нагрузки тем меньше искажений АЧХ , по примеру тех же электрогитар нагруженных на инструментальный вход 500к-1м
Получается что соотношение 100 ом к 10 килоомам идеально для качества звука, а если нагрузить микрофон на лампу с её 500-к резистором на землю, то тем более никаких проблем с качеством сигнала не будет.

Так для чего же тогда в микрофоны суют согласующие трансформаторы?
Аноним 03/12/25 Срд 19:35:21 586037 93
1523621000.jpg 104Кб, 1000x625
1000x625
>>586035

Вопрос вдогонку - можно ли заставить обычный светодиод, выпаянный из какой нибудь техники , мигать с частотой 20 килогерц?
Хотел сделать опторазвязку звука на светодиодах но что-то не получилось. Даже при 20 герцах мигания не наблюдалось. Он светит с инерцией, чтоле, как лампа накаливания?
Аноним 03/12/25 Срд 21:47:27 586042 94
>>586037
>Он светит с инерцией, чтоле,
Твои бельма с инерцией, дурачок. Или ты собрался 20 кГц рассмотреть?
Аноним 03/12/25 Срд 23:00:40 586045 95
176479201842887[...].jpg 26Кб, 432x462
432x462
Аноним 03/12/25 Срд 23:06:56 586046 96
176479233553122[...].gif 41Кб, 253x269
253x269
176479235620532[...].gif 28Кб, 240x191
240x191
>>586037

А еще можно прямо совсем развязать и даже по воздуху или оптоволокну гнать.
Аноним 06/12/25 Суб 17:11:13 586159 97
>>586037
>Даже при 20 герцах мигания не наблюдалось
Содомит
Аноним 07/12/25 Вск 23:21:41 586220 98
1765138898780.jpg 3058Кб, 1800x4000
1800x4000
Бамп
Аноним 11/12/25 Чтв 12:16:12 586370 99
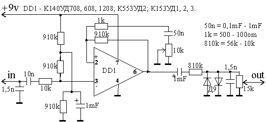
Попробовал запилить гитарную педаль по схеме Tubescreamer на советском операционнике УД708 (в оригинале должен стоять JRC 4558)

Что-то совсем не звучит. Подозреваю что дело в разных входных сопротивлениях. УД708 - 400к, а 4558 - 2м, если верить даташитам. Я так понимаю резистор 500к в обратной связи начинает шунтировать низкое входное уд708, и надо чнизить его до 100к? Или от этого операционника в принципе не добиться нормального звука?
Аноним 11/12/25 Чтв 19:09:23 586386 100
IMG202512062021[...].jpg 560Кб, 1080x1920
1080x1920
IMG202512111851[...].jpg 1767Кб, 3072x3072
3072x3072
IMG202512111853[...].jpg 137Кб, 720x1280
720x1280
>>568856 (OP)
Решила вспомнить юность. Собственно, часы на вакуумных индикаторах. Схема из постсовкового самиздата. Что зацепило, так это то, что там все на одном типе мелкосхем собрано. Допилила напильником дженератор тактовый типовой схемы, логику переключения на И-НЕ ну и антидребезг с электронной коммутацией для кнопок настройки часов. В остальном все по канону - плата самопальная, методом рисования from scratch маркером от руки, травление хлорным и свирление дырбочек. Печатно-лапшичный монтаж из МГТФ. Часы флрмата RAW. Лепота, ёпта
Аноним 11/12/25 Чтв 22:04:23 586395 101
>>584778
Так журналы всякие. Зарубежные, если не еблан. На постсовке - журнал Радио вполне себе хорош. В журиках крупных, схемы протестированны, как правило. Выдрочены и есть готовые кады плат. Тупо бери и говняй, не задумываясь, что что-то криво налепили в схеме. А вот все остальные источники - ебаная рулетка с хуевым шансом ну если ты не какой-нибудь инженер-электроник. Правда, тогда тебе это все и в хуй не уперлось, лол
Аноним 12/12/25 Птн 00:05:39 586399 102
176548711042661[...].gif 5Кб, 542x248
542x248
>>586370

Схему бы хоть принес.
Аноним 12/12/25 Птн 14:51:27 586429 103
>>586399
И что, эти 910к в обратной связи никак не взаимодействуют с 400к входного сопротивления? А я то думал что этот резистор должен быть как минимум не больше входного.
Аноним 16/12/25 Втр 01:40:49 586529 104
Анончики, кто нибудь знает какие надо использовать линзы для самопального микроскопа для пайки из вэбки? Есть вэбка на 0.8Мпх, есть детский микроскоп из 90-х, там две линзы(только какие не понятно они впаяны в пластиковую оправку) вот верхняя как-то не особо увеличивает, нижняя прям ахуенно, но инвертирует картинку подозреваю что она и есть вогнутая. Есть объектив от старого пленочного фотика, но что-то как-то с ним тоже плохо все. Вообще есть куча всяких линз, но все они выпуклые, так вот вопрос к тем кто шарит за оптику, как мне комбинировать линзы для лучшего результата?
Аноним 17/12/25 Срд 00:34:17 586549 105
>>586529
Про линзы большого диметра не знаю.
С ходу сплавил термовоздушным паяльником пластиковую на микроскопе. Подобрал для замены стеклянную из камер от смартфонов, коих у меня от неудачных ремонтов как контента за баней.
Аноним 17/12/25 Срд 03:29:20 586550 106
>>586549
А, они у смартфонов все стеклянные идут? У меня просто их тоже дохуя.
Аноним 17/12/25 Срд 06:59:40 586551 107
>>586529
Я для этого дела приобрёл старую камеру наблюдения на авито. А объективы и так есть. Хорошо годятся от фотоувеличителей, например Вега-11У. Резкий как понос.
Также, хотя это я лично не проверял, можно попробовать раздобыть старый сканер с CCD матрицей, у него внутре тоже объективчик имеется. К фотоаппарату, читал, приспосабливали.
Аноним 17/12/25 Срд 09:23:31 586552 108
>>586529
Так купи длинофокусную миниатюрную камеру за 10 баксов и не еби мозг. Вполне сгодится для нужд монтажа. Один хрен, крутить зум ты будешь практически никогда. Главное только, подобрать фокусное расстояние нормально или купить камеру с зумом еще можно купить тупо микроскоп для пайки и не заниматься хуйней, но это уже другое
Аноним 17/12/25 Срд 11:40:54 586555 109
>>586552
>купить камеру с зумом еще можно купить тупо микроскоп для пайки и не заниматься хуйней, но это уже другое
За 3тыщи на озоне смотрел, по отзывам и фото в отзывах полная пиздоверть, тоже самое что и из вебки с одной лупой. За 10-ку деревянных вариант еще можно, но за 10 баксов полная хуйня.
>Так купи длинофокусную миниатюрную камеру за 10 баксов и не еби мозг.
Пойду гляну, что за нех такой.
Аноним 17/12/25 Срд 12:06:19 586556 110
Приборотред умер, пощу здесь

Какой мультиметр можно с озона запупить огромным чёрным мешком, чтобы просто раскидывать их по квартирам, гаражам, бордачкам, рюкзакам, дачам, хатам знакомых, небесам и аллахам? Заебался вечно забывать его взять и переться обратно в машину за фикспрайсной говномерилкой за 100 рублей просто чтобы что-то несложное посмотреть.

Любой примитивный слаботочный кирпич подойдёт, без автоматики, без подсветки, без замеров конденсаторов, без запаса прочности в 200 ампер. Но два простых условия: запитываться от кроны, т.к. она спокойно будет лежать без саморазряда пару лет в отличие от лития, и звонилка должна не реагировать на омметр падающий ниже какого-то значения спустя полсекунды, а быть отдельной аналоговой звонилкой, чтобы брррррык по гребёнке контактов, и в ту же миллисекунду понять на каком из них пискнуло. Почему-то после 2010 эта фича отовсюду пропала.
Аноним 17/12/25 Срд 12:10:10 586558 111
>>586556
Тредом промахнулся, извиняюсь. Но если есть что-то на примете, буду рад советам.
Аноним 27/12/25 Суб 01:22:29 586856 112
>>586556
>звонилка должна не реагировать на омметр падающий ниже какого-то значения спустя полсекунды, а быть отдельной аналоговой звонилкой, чтобы брррррык по гребёнке контактов, и в ту же миллисекунду понять на каком из них пискнуло
У меня для этих целей самодельная прозвонка. Согласен, что это не так удобно, как прибор "всё в одном", зато работает безупречно, реакция мгновенная.
Аноним 28/12/25 Вск 19:33:56 586890 113
Кто-нибудь собирал глушилку блютуса?

У меня часть окон в хате выходит на оживленный перекресток в центре города. И довольно часто там ездят утырки на тонированных жигах, которые ПО КАЙФУ ЕЖЖИ подъезжают к светофору, приоткрывают окошко, включают пердящий во всю мощь сабвуфера рэпчик, дожидаются зеленого сигнала, закрывают окошко, вырубают свою хуйню и тихо-мирно едут дальше. Думаю, что большинство там стримит музыку с мобилки по блютусу и поэтому хочу попробовать поместить девайс на балконе и глушить все нахуй со стороны улицы. Рейт мой план.

Как раз сегодня очередной проект на эту тему увидел: https://habr.com/ru/companies/globalsign/articles/981328/
Пишут, что бьет на 30 метров. У меня с высоты 4 этажа до проезжей части ну метров 20 наверное, так что мощности по идее хватает.
Аноним 30/12/25 Втр 05:53:45 586897 114
>>586890
Веселее не просто глушить, а как-нибудь вклиниться и своё музло поставить.
Аноним 30/12/25 Втр 08:18:12 586898 115
14683261809130.jpg 49Кб, 599x604
599x604
>>586890
>Кто-нибудь собирал глушилку блютуса?
Это бутылка.
Аноним 30/12/25 Втр 11:06:35 586900 116
>>586898
На гражданских частотах всем поебать
Аноним 30/12/25 Втр 15:24:17 586902 117
x09033d80.jpg 33Кб, 604x453
604x453
>>586900
>На гражданских частотах всем поебать
Аноним 31/12/25 Срд 04:32:56 586919 118
Аноним 31/12/25 Срд 14:37:04 586932 119
>>586919
До одного ватта можно хоть в жопу ебаться. Осталось направить этот ватт узким пучком.
Аноним 31/12/25 Срд 14:39:55 586933 120
>>586932
У тебя ватт, а советский УАЗик из надзора с антенной на крыше словит 50ватт, зафиксирует и выебит тебя.
Аноним 31/12/25 Срд 15:31:13 586935 121
>>586933
Так это не на постоянку же будет

Без триангуляции на моменте подъезда к точке соснут хуйца
Аноним 31/12/25 Срд 16:31:07 586936 122
>>586933
Ты совсем ебобо? Ватт будет на выходе с прибора, до антенны, до конуса, до всего этого расстояния с балкона до дебилов на парковке. Даже если ты на уазик его направишь, до него десятая часть едва дойдёт.
Аноним 31/12/25 Срд 17:01:47 586937 123
1767189087049171.jpg 86Кб, 600x900
600x900
Аноним 31/12/25 Срд 17:05:20 586938 124
>>586937
И что мне должна говорить ржавуля с триколором во лбу, кроме того, что ты не понимаешь, как измеряется мощность передатчика?
Аноним 31/12/25 Срд 17:17:11 586940 125
>>586938
Без антенны твой ватт куда уйдёт? Он вернётся в передатчик и сгорит всё.
Аноним 31/12/25 Срд 17:38:39 586941 126
>>586940
Прямо тебе в анус он уйдёт. Откуда ты такой поехавший взялся? Домашний роутер 1-2 ватта может излучать на полной мощности, схуяли бы тебе нельзя разрешённый всеми законами одноваттный передатчик юзать с направленной антенной?
Аноним 18/01/26 Вск 22:16:36 587664 127
image 201Кб, 910x1140
910x1140
image 104Кб, 815x590
815x590
>>584153
Заметка на будущее. Эти SSR может пробить. И никто мне не сказал, что я дебил и не предусмотрел это.
Вчера заметил, что зона A4 нагрета до 36 градусов, а программно она не включена.
Достал недавно купленный тепловизор, а SSR A4 греется.
Присрал на плату реле, теперь 220 с платы полностью убирается, если ни одна зона не включена. Или если любая зона прогреется выше 42.
Повезло, что SSR не полностью пробило. Он бы прогрел мне зону до 60+ и у меня пол потрескался бы нахуй. Наверное.
Аноним 21/01/26 Срд 09:58:07 587750 128
>>587664
А как ты снимаешь показания температуры?

Если у тебя есть данные, почему ты не сделаешь оповещение?
Не сделаешь, чтобы при превышении все рубилось?

Вообще погугли как с борются с пробоем в тиристорах в 3д принтерах.
Аноним 21/01/26 Срд 13:10:11 587759 129
>>587750
>Не сделаешь, чтобы при превышении все рубилось?
Теперь сделал.
Аноним 21/01/26 Срд 14:31:50 587765 130
>>587759
Программно?

Лучше расскажи как обратную связь организовал?
Как снимаешь показания температуры?
Аноним 21/01/26 Срд 15:30:54 587766 131
image 121Кб, 1054x914
1054x914
image 347Кб, 954x1274
954x1274
>>587765
>Программно?
Припаял на лишний пин ESP32 реле и каждые 16 секунд проверяю надо ли включить или выключить его. Реле разрывает входящие 220 на симисторы. Питание на ESP32 идёт от внешнего отдельного БП.
>как обратную связь организовал?
В центре каждой зоны по термистору. Взял 4х жильный экранированный провод и впаял в него термисторы. По 2 термистора на провод для двух зон.
Аноним 24/01/26 Суб 21:22:36 587845 132
IMG202601250305[...].jpg 883Кб, 1600x1200
1600x1200
IMG202601250306[...].jpg 630Кб, 1600x1200
1600x1200
IMG202601250306[...].jpg 802Кб, 1600x1200
1600x1200
Аноним 24/01/26 Суб 22:00:57 587848 133
Аноним 25/01/26 Вск 12:23:37 587879 134
>>587845
Такая штука на алике 200₽.
Аноним 02/02/26 Пнд 18:21:35 587991 135
Здорово вышло. А что это такое.
Аноним 20/02/26 Птн 13:15:20 588721 136
Аноним 20/02/26 Птн 18:49:55 588726 137
>>588721
А зачем, когда копеечный восьмибитный микроконтроллер умеет то же самое?
Аноним 21/02/26 Суб 16:24:38 588764 138
>>588726
>микроконтроллер
А вдруг внутри шпионский микронанофон, а в рассыпухе всё на виду.
Аноним 21/02/26 Суб 20:04:18 588767 139
свою шизу не пр[...].mp4 1800Кб, 1280x720, 00:00:05
1280x720
>>588764
>А вдруг внутри
А еще говорят, что кур доят. Иди лечись, шизик и тель-а-визер меньше смотри. Если искать везде врагов и шпиЁнов, главное не выйти на самого себя.
Как ты представляешь себе, когда в древний микроконтроллер с большим техпроцессом можно внедрить это? Тем более, ты, Вася Залупкин нахуй никому не нужен. С такой мнительностью, ты, лично для себя должен выкинуть всю бытовую технику из дома, смартфон, ПуКа, обрубить провод на чебурнете и отключить электричество в доме а вдруг вражеские электроны в проводах за тобой следят, пользуясь парафиновыми свечами
Аноним 21/02/26 Суб 20:31:50 588768 140
>>588767
Хуя ты какой серьёзный на шутку порвался, будь проще.
Аноним 21/02/26 Суб 21:56:10 588770 141
>>588768
Мань, мы не в обоссаном /b сидим, тут умные и серьезные люди в треде сидят
Если тебе нужно 'потраллить лалок' то пиздуй в /b или на крайний случай в /po
Аноним 21/02/26 Суб 22:08:55 588773 142
>>588770
Окей, серьёзный человек, у меня мешок советской рассыпухи есть, смогу ли я из неё, взяв за основу 555, сделать свтономный зарядник для лития?
Аноним 21/02/26 Суб 22:17:45 588774 143
>>588773
Ебнуть бы тебя по ебалу книгами, где описывается принцип работы эти микросхем и как строить на базе них рабочие схемы, что бы ты такие тупые вопросы тут не задавал
Аноним 21/02/26 Суб 22:32:01 588776 144
>>588774
Окей, спрошу чатгпт.
Аноним 22/02/26 Вск 17:55:16 588822 145
>>588774
>>588776

В принципе в этих двух сообщениях суть того, почему форумы умрут. Гораздо проще и комфортнее общаться с ИИ, чем с травмированным человеком, страдающему от необходимости доказывать свое место в некой иерархии каждому встречному.
Аноним 22/02/26 Вск 18:04:21 588823 146
>>588822
>>588822
Маня думает что мир создан для него, поэтому никто кроме ИИ с ним не хочет говорить, кек.
Аноним 15/03/26 Вск 00:19:43 589893 147
>>577317
Конечно нужен. Когда фьюз биты запорешь, выставишь запрет прога по спи или отключишь ресет.
Без ресета не прошьешь по спи.
Аноним 15/03/26 Вск 00:28:21 589895 148
1000038009.jpg 197Кб, 720x1280
720x1280
Ионизационный датчик пламени, на тине13
Аноним 15/03/26 Вск 00:31:48 589896 149
1000038010.jpg 166Кб, 956x1280
956x1280
Четырехканальный on/off регулятор/граничный индикатор сигнала от термопар k- типа на блю пилле и 4х макс31855
Аноним 15/03/26 Вск 10:36:37 589916 150
>>589895
И нахуя там тини13? Такая хуита делается на обыкновенном компараторе, безо всякого кода.
Аноним 15/03/26 Вск 11:11:15 589918 151
>>589916
Да. И? Захотел тиню поставить.
Аноним 15/03/26 Вск 11:12:55 589919 152
Тем более городить еще 555 для шим сигнала степ ап преобразователя это слишком.
Аноним 16/03/26 Пнд 11:16:49 589992 153
>>584153
Проорал с 16-ядерного подогрева
Аноним 18/03/26 Срд 00:08:07 590111 154
120393304095806[...].jpg 69Кб, 500x500
500x500
Настройки X
Ответить в тред X
15000
Добавить файл/ctrl-v
Стикеры X
Избранное / Топ тредов