Главная Юзердоски Каталог Трекер NSFW Настройки

Радиотехника

Ответить в тред Ответить в тред
Check this out!
<<
Назад | Вниз | Каталог | Обновить | Автообновление | 14 4 10
Нужна помощь для курсовой работы Аноним # OP 06/10/25 Пнд 17:55:42 583668 1
image.png 2543Кб, 1280x1280
1280x1280
Саб двач. Нам с товарищем нужно взять схему для курсовой минимум 30 элемнтов, чтобы была не слишком сложной и не слишком простой, мы нихуя в этом не понимаем, преподователь тоже ничего не дает, посдкажите хотя-бы хорошие сайты или статьи где монжо взять схемы.
Аноним 06/10/25 Пнд 23:59:53 583676 2
>>583668 (OP)
Вы там серьезно? Просидели несколько лет в вузике и не знаете чё спаять лол? Ну нейронку спроси, возьми с интернета схемы, сайты по типу radiokot в помощь
Аноним 07/10/25 Втр 08:52:50 583683 3
>>583668 (OP)
параллельно спаяй штук 5 мультивибраторов
Аноним 08/10/25 Срд 18:34:15 583723 4
>>583683
Последовательно, будет интереснее.
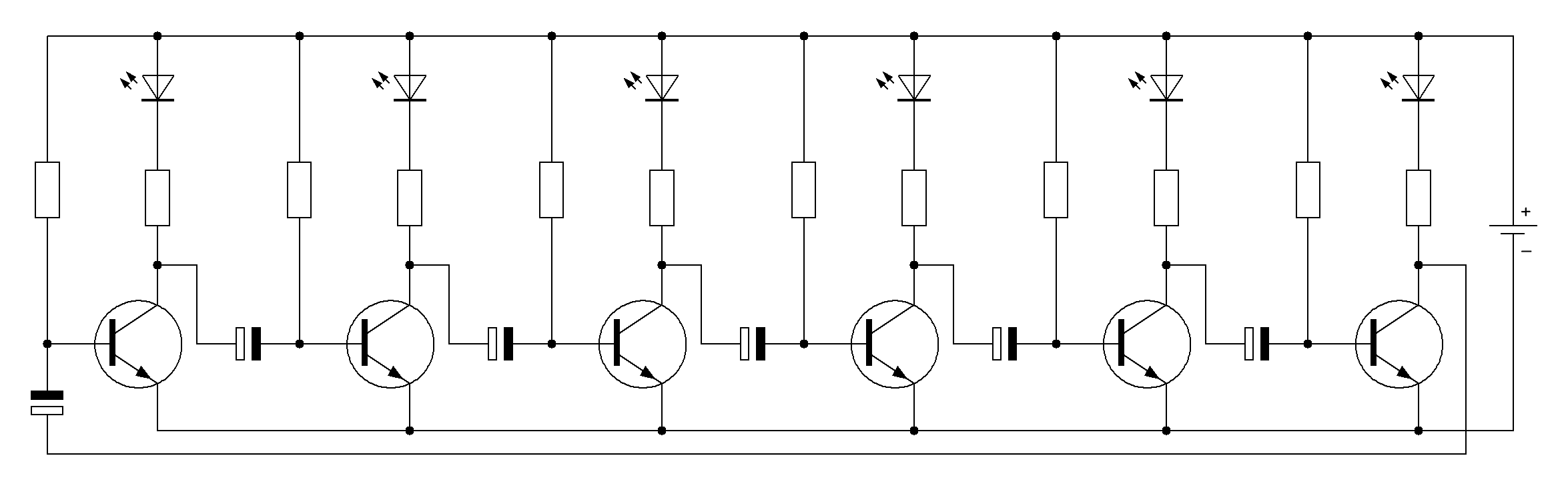
Аноним 08/10/25 Срд 18:35:32 583724 5
>>583723
6 ниток - как раз 30 элементов, если считать светодиоды и токоограничивающие резисторы.
Аноним 08/10/25 Срд 18:44:29 583725 6
изображение.png 71Кб, 2350x728
2350x728
Аноним 15/10/25 Срд 15:41:54 583992 7
>>583668 (OP)
запили схему тазика-эвтаназика.
Аноним 16/10/25 Чтв 16:50:11 584049 8
>>583992
паралельные трансформаторы?
Аноним 21/10/25 Втр 11:48:02 584212 9
>>583668 (OP)
Берешь пердуину нано, мигаешь диодом, старому пердуну говоришь, что в парке миллионы деталей.
Аноним 21/10/25 Втр 12:12:58 584214 10
AJU8Pi3QYVGptxD[...].jpg 23Кб, 555x376
555x376
Аноним 28/10/25 Втр 20:59:41 584388 11
>>584214
Мммммммм, классика!
Аноним 13/11/25 Чтв 20:08:06 585028 12
>>583668 (OP)
открываешь журнал радио, и смотришь что из этого легче. Я вообще делал какой-то сенсорный звонок на дверь, где из сенсора было только две пластинки, которые ты замыкал своей ладошкой и пальцем.
ДА и вон дипсик спроси, ссылку даст может в сибирь
Аноним 19/11/25 Срд 12:52:01 585330 13
>>584214
Ещё версия 2.0 доработки существует. В ей лампы накала в каждой линии врезаны. Для защиты от короткого замыкания, чтобы пробки не вылетели.
Аноним 19/11/25 Срд 20:00:31 585340 14
16557967170820.png 918Кб, 1920x1080
1920x1080
>>585330

Это уже другая схема.
Настройки X
Ответить в тред X
15000
Добавить файл/ctrl-v
Стикеры X
Избранное / Топ тредов