Главная Юзердоски Каталог Трекер NSFW Настройки

Радиотехника

Ответить в тред Ответить в тред
Check this out!
<<
Назад | Вниз | Каталог | Обновить | Автообновление | 890 185 326
Тёплый ламповый тред Аноним 07/10/18 Вск 00:07:48 339432 1
мaas.jpg 547Кб, 1600x1200
1600x1200
6f5p-sc-amp-se.gif 18Кб, 385x325
385x325
6p14psc1.gif 21Кб, 499x225
499x225
woodie.GIF 26Кб, 730x1089
730x1089
Лампоёбский тред утонул >>186052 (OP), спрошу тут.

Ситуация такова:
Есть 2 шт твз 1-9.
Пропустил с десяток конструкций через симулятор, основываясь на списке быстро доступных ламп. Осталось штук пять, две из из которых (желтые пикрелейтед) начинают ограничивать сигнал уже после 100 - 200 мВ переменки на входе.
Четвёртый пикрелейтед начинает ограничивать сигнал около 500 мВ.

Это норма или что? Вроде разработки не самой древней, ну там 2 вольта нынче лезет с линейного выхода, нет?

Я правильно понимаю что в первом каскаде желтых пиков специально применены лампы с более линейными именно на таких напряжениях вах? Пробовал сменить режим на более удобоваримый но получалась хуйня - или нужный режим лежит на кривой части вах или выход за номинальные значения тока и напряжения.
Что я делаю не так?

Не выёбываться, стряпать как есть, потому что выходной трансформатор самое узкое место?
07/10/18 Вск 03:36:27 339464 2
il430xN.28806826.jpg 60Кб, 430x573
430x573
Постучи себя по башке, выбей всю дурь, купи пару совковых нувисторов или низковольтных миниатюрных триодов и тупо слепи на них повторитель-гармонизатор, через который подключай почти любой источник к любому транзисторному усилку. Получишь то же самое по звуку, искажениям, зато вся дурь умещается в маленькую коробочку, размером с пачку сигарет. Можешь сразу параллельно аналогичный гармонизатор на германиевых транзисторах поставить, ну и переключатель, чтобы по настроению баловать своего внутреннего дауна-удифила ламповым или германиевым звуком по щелчку тумблера.
За сим тред можно закрывать, т.к. весь прочий ритуальный долбоебизм не имеет ничего общего с наукой и здравым смыслом, стоя в одном ряду с адептами свободной энергии.
После сего поста отвечать в этот тред - зашквар.
Аноним 07/10/18 Вск 10:40:26 339491 3
>>339464
Ритуальный долбоебизм это твой визг в этом треде.
Аноним 07/10/18 Вск 10:55:39 339493 4
>>339432 (OP)
Причем здесь переменка на входе? Ты смотри на аноде выходной лампы - ограничение должно происходить там, при насыщении лампы.
А сквозное усиление оно зависит как от обвязки каскадов, так и от крутизны ламп.
Аноним 07/10/18 Вск 14:24:09 339514 5
>>339493
На всех этих схемах в симуляторе ограничение происходит сначала на входных лампах.
Переменка на входе в смысле сигнал тестовый. Хотелось бы чтобы ограничение хотя бы с 1 В начиналось.

Из-за этих делов с входным уровнем решил для начала однокаскадный на 6Э5П в триодном включении собрать, 150 В анодного, 2 В на автосмещении.
Аноним 08/10/18 Пнд 10:01:28 339569 6
>>339514
Ограничение симметричное по обоим полуволнам ? На каком уровне ограничивает ?
Аноним 08/10/18 Пнд 13:33:52 339586 7
2018-10-08-17-3[...].jpg 100Кб, 586x722
586x722
>>339569
Нет, не симметричное, однотакт же. Вчера внезапно обмазался книгой Цыкина и понял что наугад менял резисторы как долбоёб.
Немного погодя прикину номиналы по методе рассчёта оттуда.
Аноним 08/10/18 Пнд 14:33:31 339596 8
>>339586
Похоже что второй каскад начинает кушать ток сетки, попробуй увеличить смещение выходной лампы.
Аноним 08/10/18 Пнд 14:33:37 339597 9
изображение.png 1207Кб, 1920x570
1920x570
Напоминаю, единственным незаменимым назначением ламп позднее 50х годов прошлого века являлся гитарный перегруженный пердеж.


В наше время его давно научились эмулировать.

Все известные музыканты больше не возят с собой пердящие гробы на лампах.

Они возят с собой один рековый корпус, который им заменяет все возможные педали усилители и прочий аналоговый хлам из прошлого века.
Аноним 08/10/18 Пнд 21:56:20 339646 10
23423.jpg 960Кб, 1800x1353
1800x1353
>>339596
Надо будет отцепить каскады друг от друга и глянуть что как. Мне кажется что это первый каскад начинает ограничивать в первую очередь.

Сегодня макет повторителя на 6э5п лепил. Думал намного хуже будет звучать. Завтра замерю что там с него выходит.
Пикрелейтед.
Аноним 09/10/18 Втр 17:11:17 339771 11
>>339597
Высказался? А теперь съеби в тину. тИ свой "рековый корпус забери".
Будет он нам за всех известных музыкантов в мире говорить, ну охуеть, блять.
Аноним 09/10/18 Втр 20:13:27 339787 12
RightMarkAudioA[...].png 204Кб, 617x3083
617x3083
-32-02screen.jpg 334Кб, 1280x996
1280x996
>>339646
Намерил. Второй пик - спектр в баудлайне при 0.2 В, (примерно обычная громкость прослушивания) на выходе. Окошки не настроены, -70 дБ будет 0.032%.

Нагрузки такие выбраны потому что усилитель планируется под наушники. Алсо надо будет нормальную нагрузочную махарайку запилить.
Аноним 09/10/18 Втр 21:08:35 339803 13
>>339787
это симулятор или реальный макет ?
Аноним 09/10/18 Втр 21:52:12 339810 14
freq.png 5Кб, 512x326
512x326
>>339803
Это как раз тот макет со снимка постом выше.

Алсо вот разность в ачх между каналами.
Аноним 10/10/18 Срд 18:51:17 339904 15
>>339596
Проверил, ты прав. При отключенном втором каскаде первый не ограничивает. Пытался поднять смещение на выходном каскаде помогло не особо, падает ток покоя, а анодное вроде как уже и некуда поднимать.

Получается что надо снижать усиление первого каскада, а там небось то же самое получится.
Аноним 10/10/18 Срд 21:32:42 339913 16
уд84.jpg 110Кб, 710x702
710x702
>>339904
Мощщи сколько оно выдавет при исходных номиналах сопротивлений? В принципе ватта 2 выжать можно с твз, но в твоих схемах другие трансформаторы.
Аноним 11/10/18 Чтв 17:31:19 340020 17
2018-10-11-21-2[...].jpg 33Кб, 596x518
596x518
>>339913
1.5 - 2 ватта на 4 ома на паре-тройке процентов thd. Вуди больше может, но там синусоида в сглаженый прямоугольник превращается.

Придумал пикрелейтед метод. Всем указанным схемам таким способом удалось повысить с изначальных 300 мВ на входе где-то до одного вольта до начала ограничения. Ящитаю нормально.

Каковы подводные камни?
Аноним 11/10/18 Чтв 17:39:27 340021 18
Какие же аудиофилы сказочные долбоёбы. Просто жесть.
Поставь делитель напряжения на входе, хоть 1-к-1000.
Будет ограничение наступать при входном сигнале в 1000 раз больше.
А ещё, прикинь, люди изобрели переменные резисторы. Можно крутить ручку и менять уровень на выходе. Вообще магия.
Аноним 11/10/18 Чтв 18:41:37 340026 19
>>340021
Цель стоит не слушать а ебаться. С данными схемами - пока в симуляторе. Делитель сразу на вход не интересно, про него все и так знают.

Послушать что-то кроме макета выше будет собрано позднее, после некоторого постижения темы. Может быть на входных лампах с меньшей крутизной.

Крутить ручку от 7 до 9 часов вместо полного диапазона конечно охуеть как удобно.
Аноним 12/10/18 Птн 08:00:33 340106 20
>>340020
Убери конденсатор из катода входной лампы усиление упадет, линейность повысится.
Аноним 14/10/18 Вск 11:29:46 340362 21
>>340106
В сочетании с методом с того пика работает заебись. В самом начале пару раз пробовал с отключением и изменением номинала этого конденсатора но почему-то отказался.

>>339475
Причём просто ос в желтых схемах без снижения усиления первого каскада не особо помогает.

Алсо может быть ещё малость с анодным повторителем в качестве первого каскада поковыряюсь.
Аноним 14/10/18 Вск 11:54:33 340367 22
>>339432 (OP)
Сап, ламповики-затейники, у меня приключилась беда - откинулся кондёр Tesla tc172 47 в предусилителе моей ламповой башки, что за башка точно - никто не знает, и за что отвечает данный кондёр я тоже не знаю, подозреваю что фильтрация по питанию. Так вот, вопрос - какой аналог воткнуть, и мог бы конденсатор утянуть за собой в могилу ещё что-нибудь?
Аноним 14/10/18 Вск 13:47:26 340398 23
>>340367
Ёмкость и напряжение на нём написаны? Меняй на подходящий по параметрам. Нет, по питанию не мог.
Аноним 25/10/18 Чтв 13:33:41 342235 24
15327694655901.jpg 87Кб, 600x508
600x508
Пишет тебе анон с ДВ.
Уважаемый лампоанон, помоги схемой какого-нибудь простого радиоприемника на лампах, с выходом на динамик.
Я немножко нуб в этом деле, но, приемник именно ламповый хотел с детства. Теперь, вот, пришло время.

У меня есть транс ТВЗ1-9 на выход. Есть лампы 6н23п, 6н3п, 6ж1п, 6ж5п, 6ж8. Поискав в магазине, могу найти что-то типа 6п14п, если надо, хотя простенький УНЧ отдельно у меня есть, на лампе 6н3п. Собрал из остатков всякого скопившегося мусора.

Я попытался сначала собрать регенератор на 6н23п, с выходом на наушники ТОН-2М. В качестве антенны натянул кусок провода у окна. И у меня даже получилось, я намотал какое-то число витков катушки и поймал какое-то международное радио Китая, а ночью даже несколько китайских станций, которые еле слышно. Но, при попытке подсоединить УНЧ к этому приемнику, уже невозможно что-либо разобрать, генерация срывается, или чувствительности не хватает. В чем дело, я не понял.

Потом попробовал найденную в интернетах схему на 6ж5п, но, не смог завести генерацию. Хочу теперь попробовать схему на четырех 6ж1п, но, почему-то, думается, опять ничего не получится, или ничего не поймаю. По той же причине не хочу браться за более сложные схемы.

Может быть кто-то более мудрый подскажет рабочую схему с точным числом витков катушки, и с выходом на динамик, на которую что-то из оставшихся радиостанций можно поймать?


Аноним 27/10/18 Суб 23:03:16 342638 25
>>342235
Попробуй трёхдиапазонный регенератор US5MSQ
Аноним 28/10/18 Вск 03:25:37 342654 26
>>342638
Спасибо. Я на схему натыкался, но, как-то всерьез не воспринял. Попробую собрать.
Аноним 29/10/18 Пнд 18:01:23 342881 27
2.jpg 249Кб, 1280x978
1280x978
1.jpg 56Кб, 510x266
510x266
Намотал третью обмотку аналогичную вторичке. Никаких особых эффектов не выявлено. Трансформатор шатал макет на 6Н8С 6П6С. Уровень подогнан для каждого случая под -1 дБ регулятором громкости перед замером, нагрузка 150 Ом.

Потом ещё надо будет на 6Э5П погонять его.
германий гармонизирует Аноним 08/11/18 Чтв 00:06:11 344118 28
Электрический сигнал ведет себя в ламповых схемах как механически-упругая система. Именно поэтому такая хуйня со звуком.
Именно поэтому неправы теоретически замшелые долбоебы с современным подходым с своимим идеальными сферическими формулами.

динамика, а не статика
Аноним 08/11/18 Чтв 14:15:07 344201 29
Может знаете какие-нибудь хорошие схемы гибридов?
Хотелось бы что-то типа - малый двойной триод на входе, мосфеты на выходе. Нагрузка наушники 300ом
Аноним 08/11/18 Чтв 14:31:48 344205 30
Аноним 11/11/18 Вск 17:51:10 344755 31
Подкиньте плиз схемок усилков, в которых реализовано что-то наподобие bass boost. Только не RC цепочкой с сигнала на массу, а по-человечески. Хочу поднять немного низы у усилителя, но чтобы не пострадало остальное.
Аноним 12/11/18 Пнд 00:02:18 344815 32
>>344201 Возьми любую medium-mu лампочку (6SN7 например) и буфер на нескольких 2SK170/2SJ74 в параллель с 12-14в питания и серво.
>>344755 Используй цифровой эквалайзер, люк.
Аноним 12/11/18 Пнд 01:29:02 344825 33
>>344815
Что такое серво в данном контексте? Не моторчик же
Аноним 12/11/18 Пнд 16:22:37 345024 34
hyb-1.jpg 53Кб, 953x622
953x622
hyb-b.jpg 39Кб, 604x296
604x296
hyb-v.jpg 79Кб, 709x558
709x558
>>344201
Не так давно собирал вот эту штуковину, на 6н23п на входе. Хотел было потом еще мощи добавить, привертев несколько каскадов из полевиков на выходе, но, что-то не пошло. Да и пофиг, в таком виде качает отлично. Правда, мосфеты греются прилично.
Аноним 12/11/18 Пнд 18:48:16 345047 35
>>344825
Интегратор на оу устраняющий постоянку на выходе
Аноним 10/12/18 Пнд 18:32:21 349175 36
>>342881
Сук, есть хоть ОДИН ламповый усилок, могущий хотя бы в полноценные 30 Гц без завала, уже молчу про 10-20?
Аноним 10/12/18 Пнд 18:52:51 349178 37
34.jpg 241Кб, 1280x978
1280x978
>>349175
Вот один из последних замеров с культовым твз1-6. Толщина прокладки - 0.05. Нагрузка 150 Ом, чуть меньше 2 В на выходе.

Померить с 6Э5П никак руки не доходят. Надо из универсального макета лепить пару-тройку раздельных под разные лампы, лень.
Аноним 10/12/18 Пнд 18:58:05 349179 38
>>349175
А ты искал? Какой самый низкочастотный был?
Лампы с низким внутренним сопротивлением работающие на огроменный трансформатор?
Аноним 11/12/18 Втр 22:32:38 349311 39
>>349175
>завал-хуял
>ламповые схемы

еще на заре ламповой схемы для таких невьебенных запросов усилители проектировались как многоканальные или с несколькими разными выходными трансформаторами. Ибо ясен хуй был изначально ясен.
Аноним 14/12/18 Птн 21:30:19 349673 40
>>349311
"Невъебенные запросы" для ламп - это 0.5 Гц с завалом -3 дБ. Что, транс щлёжьна качественный запилить или вообще без него обойтись?
Аноним 16/12/18 Вск 00:01:05 349757 41
>>339464
>БОГА НЕТ Я СКОЗАЛ
>докажи
>АРЯ РИТУАЛЬНЫЙ ДОЛБОЕБИЗМ КОКОКО НИЧЕГО ОБЩЕГО С НАУКОЙ, ЗАШКВАР
oh the irony
Оне Аноним 22/12/18 Суб 08:25:38 350370 42
8ac220.jpg 80Кб, 464x600
464x600
Усилитель сделать не проблема. Проблема сделать акустику. Внешне все выглядит беспроблемно: сколотил ящик из березовых чурок, поставил динамики, обтянул карпетом, обложил паркетом. А вот вся это возня с строительством и есть проблема. Нет такой убаюкивающей эстетской работы с пояльнечком, под ароматный сизый дым канифоли. Надо работать топором, ножовкой и напильником, типа. Шумно, пыльно, эмоционально.
Кто бы рассказал, кому удалось превозмочь и таки сколотить их.
Аноним 31/12/18 Пнд 15:36:54 351343 43
>>350370
Что могу сказать. Действительно шумно,пыльно,эмоционально. А еще очень ВОНЮЧЕ...Ибо когда я собирал свои TQWP на 4гд35 внутри (как впрочем и не только такой конструкции) необходимо все внутри промазать резино-битумной мастикой на толщину 2-3 мм. А это как минимум 2 прохода. Вонь пиздец же. Когда я собрал свои ЙОБА колонки. Народ просто в ахуе. Лежат напиленные "дрова" для такой же ТКВП акустики для 4А28 и 4А32...но сццуко они еще здоровее и вот силов как то не соберусь потратить уже пол года ))
Аноним 15/01/19 Втр 22:08:21 353077 44
>>345024
Дружище, на какую нагрузку усилок играет?
Аноним 21/01/19 Пнд 13:26:50 353691 45
>>353077
Оу. Ты заставил меня перечитать мой пост, и я понял, что лажанул. По сути, посоветовал человеку, спрашивающему усилитель на наушники, усилитель на колонки.
Мое кривоватое поделие играет на колонки 8 ом. Железный корпус порядочно греется при этом, поскольку выходные полевики привинчены к нему.
Аноним 29/01/19 Втр 21:27:01 354966 46
Аноним 30/01/19 Срд 17:20:22 355089 47
>>349178
А схема усиля де? Показувай!
Аноним 30/01/19 Срд 18:25:50 355098 48
unch20vat-5.jpg 67Кб, 800x550
800x550
Сап /ra/.

Поясните что читать, чтоб начать разбираться в электротехнике на уровне: глянул даташит на усилитель => развёл платку в %софтине_для_разводки_плат%. Заебошил свою платку с темброблоком, кроссовером 20 порядка (или можно сделать хай пасс лоу пасс? в чём разница между кроссовером хардварным и хай пасс/лоу пасс фильтром?), и это вот всё.

План минимум изучить на уровне чтобы понять: что именно я проебал в купленном когда-то наборе для пайки усилителя без схемы (и что с ним дальше делать после пайки)
Купил когда-то TDA7294 набор-конструктор из двух плат. (пикрил лишь напоминает упаковку, такую же не обнаружил, инструкцию со схемой проебал), полагал что это неебись конструктор для новичков, который чему-то научит. Написано же "РАДИОКОНСТРУКТОР" Ага. Нихуя. Это для уже разбирающихся в теме. Для простолюдинов надо было брать более простую схему. В итоге забросил, потому что охуел тогда от сложностей связанных с дальнейшей сборкой.
Аноним 30/01/19 Срд 18:29:09 355099 49
diagtube1.jpg.b[...].jpg 31Кб, 777x530
777x530
>>355089
Схема примерно такая, только C2 нет, а C6 - электролит большей ёмкости.

Вообще сейчас как-то лень этим заниматься, застрял на начальном этапе запиливания отдельного макета специально под 6э5п и на середине закупки ламп для варианта на 2П29Л - 4П1Л. Даже электронный дроссель запиливать лень.
Аноним 30/01/19 Срд 18:30:27 355100 50
>>339432 (OP)
посоветуйте чего почитать по продвинутой схемотехнике ламповой
Аноним 30/01/19 Срд 19:10:23 355106 51
>>355098
тащемта радиотехника/электроника никогда не была уделом средних умов

ТОЛЬКО ОДАРЕННЫЕ ФИЗИКИ!ТОЛЬКО ХАРДКОР!

Просто по быдлядски на пальцах радиотехника не пройдет, там зойчатки мозгов надо и техническое образование. Тащемта махарайчить можно и без знаний, но получаются именно махарайки - специалист без фейспалма такие поделия не воспринимает.
Аноним 30/01/19 Срд 21:13:18 355144 52
>>355106
Спасибо бро, сегодня я понял что меня всегда бесили тупорылые недоучки, а вызывали хоть какое-то уважение лишь люди потратившие на свою работу длительное время и никогда не утверждающие ничего со 100% вероятностью, подходящие к своей работе с хоть какой-то научной квалификацией. Не допускает неоднозначностей == червь пидор недоучка == слова не стоят нихуя.

Не хочу быть недоучкой. Надо, блядь, учиться нормально.
Аноним 30/01/19 Срд 21:29:51 355151 53
>>355144
>никогда не утверждающие ничего со 100% вероятностью
Как раз такие никому нахуй не нужны, хоть три высших получи. В любой сфере. Ты либо берешься и делаешь, либо нет. Если сомневаешься сам в себе - идешь строго нахуй.
Аноним 30/01/19 Срд 23:05:49 355157 54
>>355151
Похуй. Однозначные утверждения признак самоуверенного долбоёба-недоучки. Сам же написал
>ТОЛЬКО ОДАРЕННЫЕ ФИЗИКИ!
Физик, значит учёный. Учёный никогда не утверждает ничего со 100% вероятностью, у него всегда есть сомнения.
Аноним 31/01/19 Чтв 11:17:50 355199 55
>>355099
Спасибо! А оба триода 6Н8С задействованы, чтоб усиление вытянуть большее?
Аноним 31/01/19 Чтв 12:05:44 355210 56
>>355199
сие называется SRPP...гугли.
Аноним 01/02/19 Птн 15:50:17 355349 57
>>355199
Там усиление ниже будет чем у одиночного триода, по-моему, выходное сопротивление ниже.
Аноним 02/02/19 Суб 03:04:55 355429 58
>>355098
Тащемта да, можно или разбираться, или Касьянить - и в принципе второе тоже востребовано. Тебе придется запастись мультиметрами, транзисторами bc547 bc557, резисторами (kit наборы выводные и несколько переменников) и конденасаторами (набор керамики и электролитов), макетной платой (это всё на али) и куском витой пары, которую ты разберешь на перемычки, или перемычечными проводами.

Дальше берешь любой из предложенных в прикрепленном после Ревича, Хорвица или Борисова со Сметаниным и меряешь, читаешь, осознаешь.

Аноним 02/02/19 Суб 03:05:53 355430 59
>>355429
можно добавить стабилитроны и диоды + светодиоды и маленький динамик.
Аноним 02/02/19 Суб 19:01:19 355510 60
Котаны, а вот объясните, есть лампа 6ф3п, схема Манакова (250в, 50мА) мощность примерно 2.5 Ватта, а есть 6п6с (те-же 250в 50мА) но мощность пишут около 4.5Ватт (это встречается в даташите на лампу на истоке, например) это от чего так, и где посмотреть, как понять получаемую мощность усилителя?
Аноним 03/02/19 Вск 13:28:12 355586 61
>>355510
Там зависит от уровня искажений при которых замер ведётся. В паспортах и справочных данных на лампы пишут мощность при искажениях около 10%, обычно конкретную цифру указывают.
Не знаю как Манаков считал, но обычно на все эти слабосильные однотакты мощность указывается плюс-минус валенок, ну очень ориентировочно.
ЯЖ МАТЬ! Аноним 03/02/19 Вск 13:35:42 355588 62
20071025photofi[...].jpg 72Кб, 579x784
579x784
>>355510
>мощность примерно 2.5 Ватта
>мощность пишут около 4.5Ватт

реально, по уровням, разница каких-то 5дб
поверь, это нихуя нет

если разница там хотя бы 15 ватт, что то можно пукнуть

Таким образом, усилители хоть на золотых лампах, но по аналогии для автомобилиста это собирать дома детский трехколесный велосипед. НО! Ведь у детского велосипеда есть ДУША!
Это в чистом виде любительщина, практического применения которому нет. Но хобби есть хобби.
Аноним 03/02/19 Вск 17:20:50 355702 63
>>355586
Да, действительно, для 6П6С указано 8% искажений, думаю что для 6Ф3П не больше 1-1.5% искажений на тех самых 2.5Ваттах
Аноним 03/02/19 Вск 17:32:56 355703 64
>>355588
Да, конечно, это хобби, и все такое, но 5 децибелл, это больше чем в два раза разница в громкости, и это на нормальных, чувствительных динах вполне себе дохрена...
Аноним 03/02/19 Вск 17:39:23 355705 65
050303130006.jpg 46Кб, 320x240
320x240
>кпддрочерство в ламповом диафильском хоббийном звукоусилении на однотактах
Пятерное комбо какое-то. С козырей сразу?
Аноним 03/02/19 Вск 18:44:07 355708 66
интересно
Аноним 03/02/19 Вск 21:36:23 355722 67
>>355703
какой два раза? это всего лишь одно деление громкости (один час поворота регулятора громкости)
Аноним 03/02/19 Вск 21:44:13 355723 68
>>355708
представь время , будущее лет через 30.
Забыты будут все музыкальные центры, колоночки, динамички, вообще любая звуковая техника тяжелее 100грамм.
Молодежь будет с пеной у рта мерятся хуями мощностью своих милипиздрических девайсов наподобие айфона, где будут установлены встроенные динамички размером 2см. И вот на этих штуках молодые "удифилы" будут спорить, у кого мощща больше, звук децибельнее и бас басовитее, средние более писклявы и высокие более дальнобойны. И по праву. Вкусы слушателей изменятся, на девайсах будут сверхмощные аккумуляторы и мощнейщие пищалки и ультразвуковые басовые динамики работающие за счет сложения волн.
Суть в чем? Коньюктура заставит поменять вкусы слушателей и подходы к звуку.
Аноним 03/02/19 Вск 23:08:35 355737 69
horch901kfz151.jpg 744Кб, 1024x768
1024x768
Новый-автомобил[...].jpg 87Кб, 695x463
695x463
>>355723
Ну как то так думаю.
Лет через 30...куплю за ахулиард денего 6П6С 1961 года!!
Аноним 03/02/19 Вск 23:09:58 355738 70
>>355737
на пикче
Horch 901 ну и мазератти
Аноним 04/02/19 Пнд 08:32:17 355753 71
6Ж1П.jpg 145Кб, 1639x996
1639x996
Хочу собрать усилок для наушников по этой схеме.
наушники 64 Ома. Будет ли оно нормально с ними дружить?(у автора дружит)
И вообще рейт схему плиз
Аноним 04/02/19 Пнд 14:18:36 355794 72
>>355753
Собирал по данной схеме. Не очень распространенные панельки для них. 4 лампы. По звуку не впечатлило. Уж лучше "классический" Лаконик собери на 6Н24П (не 23П). Там реально звучит.
Аноним 04/02/19 Пнд 14:21:42 355796 73
>>355794
интересует схема без выходного транса
Аноним 04/02/19 Пнд 14:23:44 355798 74
90826d06a22facc[...].jpg 82Кб, 957x1500
957x1500
>>355753
Ну и уши возьми самые пиздатые суперлюксHD440 - 150 Om (у меня в арсенале штук 10..и баеры 600Ом и акг 600 Ом KOSS Pro4AA). Уделывают всех этих фирмачей на раз
Аноним 04/02/19 Пнд 14:26:04 355801 75
image009.jpg 68Кб, 863x632
863x632
>>355796
Я о без трансформаторных схемах и говорю.Вот тебе пиздатая схема Лаконика LaunchBox
Аноним 04/02/19 Пнд 14:29:21 355803 76
>>355801
а ну эту я видел, смущает транзистор
Аноним 04/02/19 Пнд 14:29:59 355804 77
>>355798
у меня marshall major 2 на 64 Ома
Аноним 04/02/19 Пнд 14:33:53 355807 78
>>355803
А чем он тебя смущает ? На нем собран электронный фильтр помех. Дабы отсекать гул в анодном. Можешь собрать на кенотроне конечно с дросселем по 3Гн на каждый канал (реально пизже будет,сам убедился). Маршаллы твои отдай подруге в айфон. Сам когда подбирал разные наушники , тоже увидел их и в КОТОФОТО на бонусы купил их (лол). Реально наушники для айфонов. Разочарованию не было предела. По сравнению с суперлюксами что я тебе показал небо и земля..нет блять. НЕБО и ЗЕМЛЯ.
Аноним 04/02/19 Пнд 14:38:02 355809 79
>>355807
Правда за амбюшеры нужно отдельно пиздить и унижать. А звук реально пизже чем все что я слушал. В свое время для таких усилков накупил больше 10 разных ушей. Кетайцы всех уделали. Все эти мониторные по 600 Ом так сказать играют пиздец как блекло. Вернее они играют очень "ровно", это для звукорежиссеров. Заебешься эквалайзером их вытягивать.
Аноним 04/02/19 Пнд 14:52:55 355813 80
>>355803
И поверь. Эта схема как раз для первого своего SRPPусилка. Сразу прочувствуешь динамику,панораму и т.п. Я перепробовал собрал тучу схем. И на 6Н6П (играет драйвово,динамично).И на 6Н13С (дарк войс)...ни о чем. И на 6н23П (таже схемка что я тебе дал)...не понял. На 6с19п самая пиздатая схема,просто ахуенчик...но там 4 лампы не считая драйвера. Заебался добывать 6А накала постоянки.
Аноним 04/02/19 Пнд 15:53:10 355818 81
>>355753
Слабосильные лампы, бестрансформаторный выход, низкоомные наушники.
Что-то одно надо исключить. Есть схемы српп на 6п19с на схем.нет, должны под низкоомные наушники подходить.

Не понимаю нахуя это нужно, кроме компактности и габаритов если твз1-6 стоит 900 рублей на истоке. Раскидать его, счистить магнитопроводящий состав и засунуть в зазор бумагу от чека.
Аноним 04/02/19 Пнд 16:24:10 355822 82
>>355818
>6п19с
Что-то обосрался внезапно.
Аноним 04/02/19 Пнд 16:42:03 355823 83
>>355818
хуй знает. я вообще охуевая с намотки трансформаторов. Посмотрел кучу видосов, мне кажется неосилю. Да и ес че с ламповой техникой не сталкивался раньше если не считать часы на гри которые сейчас собираю, а та схема на 6ж1п простенькая вроде.
Алсо сами лампы по 30р новые на авито
Аноним 04/02/19 Пнд 16:42:33 355824 84
>>355809
не думаю что я услышу разницу, ибо медведь на ухо наступил
Аноним 04/02/19 Пнд 17:44:31 355832 85
На самом деле начинай именно с СРПП усей. С трансформаторами еще та морока. Сам покупаю уже у ЛампоБарона теперь или в Золотой Середине. Ибо набить скилл на намотке транса ...та еще участь ))
Аноним 04/02/19 Пнд 17:46:09 355833 86
1-6.jpg 716Кб, 1936x2576
1936x2576
>>355823
Мотать не надо, он готовый.
http://istok2.ru/data/806/

Надо разогнуть ушки на обойме, вынуть "подковы", счистить чёрную хуйню с торцов и засунуть прокладки. Стянуть можно без обоймы, на нижнюю половину крепежа с помощью хомутов.
Получится пикрелейтед, только он к низу не прикреплён.

Лампы вообще самая дешевая часть, если на советских широкораспространённых собирать. Хуже всего - ёбля с корпусом.
Аноним 04/02/19 Пнд 18:05:39 355835 87
>>355833
что за хуйня, куда пропала кнопка ответа возле сообщения?
теперь надо жать на номер, ебио мать.

Что такое СРПП?
не понял надо мотать-то или нет?
Алсо а корпус-то зачем? мне очень нравится смотреть на все "Кишки", если устройство получится действительно годным и захочется юзать его постоянно то в чем проблема заказать заводские красивые платы
Аноним 04/02/19 Пнд 18:32:46 355837 88
>>355835
>Мотать не надо, он готовый.
Аноним 04/02/19 Пнд 19:02:10 355843 89
У меня тоже кнопка ответа пропала. СРПП это такая схема включения ламп. Без трансформаторные могут быть и катодные повторители (Дарк Войс например). Без корпуса получишь по рукам 200-300 вольт рано или позно (инфа 100%). Исполнение на печатной плате иногда грозит возбудом (кек). Расово верно навесной мондаж )
Аноним 04/02/19 Пнд 19:20:52 355848 90
>>355843
знаю, но плата сердцу милее. а по защите от удара, ну тогда максимум коробку из оргстекла
Аноним 09/02/19 Суб 01:49:10 356345 91
ТТ1-6.jpg 1443Кб, 3096x1804
3096x1804
>>355833
Вот гайд по распилу ТВЗ-1-6, схоронил как-то на будущее, ибо буду его в гитарный усь задействовать с домоткой под 8 ом:

Хочу сделать отчет по исследованию трансформаторов ТВЗ-1-6. Как оказалось это самый подходящий трансформатор для пуш пула на 6п14х, 6п6, 6п1п и тд. По поводу вторичной обмотки. Первая годится для 4ех ом. Вторую применять для нагрузки нельзя. При желании можно домотать последовательно 18 витков для 8ми ом(предварительно смотав верхнюю обмотку 72 витка.) Провод для домотки нужно брать не толще 0,8по лаку иначе не получиться одеть железо. Разбирать железо нужно следующим образом. После аккуратного снятия кожуха нужно положить трансформатор на деревяшку швом между подковами наверх. Т.к. швы смазаны при сборке специальным ферросоставом который очень крепко схвачен, его нарушить довольно сложно. Просто бить по нему молотком без идейно, пробовал. Так вот на место соединения ложиться отвертка (параллельно шву соединения) и небольшим ударом по отвертке соединение раскалывается. Если при этом немного расслоились пластины их можно заклеить супер клеем. После наматывания доп обмотки для 8ми ом обмотку лучше всего замотать пленкой для сантехники (я потом поверх намотал еще простой пленки). При сборке железа нужно удалить весь ферросостав на каркасе и подковах и посмотреть чтобы подковы плотно сходились. Перед разборкой лучше промаркировать подковы. После сборки в обойму нужно включить его в сеть 220в ВСЕЙ ПЕРВИЧНОЙ ОБМОТКОЙ. Замерять напряжения на вторичной обмотке(напряжения должны слаживаться а не вычитаться) и проверить чтобы он не гудел. Если он гудит , а это нужно исправлять, разобрать обойму вторично не повредив лепестки не получиться. Их нужно обрезать в месте изгиба и отогнуть оставшийся сегмент перпендикулярно обойме. После этого нужно просверлить в нем отверстия для крепления. На второй части обоймы нужно сделать два лепестка из жести с отверстиями для креплений(на фото видно принцип). После всех манипуляций части обоймы можно надежно стянуть винтами. Так же в ходе переделок мне достался как оказалось редкий ТВЗ-1-4. По замерам он оказался готовый на 8ом. Если вы нашли такой вам повезло, но доделывать его на 4 ома немного сложнее и качество скорее всего упадет т.к. единственный способ сделать это , это отмотать от параллельной вторичной обмотки часть витков.

После удаления 72-х витков открывается вторичка, намотанная толстым проводом. Причём заполнение по каркасу далеко не полное. Естественно, возникает порыв перемотать этот её слой по-новой, дополнив 18-ю витками - всё красиво, но - отставить!
У ТВЗ-1-6 вторичка секционирована и состоит из двух одинаковых половинок.
Так что: ТОЛЬКО ДОМАТЫВАТЬ ПОСЛЕДОВАТЕЛЬНО К ИМЕЮЩЕЙСЯ.

И ещё.
Даже после удаления ненужных витков, зазор получается впритык. Перед домоткой 18-ти витков, надо удалить весь лишний парафин (его там наляпано с избытком).
Иначе железо не оденется.


Но на истоке годные ТВЗ уже с выводами под разную нагрузку продаются с нержавым железом и прикольной стяжкой хомутом, тот гайд по ссылке для некроты как у меня. А может и не буду их потрошить, посмотрим.
Аноним 09/02/19 Суб 12:47:22 356374 92
95nqPpUT.jpg 15Кб, 320x240
320x240
>>356345
"Подковы" у меня без проблем разделились, тоже всяких методов начитался. Магнитная хуёвина на торцах магнитопровода довольно мягкая и с низкой адгезией к железу. Пошатать их и растащить можно голыми руками или плоскогубцами аккуратно.

Дополнительную вторичку можно кинуть вместо пластиковой бобышки, поверх которой намотано всё. В итоге будет две родных вторички, одна сверху и одна снизу, скоммутировать можно будет как угодно. Я у себя посмотрел на перекосоёбленную от натуги бобышку и решил что нахуй оно надо.
Аноним 09/02/19 Суб 12:51:27 356375 93
>>356374
две родных плюс две добавится - одна сверху и одна снизу
Аноним 09/02/19 Суб 15:59:25 356400 94
15168950265233.png 160Кб, 477x350
477x350
Добрый день, уважаемые.
Я дико извиняюсь за дерьмо-запрос, но

Очень хочу спаять самому ламповый комбик и, к сожалению, ни черта не понимаю в схемах, потенциалах, токах, видах конденсаторов и т.д. Заниматься радиолюбительством не планирую, да и потребуется очень много времени, чтобы понять что к чему. Я не ленивый, правда, просто время на изучение оного хочется потратить все же на улучшения скиллов в других областях. В конце концов, просто поиграть на гитаре.

Собственно, я понимаю, что меня тут обоссут, но есть ли какие-то прям подробные инструкции для дебилов, мол
- вот есть список нужных комплектующих
- вот суперпонятная картинка, что и куда паять
Ну и паяй. Корпус-то уж я как-нибудь сделаю, придумаю.
Или может есть какие-то ух как я не люблю эту дикую аббевиатуру diy наборы для сбора? Типа как конструктор лего.
За любой ответ пусть и оскорбительный большое спасибо.
Аноним 09/02/19 Суб 16:41:56 356403 95
>>356400
Полистай схемы по запросу "ламповый комбик", "ламповый гитарный усилитель" на не гитарастских форумах. Я видел подобные обсуждения на схем.нет и на вегалабе. На первом даже культовым маняразработкам за авторством музыкантов ревью учиняли с разгромными результатами.

Суперпонятные картинки с монтажками вместо принципиальных схем они как раз под ца гитарастов сделаны. Может быть там что-то вменяемое можно выбрать, без подачи 12 В анодного на лампу и прочих обосрамсов.
Аноним 09/02/19 Суб 23:52:29 356455 96
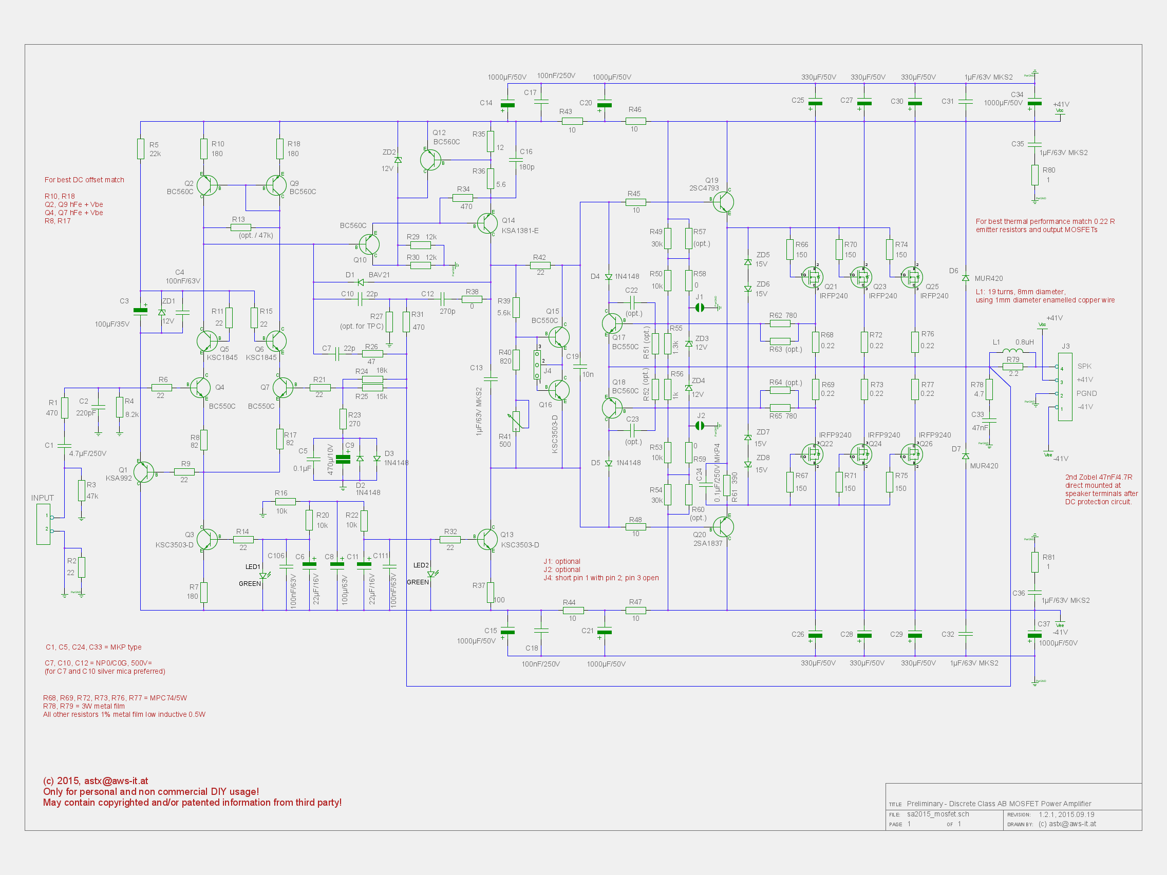
BF-Vibro-Champ-[...].gif 97Кб, 2406x1550
2406x1550
VCBF-1966Circuit.jpg 155Кб, 1023x514
1023x514
>>356400
Я вот на mojotone и trinityamps нашел для себя джве убегодные схемы - однотактный Champ и модификацию 18W для JCM800. Считай - официальный васян-каштом, опробованный и готовый для сборки. У тринити к усилителям есть pdf-мануалы с подробнейшим описанием схем и их принципом работы, нужно уметь в иглиш или хотя бы в переводчик. Так же рекомендую почитать Rob Robinette - How Tube Amplifiers Work.
По сабжу - для начала пили что-то простое, типа того же чампа, крайне желательно - чтоб схема была 100% рабочая, а не очердной васян-трешмод. Приготовься потратить немало денег и времени, хотя можно заказть diy-kit. Да, тебе эта аббревиатура со временем понравится. И так - хард-мод или решил собрать всё сам. Предположим, анан из /ra советует йобу как на пикрел. Это урезанный VibroChamp из 60х без блока тремоло, которое нинужно и требует дополнительных затрат. Но есть фича в виде простенького темброблока, который так необходим.
1) Трансформаторы. Силовой и выходной, можно еще дроссель впихнуть в блок питания. Секция блока питания внизу. Силовой тут нужен особый - вторичная обмотка с двумя секциями по ~330В для выпрямителя - кенотрона 5Y3. Чит - заменить лампу-кенотрон на диодный мост, потребуется одна обмотка на 260-280В, но тогда может понадобиться пересчитать резисторы блока питания. Закон Ома и мультиметр в помощь. Также есть накальная обмотка 5V для кенотрона, причем оче жирная - аж на 3А. И накальная обмотка на 6,3V - для лампы преампа 12ах7 и усиления 6V6, её ток нагрузки примерно 2А. Трансформатор такой лучше заказать или купить готовый, сам мотать ниасилиш и забросишь проект. Стоит немало.
Выходной трансформатор - для согласования 6V6 и динамика. Можно заменить отечественными не совсем ржавыми ТВЗ. Лучше готовый приобрести с выводами под 4 и 8 Ом нагрузку. Стоит примерно как и силовой, гугли.
2)Лампы. Теплые и светятся. Valve 4 - 5Y3 - прямонакальный кенотрон. Вроде как можно заменить отечественной 5ц3с. Некрота начала-середины ХХ века. Можно заменить диодным мостом, что удешевит и облегчит силовой трансформатор. Некоторые говорят что неканон и изменяется звучание усилителя за счет потери компрессии. Не в худшую сторону, а может даже в лучшую, споры не прекращаются и поныне.
V1 - 12ax7 - двойной триод V1а и b на схеме. Сразу скажу - бери именно её. EH, Tung-Sol, если много денех - ориджинал Mullard, Philips или oh shi.. Tesla и Telefunken. Последняя вроде как самая Ъ, но стоит слишком неприлично и даже есть фейки. Китайские версии - сомнительное решение, микрофонят/звенят и всё такое. Васяны-кустомщики считают, что эту лампу можно заменить на 6н2п-ЕВ, но тогда потребуется перерасчет резисторов в цепи её анода/катода и звук не фонтан - песочит. Современные версии не так много стоят, так что не жлобись, эта штука задает звук всего усилителя.
V3 - лучевой тетрод 6V6. Всё то же, что и для V1, но можно заменить на 6п6с. Вроде как даже успешно, хотя отечественная может крякнуть при напряжении 350+.
3)Конденсаторы. Электролитические в блок питания cоответствущей емкости на напряжение не ниже 450В, иначе бомбанут. От нормальных производителей, а не нонеймов. Бренды расписывать не буду - ищи сам. Проходные в сигнальных цепях емкостью 0.022/0.047/0.1 - канонiчные пленочные Orange Drop 716/715 от SBE/CDE. Напряжение не ниже 400V. Практика показала, что они лучшие для этой модели, поищи в интернетах. Бумага в масле и китайская пленка - не торт, хотя никто не запрещает попробовать. Из совка - фторопласт. 250pF - слюда или NP0 керамика, напряжение 400V или выше. Я за слюду, в оригинале - керамика. Пленка/слюда/керамика - это тип диэлектрика, почитай азы электроники 25uF/50V - электролитические, ничего особенного, главное - не нонейм говно.
4)Резисторы и потенциометры.
Крутилки-потенциометры от Alpha и CTS. 250kА - treble/bass, 1Mohm А Volume - все логарифмические полуркай маркировку. Такие же, как и для гитар, с выводами под пайку проводов. Резисторы-сопротивления. Тру - carbon composition (СС) 0.5W - дорого, шумят hiss по ихнему. Якобы самый мягкий и четкий звук. Нужно заказывать из мурки или европы, у нас их вроде никогда не производили. Можно заменить тайваньскими carbon film или вообще металлопленочными 1-2W. Отечественные МЛТ луче не применять. В катод V3 нужен большой 3, а лучше 5 ваттный проволочный цементный или металлоксидный резистор, на нем прост мощность бОльшая рассеивается и может греться.
5)Динамик. Каноничный для Fender - Jensen или британский Celestion. 4-8 Ом - смотри на какую нагрузку рассчитан твой выходной транс. Совок/китай - в топку. Гитарный динамик оче важен в формировании того самого звука и частота пропускания 50или75-5000Hz. Такшо не экономь.
6Шасси. Стальное или алюминиевое такие юзал гуру ампостроения Алекс Дамбл, почитай, а не из говна и пластика.
Неплохо заодно заказать металлический колпак на выходной трансформатор для экранирования, но не обязательно. Джеки на вход - стандартные моно гитарные с прижимным контактом, который размыкается при включении штекера. Для динамика - без прижимного контакта, как на твоей гитаре. Тру - Neutrick. Зайди в ближайший гитармаг. Тумблеры/предохранители - на твое усмотрение, не обосрись с силой тока и напряжением. Провода - 0,75-1мм2 в накал ламп, 0,35-0,5 остальное. В сигнальных цепях можно попробовать применить коаксиальный экранированный, как с ним работать - в гугле.
7)Монтаж - навесной на турретах, они есть на али. Гугли turretboard. Сколько контактов - сам посчитай по мануалу или готовым пикам. Панельки для ламп - совковая керамика с посеребренными выводами. Ищи со штампом в виде ромбика.
8) Корпус - фендер использовал сосну, британцы - березовую фанеру. Шип-соединение, никаких гвоздей и мдф. Обивка - tolex или tweed, можно кожей или годным замом.
Варнинг - в ламповых гитарных усилителях напряжение выше 300В, такшо соблюдай технику безопасности! И поищи мануалы для нуфагов, чтоб не облажаться и не распрощаться с жизнью.
Аноним 10/02/19 Вск 00:15:35 356461 97
BF-Vibro-Champ-[...].gif 98Кб, 2406x1550
2406x1550
image.png 768Кб, 2721x2071
2721x2071
>>356455
Алсо, схема на пике не совсем верная и резистор ООС 2,7кОм должен подключаться непосредственно к катоду 12ax7, а не на землю. Первый пик - исправленная, второй - ориджинал Чамп 5F1 конца 50х без темброблока.
Аноним 10/02/19 Вск 10:30:19 356493 98
>>356455
Е-Бать
Огромное спасибо, анон.
Судя по всему, это все гораздо сложнее, чем я себе представлял, а я себе представлял очень много сложностей.
Буду стараться.
Аноним 10/02/19 Вск 16:49:19 356578 99
>>356493
не оче сложно на самом деле - вся ебанина с трансформаторами, в основном.
Аноним 10/02/19 Вск 17:14:11 356588 100
Господа, такой вопрос.
Есть ламповый электрофон "Юность-301".
Сдавал на смену кондеев к мастеру, он их поменял и мол-де сказал, что все равно тихо играет, ибо "дохнет лампа".
Нужно искать новую лампу, или мастер пиздобол?
Лампы 6Н2П и 6П14П
В общем так не ответили.
Аноним 10/02/19 Вск 18:53:19 356600 101
>>356588
>Нужно искать новую лампу, или мастер пиздобол?
>Лампы 6Н2П и 6П14П
Найди и не еби мозг. Это одни из самых распространённых ламп, если ты даже их не можешь найти, то нехуй вообще заниматься коллекционированием старой техники.
Аноним 12/02/19 Втр 21:00:25 356889 102
>>356588
>мастер пиздобол
Дистанционно я могу только сказать что ты дебил заплативший за пару простейших действий которые мог сделать сам да, даже не умея. Не веришь "мастеру" отдавай другому.
Аноним 17/03/19 Вск 23:38:16 359933 103
image.png 47Кб, 974x697
974x697
Аноны, объясните как эта схема работает, если анодное лампы 25в, когда по даташиту оно должно быть 100в??
алсо схема интересная, хотелось бы повторить, много хороших отзывов про нее
Аноним 18/03/19 Пнд 01:04:56 359936 104
>>359933 Лампы работают и при низком напряжении но уберхуево. Искажения и выходное сопротивление зашкаливают.
>много хороших отзывов про нее
Конечно, миллионы мух не могут ошибаться. Хочешь каноничный гибридный однотактный усилитель - подавай номинальный ток/анодное на лампу, ставь разделительную емкость и буфер. CCS в аноде и буфере тоже весьма желательны.
http://www.tubecad.com/april_may2001/page13.html
Аноним 18/03/19 Пнд 01:10:45 359937 105
>>359933
да ну нахуй эти гибридники. Пробовал пару схем. Лучше уж "обычный" SRPP ушник собери. Тот же Лаконик на 6н23п или 6н24п.
Сразу прочувствуешь ТЛЗ
Аноним 18/03/19 Пнд 01:17:18 359938 106
>>359937
>SRPP
>32ом
>ТЛЗ
Действительно
Аноним 18/03/19 Пнд 01:54:39 359944 107
>>359938
вот с этими ушами просто улет
http://imagination-works.ru/2016/03/11/superlux-hd-440-20-%D0%B3%D1%86-20-%D0%BA%D0%B3%D1%86-%D0%B8-150-%D0%BE%D0%BC%D0%BD%D1%8B%D0%B5-%D0%BC%D0%BE%D0%BD%D0%B8%D1%82%D0%BE%D1%80%D0%BD%D1%8B%D0%B5-40-%D0%BC%D0%BC-%D0%BD%D0%B0%D1%83/
Уделывают все что можно. У самого коллекция из "больше 10". И шайзены и байеры и коссы...600омных.
Эти самые пиздатые...только за амбюшеры нужно руки оторвать.
Аноним 18/03/19 Пнд 16:50:42 359960 108
>>359936
просто у меня возникла мысль а что если в этой схеме подать на анодное даташитовское напряжение, нормально будет или нет? по идее то ведь ничего не изменится, ну только если R4 пересчитать придется
Аноним 18/03/19 Пнд 17:16:11 359961 109
>>359960 Бахнет. Модифицировать под работу от пары сотен вольт конечно можно, но нагрев полевика и его нагрузки будет дикий, 20-50 ватт на канал. И электролит на выходе потребуется на 160в.
Аноним 18/03/19 Пнд 17:42:11 359962 110
>>359937
>>359961
а бля, я не заметил что они соединяются там, но ведь можно их раздельно питать
Аноним 18/03/19 Пнд 17:56:24 359963 111
image.png 56Кб, 1051x928
1051x928
>>359962
вот так сделать можно же?
Аноним 18/03/19 Пнд 18:00:29 359964 112
Аноним 18/03/19 Пнд 18:53:24 359968 113
Аноним 06/05/19 Пнд 18:38:01 365998 114
Резко появилось желание собрать себе усилок на лампах.
Схем в интернете масса например https://radiokot.ru/circuit/audio/amplifier/46/
Но я в этом вашем аналоге не секу нихуя. не понимаю принципа работы лампы
Дай гайдов и максимально подробной схемы так это работает, что лучше собрать вначале?
Аноним 07/05/19 Втр 02:16:21 366024 115
>>365998 Полностью ламповый это или дорого с готовым шасси и трансформаторами или очень геморойно или говно на тв3-1-9.
Собери сначала гибрид. SRRP усилитель напряжения вроде aikido (6н1п и 6н6п) и транзисторный повторитель напряжения. Последний или однотактный обогреватель аля ciuffoli follower или что-то двухтактное с искажениями на порядок ниже ламп. Lazy Cat VSSA 1.4 например.
А вообще полистай https://www.tubecad.com
Аноним 07/05/19 Втр 09:13:20 366036 116
>>366024
Двачую. Я пока добрался до "нормального" уся с трансформаторами выходными от "золотой середины" и "лампобарона" собрал штук 10 по разным схемам СРПП. Гибридник сразу в помойку,из двух что собрал ни один не понравился. Из СРПП можно "Лаконик" на 6н24п для того что бы "услышать" ТЛЗ. Или на 6н6п драйвово звучит.
Аноним 08/05/19 Срд 12:10:37 366173 117
>>366036
>Гибридник сразу в помойку
Что так категорично то? Хочется перегруза побольше так нагрузи ламповый каскад посильнее. В крайнем случае поставить межкаскадный трансформатор, а дальше хоть класс д ставь, разницы не услышишь. ICE вон отличные модули делает.
Аноним 08/05/19 Срд 14:30:21 366188 118
>>366173
Признаюсь. До межкаскадного трансформатора еще не дорос. Своих ресурсов (и времени) вообще нет для намотки трансформаторов выходных.А хотя очень хочется. Готовых межкаскадных не встречал. Можно конечно заказать. В той же "золотой середине". Но там оверпрайс честно говоря. А васяну какому нибудь заказывать. Та еще затея. Обычно тарюсь выходниками в tec.org.ru.
Аноним 08/05/19 Срд 14:32:17 366189 119
Аноним 07/06/19 Птн 08:24:55 369371 120
.jpg 325Кб, 1560x2080
1560x2080
.jpg 390Кб, 2080x1560
2080x1560
Есть в наличии девять новых ГУ-48, четыре 6п3с, два г-807, две 6с33с, некоторое количество 6н8с и 6н9с, два одинаковых трансформатора примерно по 900 Вт, есть возможность перемотать трансформаторы любым проводом (есть участок перемотки двигателей), куча разных пассивных элементов на любой вкус.
В таких условиях не хотеть сделать лампешник просто невозможно, прошу понять и не закидывать говном. Реквестирую в этот тред схем на этих лампах и может даже гайдов.
Аноним 07/06/19 Птн 13:59:41 369398 121
>>369371
Пили что нибудь на 6п3с и 6н9с в драйвере. ГУ-48 и 6с33с отложи пока в сторону.
Аноним 07/06/19 Птн 16:19:45 369402 122
>>369371
А доступ к фрезеру и сверловке для изготовления нормального шасси и доступ к столярке для изготовления нормального корпуса у тебя есть? Нет? Ну так нечего и начинать, посмотри на фото удифильских говноконструкций из кучи соплей и проводов на куске жести, всунутом в фанерный ящик с помойки. Одних лишь ламп и трансов недостаточно чтобы сделать нормальный лампач вместо куска говна. Основная часть работ, 2/3 трудозатрат - это сделать нормальные шасси и корпус, а спаять схемку - это ерунда.
Аноним 07/06/19 Птн 17:38:27 369409 123
>>369402
Бля, я на заводе работаю. Здесь чего только нет, даже ЧПУ.
Говорю же, сам пытался найти причину НЕ пытаться, но вокруг одни возможности.
Аноним # OP 07/06/19 Птн 19:34:06 369423 124
a990c4d1e7d1.jpg 140Кб, 800x600
800x600
PICT0004.JPG 146Кб, 811x608
811x608
>>369409
Сами схемы (дословные, для повторения один в один) это хуйня. Вбиваешь в поиск "имя лампы" "усилитель", "трансформатор для усилителя на Х", смотришь что вообще бывает и как, какой мощности и под какие нагрузки, можно полистать отчёты и галереи самопальщиков, где хвастаются конструкциями.

Читаешь Цыкина, там теория годно подана, у него также есть книга по трансформаторам. У Моргана Джонса есть две книги по ламповым усилителям, по схемотехнике и по конструированию, засовыванию в корпус и прочему, первая переведена.

Выбираешь схему и лампы (в твоём случае из наличия) по вкусу и возможностям, считаешь или берёшь чужие режимы. Можно в симуляторе их проверить или подогнать опционально.

Если нужен дословный гайд с нуля - на схем.нет есть гайд от василича. Также на его гайд существует вменяемая критика почему именно он говно, поможет не обосраться при следовании ему или отказаться за ненадобностью.



Алсо за всё это время я нихуя не сделал по этому вопросу, даже на фанерке. Надо купить 2п29л, хочется глянуть чо там с прямонакалами будет, но лень и тратится на них неохота.
Аноним # OP 07/06/19 Птн 19:34:48 369424 125
Аноним 07/06/19 Птн 20:55:36 369426 126
>>369423
А я бля уже года 3 пилю всяко разно. Двачую по поводу корпусов...пиздец же. Сейчас по мастерне лежит штук 6 усей. Собранных, отлаженных по разным схемам. Но блять не дооформленных корпусов. Это сццуко пиздееец.
На данный момент замахнулся на 6с4с (прямонакал). По манаковской схеме (у него правда там 2А3). Лежат тру светлановские 6с33с. Но чем больше читаю про схемы смещения (кто во что горазд,кто авто,кто гибрид (с отслеживанием тока).
В общем пока не готов спалить их нахуй (хотя грят что они противотанковые).
Аноним 07/06/19 Птн 20:57:55 369427 127
>>369409
>Бля, я на заводе работаю. Здесь чего только нет, даже ЧПУ.
>Говорю же, сам пытался найти причину НЕ пытаться, но вокруг одни возможности.
С твоим подходом "посоны, я спиздил кучу говна, чё теперь с этим делать???" все это бесполезно и ничего путного у тебя не получится. Сначала изучи вопрос, поэкспериментируй, пойми что тебе нужно и нужно ли вообще, а потом уже спрашивай, если нормальные вопросы будут.
Аноним 07/06/19 Птн 22:36:45 369437 128
>>369427
Есть предположение что человек подрезал всё это богатство. Залез на двач. И теперь вопросничает. Пиздец же.
Возьми блять КТ315Г и посмотри промерь что такое эмиттер-коллектор. Ку и т.п. матан. Попробуй "чувствовать" схему. А потом лезь в ТЛЗ. Мне бля 49годиков. Всю жизнь блять сидел на ТДАшках и полевиках. А тут на старости лет приболел ТЛЗ. Сначала моё внутренне как электронщика орало - "да ну нахуй". Пока не прочухал тему.
Аноним 07/06/19 Птн 23:39:38 369441 129
>>369437
тлз можно и на МП38 получить
Аноним 07/06/19 Птн 23:56:01 369445 130
>>369441
на МП38 со "звездочкой" ? Или тот что в ЮТ купил ?
Аноним 08/06/19 Суб 12:03:14 369477 131
>>369426
>6с33с
Вроде с них печка охуительная получается, не сравнимая с прочими лампами. Усилитель Торреса на них смотрел?
Аноним 17/06/19 Пнд 21:51:33 370840 132
>>369441
Разве что засунув их в стабилизатор фиксированного смещения. Но подстраивать задолбаешься, лучше уж поставить LM317. Я вот вообще сеточный стабилизатор на нувисторах собрал, работает отлично.
Аноним 17/06/19 Пнд 21:54:54 370841 133
>>369426
>6с33с
Жаровня же. Переделывал на них старенький "Прибой 50УМ-204С". По звуку - ничего особенного, зато жрёт как не в себя. Продал спустя месяц прослушивания. В схеме, кстати, не ставил ни одного конденсатора, только трансформаторная связь на входе и между каскадами.
Аноним 17/06/19 Пнд 22:00:45 370844 134
>>369371
Собирай SE на Г-807, экранные сетки подопри стабилизатором на TL431 и 6П3С. Звук офигенный, ещё захочешь. Трансформаторы мотай под свои лампы, у Шалина были годные статьи на эту тему. Да, кстати, советую не ставить межкаскадных конденсаторов, только трансформаторные связи. Покури схемотехнику Сакумы (земля пухом, хороший был старик).
Аноним 17/06/19 Пнд 22:04:20 370846 135
>>366188
Тут ничего сложного:
1) берешь сердечник и каркас от обычного ТВЗ-Ш или ТВК;
2) мотаешь внавал сразу в два провода 0,12 мм обмотки по 2500-3000 витков, концы выводишь МГТФ-ом;
3) собираешь всё это дело обратно и варишь полчасика в парафине;
4) ?????
5) PROFIT!
Аноним 17/06/19 Пнд 22:05:59 370847 136
>>359933
Схема - говно. Не каждая лампа будет нормально работать с низким анодным.
Аноним 18/06/19 Втр 18:21:13 370916 137
>>370841
Бля. Вот давно хочу опробовать трансформаторную связь межкаскадную. Но блять мотать не на чем. А готовых не купить. Во всяком случае сходу. В "золотой середине" адовый оверпрайс.
Аноним 18/06/19 Втр 18:22:09 370917 138
>>370846
О бля спасибо анон. Опробую методу.
Аноним 18/06/19 Втр 21:24:43 370933 139
>>370916
Поищи готовые савецкие согласующие трансы серии ТОТ.
Или на Алике трансы для согласования аудиосигналов типа этого
https://ru.aliexpress.com/item/33001099777.html
мимокрок
Аноним 18/06/19 Втр 22:19:17 370937 140
>>370917
Главное мотай проводом ПЭЛШО, он более устойчив к пробоям. Если хочешь использовать обычный лаковый - придётся поебаться с межслойной изоляцией. Иначе пробьёт обмотки, и транс можно будет выбрасывать.
Аноним 20/06/19 Чтв 21:52:34 371048 141
>>370937
>межкаскадный
Там напряжение невысокое. Да и с изоляцией особо ебаться не надо - слой трансформаторной полиэстеровой изоленты и все ок, у неё напряжения пробоя 5kV. Хотя и бумаги с пропиткой воском будет достаточно.
Аноним 20/06/19 Чтв 23:45:26 371056 142
>>371048
Тут как хочешь, дело твоё. Я вот для перестраховки всё ПЭЛШО мотаю, как и в старой высоковольтной технике делали. Посмотри любой промышленный звукозаписывающий аппарат высокого класса прошлых лет, там лучшие трансы намотаны проводом в шелковой оплётке.
Аноним 21/06/19 Птн 05:51:18 371061 143
>>371056
Ну не знал, что в аппаратах высшего класса трансы пэлшо мотали, там диаметр небольшой да и площадь увеличивается. Имхо современные изоляционные материалы ок, а анону лишняя головная боль с поиском и переплата. Хотя для себя не жалко.
Так-то разумней нормальные выходники намотать/купить да межкаскадные конденсаторы порядочные найти. И чойта кстати муриканские Orange Drop не прижились у нас, полиэстер/полипропилен на выбор, цельнотянутая фольга, non-idnuctive намотка, напряжения высокие держат и цена меньше чем ФТ/К72.
Аноним 21/06/19 Птн 12:39:07 371091 144
>>370933
На ТОТы пишут диапазон до 10кГц вроде. Потому и не стал смотреть на них.
Аноним 21/06/19 Птн 22:27:32 371116 145
>>371091
Есть ещё серия ТОЛ, специально заточенная под лампы. Посмотри, может найдёшь подходящие.
Аноним 23/06/19 Вск 19:33:45 371271 146
Товарищи, что думаете про следующую задумку: ламповый УНЧ с фонокорректором и темброблоком, собранный на 6С52Н-В и 6П30Б в корпусе от сетевого коммутатора? Блок питания планируется реализовать на электронном трансформаторе. Идея стоит реализации?
Аноним 24/06/19 Пнд 05:33:21 371300 147
>>371271 У тебя ведро этих ламп? Если тебе просто нужен усилитель я бы взял 1-2 ICEpower модуля с parts-express через изишип. Бп им не нужен. А дальше поставь преамп на чем душе угодно - пальчиковые лампы, нувисторы, жфеты итд.
>на электронном трансформаторе
Вот это не нужно. Я бы взял китайский флайбек и перемотал на нужное напряжение и добавил lc фильтр.
Аноним 24/06/19 Пнд 17:18:30 371354 148
>>371300
>У тебя ведро этих ламп?
Даже больше, ЯЩИК. Да и параметры у них неплохие.
>на электронном трансформаторе
>Вот это не нужно
Почему? При грамотной разводке и фильтрации всё прекрасно работает. Правда, меня несколько беспокоит тепловой режим ламп, которые будут размещены горизонтально в тонком закрытом корпусе... Но этой проблемой займусь потом.
Аноним 26/06/19 Срд 13:18:02 371495 149
>>371271
Желаю удачи, анон. Только корпус облагородить не забудь, и схемку покажи.
Аноним 27/06/19 Чтв 03:49:58 371543 150
>>371495
Да схема обычная, только выход каскодный. Хочу использовать трансформатор без зазора. Корпус пока что показывать нет смысла, сейчас это обычный выпотрошенный стоечный свитч.
Аноним 27/06/19 Чтв 09:07:32 371547 151
>>371271
А разве бывают повышающие электронные трансформаторы?
Аноним 27/06/19 Чтв 11:20:06 371560 152
>>371354
>Почему? При грамотной разводке и фильтрации всё прекрасно работает.
Зачем связываться с этим устаревшим говном с автогенератором и без фильтрации 50гц, когда есть нормальные флайбеки вроде тех стоваттных 24в плат с али? И перематывать флайбек проще полумоста.
>>371543
Как кстати ты выходной трансформатор впихнешь в 1u?
OTL не рассматриваешь? 24 6П30Б на канал дадут 50вт на 32ома. Ну и где-то 150вт тепла.
>>371547 Балласт для дешманских лдс тот же электронный трансформатор.
Аноним 27/06/19 Чтв 18:20:32 371576 153
8b1d5a14777b326[...].jpg 170Кб, 700x574
700x574
>>371560
>Зачем связываться с этим устаревшим говном с автогенератором и без фильтрации 50гц, когда есть нормальные флайбеки вроде тех стоваттных 24в плат с али?
Просто буду использовать то, что имею в наличии. Нафига заказывать флайбэк, если в углу мастерской лежит ящик с электронными трансформаторами?
>Как кстати ты выходной трансформатор впихнешь в 1u?
Прикручу к крышке, затем накрою кожухом.
>OTL не рассматриваешь? 24 6П30Б на канал дадут 50вт на 32ома. Ну и где-то 150вт тепла.
И зачем мне такая бандура ради двух каналов по 4,5 ватта? Тем паче, что электронные трансформаторы у меня максимум на 105 ватт. Да и проблем с охлаждением не хочется.
Аноним 27/06/19 Чтв 19:37:51 371581 154
>>371547
Нет, все на 12 вольт. Но можно намотать анодную обмотку, а накалы включить последовательно. Работает не хуже, чем с железным трансформатором.
Аноним 27/06/19 Чтв 21:46:45 371586 155
>>371560
>Зачем связываться с этим устаревшим говном с автогенератором и без фильтрации 50гц
Словно что-то плохое. Всё исправляется за пять минут при помощи паяльника и горстки радиодеталей. Да и по цене просто копейки, либо вообще даром. Нельзя упускать такую возможность для творчества.
Аноним 02/07/19 Втр 21:19:27 371864 156
Анончики выручайте, хочу понемногу вкатиться в лампы, можно как-то просто прогревать и гармонизировать уже усиленный с транзисторного усилка звук гитары?
Ну или реквест простых и дешманских схем ламповых усилков.
Спасибо заранее.
Аноним 02/07/19 Втр 22:25:56 371871 157
>>371864
нихуя не можно, это просто фетиш. Просто поставь в цепь провода к динамикам лампу накаливания, как делают все солидные фирмы. Действует как лимитер, смягчитель, гармонизирует и защищает.
Аноним 03/07/19 Срд 08:40:23 371884 158
Champ.gif 98Кб, 2406x1550
2406x1550
Voltages.jpg 203Кб, 1500x1160
1500x1160
>>371864
Сhamp - твой выбор. Пилиться из говна и палок, собрать можно из сэкономленных завтраков/попоек. Куришь форумы, попутно собираешь понемногу комплектующие. Гайд здесь >>356455
Можно конечно ламповую грелку к твоему комбегу запилить, но всё одно звук не торт.
Аноним 03/07/19 Срд 12:03:33 371897 159
Аноним 03/07/19 Срд 13:32:50 371899 160
>>371897
Обращайся, по чампу поясню если чё. Делой без задней мысли, эта йоба у всех получалась в конце-концов.
Аноним 04/07/19 Чтв 16:24:29 371962 161
>>371899
>эта йоба у всех получалась в конце-концов
Потому что схема - полное фуфло. Нормально звучать может только аппарат с двухтактным выходом.
Аноним 04/07/19 Чтв 20:07:14 371991 162
>>371962
Ой, ну плес. Чампы по-своему хороши, и звук чистый у них ок. Двутакты ясное дело динамичней и сочнее, но хейтить класеку не стоит, лучше подскажи анону что полезное.
Аноним 04/07/19 Чтв 23:39:18 372001 163
>>371962
ну хуй знает. Есть пара усей однотактов...правда по схеме лофтин-вайт (один ЕЛ34 другой 6с4с манаковский). Очень заебок звучит. Прямо таки божественно.
Аноним 05/07/19 Птн 01:03:06 372003 164
fenrir.jpg 304Кб, 964x1364
964x1364
>>371991
>лучше подскажи анону что полезное
Могу порекомендовать схемы Креймера с эмиттерным повторителем, но с одной оговоркой: лампы стоит использовать субминиатюрные низковольтные, что уменьшит разброс характеристик между экземплярами и обеспечит меньший уровень искажений. Резисторы нагрузки также желательно заменить на дроссели, с ними звук субъективно получше. Схема простая, соберёт даже новичок, только про охлаждение транзисторов забывать не стоит. Лично мне хорошо зашли игольчатые радиаторы от П210, при использовании малогабаритной системы охлаждения нужно ставить кулеры.
Аноним 05/07/19 Птн 01:05:55 372004 165
>>372001
>лофтин-вайт
Так бы и сказал, что камин слушаешь. Собирал, намучался... Сам пользуюсь ламповым пуш-пуллом на KT88 в зале, и гибридом на 6Н28Б-В+КТ825 за компьютером. Оба гоняю через ЦАП на PCM63. Звук радует неимоверно.
Аноним 05/07/19 Птн 14:12:03 372038 166
>>372003
Для гитарного усилителя в этом пердолинге нет совершенно никакой необходимости, схема чампа уже опробована и одобрена поколениями игрунов и всё еще актуальна.
Аноним 05/07/19 Птн 18:45:39 372057 167
>>372038
Чамп только для гитарастов и пригоден, качественную музыку на нём не послушаешь. Это далеко не Hi-Fi.
Аноним 05/07/19 Птн 18:58:19 372058 168
>>372004
А мне что то гибрид не "зашел". У меня уши не "золотые" правда. Но как то не то ((
Но да..пока Лофтин отстроишь...20 раз пожалеешь )).
И потом заебывает режимы отслеживать...эмиссия и все такое ведь.
Но всякая хуйня с межкаскадными кондерами уходит в хуй...кто то мундорфы и блэкГейты ставит,кто то старое совковое и обмажут соплями девственниц. И главное "СЛЫШАТ" разницу блять )).
Аноним 05/07/19 Птн 19:22:41 372059 169
>>372004
И да...ЦАПы сам тоже собираю. На РСМе конечно. Понравился на выходе кондер "неполярный" на 100мкфх16в ELNA
Аноним 05/07/19 Птн 21:56:50 372066 170
>>372058
Удваиваю, "златоухих" расплодилось многовато. Но я, как истинный радиолюбитель свои поделки тщательно отстраиваю, а уже потом слушаю. По поводу конденсаторов не парюсь, у меня целый ящик непаяных ССГ и СГМ (слюдосеребряные), работают неплохо и параметры не плывут при смене температурного режима. Кстати, у моего ЦАП-а выход бесконденсаторный, всё на трансформаторах из пермаллоя (старые трансляционные Tesla перематывал, затем пропитка лаком в вакуумной камере). Клок собран на EF86.
Аноним 06/07/19 Суб 00:04:19 372075 171
>>372057
О Hi-Fi речь вообще не шла, да и кто через гитарный усилитель будет слушать музыку. Анон хотел прогреть и гармонизировать™ звук гитары, правда не указал играет он сам или воспроизводит уже готовую запись. Я предположил, что он гитарист, соответственно и схему подходящую предложил, пускай и самую простую.
Если для прослушивания, то совершенно иной подход, да и бюджет соответствующий.
Аноним 06/07/19 Суб 00:22:18 372076 172
>>372075
Гитарасту сойдёт любой комбик на двух-трёх пентодах. Сильно заморачиваться имеет смысл только ради получения высокого результата.
Аноним 07/07/19 Вск 23:26:09 372232 173
>>372076
>Сильно заморачиваться имеет смысл только ради получения высокого результата
>высокого результата
>Креймер
/0
Аноним 08/07/19 Пнд 00:40:56 372240 174
>>372232
И почему же? 6Н23П способна нормально работать и при низком анодном, нужно только подобрать экземпляр с низким внутренним сопротивлением.
Аноним 10/07/19 Срд 00:32:27 372464 175
>>372076
>любой
Не.
Пентодный саунд слишком на любителя, хотя и такие есть. Первый чамп был на 6sj7 кстати. Классика на 2-3х триодах 12ax7 и 6v6/EL84 на выход.
Аноним 11/07/19 Чтв 03:32:13 372526 176
>>372464
>Пентодный саунд слишком на любителя
Самый лучший же. Энергичный и чистый. После пентодного гибрида триодная вялость просто раздражает. Слушать невозможно.
Аноним 12/07/19 Птн 13:58:23 372557 177
>>372526
Схемой такого гибрида не поделишься ?
Аноним 12/07/19 Птн 20:27:43 372593 178
>>372557
Конкретной схемы нет. Я просто собирал оконечник на LM1876 по даташиту, а уже потом добавил пентодный каскад в классическом включении на 6Ж43П-Е. Звук отличный, вот только новую плату сделать всё руки не доходят...
Аноним 15/07/19 Пнд 00:19:08 372739 179
>>372593
Когда закончишь, скинешь печатку?
Аноним 16/07/19 Втр 09:17:07 372809 180
>>372739
Сам нарисуешь. Там всё по даташиту, никакой отсебятины.
Аноним 21/08/19 Срд 21:20:48 375937 181
>>339586
Знакомая фамилия. Заведующий кафедрой в Политехе Питерском, если еще жив.
Аноним 17/09/19 Втр 16:04:44 378245 182
Нашёл в гараже у деда, бывшего киповца, 2 трансформтора 5Ю4.700.001. Анодно-накальные, пишут что от усилителя самописца. Можно ли эту йобу пристроить? На авито продать?
Аноним 17/09/19 Втр 17:35:01 378265 183
>>378245
дык померяй же...накал 6.3 вольта. Анодное если дает на выходе 230-300 вольт. То годно. С током только не понятно. Если по 60ма анодного дает, то по трансу на канал.
Аноним 23/10/19 Срд 03:32:59 386928 184
Так бля инженеры. Есть 50к. Кто мне ламповую бошку соберёт, Ммм?
Аноним 23/10/19 Срд 10:25:45 386952 185
Аноним 23/10/19 Срд 14:59:50 386983 186
>>386952
Уйди Семён. Я тут серьёзно
Аноним 24/10/19 Чтв 02:11:06 387075 187
>>386983
Сам возьми да собери, а мы подскажем если что. Тебе чамп или убермаршол надо?
Аноним 24/10/19 Чтв 02:32:36 387077 188
>>387075
Фендер, братишка. Сам я не смогу..рукожоп. Да и паяльник не паял ни разу
Аноним 24/10/19 Чтв 02:37:03 387078 189
>>387077
Фендер разни, есть простой чамп, а есть делакс реверб с кучей плюшек. Энивей на томане есть blues junior за $700, как раз тебе готовый по карману. Если хочеш handwired йобу, готовь $1000+ и то в проверенные руки.
Аноним 24/10/19 Чтв 04:01:28 387086 190
Аноним 26/10/19 Суб 11:48:27 387314 191
>>387301
2019 ложка для супа
Аноним 09/11/19 Суб 23:16:32 389450 192
>>372557
Попробуй ECC88+LT1210. Тебе понравится.
Аноним 10/11/19 Вск 11:27:57 389510 193
>>372526
>>Пентодный саунд
>Энергичный и чистый
>триодная вялость

Аудиофил в треде, все в кусты
Аноним 26/11/19 Втр 21:30:47 391791 194
1574793020590.png 535Кб, 500x796
500x796
>>389510
Есть способ проще.
Аноним 27/11/19 Срд 12:23:55 391843 195
>>391791
Кинескопы-то за что?
Мимо из "Советских телевизоров" треда
Аноним 27/11/19 Срд 12:27:15 391844 196
>>391843
Кинескоп - тоже лампа
мимо олдфаг
Аноним 27/11/19 Срд 19:33:34 391973 197
>>391844
Значит ли это, что любое устройство с кинескопом - ЛАМПОВОЕ, например, ЭЛТ-монитор?
Аноним 27/11/19 Срд 22:21:32 392010 198
15728853895440.png 34Кб, 200x198
200x198
Аноним 09/12/19 Пнд 23:41:32 394388 199
>>391973
А то. И СВЧ печь тоже ламповая, и ЖК телевизор с газоразрядной подсветкой тоже ламповый. Только какая хуй разница как что называть.
Аноним 11/12/19 Срд 23:56:27 394797 200
1576097755992.gif 9732Кб, 352x640
352x640
Аноним 12/12/19 Чтв 17:01:40 394986 201
>>394797
Микроскоп хуле не чистишь?
Аноним 15/12/19 Вск 16:44:08 395446 202
Photo-0102.jpg 691Кб, 1152x864
1152x864
>>339432 (OP)
Анончик, может кто-нибуд знает, подскажите пожалуйста, что за аппарат был?
Аноним 15/12/19 Вск 17:43:46 395451 203
Аноним 15/12/19 Вск 17:50:53 395452 204
>>395446
Я такую Ригонда видел на металлоприёмке. По крайней мере, она стояла на ножках и облицовка не тронутая.
Аноним 15/12/19 Вск 22:04:53 395482 205
>>395451
Спасибо, Кэп!
>>395452
Какая модель? Это не "Ригонда моно"
Аноним 20/12/19 Птн 19:56:56 395994 206
>>394986
Работает - не трогай.
Преамп амт Аноним 23/12/19 Пнд 21:08:14 396399 207
4186A92F-9CF9-4[...].gif 47Кб, 794x477
794x477
CD0CBB93-DC1A-4[...].jpeg 1090Кб, 2000x2000
2000x2000
Сап , аноны.
Запрашиваю помощь, а именно:
Есть у кого иная схемка преампа amt ss 20
Пик рил сам преамп и единственная схема которую нашёл.
Аноним 26/12/19 Чтв 01:07:06 396536 208
>>396399
А спаять макет Soldano уже религия не велит?
Да, там схемотехника посложнее, но звук там не как у майского жука, жужжащего в бочке из-под мазута.
Аноним 27/12/19 Птн 06:48:24 396631 209
Приветствую лампоёбство. У меня вот что: ресивер Пионер йобу словил, в меню теперь не войти в настройки эквалайзера, а середина лупит по ушам неприятно, хотелось бы подрегулировать звук, но не чем. Существуют ли предусилитель на лампах, чтобы ещё и с темброблоком был, покрутить низы и вч?
Аноним 28/12/19 Суб 01:55:00 396691 210
>>396631
В тру усях эквалайзера нет. У меня уже с десяток усей. И никогда не хотелось "подкручивать". Это тебе схему от гитарастов нужно.
Аноним 28/12/19 Суб 19:36:27 396760 211
>>396631
На какой-то сектантской помойке вроде датагора был ламповый эквалайзер. Тупо усилитель и фильтры, как на оу, только на лампах.
Схемы от гитарастов дадут странную эквализацию при ручках "в ноль", потребуется пердолинг.
Аноним 01/01/20 Срд 11:55:46 397072 212
>>396760
Анон, не хватает мне 25мвольт планшета или сколько там. Звук помойка. С компа хоть нагрузить вход можно. Хочу вот преамп прикупить.
Аноним 02/01/20 Чтв 09:19:18 397115 213
Помогите найти тред для аудиофилов и Hi-Fi, если такой вообще есть
Аноним 02/01/20 Чтв 12:48:53 397125 214
Аноним 02/01/20 Чтв 16:12:09 397134 215
>>397115
На ютубе есть сталкер, крутой ушлёпок. Весь хи-фи хлам перетестил
Аноним 04/01/20 Суб 17:32:53 397411 216
>>397347
Учитывая что они копировали наши лампы, то это 6К4

>In fact it appears from the datasheet of Shuguang 6K4 (in Chinese) as for the similar Russian 6K4P and 6K4P-EV tubes that both pins 2 and 7 are both already connected to cathode, grid (3) and screen, just like for the 6j1 ( 6j1p-EV etc).

Вот тебе инфа, читай и сравнивай:
http://www.etd.su/pdf/095/6/6K4.pdf
Faster585 05/01/20 Вск 04:50:15 397482 217
Помогите пж. Faster585 20/01/20 Пнд 09:07:32 399538 218
Screenshot20200[...].jpg 1259Кб, 1440x2560
1440x2560
Помогите пожалуйста, заказал у китайцев 8 штук 6К4, а пришли 4штуки 6J5, 2штуки 6J5J, и 2 штуки без всякой маркировки. Можете дать даташит на китайские 6J5 (я просто не смог понять, в интернете на них все даташиты разные, а мне надо именно на китайские)

На фото показана 6J5 которая "с другого завода" на других трёх 6J5 маркировка стёртая и походу они все б.у.-шные
Аноним 20/01/20 Пнд 09:49:44 399542 219
>>399538
> заказал у китайцев 8 штук 6К4, а пришли 4штуки 6J5, 2штуки 6J5J, и 2 штуки без всякой маркировки.

Поздравляю шарик - ты балбес. Тебе прислали непонятный хлам.
Аноним 20/01/20 Пнд 10:22:27 399552 220
>>399542
Да тут бл*, не шарик а квадрат
Faster585 20/01/20 Пнд 14:42:49 399604 221
Короче, уже не надо даташит,судя по распиновке это 6К4 только с надписью 6J5 (я посмотрел даташит на 6J5 и это не они, хотя маркировка 6J5)
Аноним 20/01/20 Пнд 19:16:01 399654 222
>>399604
Тебе прислали китайские 6Ж5П?
Аноним 20/01/20 Пнд 19:18:04 399655 223
image.png 238Кб, 640x640
640x640
image.png 431Кб, 372x700
372x700
>>399604
> это 6К4
У тебя что?
Faster585 21/01/20 Втр 02:36:07 399684 224
>>399655
Да, только написано на них 6J5
Faster585 21/01/20 Втр 02:37:40 399686 225
>>399654
6Ж5П другая распиновка
Аноним 21/01/20 Втр 03:12:56 399689 226
image.png 1906Кб, 1269x1280
1269x1280
image.png 23Кб, 748x709
748x709
>>399604
>это 6К4 только с надписью 6J5
>>399686
>6Ж5П другая распиновка
really?
Аноним 22/01/20 Срд 03:42:43 399862 227
>>399538
Тебе прислали усосанные аналоги 6Ж5П. Им прямая дорога в мусорный бак.
Faster585 23/01/20 Чтв 05:43:37 400032 228
>>399862
Ты еблан блять, я написал что там другая распиновка, чмолохгитлер.
Аноним 23/01/20 Чтв 06:13:09 400038 229
image.png 58Кб, 240x240
240x240
>>400032
Китайская 6j1 = 6ж1п, 6p14 = 6п14п.

https://china-hifi-audio.ru/shop/134/desc/ehlektronnaja-lampa-6p14
https://china-hifi-audio.ru/shop/70/desc/ehlektronnaja-lampa-6j1

Дальше продолжать?

6j5 идут с октальным цоколем:

http://vinylsavor.blogspot.com/2013/03/tube-of-month-6j5.html

Аналог октальной 6j5 = 6с2с (внезапно октальный).

Китайские клоны 6ж5п = 6j5

У них такая же внутрянка. На новых лампах зеркального налёта напротив катода сбоку на стекле нет. Тебе прислали утиль
Аноним 23/01/20 Чтв 08:25:21 400048 230
>>399604
> это 6К4 только с надписью 6J5
Похоже на бред сивой кобылы. У тебя триоды или пентоды?
Faster585 23/01/20 Чтв 11:34:53 400066 231
Faster585 23/01/20 Чтв 11:40:13 400068 232
>>400038
У 6Ж5 ДРУГАЯ РАСПИНОВКА СОВЕРШЕННО, КОТОРЫЕ У МЕНЯ ЭТО ТРИОД. ПРИ ЧЁМ ТУТ БЛЯТЬ ТО ЧТО ТЫ НАПИСАЛ? Я НЕ ПОНИМАЮ
Аноним 23/01/20 Чтв 11:41:56 400070 233
>>400066
Тебе прислали триоды с маркировкой 6j5 и анодной системой, как у 6ж5п? Сделай нормальное фото своих ламп. Сдаётся мне, что ты пиздишь.
Faster585 23/01/20 Чтв 11:44:36 400071 234
>>400038
Допустим у кого-то BMW, но "никто не ожидал" у BMW есть колёса, и у жигуля твоего бати тоже есть колёса.
Это значит что ржавый батин жигуль это BMW (и похуй что у него даже колёса другие)
Faster585 23/01/20 Чтв 11:45:25 400072 235
>>400070
Я блять про 6ж5п ни слова не сказал
Аноним 23/01/20 Чтв 11:47:06 400073 236
>>400068
>У 6Ж5 ДРУГАЯ
6Ж5 - октальная, 8 ножек. 6ж5п - 7 ножек.

Ты показал фото ламп, которые

- выглядят как 6ж5п (система электродов)
- которые имеют эту же маркировку
- у которых такой же анод

Сейчас ты утверждаешь, что тебе прислали триоды с маркировкой и кишками, как у триодов. Хотя в интернете люди заменяют китайские 6j1 на 6j5 (это 6ж1п и 6ж5п), у них это пентоды. А у тебя - нет. %)

Пока похоже, что ты идиот.
Аноним 23/01/20 Чтв 11:48:11 400074 237
>>400073
>Сейчас ты утверждаешь, что тебе прислали триоды с маркировкой пентодов и кишками триодов. Хотя в интернете люди заменяют китайские 6j1 на 6j5 (это 6ж1п и 6ж5п), у них это пентоды. А у тебя - нет. %)
Аноним 23/01/20 Чтв 11:56:41 400076 238
9xdthzi7xh731.jpg 63Кб, 732x494
732x494
>>400071
Ты наркоман? Иди на свой ебучий али, пиши туда 6j5 tube, открывай листинг - например этот https://www.aliexpress.com/item/32798292292.html

Дальше смотри фото ламп и аналоги. Это пентод. Фото - такое же, как у тебя. Но ты утверждаешь, что тебе прислали триоды.

По-моему ты просто сказочный долбоёб, который нихуя не знает и не способен понять разницу между 6ж5 и 6ж5п.
Аноним 23/01/20 Чтв 11:57:51 400077 239
>>400072
У тебя маркировка 6j5
Это 6ж5п, только из китая, лел.
Аноним 23/01/20 Чтв 12:01:19 400078 240
image.png 118Кб, 300x168
300x168
Аноним 23/01/20 Чтв 15:14:15 400103 241
Я нахой вообще не понимаю. Нахуя ? Вот блять НАХУЯ заказывать такую "шелуху" в китае ? В Роисси они блять кончились уже что ли ? Всю эту хуюню можно и тут купить. Ну можно попробовать рискнуть еще ЕЛ34,2А3 всякие у китайцев попробовать. А эту то хуйню (как и 6н23п всякие) у них брать ? То еще "спортлото" получается.
Аноним 23/01/20 Чтв 16:10:57 400110 242
image.png 3506Кб, 2000x2020
2000x2020
>>400103
Я аналогично не понял. Мне кажется, что это просто кретин, который не понимает разницу между октальными лампами и пальчиковыми и не может отличить триод от лучего тетрода или пентода. Хотя вроде понятно же, число штырьков не совпадает и сеток больше. Ну и да и хуй с этим долбоёбом. Если он верит, что ему прислали перемаркированные 6k4 с маркировкой 6j5 и не видит разницы межу фото - пиздец клиника.
Faster585 24/01/20 Птн 00:50:18 400189 243
Faster585 24/01/20 Птн 01:33:38 400194 244
9ObHiK-lJng.jpg 84Кб, 1080x677
1080x677
Аноним 24/01/20 Птн 03:53:42 400205 245
>>400194
Ты зачем купил китайские лампы?
Аноним 24/01/20 Птн 04:06:55 400206 246
>>400068
>У 6Ж5 ДРУГАЯ РАСПИНОВКА СОВЕРШЕННО, КОТОРЫЕ У МЕНЯ ЭТО ТРИОД. ПРИ ЧЁМ ТУТ БЛЯТЬ ТО ЧТО ТЫ НАПИСАЛ? Я НЕ ПОНИМАЮ
6ж5 - октальная лампа, 8 штырьков.
6j5 - китайская копия 6ж5п, 7 штырьков (это то, что на твоём фото).
6ж5п - лучевой тетрод (почти пентод) в пальчиковом исполнении.

>>399604
>Короче, уже не надо даташит,судя по распиновке это 6К4 только с надписью 6J5 (я посмотрел даташит на 6J5 и это не они, хотя маркировка 6J5)

6К4 - октальная лампа, 8 штырьков
китайская 6j5 - пальчиковая, 7 штырьков
Аноним 25/01/20 Суб 11:02:19 400349 247
5LxNTgo54kI.jpg 245Кб, 810x1080
810x1080
>>400194
Димасик, ты куда пропал?
Аноним 25/01/20 Суб 12:17:46 400360 248
2.jpg 174Кб, 590x720
590x720
Кр4, вопрос такой: в схеме активного антирадара не всегда детектируется сигнал, че делать?
Faster585 26/01/20 Вск 09:53:35 400465 249
>>400349
Да я и не пропадал
Faster585 26/01/20 Вск 09:59:57 400466 250
>>400349
Я нэпонял в этом скриншоте были метаданные?
Аноним 26/01/20 Вск 11:09:44 400475 251
>>400466
Я тебя по почерку узнал
Аноним 26/01/20 Вск 22:02:47 400581 252
>>400360
Добавь антенный усилитель на парочке полевых транзисторов.
Аноним 07/02/20 Птн 18:14:20 401716 253
>>396536
>Да, там схемотехника посложнее, но звук там не как у майского жука, жужжащего в бочке из-под мазута.
Проиграл с этого аудиофила.
Аноним 19/02/20 Срд 16:50:44 403206 254
Хочу купить ГУ35Б и заебнить усилок. Ну или ГУ47Б. Идея норм?
Аноним 20/02/20 Чтв 10:57:49 403290 255
ламповый-усилит[...].jpg 60Кб, 1021x801
1021x801
Без названия.jpeg 84Кб, 500x374
500x374
>>403206
Для начала собери на 6Н14П попроще чего нибудь. Прокачай скилл. А потом уже на эти ЙОБы замахивайся. Я уже лет 5 собираю. С десяток разных по разным схемам. Но до сих пор не отважился на 6С33С (рогатые бестии).
Аноним 20/02/20 Чтв 10:58:46 403291 256
Аноним 20/02/20 Чтв 14:11:04 403302 257
>>403290
>Но до сих пор не отважился на 6С33С (рогатые бестии).
Собирал на них однотакт в корпусе от "Прибоя". Лампы как лампы, только по накалу много жрут. Смещение автоматическое, с фиксированным лампа работает нестабильно. Что по звучанию - мощное, приятное, но ничего выдающегося. На 6Ж43П-Е получал результат и получше.
Аноним 20/02/20 Чтв 14:22:00 403303 258
>>403302
А сколько анодного давал на них ? И какой ток ? А то у меня есть ТА-245 анодник. Там ни то ни сё. Вроде как два по 250вольт при почти 200мА. И выходные какие были ? А то вроде как там 1.8к нужны. А их не так уж и дохуя в продаже. А самому мотать тот еще скилл нужен.
Аноним 20/02/20 Чтв 14:23:10 403304 259
>>403302
И чем "раскачивал" их ? (в драйвере что ставил?).
Аноним 20/02/20 Чтв 15:38:17 403307 260
>>403302
>Лампы как лампы, только по накалу много жрут.

Много - это сколько? Вот для меня много - это болшьше 50 А, а больше 100А - это очень много.

>>403290
>. Прокачай скилл
У меня со скиллами и с базой норм. Вот идей бредовых не хватает.

>>403290
>Но до сих пор не отважился на 6С33С (рогатые бестии).
А что с ними не так?
Аноним 20/02/20 Чтв 15:40:03 403308 261
>>403302
>На 6Ж43П-Е получал результат и получше.

6 ватт на анодах - это курам на смех. Может 6П43П? И то, их баянить нужно.
Аноним 21/02/20 Птн 14:42:32 403426 262
1363506761592.gif 2951Кб, 240x180
240x180
Кто-нибудь сможет не выёбываясь пояснить, как работает безтрансформаторный выход? Я правильно понимаю, что на максимальной амплитуде на выходе появляется анодное напряжение, которое отправляется на низкоомный вход аккустики, а ток ограничивается внутренним сопротивлением обмоток трансформатора?
Алсо, может ли безтрансформаторный выход выдавать "правдивую" входную картину? Мне представляется, что чем ниже частота, тем меньшая амплитуда получается на выходе при использовании трансформатора. Это так?
Пардон за сумбурность. Если бы я умел правильно формулировать вопросы, ответы бы находились сами собой.
Аноним 23/02/20 Вск 04:52:03 403682 263
>>403303
На аноды давал 300 вольт через стабилизатор на полевиках. Трансы - штатные выходники "Прибоя", только зазор добавлен.
Аноним 23/02/20 Вск 04:52:51 403683 264
Аноним 23/02/20 Вск 04:54:52 403684 265
>>403307
Жрут около 3,5 ампер на лампу при последовательном соединении нитей накала. При параллельном - чуть больше шести ампер.
Аноним 23/02/20 Вск 04:55:58 403685 266
>>403308
А мне и не для сельской дискотеки. Для озвучивания моей скромной комнаты в загородном доме этого более чем достаточно.
Аноним 23/02/20 Вск 04:59:01 403686 267
>>403426
Просто используй ту схему, которая обеспечит наилучшее согласование выходного каскада с акустикой. Нет смысла подключать бестрансформаторный выход с сопротивлением несколько килоом к акустике с импедансом чуть более 6-8 Ом. Бестрансформаторный каскад хорош для наушников либо для специальных высокоомных головок, с массовой акустикой здесь делать нечего. Используй трансформатор и не парься.
Аноним 23/02/20 Вск 07:07:04 403691 268
image.png 124Кб, 279x181
279x181
>>403685
Ты в кладовке живёшь или в большой коробке от холодильника?
Аноним 23/02/20 Вск 07:08:46 403692 269
>>403302
>Что по звучанию - мощное, приятное, но ничего выдающегося. На 6Ж43П-Е получал результат и получше.

Лучшесть - это больше ламповости в звуке? Пардон, я плохо ориентирусь в аудиофильких вещах.
Аноним 23/02/20 Вск 18:17:19 403789 270
.png 105Кб, 506x900
506x900
>>403686
А что насчёт низких частот на трансформаторном выходе? У меня вот есть БРИГ 001, так он хоть инфразвук умеет отправлять на выход. Я подключал телефон, подавал 1 Гц, и динамик действительно качался с такой частотой. Через транс такая частота не пройдёт, так ведь?
Аноним 23/02/20 Вск 18:42:57 403791 271
>>403789
Тебе сейчас начнут заливать что человеческое ухо частоты ниже 20 гц не слышит, да и вообще частот ниже 50-60 гц в 99.9% музыки нет, а еще трансформатор точней, надежней, благородней... Ну ты понял.
Аноним 23/02/20 Вск 18:47:34 403792 272
.PNG 10Кб, 916x650
916x650
>>403791
Да я даже не про это. А про то, что чем ниже частота, тем хуже она проходит через трансформатор. То есть если на вход подать 20 Гц и 20кГц с одинаковой амплитудой, то на выходе амплитуды будут уже разные.
Аноним 23/02/20 Вск 20:48:16 403811 273
>>403789


Махонькие разделительные трансформаторы для изоляции земли (размер как межкаскадник в транзисторном радио) вполне пропускают герц 10, хоть и с завалом, но не таким чтоб совсем пизда.
Аноним 23/02/20 Вск 21:06:57 403815 274
>>403692
Просто звучание по ощущениям более чистое и естественное, словно затычки из ущей вытащили.
Аноним 23/02/20 Вск 21:07:52 403816 275
>>403789
Всё зависит от характеристик трансформатора.
Аноним 24/02/20 Пнд 10:06:18 403849 276
>>403789
>А что насчёт низких частот на трансформаторном выходе?
>>403789
>Я подключал телефон, подавал 1 Гц, и динамик действительно качался с такой частотой. Через транс такая частота не пройдёт, так ведь?

Это инфразвук, https://ru.wikipedia.org/wiki/%D0%98%D0%BD%D1%84%D1%80%D0%B0%D0%B7%D0%B2%D1%83%D0%BA такие частоты нахуй не нужны. Нет, сделать транс на такие частоты можно, вот только нахуй не нужно.
В акустике, например, для ФИ и подобных оформлений обычно специально пропускают звук через ФВЧ, чтоб обрезать всё, что акустика не отыргает (потому что ниже этих частот диффузор у НЧ болтается, как говно в проруби, и может ебашить катушкой об керн - гугли превышение хода динамика). Для пары ватт это похуй, для мощных АС уже нет.
Аноним 24/02/20 Пнд 15:28:14 403892 277
>>403811
>>403816
>>403849
Штош, спасибо за полезную информацию и адекватный ответ.
С разделительными конденсаторами на выходе похожая история же?
Аноним 29/02/20 Суб 03:24:53 404357 278
>>403892
Формулы для расчётов другие будут.
Аноним 04/03/20 Срд 21:32:02 404924 279
>>404787
Нормально. Но я бы взял 6Ж32П+6Ж43П-Е, там и звук и усиление в разы лучше.
Аноним 04/03/20 Срд 23:34:22 404940 280
>>404924
>6Ж32П+6Ж43П-Е
У меня от таких названий САМОСБОР
мимо
Аноним 07/03/20 Суб 00:24:35 405249 281
>>404940
Что здесь забыл ребёнок?
Аноним 08/03/20 Вск 16:57:02 405441 282
>>404940
>У меня от таких названий САМОСБОР
В тред с соковыми телеками сходи, вообще обсамосборишься.
Аноним 08/03/20 Вск 16:57:19 405442 283
>>405441
>соковыми
совковыми
быстрофикс
Аноним 24/03/20 Втр 11:11:41 407406 284
Аноним 26/03/20 Чтв 23:50:52 407799 285
Котики, помогите, пожалуйста. Смотрю в эти ваши лампы - ничего не понимаю.
Есть виниловый проигрыватель Радиотехника 301М-Стерео.
Есть 3 колоночки и желание сделать 3.0.
По 2м из них - 4 Ома, ~35 Вт макс, 10 Вт номинал.
Одна - S90F 8 Ом, 90 Вт макс, 35 Вт номинал.

Если собирать на модных транзисторах - брал бы их номинальную мощность усилителя близкой к максимальной мощности колонки. Вопрос - как выбрать мощность на лампах?

И ткните носом в самую простую ламповую схему, с которой можно хоть прикинуть по деньгам.
Еще благодаря разрозненым знаниям, полученным из всемирной сети - нужен предусилитель с фонкорректором. так ли это
Аноним 27/03/20 Птн 10:59:08 407824 286
>>407812
>Радиотехника 301М-Стерео
совковый 3 класс...что ты там услышать захотел ?))
Аноним 27/03/20 Птн 11:52:32 407833 287
>>407824
Вполне слышится, плюс воткнуться в линейный выход.
Аноним 27/03/20 Птн 22:05:06 407917 288
Привет,ананасы
Пытался собрать https://guitar-gear.ru/2016/gto_supercharger/ ,всю жопу уже высрал,не работает.Автор не показал куда паять питание+вынес часть схемы на бп,а я не очень умный.Короче,не работает-хуй с ней,хоть и угробил на это кучу времени и,что куда более важно, лист коллекционного гетинакса с Киевского Радиозавода,ныне покойного
Мне вот что интересно: есть ли у местных обитателей схемы дисторшна на сверхминиатюрных лампах?В наличии 2 триода, вроде 6с3б и 2 пентода,но докупить не проблема
Помимо них,из +- миниатюрных,ещё 6ж1,2,32,54 п, 6н1,2,3п
Интересуют следующие параметры:шоб жрал не очень уж много,чтобы можно было запитать от "перевёртыша", отсутствие выходного трансформатора, максимально возможная миниатюрность
Как-то так.Весь интернет по этому поводу уже перерыл,был даже на 8 странице Гугла,хоть хуем пёрни-нихуя
а,ну и наличие уже разведённой печатки было бы очень кстати,ибо самому её развести для меня сродни магиисложно,короче
Аноним 27/03/20 Птн 22:06:21 407919 289
>>407824
Будешь смеяться,но весьма неплохая вертушка.А антискейтинг работает в разы лучше AT LP-120
Аноним 01/04/20 Срд 07:30:52 408313 290
>>407917
>печатка
>лампы
Ты серьёзно? Перегрев текстолита и низкая надёжность - твои лучшие друзья?
Аноним 01/04/20 Срд 07:31:34 408314 291
>>407917
Паяй детали прямо к выводам панелек, схема всё равно примитивная.
Аноним 29/04/20 Срд 20:29:12 413948 292
15795678535280.png 1020Кб, 741x660
741x660
Ребят, объясните тупому, как найти линейный режим работы лампы по вольт-амперной характеристике? Сколько статей на эту тему ни читал, так и не смог понять. Такое ощущение, что пишут, чтобы было понятно только автору.
Аноним 30/04/20 Чтв 08:10:01 413993 293
image.png 462Кб, 590x350
590x350
>>413948
>линейный режим работы лампы
Киса, он находится на линейном участке характеристики.
Аноним 30/04/20 Чтв 11:30:45 414010 294
>>413993
Я про это и спрашиваю. Покажите, как выглядит этот линейный участок на графике? Для меня там только кривульки.
Аноним 30/04/20 Чтв 16:02:38 414044 295
вах.JPG 59Кб, 423x637
423x637
>>414010
>как выглядит этот линейный участок на графике?
Аноним 30/04/20 Чтв 16:05:41 414045 296
>>414044
Да, при однотактном включении желательно, чтоб лампа не попадала в зону, где начинается изгиб.
Аноним 30/04/20 Чтв 16:21:06 414047 297
image.png 197Кб, 1337x801
1337x801
>>414045
>>414010
Книжка "хрестоматия радиолюбителя", есть на ген.либ.рус.ец
Аноним 30/04/20 Чтв 20:26:31 414085 298
Аноним 30/04/20 Чтв 20:37:23 414087 299
Подскажите, есть какие-либо программы, позволяющие промоделировать включение той или иной лампы, чтобы проверить правильность расчётов или что-то вроде этого?
Аноним 30/04/20 Чтв 23:06:20 414112 300
1.jpg 313Кб, 1600x497
1600x497
Ребят, вот смотрите. Для примера, это ВАХи лампы 6П6С. Я так понимаю, что по оси Y - ток, по оси X - напряжение, а сами кривые - это разные напряжения смещения сетки. На этих кривых достаточно прямых участков. Я так понимаю, это и есть линейные режимы работы лампы. Что дальше делать, глядя на эти графики, как производить расчёты?
Аноним 01/05/20 Птн 00:44:43 414128 301
Можно определить Ri графически по ВАХ. Для этого через выбранную рабочую точку проводят касательную к линии напряжения смещения на сетке. По углу наклона этой касательной рассчитывается Ri=дельтаU/дельта I.

Прокомментируйте, пожалуйста, как это сделать?
Аноним 01/05/20 Птн 09:54:54 414157 302
>>414128
>Прокомментируйте, пожалуйста, как это сделать?
Почитай любую книжку с расчетом ламповых усей. Таких книг как говна за баней. Много их очень
Аноним 01/05/20 Птн 10:59:06 414159 303
1.jpg 331Кб, 764x497
764x497
Вот что написано в книге: Для определения Ri строим прямую, касательную к линии Uc=0, максимально приближенную к ней в области рабочих токов. Внутреннее сопротивление Ri равно тангенсу угла наклона этой прямой, то есть Ri=дельта Ua делить на дельта Ia.

Хорошо, делаем по книге. Линия Uc=0 , рабочий ток допустим 40 мА, проводим касательную через точку 40мА на линии с нулевым сеточным током. И? Как видишь, нифига по книге не сделать, пишут для себя. Поэтому и спрашиваю у анончиков, может кто знает и расскажет пошагово. Но, похоже, никто не знает. Давайте тогда вместе додумаем.
Аноним 01/05/20 Птн 12:05:17 414167 304
Кароч, кажись я понял. Берём ровный кусок ВАХ в районе рабочей точки, берём на нём произвольный отрезок, из концов которого опускаем перпендикуляры на обе оси. Так находим дельта U и дельта I, делим одно на другое и получаем Ri. Вроде так?
Аноним 03/05/20 Вск 16:06:57 414379 305
>>355099
На кой чёрт SRPP на входной каскад?
Аноним 05/05/20 Втр 18:09:21 414715 306
Не нашёл более подходящего треда, так что спрошу тут. Аноны, имеется три стула радиолы, а так же запас советских и не очень ламп с компонентами, справочник Левитиных, мультиметр и паяльник. Вопрос - как отреставрировать радиолы и привести их в нормальное техническое и внешнее состояние, если ранее максимум, что делал - паял простенькие платы по схемам? Очень хочется восстановить внешний вид и звучание, а материалов по этому делу годных в интернете почти не нашёл, только какие-то разрозненные советы.
Аноним 05/05/20 Втр 22:19:39 414755 307
>>414715
Поменяй селеновый выпрямитель, конденсаторы, проверь анодное и накальное напряжения.
Аноним 24/05/20 Вск 10:30:39 418922 308
>>414715
https://www.youtube.com/user/MrCarlsonsLab
В каждом видео для идиотов повторяет одно и тоже, смотри и делай так же.
https://www.youtube.com/watch?v=hdHYQZ7u0aI
Два часа от пердунов как восстанавливать внешку, по ключевым словам сможешь и другие видео найти в чём я сомневаюсь, раз ты не смог это сделать сразу
Аноним 24/05/20 Вск 19:42:01 419037 309
>>418922
Во, прям вообще заебись, спасибо, анон.
Аноним 24/05/20 Вск 23:51:52 419072 310
>>419037
Что там хорошего? Расскажи.
Аноним 25/05/20 Пнд 10:29:08 419149 311
>>419072
Слепой что ли или интернет лимитированный. Подтягивай англюсик уже, заебал.
Аноним 29/05/20 Птн 08:16:39 420214 312
Какой усилок посоветуете чтобы слушать Моцарта и тд, в общем музло 18-го века, тогда пиликали как могли. Понятно что однотакт. На каких лампах?
Аноним 29/05/20 Птн 08:24:15 420215 313
>>355809
Нахуй распороть дерманьтин и из футболки черной пошить ХБшные ам бря ебать шуры. Пробуй, иголку согни в полукольцо.
Аноним 29/05/20 Птн 15:13:27 420296 314
Аноним 29/05/20 Птн 17:09:08 420319 315
Аноним 29/05/20 Птн 21:22:47 420348 316
Аноним 29/05/20 Птн 21:34:34 420350 317
>>420348
Диды слушали и не жаловались
Аноним 30/05/20 Суб 00:23:30 420365 318
>>420350
Диды слушали октальные лампы.
Аноним 30/05/20 Суб 09:05:29 420386 319
>>420365
Дак собственно 6П6С
Аноним 30/05/20 Суб 10:58:06 420400 320
>>420386
Я и говорю 6П6С, а не 6П14П.
Аноним 30/05/20 Суб 14:03:03 420411 321
Аноним 30/05/20 Суб 17:39:33 420456 322
>>420411
Потому что диды слушали отктальные лампы, а пальчиковых ещё не было.
Аноним 31/05/20 Вск 11:05:21 420549 323
>>420456
у октальных АНОД что ли больше? и поэтому МОЦАРТ чётче играет ? или там ТОРРИРОВАННЫЙ ЧЕРНЁННЫЙ АНОД? и где брать 6П6С новые в современном мире? штук так 10?
Аноним 31/05/20 Вск 12:21:02 420554 324
>>420549
Не вижу смысла объяснять дилетанту вроде тебя, почему у 6П6С звук более выразительный, низы мягкие, а верха как журчящий ручей в морозное утро.
Аноним 01/06/20 Пнд 04:45:19 420640 325
>>420214
6П1П-ЕВ. Прямой аналог 6П6С повышенной линейности и надёжности. Собирал на них однотакт - охуел от детальности звучания и реалистичности стереопанорамы. Как будто звук рождается непосредственно в твоём мозгу, минуя несовершенную акустику и электрические цепи. Ах да, смещение фиксированное, акустика - 4А32 ЛОМО, предварительный усилитель - каскод на 6Н16Б-В.
Аноним 01/06/20 Пнд 07:03:46 420642 326
Аноним 01/06/20 Пнд 10:53:31 420650 327
>>420640
Похоже, что ты перепутал фазировку каналов (у одного из каналов оказалась противоположная).
Аноним 01/06/20 Пнд 12:44:59 420654 328
>>420640
>охуел от детальности звучания и реалистичности стереопанорамы.
Аудиоёб штоле?
Аноним 02/06/20 Втр 00:14:42 420769 329
>>420650
Фазировку проверял, всё в порядке. Но подобный по звучанию усилитель у меня получался только на 6Ж43П-Е, остальное - неестественное мыло и вата в ушах. Даже хвалёная 6П3С.
Аноним 02/06/20 Втр 00:15:58 420770 330
>>420654
Радиолюбитель обыкновенный. Но результат был действительно впечатляющий. Ещё 6П9 с фиксой очень приятно играет, но пойди её найди сегодня...
Аноним 02/06/20 Втр 08:48:37 420792 331
>>420770
6П9 в выходном каскаде? Для неё же спецовый трансформатор нужен.
Аноним 02/06/20 Втр 15:58:09 420839 332
>>420640
А ну а ну. Попробую эту 6П1П-ЕВ. Я как то на 6П6С пытался собрать однотакт с трансформаторами от "лампобарона" (типа ТВЗ "Люкс").
Пиздец мыло мыльное было. В конце концов собрал на 6с2С в драйвере и 6П3С-Е в оконенчике. Очень достойно звучит.
А вот "ламповость" 6п6с много раз пробовал. Хуета хует.
Аноним 02/06/20 Втр 17:40:38 420868 333
Анон с анодным 150В почему нету схем усилителей для колонок? Только для наушников. Других трансов нема, есть только которые дадут 150 после моста
Аноним 02/06/20 Втр 17:53:01 420870 334
>>420770
КОКОВИНУ напишите-он точно отыщет
Аноним 02/06/20 Втр 18:09:04 420877 335
>>420792
Трансформаторы использовал серии ТАН, с небольшой корректировкой режима самой лампы.
Аноним 02/06/20 Втр 18:10:02 420878 336
>>420839
Только собирай в тетродном включении. В триоде эта лампа неважно работает.
Аноним 02/06/20 Втр 22:27:43 420924 337
>>420877
ТАН? ХУЯН? У неё внутреннее 100 кОм.
Аноним 02/06/20 Втр 22:36:13 420925 338
>>420924
В этой серии есть подходящие трансформаторы, не понимаю бугурта.
Аноним 02/06/20 Втр 22:39:30 420926 339
>>420868
Собирай однокаскадник на 6Ж43П-Е, он и от 150 анодного нормально работает. Получишь где-то 1,5 ватта на канал, для комнаты этого достаточно.
Аноним 03/06/20 Срд 11:15:03 420971 340
>>420925
Так она была выходная? Чем раскачивал? У неё входная ёмкость-то огого.
Аноним 03/06/20 Срд 13:51:53 420993 341
>>420877
ТАН там все верха не порезал?
Аноним 03/06/20 Срд 18:17:31 421130 342
>>420971
Раскачивал такой же лампой, с межкаскадным трансформатором 1:1. Почти по Сакуме, только пентодное включение и отдельное питание экранных сеток через стабилизатор на 6С19П.
Аноним 03/06/20 Срд 18:18:54 421132 343
>>420993
Хоть это и был макет, играл он весьма неплохо. Позже были заказаны нормальные трансформаторы, а ТАН-ы пошли в сборку 6Н23П+6П14П-ЕВ.
Аноним 03/06/20 Срд 18:29:03 421138 344
>>421130
Вот я тоже хотел качать такой же лампой.
Аноним 03/06/20 Срд 18:46:50 421143 345
>>421138
Кстати это весьма мудрое решение. Потому что малосигнальные лампы на входе могут не справиться с высоким уровнем входного сигнала и неслабо подгадить искажениями в остальной тракт. Выходные же лампы более устойчивы к подобному непотребству. Именно поэтому мощные усилители иногда выполняются на лампах одного типа.
Аноним 04/06/20 Чтв 06:02:47 421192 346
image.png 39Кб, 498x181
498x181
>>421143
>малосигнальные лампы на входе могут не справиться с высоким уровнем входного сигнала
Аноним 04/06/20 Чтв 07:01:44 421193 347
Почему на входах ламповых усилителей ставят переменники 500к-1М? Не будет ли так что весь диапазон регулировки останется в начале, в смысле в диапазоне до 9 часов?
Аноним 04/06/20 Чтв 07:03:00 421194 348
Что будет если я воткну 50к вместо 100к или 50к вместо 1М?
Аноним 04/06/20 Чтв 09:28:50 421198 349
>>420877
У тебя двухтакт чтоли?
Аноним 04/06/20 Чтв 14:48:20 421313 350
>>420926
>Получишь где-то 1,5 ватта на канал, для комнаты этого достаточно.
Для сельского чулана или гальюна. Это максимум тянет на 3-тий класс. Загугли выходную мощность приёмников или радиол первого или высшего класса. Потом уже рекомендуй
Аноним 04/06/20 Чтв 15:08:18 421314 351
image.png 712Кб, 1010x793
1010x793
>>421313
>радиол первого или высшего класса.

Чото орнул
Аноним 04/06/20 Чтв 15:10:35 421315 352
image.png 2230Кб, 1200x900
1200x900
Аноним 04/06/20 Чтв 15:17:39 421317 353
8440583521.webp 182Кб, 1200x900
1200x900
Аноним 04/06/20 Чтв 15:47:46 421322 354
>>421315
Алиэкспресной пидарахе вообще ничего в руки давать нельзя. Сразу будут "апгрейды" модулями оттуда.
Аноним 04/06/20 Чтв 17:04:49 421329 355
>>421313
Кому нужны твои обоссаные классы ссср
Аноним 04/06/20 Чтв 17:09:54 421330 356
>>421322
Двачую, вся суть мудачья.
Аноним 04/06/20 Чтв 17:55:35 421333 357
>>421314
В целом, ничего так внешний вид, и шасси красиво, и даже ткань свежая. Но ебанутая цена и сраный самопал с алика всё портят. Ценности для коллекционеров она из-за васяномодификаций представлять теперь не может, а просто любители за такую цену лучше купят себе убитых таких четыре штуки и из них сами конфетку соберут, ещё и на пиво останется.
Аноним 04/06/20 Чтв 18:34:38 421339 358
>>421192
При чём здесь аттенюатор? Я говорил про перегрузку каскада предусилителя, а переменник от неё не спасёт.
Аноним 04/06/20 Чтв 18:35:25 421341 359
Аноним 04/06/20 Чтв 18:49:56 421344 360
Аноним 04/06/20 Чтв 19:01:34 421346 361
>>421344
На малой мощности насыщения практически не происходит. Синусоиду выдаёт без искажений.
Аноним 04/06/20 Чтв 19:35:15 421355 362
>>421329
>Кому нужны твои обоссаные классы ссср

То ли дело швятые Hi-Fi, Hi-End! Даже звучит красиво!
Аноним 05/06/20 Птн 05:39:48 421401 363
>>421355
Да неужели
ссср классы не тянут в итоге на младший муз центр из каталога любой нормальной фирмы

а если бы ты был внимательнее то знал что это классы сложности, а не блять качества звука, то есть сколько отбракованных МЛТшек там насыпано...
Аноним 05/06/20 Птн 06:05:06 421402 364
46kai5k5bos41.jpg 305Кб, 1920x2560
1920x2560
>>421401
>
>а если бы ты был внимательнее то знал что это классы сложности, а не блять качества звука


В ГОСТах были жёсткие требования на выходную мощность/уровень звукогового давления, полосу воспроизводимых частот, КНИ и остальное. Так что не пизди, пожалуйста, все и так поняли, что ты за индивид.
Аноним 05/06/20 Птн 07:27:20 421404 365
>>421402
Че еще и КНИ? Расскажи еще как журнал Радио всю свою историю боролся за уменьшение КНИ ищя в этом пути звук.
Ты за всех не додумывай, петушочек, клюв свой прикрой.
Аноним 05/06/20 Птн 15:30:53 421455 366
>>421194
Ничего хорошего.
Аноним 05/06/20 Птн 16:51:20 421464 367
e3130a32e40a13c[...].jpg 19Кб, 314x334
314x334
>>421455
Ничего страшного не будет. Расчитай входной каскад.
Аноним 05/06/20 Птн 22:55:06 421503 368
>>421464
Если он задаёт подобные вопросы, то безопаснее следовать схеме. Слепые замены - плохая привычка, особенно если не читать даташиты на лампы.
Аноним 07/06/20 Вск 09:03:25 421707 369
image.png 708Кб, 700x700
700x700
>>421404
>Че еще и КНИ?
Да.
>>421404
>Ты за всех не додумывай, петушочек, клюв свой прикрой.
Кажется, ты не понял, что тебя мокают головой в мочу? Не думал, что ты настолько недалёкий. Но увы и ха, это так...
Аноним 09/06/20 Втр 03:10:17 421993 370
>>421402
По ГОСТам ты разве что матюгальник для стадиона соберёшь. Для музыкального усилителя нужен иной подход.
Аноним 09/06/20 Втр 09:34:21 422009 371
>>421993
Подход в котором не фигурирует КНИ, диапазоны, скорости нарастания выходного напряжения и т.д.? Руководствоваться теплотой звучания? Провода прогревать, в т.ч. силовые?
Аноним 09/06/20 Втр 15:37:59 422093 372
>>421707
Ты уже который пост оцениваешь меня, ты не заебался, завистливый дурачок? Даю тебе возможность оценить еще раз в формате оправдания))
Аноним 10/06/20 Срд 00:06:27 422154 373
>>422009
Достаточно чистой синусоиды на выходе и запаса по мощности. С твоим подходом аппарат может быть охуенным на бумаге, но на практике резать уши меандром промодулированным усиленным сигналом (привет, импульсные шизики). Для хорошего усилителя важны лишь линейность и коэффициент демпфирования, остальное вторично. Иначе почему ламповый усилитель 50-х годов с 1,5% КНИ играет приятнее свежайшего чипампа с 0,00000000001% КНИ?
Аноним 10/06/20 Срд 01:02:23 422155 374
>>422154
>линейность
Как КНИ расшифровывается, знаешь? У удифилов свое понятие линейности?
>коэффициент демпфирования
Иронично, что даже среди удифилов это понятие трактуют кому как угодно. Нормальные люди знают, что выходное сопротивление усилителя чем меньше, тем лучше, и для транзисторных схем демпинг-фактор в любом случае составит сотни-тысячи, так что принимать его во внимание не стоит.
>почему ламповый усилитель 50-х годов с 1,5% КНИ играет приятнее свежайшего чипампа с 0,00000000001% КНИ?
Потому что хуевый
>коэффициент демпфирования
приводит к росту IMD, а ты у нас любитель заливать кал в уши.
Аноним 10/06/20 Срд 01:14:53 422156 375
>>422154
Это для тебя ламповое древнее дерьмище с адски нелинейными выходными трансами звучит лучше. Для людей которых не стегает ни шиза, не ностальгия работает лучше та аппаратура, которая наиболее верно воспроизводит музыкальное произведения, а не досыпает туда гармошек и прочего говна. Древние записи были сделаны на ламповой аппаратуре и уже теплого лампового говна хлебнули, достаточно точно воспроизвести и труды музыкантов и говно.
Аноним 10/06/20 Срд 01:16:02 422157 376
>>422155
>почему ламповый усилитель 50-х годов с 1,5% КНИ играет приятнее свежайшего чипампа с 0,00000000001% КНИ?
>Потому что хуевый
Логика уровня /b/.
Аноним 10/06/20 Срд 01:18:22 422158 377
>>422156
Сам ты говно. Сакуму вон тоже сколько критиковали, а повторить никто не смог. Хотя и схемы там элементарные, и характеристики посредственные. И даже так ценители со всего мира приезжали посетить его ресторан. Был там и я. Поэтому ответственно заявляю, что слепое следование инструкциям и формулам не всегда даёт желаемый результат.
Аноним 10/06/20 Срд 01:36:25 422159 378
>>422158
Да ты меня как хочешь называй, положения вещей это не меняет. На слепых тестах ваш брат звуколожец стабильно обсирается, заявляй что хочешь, грей провода, дрочи на Сакуму, отрицай законы природы, физики, физиологии-ничего не поменяется. ТЛЗ как был, так и останется уделом шизиков и гешефтамахеров. За последних я даже рад-втюляют побрякушки за бешенные тыщи и в порядке.
Аноним 10/06/20 Срд 01:44:07 422160 379
>>422159
Пафос и цены тут ни при чём. Мой усилитель собран на самых дешманских 6С33С-В и 6Ж43П-Е, и он имеет потрясающее звучание без всяких подставок под провода и прочих золочёных вилок. Просто нужно делать нормально, тогда и результат будет хороший.
Аноним 10/06/20 Срд 01:58:28 422161 380
>>422160
Ну вот и слушай и наслаждайся своим поделием, хуле ты тут говном швыряешься? Всем похуй чего ты там наваял и кайфуешь. Каждый решает сам что ему по кайфу, только у одних за спиной мифы, у других формулы и графики. Мне конечно насрать на мифы, тебе насрать на формулы и графики. Ну а тем кто это ридонли читает остается только симпатизировать мне, либо тебе. Спокойной ночи, сладких снов.
Аноним 10/06/20 Срд 02:11:25 422162 381
>>422161
Ну вот и верь в свои мифы дальше. Тем более что мой усилитель сделан по всем правилам: точно соблюдены режимы ламп, выходные трансформаторы намотаны в соответствии с параметрами 6С33С-В, накалы запитаны постоянным током и всё тщательно экранировано алюминиевым корпусом. Тебе, любителю дешёвых китайских чипов, такое и не снилось.
Аноним 10/06/20 Срд 02:22:24 422163 382
>>422162
Ты дурачек? Я в мифы не верю, мне похую на твою аппаратуру, а музыку я уже давно слушаю только в автомобиле и мне вообще похую на параметры аудиосистемы, я музыку слушаю, а не аппаратуру. А ты мотай свои трансформаторы как тебе нравится, мне вообще фиолетово от чего ты там радугой кончаешь и в каких ресторанах.
Аноним 10/06/20 Срд 02:34:04 422164 383
>>422163
Если тебе этого достаточно, то без проблем. Но ведь приятнее слушать хорошую музыку на хорошей аппаратуре, не так ли?
Аноним 10/06/20 Срд 04:31:21 422165 384
>>422164
>Но ведь приятнее слушать хорошую музыку на хорошей аппаратуре, не так ли?
Именно так, поэтому ламповые усилки умерли.
>>422093
>Ты уже
Чини детектор, тебя хуесосят все, кому не лень. Пол борды точно
Аноним 10/06/20 Срд 04:45:48 422167 385
>>422165
Ламповые усилки живее всех живых. До сих пор полно моделей на любой вкус, да и самому собрать и настроить несложно.
Аноним 10/06/20 Срд 05:17:42 422168 386
>>422167
Ты из какого года пишешь?
Аноним 10/06/20 Срд 08:57:59 422176 387
>>422167
Живее всех живых в твоих фантазиях, ты способен собрать ламповик, но не способен понять что 99,9 % звукоусилительной аппаратуры сделаны на полупроводниках, применены цифровые технологии, искажения вынесены за пределы физиологической чувствительности человеческого уха. И это заебись. Мне когда хочется вспомнить старые времена, я слушаю катушечник, той малой доли шумов в паузах мне хватает, а больше нравится любоваться вращением катушек и движением стрелок уровня воспроизведения. Я могу даже записать что-то специально на катушку чтобы придать треку своей атмосферы, но утверждать в трезвом уме что звук стал качественнее после внесения шумов пленки, детонации и прохождения звука через полупроводниковые тракты звукоусиления конструкции 1980-ых я не буду. Это просто элемент ностальгии. Я помню как бился за качество при воспроизведении царапулек, говнокассет, динамическое подмагничивание, сквозной канал, усилители записи, воспроизведения, усилители-корректоры, тонармы, тонвалы, трехмоторники, хуерники. Появилась цифровая аудиозапись и нормальные усилители, акустика более-менее и я наконец стал слушать музыку, а не бороться за нее. Охуенно. А ты тут опять предлагаешь свалить в ту эпоху где нужно бороться, я не хочу, я уже наигрался и в лампы и в аналоговые источники. Лампы-музыкантам, вот им действительно нужны искажения. Каждый художник имеет право залить свою картину черной краской, хоть полностью, хоть на половину.
Аноним 10/06/20 Срд 09:05:51 422177 388
>>422176
На самом деле если музыка была сделана в эпоху ламп, ее автор предполагал, что она слушаться будет на ламповой технике, поэтому ее имеет смысл слушать аутентично, либо единожды прогнать через лампу и слушать уже результат
Аноним 10/06/20 Срд 09:30:42 422178 389
>>422165
Манипуляция с попыткой вызвать ложное чувство вины. Дальше будешь обиженно кукарекать?
Аноним 10/06/20 Срд 09:37:16 422179 390
Раньше винил писался на усилках, которые были сделаны на ГУ-50. Поэтому если такой винил слушать также на ламповом усилке, то можно достичь того качества звука, которое было заложено на этапе изготовления пластинки.
Аноним 10/06/20 Срд 09:40:40 422180 391
>>422179
Да? Точно? А если пленку многократно переписывать на пленку, на выхлопе будет даже лучше чем сыграли музыканты? Или просто многократно наложатся искажения, пусть и малые?
Аноним 10/06/20 Срд 09:44:34 422181 392
>>422177
Да пиздец, ничего автор не предполагал, другой аппаратуры не было и если музыкант и не понимал, то инженер звукозаписи точно понимал что искажения будут вносится на каждом этапе, просто не было возможности уйти из порочного круга потери качества на всех этапах воспроизведения. Теперь такая возможность есть и глупо возвращаться в условия когда искажения вносятся всем чем можно.
Аноним 10/06/20 Срд 10:27:04 422187 393
roo.DHurrpPflkQ.jpg 77Кб, 604x403
604x403
>>422178
>Манипуляция
>>422178
>Дальше будешь обиженно кукарекать?
Хватит проецировать уже.
>>422177
>На самом деле е
На самом деле ты несёшь бред.
Аноним 10/06/20 Срд 10:56:46 422189 394
>>422180
Ты не дурачок часом?
Аноним 10/06/20 Срд 11:06:11 422190 395
>>422181
>Да пиздец, ничего автор не предполагал
Автор предполагал и тестировал хорошее воспроизведение именно в тех условиях, которые были распространены в его время. Именно поэтому, например, люди до сих пор ходят слушать музыку 18 века в специально предназначенные для этого заведения с технологиями трехсотлетней давности, рокнролл 50-х стоит слушать на ламповой технике, а для понимания музыки 90-х нужен бумбокс. И нужно быть совсем упоротым и деревянным, чтобы этого не понимать. Впрочем, ты такой и есть.
>>422187
На самом деле ты безграмотная манька
Аноним 10/06/20 Срд 11:49:40 422198 396
Ебать итт шиза.
Раньше и так считал этот тред пристанищем больных, но сейчас похоже началось летнее обострение.
Скрыл нахуй.
мимом ucd 2-го порядка с пассивным интегратором господин
Аноним 11/06/20 Чтв 00:38:11 422316 397
>>422190
Понял, ты баофенгоборец
Аноним 11/06/20 Чтв 01:05:54 422319 398
Наконец опустела квартира.
Тишина, и вокруг — никого…
В закоулочке возле сортира
достаю я дружка своего.

Образец наивысших кондиций.
Поглядите, — красавец какой!
Был экстаз от ритмических фрикций,
совершаемых правой рукой.

Я держал его нежным захватом,
ощущал его мощный накал.
Пах он терпким, густым ароматом
и блестящей слезой истекал…

Не сочтите, что мелкий охальник
эпатирует. Вы не правы!!!
Я облуживал новый паяльник,
а не то, что подумали вы.
Аноним 11/06/20 Чтв 01:07:01 422320 399
Аноним 11/06/20 Чтв 01:10:40 422321 400
>>422198
Ну и слушай дальше свой импульсник с динамиком, а достопочтенные господа в этом треде и дальше будут использовать высококачественные усилители на вакуумных лампах.
Аноним 11/06/20 Чтв 04:04:52 422325 401
>>422321
>высококачественные усилители
>на вакуумных лампах.
Выбери одно. В треде про советские телевизоры хотя бы не притворяются, что им просто старая техника нравится
Аноним 11/06/20 Чтв 09:47:22 422350 402
Вспомнил сейчас первую встречу с ТЛЗшником вживую, это было больше 20 лет назад. Слушал,ремонтировал, создавал разную аппаратуру по звуку и лампы были у меня в основном в радиопередатчиках, в музыке тоже были, но в основном в мощных концертных усилителях, никаких иллюзий я не питал и пользовался приборами при оценке работы аппаратуры. Один человек, несколько старше меня увлекался музыкой и как-то в разговоре начал задвигать мне что-де старая аппаратура не чета новой и типа 5-ти ваттный ламповик играет так же громко и "звонко" как и 35 ватт транзисторного усилителя. А еще и звучит лучше. Назначили испытания. По приборам ламповик обосрался против "Одиссея". На слух, естественно вслепую, приятель выбрал Одиссей. Но от идей своих он не отказался.
Аноним 11/06/20 Чтв 09:51:47 422351 403
>типа 5-ти ваттный ламповик играет так же громко и "звонко" как и 35 ватт транзисторного усилителя
вообще-то примероно так и есть.
Аноним 11/06/20 Чтв 12:36:00 422364 404
>>422350
У ламповиков ещё и клиппинг мягкий, без рези и пердежа. Это выгодно отличает его от полупроводниковых поделий.
Аноним 11/06/20 Чтв 12:36:54 422365 405
Аноним 11/06/20 Чтв 13:35:52 422381 406
>>422364

Только вот если ты не митол-роцк-гитараст и тебе не нужен дж-дж в звуке твоей гитары то зачем до него доводить свою аппаратуру?
Аноним 11/06/20 Чтв 15:55:46 422409 407
>>422364
Тут самое главное чтобы ты услышал резь и пердеж в слепом тесте аппаратуры, дружок-пирожок.
Аноним 11/06/20 Чтв 16:01:31 422410 408
>>422364
И гармоники ламповые, теплые, нечетные а не холодные, транзисторные, четные.
Аноним 11/06/20 Чтв 22:24:13 422490 409
>>422410
если транзисторы -германиевые а не кремниевые-то гармоники теплые ламповые а не бездуховные
Аноним 12/06/20 Птн 05:24:28 422507 410
343434343434.jpg 10Кб, 223x226
223x226
>>422490
Германиевые транзисторы это для нацистов. Патриоты России против германия!
Аноним 12/06/20 Птн 05:27:19 422508 411
>>422351
>вообще-то примероно так и есть.
5 ватт это в 7 раз меньше, чем 35 ватт. Оно не может играть "примерно так", это почти на 9дБ тише.
Аноним 12/06/20 Птн 05:29:14 422509 412
>>422364
>У ламповиков ещё и клиппинг мягкий, без рези и пердежа. Это выгодно отличает его от полупроводниковых поделий.
Слушать, как усилитель играет в клиппе - это топчик. Это не примочка для звуковых эффектов, это усилитель, он должен выдывать на выходе ровно то, что подали на вход, без добавления гармоник и клипа.

Для борьбы с клипом в полупроводниковой технике давно используют клип-лимитеры, они плавно уменьшают КУ и клип пропадает.
Аноним 12/06/20 Птн 07:21:06 422511 413
>>422508
Откуда цифра такая странная взялась? Или в звуколожестве 9 дБ это какая-то особая величина?
35/7=5 раз. Если помнить только что 10 раз это 10 дБ, а 2 раза это ~3 дБ, то получится что 5 раз это 10-3=7 дБ.
Аноним 12/06/20 Птн 07:56:00 422512 414
1721266.jpg 45Кб, 500x500
500x500
>>422511
>Откуда цифра такая странная взялась? Или в звуколожестве 9 дБ это какая-то особая величина?
>35/7=5 раз. Если помнить только что


Если помнить, что речь идёт о сравнении лампового усилителя с 5 ваттами против полупроводникового в 35 ватт, то разница будет не 5 раз, а 7 раз. Но это сильно сложно для аудиофилов.
Аноним 12/06/20 Птн 09:07:25 422513 415
>>422508
Ты же не просто так тут пишешь, наверное имеешь опыт и сам слышал, что ламповый усилок на 1Вт по громкости легко переигрывает кремниевые 10-15 Вт. Я не помню, почему так, но это факт.
Аноним 12/06/20 Птн 09:18:35 422514 416
>>422351
Ну если взять за точку отсчета то, что килограмм ваты легче килограмма стали, то тогда да, не поспоришь.
Аноним 12/06/20 Птн 09:27:10 422515 417
>>422513
Бык всяко сильнее трактора, хороший бык из прежнего времени выдает пару лошадиных сил и тянет плуг как бездушный ДТ75. А еще у быка выхлоп благообразный, звонкий.
Аноним 12/06/20 Птн 09:29:35 422516 418
Складывается ощущение, что некоторые просто не слышали ламповых усилителей и не понимают, о чём речь. Послушайте.
Аноним 12/06/20 Птн 09:48:30 422517 419
>>422516
Нахуй слушать-то? Дал нагрузку с нужным сопротивлением и измерил выходную мощность. Предположим у ламповика будет 5, у полупроводникового будет 35. Если рассуждать по ТЛЗшному, то на АС 50 Вт они выдадут одинаковое звуковое давление, а как такое может быть? Откуда у волшебного ламповика возьмется способность раскачать диффузоры АС?
Аноним 12/06/20 Птн 09:53:26 422518 420
>>422517
кпд, слышал про такое?
Аноним 12/06/20 Птн 09:59:56 422520 421
Тест
Аноним 12/06/20 Птн 12:29:04 422531 422
unnamed..jpg 42Кб, 288x288
288x288
>>422518
При обсуждении выходной мощности на КПД пофиг. Если смотреть на КПД ламповых УМЗЧ - то он в жёппе, ибо накал.
Аноним 12/06/20 Птн 12:31:04 422533 423
>>422513
>Я не помню, почему так, но это факт.
Это так потому, что у тебя плохая память и ты идиот.
Аноним 12/06/20 Птн 12:43:27 422534 424
>>422533
Это потому, что я умею паять и спаял ламповый усилитель из говна и палок за один вечер. И вживую убедился, что 1 ватт лампового звука по громкости - около 10...15 транзисторного.
Аноним 12/06/20 Птн 13:25:17 422537 425
>>422534
Осталось научиться думать и пользоваться приборами вроде мультиметра.
Аноним 12/06/20 Птн 13:46:42 422542 426
>>422537
>мам, сматри, я траллирую на двоче всех!!!
Аноним 12/06/20 Птн 16:13:11 422569 427
>>422507
Патриотизм - одно из распространённых психических расстройств.
Аноним 12/06/20 Птн 16:52:39 422580 428
>>422569
Шел бы ты отсюда, pnp-активист. Где бы мы были сейчас, если бы не победили германий?
Аноним 13/06/20 Суб 03:48:38 422642 429
>>422542
Иди учись мерять ток, напржение и считать мощность.
Аноним 13/06/20 Суб 04:57:37 422645 430
>>422580
Лучше бы победил германий.
Аноним 13/06/20 Суб 09:21:15 422653 431
>>422642
А ты, наверное, считаешь, что мощность и громкость связаны линейно, да? Не думаешь, что лампа компрессирует сигнал?
Аноним 13/06/20 Суб 12:08:51 422675 432
Как научиться делать корпуса?
Есть контора с лазерной резкой и листогибом, которые просят чертёж в Автокаде. Встал на непонимании технологии: где что можно гнуть, допуски для отверский, сварка соединений... Тысячи мелочей.
Пододу пока сам на производстве не поработаешь, хрен что сделаешь.
Миллион тредов назад собрал макет усилителя на вырезанной у них пластине. Надо бы уже оформить устройство в готовую форму.
Аноним 13/06/20 Суб 12:32:46 422682 433
>>422675
контора и должна прислать ограничения
Аноним 13/06/20 Суб 12:38:43 422683 434
>>422675
И скока стоит вырезать пластину? Мне оказалось дешевле заказать у китайцев готовый корпус.
Аноним 13/06/20 Суб 12:46:30 422685 435
>>422653
>Не думаешь, что лампа компрессирует сигнал?
Тогда будет дикий КНИ. Мы жы не примочки для гитар обсуждаем.
>>422653
>
>А ты, наверное, считаешь, что мощность и громкость связаны линейно, да?

Логарифмически
Аноним 13/06/20 Суб 13:09:44 422694 436
>>422685
>Тогда будет дикий КНИ. Мы жы не примочки для гитар обсуждаем.
Не такой уж он и дикий, а чётные гармоники в данном случае слух не режут, а кому-то даже ласкают. Но суть не в этом, а в том, почему действительно "лампа" звучит громче.
Аноним 13/06/20 Суб 13:30:47 422706 437
>>422683
Рублей 250 с железом что ли.
Аноним 13/06/20 Суб 13:45:53 422707 438
Аноним 13/06/20 Суб 23:07:20 422788 439
>>422675
>>422683
Почему бы просто не использовать как шасси корпуса от сетевых коммутаторов? Они сделаны из толстого металла и обладают достаточной прочностью, остаётся только прорезать отверстия под панельки и прикрутить кожухи для трансформаторов. Получается очень годно.
Аноним 14/06/20 Вск 16:51:54 422828 440
>>422788
Не видал таких в доступности. Видел только из тонкого металла.
Аноним 16/06/20 Втр 05:17:20 422981 441
>>422828
Да просто идёшь в какую-нибудь контору в серверную, там у админа просишь корпус от горелого свитча, они пачками дохнут. Один-два унести точно разрешат. Потом сверлишь коронкой крышку под панельки, прикручиваешь трансформаторы и готово. Толщина металла там 1-1,5 мм, конструкция очень жёсткая.
Аноним 16/06/20 Втр 09:30:33 422989 442
>>422981
У нас из контор только сельпо, но там нет компьютеров.
Аноним 16/06/20 Втр 22:49:28 423094 443
>>422989
Я хожу в серверную местного института. Там это добро стопками лежит, всё на утилизацию. Корпуса не заказываю с 2001 года.
Аноним 16/06/20 Втр 23:41:25 423095 444
>>422989
Поищи на интернет-барахолках, это дёшево. При прямых руках получаются очень симпатичные усилители.
Аноним 17/06/20 Срд 01:19:20 423102 445
>>422989
Ещё можешь попробовать засунуть горизонтальное шасси в корпус от видеомагнитофона, места внутри предостаточно.
Аноним 17/06/20 Срд 15:25:32 423139 446
>>423102
>
Есть парочка корпусов, металл на них толщиной с два листа бумаги. Хз, такое себе.
Аноним 17/06/20 Срд 16:07:41 423142 447
>>423102
А это реально колхоз виден сразу. Я частенько юзаю от свичей корпуса. Там толстый металл. Даже пару раз для накала использовал их блоки питания (ахтыжнахуйблядь) импульсные ,перестраивал их с 5 вольт на 6.3,благо один резистор поменять.
Правда только от совсем старых , где были ампера на 3-4.
Аноним 17/06/20 Срд 21:37:36 423165 448
>>423139
Сойдёт, если внутреннее шасси будет достаточно жёстким. Ну и с окультуриванием передней панели геморроя много. Если нет ничего другого - сойдёт. Но я предпочитаю корпуса от свитчей.
Аноним 18/06/20 Чтв 09:16:46 423178 449
>>423165
Фоткани уж чтоли, как оно выглядит, этои корпуса ит свичей?
Аноним 18/06/20 Чтв 16:42:59 423198 450
.png 320Кб, 1000x1000
1000x1000
Аноним 18/06/20 Чтв 16:43:23 423199 451
Аноним 18/06/20 Чтв 17:48:04 423210 452
>>423208
Не заморачивайся. Накал там стандартные 6,3 вольта, остальное не важно.
Аноним 18/06/20 Чтв 22:48:51 423245 453
>>423218
Просто питай накал от отдельной обмотки, тогда ничего не случится.
Аноним 20/06/20 Суб 01:36:24 423405 454
>>423218
Просто не соединяй накал с катодом. Тогда ничего не случится.
Аноним 20/06/20 Суб 01:38:02 423406 455
Триоды или пентоды? Что лучше для выходного каскада? Выбор между 300B и 6Ф6С.
Аноним 20/06/20 Суб 19:47:23 423458 456
>>423406
Под 300В нужно транс 2-3 К...под пентод 5К. Для триодов готовых не продаётся,либо заказывать приходится в той же "золотой середине" за ахулиард денег. Ну либо можешь сам намотать. Но я думаю в этом случае нужен хороший скилл. Секциоонность, шелезо,сопли девственниц и другие парафины. Для пентодов достаточно легко подобрать готовый транс. Еще лучше пентод в ультралинейный режим.
Аноним 21/06/20 Вск 02:32:53 423474 457
>>423458
Тогда соберу на пентодах.
Аноним 21/06/20 Вск 09:31:27 423485 458
>>423474
Но они же звучат как говно.
Аноним 21/06/20 Вск 15:12:27 423500 459
>>423485
Гавно у тебя в ушах.
"Вы не любите кошек? Вы просто не умеете их готовить".
Как ты думаешь ,для чего придумали пентоды ?
Аноним 21/06/20 Вск 15:51:27 423505 460
>>423500
Пентоды изобрёл в 1904 году известный французский изобретатель Жан Луи Пентод. Доподлинно неизвестно, что именно он пытался сделать, но оно не получилось. Поэтому общепринято превращать пентоды в триоды.
Аноним 21/06/20 Вск 17:26:22 423517 461
>>423485
Триоды твои звучат как говно. А пентоды были созданы, чтобы исправить недостатки этого трёхэлектродного недоразумения.
Аноним 21/06/20 Вск 17:27:50 423518 462
Аноним 21/06/20 Вск 22:36:52 423567 463
>>423517
Ты ВАХи то пентодные видел? Полное недоразумение.
Аноним 22/06/20 Пнд 04:31:08 423602 464
>>423567
Просто ты не умеешь их готовить. Фиксированное смещение+хорошая фильтрация+стабилизированное питание экранной сетки=триоды сосут.
Аноним 22/06/20 Пнд 09:22:00 423618 465
>>423602
По каким параметрам сосут?
Аноним 22/06/20 Пнд 13:25:41 423653 466
Аноним 22/06/20 Пнд 17:56:14 423697 467
>>423618
Уровень шумов, динатронный эффект.
Аноним 23/06/20 Втр 01:20:29 423723 468
>>423618
Курица не птица, триод не лампа.
Аноним 23/06/20 Втр 10:58:37 423743 469
>>423697
Какой триод в ламповом усилителе имеет динатронный эффект?
Аноним 24/06/20 Срд 01:42:40 423797 470
Аноним 24/06/20 Срд 14:27:14 423835 471
>>423797
Понятно, что динатронный эффект имеет место быть в триодах. Но ни в одной схеме лампового усилителя он не наблюдается. Причину сказать или сам поймёшь?
Аноним 25/06/20 Чтв 00:33:38 423877 472
>>423835
Это не проявляется лишь в маломощных каскадах предусилителей. А вот при использовании триодов в выходных каскадах эффект весьма заметный.
Аноним 27/06/20 Суб 13:22:51 424132 473
>>424098
Пентод явно лучше.
Аноним 27/06/20 Суб 17:43:15 424148 474
>>424098
Триод явно лучше.
Аноним 27/06/20 Суб 18:29:13 424153 475
15918646798050.png 68Кб, 312x312
312x312
>>423877
Да ты шутеш чтоле, блять? Динатронный эффект на таких малых мощностях просто физически не может проявляться.
Аноним 27/06/20 Суб 22:55:10 424169 476
>>424132
Мне тоже пентод больше нравится.
04/07/20 Суб 21:31:50 425118 477
>>424098
А что показывают приборы?
Аноним 05/07/20 Вск 13:32:06 425186 478
>>425118
Так тебе слушать или измерять?
05/07/20 Вск 22:03:59 425281 479
Аноним 06/07/20 Пнд 17:44:25 425323 480
>>425281
Человек-осциллограф, ты? Лампы - это для приятной музыки, а не для стерильной.
Аноним 06/07/20 Пнд 17:45:02 425324 481
>>425281
Знал бы ты, сколько искажений таят в себе сами аудиозаписи...
Аноним 13/07/20 Пнд 22:26:12 426076 482
Лампы.jpg 368Кб, 1200x1600
1200x1600
Сап /ra.
У меня есть комбик Vermona Regent 300k, ачали хрустеть переменные резисторы, все не было времени заменить - отложил
Тут я нашел у себя дома склад ламп (пикрил), протер их, рассортировал - есть много чего, в том числе: несколько кенотронов (некоторые от теликов), EL84 (аж две), 6Н23П и дофига 6Н1П.
Я хочу сделать на базе вермоны ламповый комбик, возможно ли это?
Аноним 14/07/20 Втр 12:56:23 426124 483
>>426076
6Н1П+EL84, вот тебе и комбик. Ладно лампы, выходной трансформатор нормальный у тебя есть?
Аноним 14/07/20 Втр 15:09:30 426134 484
>>426124
Выходного транса - нет, входного тоже нет(на комбике транс без вторичных обмоток на накал). Думаю тороид намотать попробовать
Хотя вот даже не знаю с чего начать, знания ламповой темы очень немного
Аноним 16/07/20 Чтв 00:49:50 426272 485
image.png 34Кб, 1053x493
1053x493
image.png 98Кб, 640x276
640x276
>>426134
Купи готовый ТАН или силовой от ламповой радиолы с разборки, чтоб накал держал в пределах 1 ампера и вторичной обмоткой 230-260 вольт. Выходной - классика ТВЗ 1-8 для 4Ом нагрузки, или 1-1 для 8Ом, только бери не совсем убитые. Вообще на отечественных лампах/трансформаторах не самая лучшая затея собирать гитарный усилитель, особенно с 6Н в преде, но для первого проекта пойдет. Покури guitarplayer раздел craft, где уже с десяток лет на коленке собирают Champы из говна и палок, есть варианты на оригинальных комплектущих
Аноним 16/07/20 Чтв 00:58:00 426274 486
>>426272
вот еще давеча расписывал за чампы >>356455
Аноним 16/07/20 Чтв 02:12:49 426277 487
>>426272
Почему нельзя просто поставить лампу в каскад пред. усиления, а все остальное сделать на полупроводниках? Результат все-равно будет примерно тем же, даже не на слух, а по замерам. Ламповый оконечник не привносит в звук практически ничего, весь основной вклад в "ламповость" звука дает именно предусилитель.
Профиты: компактность, экономичность (в плане потребления), дешевизна, бОльшая выходная мощность, при том же искаженном "ламповом" звуке.
Аноним 16/07/20 Чтв 02:42:59 426278 488
>>426277
>весь основной вклад в "ламповость" звука дает именно предусилитель
Перегружаться может еще и выходная лампа, а так же трансформатор. И это будут разные характеры перегруза. Комбинированные лампово-транзисторные усилители выпускаются достаточно давно, все эти вопросы уже рассматривались и разбирались.
Аноним 16/07/20 Чтв 05:21:07 426282 489
>>426278
Что за аудиофилические бредни? Ну сделай два пред. каскада с перегрузом, раз одного тебе "мало". Перегруз транса - это, блядь, что? Переход в режим насыщения? Чтобы он вскипел и сгорел к хуям?
Я нихуя не понимаю, тебе на гитаре играть или аудиофил дохуя? Если второе, то вопросов не имею. Только не распространяй свою шизу на других.
Аноним 16/07/20 Чтв 11:45:16 426301 490
Аноним 16/07/20 Чтв 11:49:50 426303 491
>>426277
Хуй знает. Пробовал гибридники (вход лампа,выход транзисторный). Звучит как хуета. 2-3 схемы пробовал. Плоско как то. Может как раз и не хвататет ТЛЗискажений ? лол
Аноним 16/07/20 Чтв 12:40:08 426307 492
>>426303
>ТЛЗискажений
Оно самое, если хочется уже в лампу играть - то пили ориджинал чамп или deluxe reverb для клина, или маршол/меса для говнования и клина, лул. Благо, готовых и проверенных десятилетиями схем с пару десятков наберется. А гибрид проще готовый купить без васянства, может еще и дешевле выйдет.
Да, нас аудиофилы и хейтят за кучу искажений и повернутость на "неправильных" с их точки зрения компонентах/режимах, но в этом и цимес кочегарить усь ради смачного саунда.
Аноним 16/07/20 Чтв 19:47:07 426337 493
>>426301
>перегруз транса
>клиппинг
Ты даун?
>>426303
А сравнить измерения своей гибридки с типичным ТЛЗ не пробовал? Режим работы лампы надо подбирать, глядя на спектры, а не оценивать на слух.
Аноним 16/07/20 Чтв 21:05:00 426345 494
>>426282
А может пять каскадов? Или десять? Спектр перегруза разный у мощной лампы и у предварительных. сам как-нибудь разберусь, сколько и каких каскадов мне нужно
Касательно перегрузки трансформатора - у гитарных усилителей габаритная мощность выходного трансформатора вдвое-вчетверо меньше Hi-Fi усилителей на аналогичную мощность. Наверное, не просто так, а? заставить "вскипеть" выходной трансформатор в усилителе куда сложнее, чем работающий на синусе сетевой трансформатор - надеюсь, не надо объяснять почему?
Аноним 16/07/20 Чтв 21:32:47 426349 495
>>426345
>Спектр перегруза разный у мощной лампы и у предварительных.
Пруфы? Не пробовал настраивать режим работы лампы самостоятельно, контролируя измерениями, а не тупо копировать удифильские схемы?
>у гитарных усилителей габаритная мощность выходного трансформатора вдвое-вчетверо меньше Hi-Fi усилителей на аналогичную мощность. Наверное, не просто так, а?
Потому что для электрогитары не нужны НЧ, их можно и нужно завалить. Правда, если ты играешь на басу, то все-таки понадобится габаритный транс.
>сам как-нибудь разберусь, сколько и каких каскадов мне нужно
>заставить "вскипеть" выходной трансформатор в усилителе куда сложнее, чем работающий на синусе сетевой трансформатор - надеюсь, не надо объяснять почему?
Почему же? Давай, жги, обожаю читать высеры с удифильской шизой и метафизикой.
Аноним 16/07/20 Чтв 22:55:34 426362 496
>>426349
>Не пробовал настраивать режим работы лампы самостоятельно, контролируя измерениями
Режим работы лампы и спектр ее искажений - это разные вещи. Но вообще нет, не пробовал. Мне достаточно слышимой на слух разницы ее немного, но она есть, а какие там гармоники вылазят и каков их уровень меня мало волнует. раз уж речь зашла про измерения - прошу пруф наличия приборов с действующей поверкой, которыми можно контролировать такие параметры УНЧ, заодно и методику проведения измерений

>Правда, если ты играешь на басу, то все-таки понадобится габаритный транс.
Не только на басу. Баритоны, 7- и 8-струнные гитары, обычные 6-струнки с пониженным строем выдают больше низких частот, чем 6-струнка в классическом строе. Или под них тоже нужен басовый усилитель?

>Почему же?
Потому что через выходной трансформатор идет не синусоидальное напряжение, а звуковой сигнал, уровень которого большую часть времени не превышает предельно допустимый. Перегреть трансформатор редко вылезающими пиками мощности малореально. А всякие вжвжвжвж с фактически прямоугольным сигналом на выходе в лампу и не играют.
Аноним 16/07/20 Чтв 23:36:20 426366 497
>>426362
>Режим работы лампы и спектр ее искажений - это разные вещи.
Действительно. А одно на другое никак не влияет, да?
>Мне достаточно слышимой на слух разницы
>какие там гармоники вылазят и каков их уровень меня мало волнует
Типичная удифилия. "Не хочу понимать и думать, паяю какое-то говно по схемам таких же шизиков". Вангую, что ты и не гитарист, а обычный гитараст.
>прошу пруф наличия приборов с действующей поверкой, которыми можно контролировать такие параметры УНЧ
Пруф наличия звуковой карты? Пруф наличия входа у звуковой карты? А поверка нужна обязательно с печатью удифилического министерства правды?
>заодно и методику проведения измерений
Подключаешь к звуковой карте, подаешь тестовый сигнал, смотришь спектрограммы в удобном тебе софте, сравниваешь с нужным тебе референсом ТЛЗ.
>выдают больше низких частот
>под них тоже нужен басовый усилитель?
Нет никаких "басовых" усилителей. Вся разница между крупным и мелким трансом - в завале НЧ, и больше ни в чем. А что в ТВОЕМ понятии НЧ - я не ебу в душе. 20-50 гц диапазон твоя гитара с пониженным строем и толстенными струнами, диаметром с палец, выдаст с той же амплитудой, что и сотни гц, без огромного транса на выходе? Вопрос риторический, если что.
>не синусоидальное напряжение, а звуковой сигнал
Это троллинг тупостью? В розетке у тебя тоже нихуя не "синус", а харш-нойз с кучей шумов и корявой формой.
>через выходной трансформатор идет
Переменный, сука, ТОК! Похуй, какой формы.
>звуковой сигнал, уровень которого большую часть времени не превышает предельно допустимый
А какой предельно допустимый? Не подскажешь, почему если малогабаритный силовой транс 220В 400 гц включить в 220в 50 гц сеть, то он дымится и горит, при том что более крупный транс на 220в 50 гц при той же расчетной выходной мощности работает? Уровень-то тот же самый! Подумай над этим...
>Перегреть трансформатор редко вылезающими пиками мощности малореально.
Ну вот и сыграй на басу на своем чампе с мелким трансом. Только фильтр, давящий нч, со входа убери. Тебя ждут удивительные открытия!
Аноним 17/07/20 Птн 00:08:05 426370 498
IMG202007162333[...].jpg 232Кб, 780x1386
780x1386
IMG202007162334[...].jpg 270Кб, 780x1386
780x1386
IMG202007162333[...].jpg 240Кб, 780x1386
780x1386
IMG202007162332[...].jpg 273Кб, 780x1386
780x1386
Аноним 17/07/20 Птн 00:14:15 426372 499
IMG202007162334[...].jpg 224Кб, 780x1386
780x1386
IMG202007162333[...].jpg 233Кб, 780x1386
780x1386
IMG202007162332[...].jpg 263Кб, 780x1386
780x1386
IMG202007162334[...].jpg 239Кб, 780x1386
780x1386
Аноним 17/07/20 Птн 00:15:36 426373 500
IMG202007162335[...].jpg 230Кб, 780x1386
780x1386
IMG202007162336[...].jpg 243Кб, 780x1386
780x1386
Аноним 17/07/20 Птн 01:04:25 426376 501
>>426373
>>426372
>>426370
Мда, не удивительно, что ты нихуя не понимаешь и несешь пургу. Тебе оно точно нужно? Из говна конфетку не сделаешь...
По порядку:
1) Выходной кадровый транс - в перемотку/лом или продавай за 50-100 руб.
2) Выходной звуковой транс от полупроводникового телевизора. В перемотку/лом или продавай за 50-100 руб.
3) Силовой транс от полупроводниковой техники. В перемотку/лом или продавай за 50-100 руб.
4) Если хватит ума правильно соединить обмотки (пользуйся справочником), не смущают габариты, вес и слышимый вблизи гул при работе, то с большим запасом подойдет для питания большинства ТЛЗ девайсов.
5) Это дроссель, можешь поставить последовательно с анодным питанием.
6) Хз, но 99% что см. п.3.
7) См. п.3.
8) Хз, но 99% что см. п.3.
9) и 10) Хз. Нужно знать, откуда выдрано.
В общем, силовой транс у тебя есть, а вот выходной звуковой придется рассчитывать и мотать/заказывать, или искать хотя бы пресловутую каку под именем твз-1-9, так обожаемую удифилами-помоечниками.
Аноним 17/07/20 Птн 01:15:50 426377 502
>>426376
Ну, я собственно, и говорю, что не очень разбираюсь в ламповой теме
Так то гудение будет смущать, так что тогда буду покупать
Аноним 17/07/20 Птн 01:19:10 426378 503
>>426376
Да, спасибо, за детальное пояснение лампоанон
Аноним 17/07/20 Птн 01:55:01 426381 504
>>426378
>>426377
Я все же советую тебе гибридку, немало денег сэкономишь, а результат при грамотном подходе будет ничуть не хуже, во многом даже лучше. Ну, впрочем, делай как нравится. Веришь в культ удифилической метафизики - дерзай, но все же думать всегда лучше своей головой.
Аноним 17/07/20 Птн 17:19:22 426416 505
>>426370
>>426372
>>426373
Продай их нуждающимся, добавь денех и купи норм трансы и лампы, мотать это говно даже не пытайся.
Пили ориджинал чамп по гайдам выше, если загорелся ламповым усилителем для гитары.
Аноним 17/07/20 Птн 19:40:47 426438 506
Ребят, хочу собрать усилок на триодах. Читал выше, что у них адовый динатронный эффект и ничего не получится. Что делать, как этот эффект забороть?
Аноним 17/07/20 Птн 20:11:41 426444 507
Динатронный эффект? У триодов? Гыыыыыыыы
Аноним 18/07/20 Суб 00:01:18 426459 508
>>426366
>А одно на другое никак не влияет, да?
Влияет. Но это разные вещи.

>"Не хочу понимать и думать, паяю какое-то говно по схемам таких же шизиков"
А я ничего и не паяю уже. Сейчас мне хватает заводского усилителя.

>А поверка нужна обязательно с печатью удифилического министерства правды?
Нет, с печатью метрологической службы, аккредитованной на право поверки средств измерений.

>Подключаешь к звуковой карте
Звуковая карта - не измерительный прибор.

>подаешь тестовый сигнал
С чего? С звуковой карты?

>смотришь спектрограммы в удобном тебе софте
Непонятно как преобразованные.

>сравниваешь с нужным тебе референсом ТЛЗ
"Нужный референс" чтоб быть reference, должен быть измерен не звуковой карточкой.

>Вся разница между крупным и мелким трансом - в завале НЧ
А какова математическая зависимость размера трансформатора от полосы пропускаемых частот? Завал НЧ определяется индуктивностью обмоток, а не их размерами.

>В розетке у тебя тоже нихуя не "синус", а харш-нойз с кучей шумов и корявой формой.
Синус. Уровень помех в сети нормирован, и измеряется не звуковой карточкой.

>Переменный, сука, ТОК! Похуй, какой формы.
Форма не имеет значения, а пик-фактор - имеет.

>А какой предельно допустимый
Определяется размером магнитопровода и обмотками.

>Не подскажешь, почему если малогабаритный силовой транс 220В 400 гц включить в 220в 50 гц сеть, то он дымится и горит, при том что более крупный транс на 220в 50 гц при той же расчетной выходной мощности работает? Уровень-то тот же самый!
Частота разная, не?

>Ну вот и сыграй на басу на своем чампе с мелким трансом.
У меня нет чампа. Впрочем, пробовал, не на чампе. Какой-либо разницы не заметил.
Аноним 18/07/20 Суб 18:25:17 426492 509
>>426444
Ну да, вон выше почитай.
Аноним 18/07/20 Суб 20:13:55 426500 510
>>426459
>Звуковая карта - не измерительный прибор.
>Непонятно как преобразованные.
>С чего? С звуковой карты?
>reference, должен быть измерен не звуковой карточкой
Смотрите, у нас типичный ТЛЗ-долбоёб.
Аноним 20/07/20 Пнд 20:16:15 426665 511
Лампоёбы хуже бомжей на помойках, типа олдфага Коковина.
Аноним 21/07/20 Втр 21:30:42 426782 512
>>426665
А туда ли ты зашёл, однотранзисторный?
Аноним 22/07/20 Срд 21:37:25 426883 513
>>426381
Ну, кстати гибридка не смущает, ньюфаг еще, могу всё пробовать
Аноним 22/07/20 Срд 21:38:12 426885 514
Аноним 24/07/20 Птн 15:40:43 427043 515
image.png 239Кб, 1300x821
1300x821
>>426883
Пока ньюфаг - используй уже проверенные рабочие схемы, гибрид несколько сложнее, чем тот же чамп. Можешь попробовать собрать micro terror, схемы и мануалы по нему сам ищи. Его проще готовый купить.
>>426885
Из перечисленных тобой, в гитарных усилителях только EL84 применяются, еще не понятно какая эмиссия, может они уже всё. Если у тебя задача собрать только из имеющегося барахла - возьми за основу любую схему по нраву и пересчитывай номиналы резисторов/кондесаторов под свои лампы, про трансформаторы тоже не забудь. Дам ссылку, где крафтятся гитарные усилители на отечественных лампах, если в ангельский умеешь, то разберешься. С примерами звучания, т.е. оно хотя бы работает.
https://chasingtone.com/loco-fiasco/
Будь у тебя подходящие лампы и трансформаторы, уже со времени первого поста сделал бы как минимум рабочий макет, тем более, что динамики и кабинет уже готовые.
Аноним 25/07/20 Суб 03:26:39 427098 516
>>339464
Любой транзисторный усилок имеет отрицательную обратную связь. Поэтому твой нувистор, ламповый преамп и прочие нищебродские извраты не помогут. Если тебе когда-нибудь доведётся послушать хороший ламповый однотакт без ООС, скорее всего современные перделки слушать больше не захочется.
Вся суть ламповых усилителей - усиление сингала целиком, без ООС, с чётными гармониками. Добиться этого результата на транзисторах и микросхемах не получается, несмотря на все современные технологии. Ради этого собственно и ебутся с архаичными недолговечными лампами лампами. Единственная альтернатива это цифровой плагин/эмулятор лампового звука. Есть вполне себе неплохие. Правда разница между плагинами и реальными ламповыми усилителями примерно как между виртуальным сексом и реальным.
Аноним 25/07/20 Суб 12:35:47 427103 517
>>427043
Больше ламп богу ламп!
Аноним 25/07/20 Суб 13:00:53 427105 518
>>427098
>без ООС, с чётными гармониками.
То есть, ты сам понимаешь, что ни о какой верности звуковоспроизведения речи быть не может? Ламповое говнецо засирает полезный сигнал гармониками, а ламподрочеры едят и нахваливают?
Аноним 25/07/20 Суб 15:44:49 427131 519
>>427043
Да никак собраться не могу, пока отобрал лампы из этой кучи и отложил. Вот, теперь буду искать схему и делать
Спасибо за полный ответ!
Аноним 25/07/20 Суб 20:14:33 427188 520
>>427105
Еще один дебил.
В ламповых усях как раз нет как класса нечетных гармоник. Которые в транзисторных только достаточно недавно научились подавлять. И то это касается только дорогого сегмента.
В ламповом только четные. И в основном борются со второй четной. Но кому то наоборот, нравится ТЛЗ как раз из за этой второй гармоники. И в тот ли ты тредик зашел горемычный ?
Иди накати на своей ТДАшечке мр3-шечку посвежее с унц-унц каое.
Аноним 25/07/20 Суб 20:35:30 427190 521
>>427188
>Иди накати на своей ТДАшечке мр3-шечку посвежее с унц-унц каое
У меня Cowon с flac, пройди в очко со своими ГУ-50
Аноним 25/07/20 Суб 21:00:44 427196 522
>>427188
>Которые в транзисторных только достаточно недавно научились подавлять. И то это касается только дорогого сегмента.
Что конкретно имеется в виду? Схемотехника транзисторных усилителей мощности устоялась к середине 80-х, уже лет тридцать никаких особых нововведений не было.
Аноним 25/07/20 Суб 22:03:09 427213 523
>>427190
ну а хули ты тут забыл ? потролить решил ?
не получится.
А мы как тратили денег кучу на заказные трансформаторы. Конденсаторы BlackGate с соплями девственниц, так и будем.
По поводу "верности" воспроизведения, иди в пизду. Я тут собрал пару усилителей на алиэкспресных модуляк класса D,подал на них с хорошего ЦАП музыку. И человек с музыкальным слухом,послал нахуй ресивер DENON, не помню модель. Чего то в районе 50к. Так что "верность" воспроизведения...чисто индивидуальная хуйня.
Аноним 25/07/20 Суб 22:35:03 427219 524
>>427213

Я тоже сравнивал Class D с ламповым. Мне показалось, что Class D хуже лампового звука, примерно наполовину. Вот если транзисторный TDA взять за 0, хороший полевик взять за 75, а ламповый взять за 100, то Class D где-то в районе 50-60. Субъективно, не бейте пжлст.
Аноним 25/07/20 Суб 23:54:13 427227 525
>>427219
Надеюсь вслепую? Хотя право тред не тот, чтобы тут слепые тесты и наука торжествовала.
Аноним 26/07/20 Вск 12:21:28 427271 526
>>427227

Не вслепую, просто по ощущениям. Основным критерием была замыленность звука, чем её меньше, тем лучше.
Аноним 27/07/20 Пнд 04:31:41 427329 527
s93i53cwyuf31.jpg 90Кб, 602x422
602x422
>>427188
>В ламповых усях как раз нет как класса нечетных гармоник. Которые в транзисторных только достаточно недавно научились подавлять. И то это касается только дорогого сегмента.

Тут всё неправда. Толстый, жирный троллинг.
Аноним 29/07/20 Срд 08:34:31 427480 528
>>427271
>Звук не просто на порядок, а на несколько лучше.
drive2.ru /l/565964540500509194/
Аноним 29/07/20 Срд 23:58:36 427585 529
Аноним 30/07/20 Чтв 00:25:24 427587 530
.jpg 148Кб, 1914x1505
1914x1505
Держите ориджинал контент, господа.
Аноним 30/07/20 Чтв 00:35:27 427590 531
Ребят, чем качнуть одну половинку лампы 6Н5С (6Н13С)? Лампа дубовая в раскачке, требует весьма высокой амплитуды. Обычно качают двумя половинками 6Н9С впараллель, но может есть что-то ещё.
Аноним 31/07/20 Птн 18:06:47 427753 532
Колонки к компу неаудиофил совсем 03/08/20 Пнд 15:03:21 428032 533
Хочу колонки к компу, и появилась тупая мысля собрать ет на теплых лампах.
Я не аудиофил, совсем. Мне пофиг что и как слушать. Я не отличаю "хороший" звук от "плохого" итд итп. Потому мне пофиг, от ламп я планирую получить следующие профиты:

1. БОМБЕЖ всех знакомых не аудиофилов (ЗАЧЕМ ты ЕТО лепил).
2. БОМБЕЖ знакомых аудиофилов (ибо они дрочат на лампы но не имеют их в основном).
3. Колонки к компу (их у меня просто нет).
4. Красивые подсветочки в темноте (6П3С?)

С интересом выслушаю Ваши советы.
Аноним 04/08/20 Втр 03:24:57 428069 534
>>428032
Однокаскадник на 6Ж43П/6Ж52П ждёт тебя. Простой как три копейки, и результат вполне приличный.
Аноним 04/08/20 Втр 11:29:52 428090 535
LW.jpg 26Кб, 644x381
644x381
>>428032
Еще лучше лофтин на 5ф5п. Звучит очень корошо. Низы...низыыы.
Лампы только новые покупай.
Аноним 04/08/20 Втр 11:50:57 428093 536
>>428090
А то, что кипятильник в катоде - так это только плюс! Дома будет тепло.
Аноним 04/08/20 Втр 12:10:31 428095 537
DOC005422283.jpg 73Кб, 848x756
848x756
>>428093
ПОх. Главное поставить пикрилейтед резистор. А не цементный от дядюшки ляо. И греется не сильно.
Аноним 04/08/20 Втр 12:16:45 428099 538
>>428095
а SQP-10 чем плох в данной схеме?
Аноним 04/08/20 Втр 13:19:37 428105 539
Т.е. то, что в схеме присутствует кипятильник, никого не смущает? Какой там нафиг басс? У того чела, который запросил схему, нет ни трансформатора, ни акустики, которые были бы способны воспроизвести басс.
Аноним 04/08/20 Втр 16:41:07 428122 540
>>428105
Почитал бы для начала о схемах Лофтин-Вайт перед тем как пиздеть.
неаудиофил совсем 04/08/20 Втр 18:26:53 428126 541
Спасибо всем ответившим, прочитал, схоронил, буду гуглить и узнавать, да ламп штук 50т валяется (большинство с теликов и не подходящих), а вот трансов звуковых и питающих нет совсем сученьки-родсвенички постарались. ненавиж манечку разбирать все в чем медь...
Аноним 04/08/20 Втр 22:05:08 428135 542
15918646798050.png 68Кб, 312x312
312x312
>>428122
Ты, наверное, хочешь сказать, что с ТВЗ1-9 и калоночкой Genius с 50мм динамиком услышишь BASS, благодаря схеме Лофтина-Уайта?
Аноним 04/08/20 Втр 22:06:44 428136 543
>>428126
>трансов звуковых и питающих нет

аудиофила ничего не остановит, анончики верят в тебя. подключай всё напрямую без трансформаторов.
Аноним 04/08/20 Втр 22:43:09 428138 544
>>339432 (OP)
>Пропустил с десяток конструкций через симулятор

Ребят, в каком симуляторе это можно сделать? Посоветуйте, чтобы было побольше ламп в его базе.
Аноним 05/08/20 Срд 01:31:56 428139 545
>>428135
трасформатор ТВЗ "люкс" от лампобарона и акустика на 4гд36 в корпусе TQWP. Вот просто ахуенчик. Правда и усь собран на 6с5с+EL34 светлановские,которые с "золотыми куполами". А на 6ф5п собирал на пробу.Ну а тут человек и спрашивает схему попроще. Трансы правда брал готовые в "теке".А они поверь далеко не ТВЗ1-9.
Аноним 05/08/20 Срд 05:50:48 428143 546
>>428139
> Трансы правда брал готовые в "теке"
ссылочку можно на трансы
хочу посмотреть и вкатиться
Аноним 05/08/20 Срд 06:39:38 428145 547
>>428143
а все нашел. там еще цены пиздецовые
Аноним 05/08/20 Срд 11:30:20 428170 548
>>428145
http://tec.org.ru/board/tvz_1_9_light/141-1-0-3783

Вот такие я брал для экспериментов. В ДС2 дешевле можно найти только старые ТВЗ1-9 выдранные из какой нибудь убитой техники. И то просят от 1500 за пару. Ну нахуй. Эти дороже, но хоть понятно что от них ожидать. И по сравнению с тем же "лампобароном" или "золотой серединой" намного дешевле.
Аноним 05/08/20 Срд 11:43:36 428173 549
>>339432 (OP)
Для чего в схеме на 4-ом пике R2 и R22?
Аноним 08/08/20 Суб 18:13:36 428659 550
>>428173
R2 - регулятор громкости
R22 - часть схемы для "поднятия" накала по напряжению над катодом для снижения уровня наводок 50Гц.
Аноним 08/08/20 Суб 18:16:07 428660 551
>>428659
Точнее R21-R22 "виртуальная средняя точка" обмотки 6,3В, на которую подано положительное напрядение с делителя напряжения анодного питания R17-R20-R23.
Аноним 09/08/20 Вск 10:21:17 428742 552
image.png 94Кб, 512x295
512x295
У кого есть ирл опыт использования кенотрона 5ц4с/6ц4п по схеме пикрел, какая там просадка под нагрузкой? Есть один ТАН с ~ 2x275В вторички, что на выходе получится после LC? Дроссель 6Гн/150мА.
Надо для гитарного SE 12ax7/6V6.
Аноним 09/08/20 Вск 10:50:31 428748 553
>>428742
Сперва определись: ты либо гитарист, либо удифил-гитараст. Если первое, то забудь о кенотронах как о страшном сне и используй кремниевые диоды. Если второе - то страдай, ебись и дрочи как хочешь, хоть в присядку, только мозги другим не еби.
Аноним 09/08/20 Вск 11:05:08 428749 554
image.png 255Кб, 400x265
400x265
>>428748
Первое же, чойта так много хейта? Эталон чистого - делакс реверб/princeton`ы, которые как раз на кенотронах, как и большинство культовых Fender, потому и задал вопрос.
Есть вариант самонамотки и уже готовые таны, интересно мнение уже анонов с опытом.
Аноним 09/08/20 Вск 12:31:57 428759 555
>>428173
Где на 4ом пике R22?
Аноним 09/08/20 Вск 12:33:01 428761 556
>>428759

Cорри, увидел, в БП.
Аноним 09/08/20 Вск 12:34:00 428763 557
>>428139
Ты думаешь, у человека, который спрашивал, есть ТВЗ "люкс" и 4гд36?
Аноним 09/08/20 Вск 12:51:04 428765 558
>>428763
Как что-то недоступное.
Аноним 09/08/20 Вск 14:55:29 428815 559
>>428749
Кенотроны никак не влияют на звук. Культовые фендера родом из 50-60х годов. Использование кенотронов в современности - не более чем маркетинг + нажива на частой продаже запчастей (ресурс кенотронов невелик, как и прочих ламп).
Аноним 09/08/20 Вск 15:18:13 428833 560
>>428815
6П14П работали ГОДАМИ!!!
Аноним 09/08/20 Вск 15:28:24 428838 561
salas-hv-reg.png 20Кб, 492x477
492x477
>>428815
>Кенотроны никак не влияют на звук.
Таки влияют даже в худшую сторону. Сетевой фон остается, выходное сопротивление огромно что ведет к дрочу на конденсаторы.
Аноним 09/08/20 Вск 15:37:32 428846 562
>>428838
Схема - хуита какая-то, оверинжиниринг. Умножитель емкости лучше делать на биполярнике (точнее, сделать из двух дарлингтон), так будет намного эффективнее. Это полностью уберет сетевой фон. А стабилизатор напряжения - по вкусу.
Аноним 09/08/20 Вск 15:50:54 428851 563
>>428846 Покажи мне схему проще что дает 3-4nV/RtHz, PSSR 110-120dB и 2мОм выходного 20-20кгц.
Аноним 09/08/20 Вск 15:54:53 428852 564
>>428851
>2мОм выходного
Как ты себе это представляешь? У тебя там 100 штук 400В литиевых аккумов в параллель?
Аноним 09/08/20 Вск 16:09:07 428859 565
reg-salas-1a-zo[...].jpg 75Кб, 788x497
788x497
>>428852 Даже твой capacistance multiplier дает выходное сопротивление в десятки милиом. А тут еще стоит Q2 как усилитель.
Аноним 09/08/20 Вск 16:27:22 428868 566
>>428859
Тебе не кажется, что для лампача-гармонизатора это оверкилл? Это же не ЦАП. Давай тогда изобретать дифференциальный выход на лампах, схемотехника должна быть достойна этого еба-БП.
Аноним 09/08/20 Вск 16:41:38 428876 567
>>428868 Пара лишних транзисторов нынче не стоят ничего. Плюс эта схема не требует больших и дорогих электролитов, устойчива к кз, проверена сотнями хомячков с diyaudio. Единственный минус - нагрев. Подходит только для усилителей класса А.
Аноним 09/08/20 Вск 16:46:34 428879 568
Aikido Differen[...].png 70Кб, 1000x723
1000x723
Аноним 10/08/20 Пнд 00:40:51 428983 569
>>428879
операционник на лампах? и какое у него напряжение смещения?
Аноним 10/08/20 Пнд 12:16:20 429011 570
>>428983
В душе не розумию.
Аноним 12/08/20 Срд 13:44:33 429300 571
>>428032
Анончик, я тоже делаю такое. Не зрабрасывай тред, пили отчёты.
Аноним 14/08/20 Птн 01:59:55 429427 572
>>428763
Так я и предложил схему на 6ф5п которую собрал для пробы. Трансы правда выходные не совковые ТВЗ1-6 и т.п. а в ТЕКе брал за 3К за пару. И акустика TQWP. Но схема рабочая. Главное лампы не у бомжей брать. Ибо они и "новые" те ещё.
Аноним 14/08/20 Птн 09:54:25 429439 573
>>429427
У меня б/у прекрасно работали, а новые пошли в саморазогрев, лол :)
Аноним 17/08/20 Пнд 04:09:31 429780 574
Ньюфаг вкатился.
Анон, не завалялись ли у тебя лампы 12Н10С (американский вариант - 12SC7)? Они в металлическом корпусе.
В Москве, да и вообще в России через интернеты найти не могу. Заказал из Америки - так там доставка 2-3 месяца из-за ковида.
Аноним 17/08/20 Пнд 20:08:17 429809 575
>>429286
Очевидно, анодное напряжение менятся.
Аноним 17/08/20 Пнд 21:55:30 429826 576
>>429286 Поставь резистор последовательно с диодами - будет тебе мягкость от просадок под нагрузкой.
Аноним 17/08/20 Пнд 23:02:28 429831 577
>>428859
А зачем от питальника добиваться столь экстремально низкого вых. сопротивления? Это же не даст ничего заметного на практике, в случае с лампачами. Будет у тебя 2 мОм или 1 ом - однохуйственно, т.к. выходная мощность большинства лампачей лежит в пределах единиц ватт, никакого заметного влияния это не окажет, даже по измерениям. Если бы были сотни ватт на лампах, лол! - другое дело.
Да и твои 2 мОм - шиза полная, ты питание будешь проводами 10 мм по меди разводить? И припаивать будешь прямо к выводам ламп, а не к панелькам? У тебя на проводах/дорожках с панельками будет минимум несколько десятков мОм сопротивления.
Такой оверкилл это что-то типа использования сверхбыстрых ОУ 1000В/мкс для звуковых частот.
Аноним 17/08/20 Пнд 23:39:12 429836 578
>>429831
ооо, сверхбыстрые ОУ 1000В/мкс для звуковых частот, каеф
Аноним 17/08/20 Пнд 23:43:52 429839 579
>>429831
>А зачем от питальника добиваться столь экстремально низкого вых. сопротивления?
Низкое вых. сопр. снижает требования к конденсаторам. Ставишь на выходе пленочку 1мкф и все. Никакого дроча на качество и объем недешевых элетролитов. Стоимость пары транзисторов ничтожна по сравнению со всякими панасониками FC или упаси б-же аудиоебскими аналогами.
Ну и вых. сопр. получается низким само собой, когда делаешь стабилизатор с высоким PSRR.
>использования сверхбыстрых ОУ 1000В/мкс для звуковых частот.
И в этом тоже не вижу ничего плохого. Та же TPA6120 топовый усилитель для наушников. Стоит дешево, искажения -130дБ в композите, выходной ток полампера. И плевать что изначально это ОУ с токовой ос, драйвер дифпары для adsl на 320МГц и 1300В/мкс.
Аноним 18/08/20 Втр 00:03:06 429842 580
>>429839
Про PSRR согласен, но ты преподносишь вых. сопротивление как что-то критическое. Вон, даже промоделировал и график построил. С более-менее приличным стабилизатором большие емкости в любом случае не нужны.
>Та же TPA6120 топовый усилитель для наушников
Разве что по мнению маркетологов.
>плевать что изначально это ОУ с токовой ос, драйвер дифпары для adsl на 320МГц и 1300В/мкс.
Так-то оно так, плевать, но почему-то когда на форуме элитарствующих аудиофилов пишешь про то что это отбраковка от THS6012, начинается не хилое подгорание с активным обсуждением. Если уж идти по пути оверкилла, то лучше поставить хоть тот же THS6012, а не отбраковку от маркетологов. Иначе - второсортность, говноедство какое-то. Ящитаю.
Аноним 18/08/20 Втр 02:17:28 429854 581
>>429842 Я тут стараюсь подходить с рациональной стороны, а не перфекционизма. Зачастую проще взять избыточное но проверенное/ширпотребное решение.

Милиомы для лампового усилителя конечно не критичны, но они тут даются ценой пары транзисторов и вместе с кучей других плюшек.
Разницу между TPA6120 и THS6012 даже с серьезными приборами вряд ли удастся замерить. А вот купить куда проще первую.
Да и THS6012 уже давно не state of the art. Вот только все что лучше стоит дорого и хрен купишь, а разница за пределами измерений для простого смертного.
Аноним 18/08/20 Втр 02:19:25 429855 582
>>428748
А я вот после 3 лет конструирования на ультра-фастах, решил заюзать кенотроны. И честно говоря слегка прихуел от разницы. Сам паяльник держу в руках года так с 86 (50лвл старпер). И всё знаю что по идее ультрафасты с электронным фильтром ПИЖЖЕ. Но вот блять когда попробовал кенотрон с хорошим дросселем. Пиздец!!
Вот реально пиздец. Последние года 3 только кенотроны.
Это как на тему срача, что лучше ? "камень" или "лампа". Если всё так заебись на "камне". Берешь разные ONKYO DENON MARANTZ и т.п. да даже блять какой нибудь усилок класса D от дядюшки ЛЯО...у всех написано THD etc...0.01%..Одни стоят 50к,другие 300 руб...А на слух блять никто не может их "узнать"...пиздец. А вот разница от супер отфильтровонного питалова на ультра-фастах и "кена"...реально за кеном. Правда и нужно учитывать его "некторые особенности" ))...ГО СРАЧ!!
Аноним 18/08/20 Втр 02:23:21 429856 583
>>429855
Правда хочу накинуть в догонку. Фонокорректор только на ультра-фастах. Накал постоянкой (никакой средний отвод не поможет). Ебля с перекидывание плюси и минуса при этом (дабы лампа не отравлялась)...половые проблемы юзателя.
Аноним 18/08/20 Втр 10:07:48 429868 584
>>429855
Расскажи плиз про особенности.
Аноним 18/08/20 Втр 11:46:32 429871 585
>>429855
Так не пойдёт. Приведи хотя бы осциллограммы с анодного питания, вход в режиме АС, усилитель нагружен на 50%, на входе 1 кГц синус .
Для кенотронного выпрямителя с дросселем и для полупроводникового.
Аноним 18/08/20 Втр 12:51:20 429873 586
>>429854
>с рациональной стороны
NE5532/NE5534 + diamond buffer на кучке дешман-транзисторов.
ОУ с 1000В/мкс для аудио - это шиза, а не рациональность.
>>429855
>ГО СРАЧ!!
Не тот сайт. Без измерений обсуждать нечего. Лампач - гармонизатор, а лампач с кенотроном - гармонизатор в квадрате, т.к. огромное вых. сопротивление, просадки ===> плывущие режимы ламп.
Аноним 18/08/20 Втр 12:52:46 429874 587
Поясните ньюфагу, насколько взаимозаменяемы кенотроны 6X4 и 6Ц4П. Если воткнуть советский, не сгорит источник?
Аноним 18/08/20 Втр 13:02:21 429876 588
>>429873
>просадки ===> плывущие режимы ламп
Тогда можно поставить резистор последовательно с анодным и диодный выпрямитель, чтобы были просадки.
Аноним 18/08/20 Втр 13:02:48 429877 589
Снимок.PNG 97Кб, 1182x894
1182x894
>>429874
Вот мхема. Насколько я понимаю, 6X5 - октальный эквивалент 6X4.
Аноним 19/08/20 Срд 16:54:06 429988 590
>>429951
Да не надо нажать, приведите осциллограммы.
Аноним 22/08/20 Суб 17:25:16 430220 591
Хочу собрать СРПП усилитель для наушников, какой мощности трансформатор нужен? ( гугл показывает поделки с 300 вт гробами)
Аноним 22/08/20 Суб 21:09:07 430253 592
>>430220 Собирал стандартный вариант на 6н6п и наркоманские с tubecad (aikido и tringlotron на 6н1п и 6н6п). С ушами 32ом - первый хуйня, вторые не намного лучше. С 300ом нормально.
>какой мощности трансформатор нужен?
50-100вт
Аноним 23/08/20 Вск 13:25:12 430325 593
148535190615184[...].jpg 14Кб, 400x400
400x400
Ребят, на какую нижнюю частоту следует расчитывать ламповый усь, который будет работать на обычные настольные колонки? Конечно не мелкие перделки, а что-то типа 301520 см. А то народ ставит могучие выходные трансформаторы и межкаскадные кондёры на 1 мкФ. А какую вообще частоту могут выдать подобные колонки?
Аноним 23/08/20 Вск 13:26:32 430326 594
>>430325
30x15x20 см
макаба чё-то переделала
Аноним 23/08/20 Вск 14:03:23 430329 595
>>430325
> А какую вообще частоту могут выдать подобные колонки?
Смотри АЧХ в даташите модели колонок.
Аноним 23/08/20 Вск 14:08:06 430331 596
>>430329
У них там у всех стандартное с потолка, не имеющее отношения к реальности.
Аноним 23/08/20 Вск 16:29:41 430356 597
>>430331
На основании чего сие утверждение?
Аноним 23/08/20 Вск 20:43:10 430388 598
>>430356
На основании паспортов от настольной акустики, разной.
Аноним 24/08/20 Пнд 12:51:26 430426 599
>>430220
Из всех СРПП усилителей для наушников лучше всего на 6С19П....но вот блять на накал нужно аж 6А...(кажда по амперу жрет,4 лампы + драйвер).
Аноним 24/08/20 Пнд 13:14:15 430428 600
>>430426
Зачем усиливать сигнал для наушников? Он итак достаточный, прямо от источника. Лампа 6C19П довольно мощная, отлично раскачивает любую акустику. Зачем она наушникам?
Аноним 24/08/20 Пнд 13:32:08 430433 601
>>430428
От источника....с линейного выхода ЦАПа ты сможешь послушать через какие нибудь "Байеры" 600 Ом-ные?
Аноним 24/08/20 Пнд 13:48:40 430436 602
>>430433
Сорри, не знал, что есть такие наушники, которым нужен усилитель.
Аноним 22/09/20 Втр 15:02:50 433505 603
Аноним 30/09/20 Срд 19:27:23 434465 604
>>430436
Это не наушникам усилок надо а проводам. По факту все что больше 60 ом - кал, а большинство наводок заглушит и 30 ом, а если экраном уметь пользоватся то и 16 ом хорошие провода с потрясающим резким динамичным звуком. У самих цапов не редко мощный выхлоп как для ушек, а добавлять в тракт преамп со срачами это верх дебилизма, напомню что преамп без срачей делают только PS Audio за несколько штук баксов, то что сам напаяешь можно только путина смешить пидораха нищееб.
Но чучуть усилить и не насрать проще чем сильно усилить и не насрать, у преампов обычно лучше характеристики чем у павер ампа которые иногда не регулируемые.
Аноним 06/10/20 Втр 18:38:56 435023 605
>>434465
>>По факту все что больше 60 ом - кал
Откуда такая инфа? Ты Скозал ?
А нахуя спрашивается всякие "Байеры" по 600ом ?
Мастеринг как правило юзают от 250 Ом.
Аноним 27/10/20 Втр 09:26:32 437308 606
DVS.JPG 99Кб, 896x1084
896x1084
Как думаете, получится завести 6н1п/6н2п от 9 вольт?
Хочу запилить ламповизатор - вставить лампу в тракт между предом и оконечником на TDA, чтоб немного искажала.
От 12 вольт у меня такое получалось провернуть, но тот блок предназначается для жесткого диска.

Мощность каскада не важна, главное облампизировать, а дальше всё TDAшка усилит.
27/10/20 Втр 13:48:50 437328 607
>>437308
>пикрил
Я заинтригован
Аноним 28/10/20 Срд 02:26:36 437421 608
>>437308
С таким напряжением лампа даже не откроется. Не страдай хернёй. Разве что с 6Н23П можешь попробовать.
Аноним 28/10/20 Срд 09:18:55 437452 609
>>437421
Ну с 12 открывалась же. Подумал может ещё троечку скинуть можно.
Линейность не нужна, ламповая компрессия не повредит.
Аноним 04/11/20 Срд 06:37:00 438077 610
>>437308
Не твори хуйню. Лучше возьми стержневые лампы вроде 1Ж24Б и 1П24Б, они нормально работают при низких напряжениях.
Аноним 04/11/20 Срд 23:30:07 438222 611
>>437308
>>437421
>>438077
>6н1п/6н2п от 9 вольт?
>С таким напряжением лампа даже не откроется
Диванных теоретиков полон тред. Лет 5 назад экспериментировал с распространенными лампами, типа 6н1п, 6п1п и подобными. Причем, использовал б/у шные. Меньше 12В не пробовал, но от 12-15В - вполне себе работают. Линейность и прочее не измерял, проверял сам факт. "Секрет" прост - нужно смело подавать на сетку ПОЛОЖИТЕЛЬНОЕ смещение. При 0 и отрицательном смещении даже новая лампа не факт что хоть как-то заработает при таких напряжениях на аноде.
Аноним 05/11/20 Чтв 09:24:23 438241 612
Пацаны, как правильно запитывать накалы у SRPP драйвера? Проблема вот в чём. Анодное напряжение довольно высокое, и если все накалы запитать общим напряжением, есть вероятность пробоя катод-накал. Я пока только придумал так: нижнюю лампу питать общим накалом, а вот верхнюю - отдельным. Но говорят, что верхний ещё надо подпирать положительным напряжением, равным половине анодного, а вот нахуя? Он же гальванически не связан с остальной схемой, если это отдельная обмотка.
Аноним 06/11/20 Птн 11:46:21 438406 613
>>438374
но катод и накал верхней лампы не связаны гальванически
Аноним 07/11/20 Суб 00:31:15 438510 614
sa2015mosfetsch[...].png 268Кб, 2272x1704
2272x1704
sa2015thd+nwith[...].png 104Кб, 1500x700
1500x700
Не_лампового треда не нашел, так что спрошу тут. Собираюсь сколотить ящик с Visaton B 80 (6.6ом 50вт) и Dayton RS225-8 (6.5ом 80вт) с активным фильтром и биампом. Какие усилители собирать? Не очень дорого и из доступных деталей.
Что-то вроде пикрелейтеда? Оставить 2 из 3х выходников, питание 35в, RC фильтры VAS заменить на capacitor multiplier ну и перевести все на смд по возможности. Единственное что не нравится так это то что это ебаная печка. 25вт в простое.
Аноним 07/11/20 Суб 07:45:15 438517 615
>>438510
Тебе херней пострадать аудиофильствовать или как у нормальных людей? Если второе, то делай на устраивающей тебя по параметрам микросхеме. Если первое, то спектр извращений весьма широк: есть схемы полностью на дискретке, например, "оплеуха микрухам", есть схемы с ОУ на входе и алмазным буфером на выходе, есть "гибридные" схемы с лампами. Алсо, есть и совсем копеечные бич-варианты, типа плат усилителей T/D класса с алика. Я в душе не ебу, что у тебя в голове, так что ТЕБЕ явно виднее.
Аноним 07/11/20 Суб 08:49:43 438519 616
>>438510
Собирай 4 канала "оплеуха микросхемам", потребуется ещё активные фильтры собрать, запусти это всё вместе, измерь АЧХ, которая получилась, доведи её до желаемой, дальше если очень хочется можно экспериментировать с другими усилителями.
Аноним 07/11/20 Суб 08:54:37 438520 617
Screenshot 2020[...].png 62Кб, 526x402
526x402
harsch-10f-rs22[...].png 139Кб, 1024x476
1024x476
>>438517 Надрачивать на звук не собираюсь, но и совсем хуиту ставить не хочется.
Из китайцев более-менее устраивает 4х канальный модуль на TPA3255 за 45$ с ибп на 48в. Но все равно не нравится что после пары килогерц искажения взлетают до 0.1%. Что уже дохуя учитывая искажения динамиков на уровне 0.3%
Аноним 07/11/20 Суб 09:35:46 438524 618
>>438520
Почему классические АБ интегральные усилители игнорируешь? Например, STK404 и STK433 серии. TDAшек десятки моделей, на любой вкус. Сиди, читай даташиты да выбирай. Главное - на али не покупай, там сплошь фейки.
Аноним 07/11/20 Суб 12:51:17 438532 619
>>438516
што? накал верхней лампы - это отдельная обмотка на трансформаторе.
Аноним 07/11/20 Суб 12:52:42 438533 620
>>438520
Почему не хочешь собрать на одной лампе? Тут тебе и КНИ, и качество, и выглядит круто, и греет так, как ты любишь.
Аноним 07/11/20 Суб 18:14:42 438603 621
>>438520
Stonecold собирай. Охуенно играет.
Аноним 07/11/20 Суб 20:14:06 438612 622
Насколько ламповость звука из хорошего современного усилка отличается от такового из советской радиолы 50-х годов?
При условии одинаковых АС конечно.
Аноним 08/11/20 Вск 02:36:35 438636 623
>>438612
В пердолах трансформаторы на выходе стоят маленькие, расчитанные на свою пердольную акустику. Не знаю, что у тебя там за "хорошие современные" усилки, но в свои усилки люди ставят трансформаторы с хорошим сечением, что даёт достойную АЧХ.
Аноним 08/11/20 Вск 03:27:50 438637 624
>>438636
>в свои усилки люди ставят трансформаторы с хорошим сечением, что даёт достойную АЧХ
Это поэтому сейчас найти неразбомжованную пердолу или телек почти нереально? Почему-то 95+% удифилов ставят в свои высеры именно выходные трансы от пердол и телевизоров. Как только удифил видит многотысячный ценник за новенький крупный транс и свежие лампы, под нож кусачки сразу пускается наследство от бабушек и дедушек.
Аноним 08/11/20 Вск 09:04:41 438645 625
Screenshot 2020[...].png 315Кб, 1537x1008
1537x1008
>>438524 А в рф не фейки? В терре лежит LM3886 за подозрительные 335р.
А так да, полистал теперь уже русскоязычные форумчики и нашел ZD-50 - композит на LM3886, AD8065, LD1084. 4вт в простое и искажения ниже плинтуса.
Аноним 08/11/20 Вск 12:56:53 438659 626
>>438637

не, ты чо. пердольные трансы идут в дело либо при макетировании, либо у школьников-новичков. а покупать - вообще дичь какая-то: всю схему паял сам, а трансформатор купил? неее, трансформаторы надо мотать. для себя мотаешь - делаешь качественно!
Аноним 08/11/20 Вск 13:22:19 438662 627
>>438659
Охуительные истории. Железо и медь к трансу видел сколько стоят? Чтобы мотать качественно, еще и станок нужен. Выгоднее купить. Но цена кусается в любом случае, поэтому если типичный удифил что-то мотает, то железо взято с мусорки, а медь смотана оттуда же или куплена на металлоприемке. Перед тем как что-то паять, еще корпус понадобится, а это уже отдельная история...
Аноним 08/11/20 Вск 13:27:48 438663 628
>>438645
В терре фейков ни разу не встречал. На али не вздумай даже соваться. Схема в целом адекватная. Вместо гроздей электролитов по питанию я бы поставил умножители емкости (перед стабилизаторами). И ставить грозди кондеров ПОСЛЕ стабилизатора - бесполезная трата места.
Плату бери проверенную, с измерениями. Если такая есть. Сам не разводи - бесполезная трата времени, если другие уже сделали эту работу за тебя.
Аноним 08/11/20 Вск 15:49:07 438671 629
>>438662
железо с мусорки о тс-180 например. шикарное. медь купить - намного дешевле, чем купить трансформатор. вопреки мнениеям, что нельзя использовать б/у провод, даже им прекрасно мотается.
Аноним 08/11/20 Вск 15:49:52 438672 630
>>438663
на али есть магазины, торгующие только оригинальными полупроводниками. ни разу фейков там не встречалось.
Аноним 08/11/20 Вск 20:10:22 438727 631
Screenshot 2020[...].png 111Кб, 1368x711
1368x711
Screenshot 2020[...].png 115Кб, 1368x711
1368x711
Screenshot 2020[...].png 235Кб, 1367x930
1367x930
>>438663
>Вместо гроздей электролитов по питанию я бы поставил умножители емкости
LD1084 тут такое себе решение. У них максимум 30в, а тут будет 27-38 при изменении сетевого. Ну и доп. обмотка, проблемы с пиковым током итд.
Простой стабилизатор на tl431 будет уместнее.
По емкостям 10000мкф 35в до стабилизатора и по паре low esr 1500мкф после.
Плата оригинала четырехслойная, так что один в один не скопировать.
Аноним 09/11/20 Пнд 01:22:57 438778 632
>>438671
Ты ещё поди отслушанные конденсаторы выпаиваешь, сектант
Аноним 09/11/20 Пнд 03:17:07 438779 633
>>438778

А ты что, не знаешь чтоли? Ток течёт от плюса к минусу, а электроны - от минуса к плюсу! По аналогии, если звук идёт из усилителя наружу, то вот эта вот вся теплота, ламповость и отслушанность текут в обратном направлении, из ушей в усилитель! В этом свете действительно отслушанные конденсаторы бесценны.
Аноним 11/11/20 Срд 16:15:13 439062 634
>>438727
Надеюсь, ты шутишь. Есть хотя бы те же LM317 и LM337, немало аналогов. Твое решение с TLкой - вариант уровня "на необитаемом острове...".
Аноним 11/11/20 Срд 20:53:54 439103 635
>>439062 Lm317 тоже будет работать на пределе по напряжению (37в) и по току (1.5А придется ставить 2-3 параллельно или с силовым транзистором). В моём случае получаем лучший psrr, вых.сопротивление, меньший шум и vdrop, запас по напряжению и никаких лишних электролитов (как на adj pin lm317)
Аноним 11/11/20 Срд 20:57:39 439105 636
>>439103
Тебя ждет куча удивительных открытий. В реальности БП на TL431 далеко не так хороши. В симуляторе даже параметрический стабилизатор со стабилитроном показывает отличные характеристики, но реальность сурова.
Аноним 11/11/20 Срд 22:01:48 439116 637
HVIiiaQ.png 57Кб, 827x620
827x620
>>439105 Точных замеров именно этой версии у меня нет, но аналогичная схема на стабилитроне с парой транзисторов вместо tl431 уделывает lm317 по всем параметрам. И шум и psrr и вых. сопротивление.
https://linearaudio.nl/sites/linearaudio.net/files/v4%20jdw.pdf
Аноним 11/11/20 Срд 23:20:25 439123 638
>>438671
А что это ты из готовых компонентов собираешь транс а не сам изготавливаешь пластины и тянешь медь? ты что, долбойоб?
Аноним 12/11/20 Чтв 03:21:28 439139 639
>>438612
Максимально тупой вопрос
Аноним 12/11/20 Чтв 12:24:16 439170 640
>>437355
Бляяядь, лол! Этот хуй с теории ДВС пидором оказался! А мужики в курсе?
Аноним 12/11/20 Чтв 19:06:07 439243 641
>>439170
Ну ты и соня, тебя даже вчерашний шторм не разбудил
Аноним 15/11/20 Вск 16:22:20 439726 642
>>438727
Хм, светодиод в качестве задающего элемента. Звучит надёжно.
Аноним 15/11/20 Вск 17:40:35 439736 643
>>439726
Это еще что. Светодиоды еще нередко юзают как датчики температуры и варикапы.
Аноним 18/11/20 Срд 20:26:07 440135 644
ssnnn1.JPG 37Кб, 763x403
763x403
ssnnn12.JPG 29Кб, 757x390
757x390
ssnnn123.JPG 29Кб, 757x226
757x226
>>339432 (OP)
Раковник мой браузер тянет с трудом, поэтому спрошу здесь.

Меня всё не оставляет идея фикс - питать ламповую примочку 9-вольтовым блоком, чтобы была универсальной, так-сказать.
Вот что придумал - мультивибратором генерирую прямоугольный сигнал частотой 50 герц (амплитудой +-4.5 вольта), пропускаю его через rc-фильтры чтобы превратить в синусоиду, и через эмиттерный повторитель пропускаю через повышающий трансформатор. Повышенное напряжение выпрямляю, сглаживаю и на анод. Расчитываю таким образом выжать хотя бы 30 вольт анодного.

Но, чет на превращении меандра в синус уже началась загвоздка. У меня вместо нормальной волны, после фильтра второго порядка, получается вот такая хуетень что на пике.
Есть смысл стаивть ещё фильтры, или можно подавать на транс прямо такой извращенный синус?
Аноним 18/11/20 Срд 20:47:17 440138 645
>>440135
В целом все звучит как бред, но кое-что особенно.
>Но, чет на превращении меандра в синус уже началась загвоздка.
>через rc-фильтры чтобы превратить в синусоиду
Поставь хотя бы звено Саллена-Кея. Но зачем, если можно сделать допустим генератор Вина или еще какой-нибудь, сразу с синусоидой на выходе.
Аноним 18/11/20 Срд 21:01:35 440139 646
sssiiinnn.JPG 35Кб, 925x303
925x303
>>440138
>В целом все звучит как бред
в интернете после своей идеи ввел в поиск "повышайка на мультивибраторе", и там всё примерно по такой схеме и идет:
импульсы с мультвибратора идут на полевики а с них на транс.

В моем случае изменения лишь в том, что я беру импульс только с одной стороны, и усиливаю его эмиттерным повторителем.
А в синусоиду превращаю потому, что в розетке синусоида. Раз по классическим схемам на анод идет выпрямленное напряжение полученное трансформацией из сети, то такая вещь гарантированно будет работать. А если меандр выпрямлять то мало ли какие будут подводные.

Генератор синусоиды, к сожалению, пока сделать не в состоянии. Слишком всё мудрено выглялит, катушки какие-то нужно мотать. Готовые детали как-то практичнее.
Аноним 18/11/20 Срд 21:19:22 440143 647
>>440139
>ввел в поиск
Введи лучше "step up dc-dc".
Аноним 18/11/20 Срд 21:58:58 440147 648
sssiiinnn222.JPG 36Кб, 925x303
925x303
>>440138
>>440143
Короче я придумал как округлить меандр. Поставлю ограничитель на светодиодах! Они же закругленно ограничивают, получится некоторое подобие синуса.
Аноним 19/11/20 Чтв 02:31:55 440164 649
шо за хуйню вы тут несёте, поставьте любой повышающий преобразователь с высоким кпд + дроссель, нахуй какие-то синусы? если вам для ушей, то там анодный ток очень скромный, такой преобразователь будет иметь габариты 2*2 сантиметра.
Аноним 21/11/20 Суб 03:13:57 440439 650
sa13.gif 19Кб, 800x462
800x462
Аноним 26/11/20 Чтв 22:24:22 441147 651
Сап, радиач! Для чего в схемах некоторых ламповых усилителей на входе стоит конденсатор, а у некоторых его нету?
Аноним 26/11/20 Чтв 22:49:35 441148 652
>>441147 Это популярная забава аудиоебов, дрочить на звук тех или иных конденсаторов. Отдельная группа дрочеров наоборот считает что их должно быть как можно меньше.
Аноним 27/11/20 Птн 02:45:16 441166 653
>>441148
нене, там на сетке лампы предварительного каскада какой-то потенциал есть или что? кондёр ведь тупо отсекает постоянку, вот для этого. но откуда не сетке потенциал в одной схеме, и почему его нет в другой?...
Аноним 27/11/20 Птн 05:20:34 441171 654
>>441166
Кондер как раз отсекает возможную постоянку и ИНЧ на выходе источника.
Аноним 27/11/20 Птн 13:57:05 441205 655
>>441171
а мне кажется, что он как раз в некоторых схемах защищает источник, чтобы ток не пошёл через него, если не сетке есть потенциал. может такое быть?
Аноним 29/11/20 Вск 23:25:48 441510 656
О, тоже делаю СРПП. Значит чё там решили, накал верхней лампы питать от отдельной обмотки и подпереть его делителем от анодного напряжения? А если не подпирать, пизданёт?
Аноним 12/01/21 Втр 21:52:15 446486 657
изображение.png 807Кб, 600x599
600x599
Суть такова: есть кучка 6Ж1П. Хочу попробовать собрать на них гибридник для наушников. Питать планирую 40 вольтами анодного, 6,3 вольтами накал через линейный стабилизатор. Задержку анодного предусмотрю.
Вопроса два:
1. Взлетит?
2. Стоит ли ограничивать напряжение между затвором и истоком стабилитроном, или с анода не будет размаха в 15 вольт?
Аноним 06/02/21 Суб 17:18:31 449839 658
Ламповые ананасы, посоветуйте годную и проверенную схему ламповой головы. Без ебельти с подбором номиналов. Желательно на самых распространенных лампах аля 6н2п/ 6п3с, и с максимально возможным количеством крутилок.
Аноним 07/02/21 Вск 01:06:50 449882 659
>>449644
И почти у всех доступных ламп этот параметр не годится к применению в SRPP
07/02/21 Вск 22:12:02 449948 660
Аноним 12/02/21 Птн 22:26:57 450645 661
>>446486
Мне кто-нибудь ответит, или вас всех анодным поубивало?
Или вы умерли от кровопотери при анальном кровотечении, полученном от ГУ-50?
Аноним 14/02/21 Вск 04:42:03 450807 662
>>446486
Взлетит, куда денется. Накал можно и DC-DC, зачем туда линейник?
>не будет размаха
Посчитай, если лень считать - ставь стабилитрон.
Аноним 03/03/21 Срд 19:29:31 453961 663
Как правильно реализовать холодный байпасс в ламповом усилителе, господа? Гугл дает только рекламные статьи и аудиофильские высеры без ответа по сути.

В транзисторных усилителях просто размыкают одновременно вход и выход одним свитче, но мне кажется что тут есть подводные камни (слышал, что без нагрузки ламповый мощник может просто сгореть на выходном каскаде). У меня конечно не мощник, но энивей.

Аноним 18/04/21 Вск 16:00:48 459788 664
image.png 315Кб, 348x512
348x512
Поясните за согласование оконечного трансформатора со вторичкой на 8Ом и аккустики 6Ом. Всё плохо или пофигу?
Аноним 18/04/21 Вск 16:05:24 459789 665
>>453961
>без нагрузки ламповый мощник может просто сгореть на выходном каскаде
С чего бы вдруг?
Аноним 18/04/21 Вск 16:43:58 459791 666
>>459788
Да всё ОК, разница минимальная
Аноним 18/04/21 Вск 16:45:40 459792 667
>>459789
>С чего бы вдруг?
Перенапряжение на первичке оконечного транса, особенно если он без ООС. Может прощить обмотку или ещё что.
Аноним 18/04/21 Вск 16:59:51 459793 668
>>459792
Похоже на какие-то сказки. Вдруг без нагрузки на первичке появится пара тысяч вольт? С чего вдруг?
Воткнуть на вторичку 10 кОм да и всё, не?
Аноним 20/04/21 Втр 19:44:49 460012 669
А в чём суть дроча на 6С45П и в особенности на 6С15П?
Аноним 25/04/21 Вск 18:34:04 460564 670
IFRstab.jpg 10Кб, 400x214
400x214
Насколько каноничен стабилизатор анодного питания в ламповом усилке? Отцы уверяют, что только CLC фильтры, остальное от лукавого. Покидайте схемы, пожалуйста.
Аноним 26/04/21 Пнд 07:23:31 460624 671
>>460564
Ты же сам прикрепил схему.
Аноним 26/04/21 Пнд 15:54:10 460669 672
>>460624
Да. Только это нифига не стабиллизатор.
Аноним 26/04/21 Пнд 20:21:31 460686 673
>>460669
Ну да, а зачем стабилизатор? Это т.н. электронный дроссель, который отрезает несколько вольт с помехой 100 Гц.
Аноним 01/05/21 Суб 19:11:01 461170 674
>>460686
Выдать на схему расчётное напряжение, а не то что получилось в рандомного трансформатора, который был в наличии.
Аноним 14/05/21 Птн 17:54:47 462550 675
s
Аноним 24/05/21 Пнд 17:33:39 463545 676
Товарищи лампоебы, нужно ли задрачивать ТП60-5 под ТВЗ? Железо хорошее, а перематывать лень. Просто поставить прокладку ебучую между половинками транса и все?
Аноним 24/05/21 Пнд 17:44:04 463548 677
>>460564
Норм работает. Ставь смело
Аноним 24/05/21 Пнд 20:08:01 463556 678
.
Аноним 24/05/21 Пнд 22:31:55 463571 679
>>463545
А почему она ебучая, кого она так так много ебала, уж не тебя ли?
Аноним 09/06/21 Срд 16:01:02 465203 680
изображение.png 269Кб, 480x360
480x360
Аноним 09/06/21 Срд 20:04:27 465220 681
>>465203
Лоллирую всегда с этих цифро аналоговых осциллографов. Худшее из двух миров просто. Ккккомбо.
Аноним 09/06/21 Срд 20:40:27 465222 682
>>465220
Посмотрел из-за тебя это видео.
>этих цифро аналоговых осциллографов
И что в этом осциллографе такого аналогового? Это вроде бы HP 54622A. Конечно он древний и характеристики посредственные, но он же цифровой.
Аноним 09/06/21 Срд 20:44:09 465223 683
>>465222
>HP 54622A
Хотя нет, это с 16-канальным логическим анализатором похоже. Значит это либо HP 54621D, либо 54622D.
Аноним 09/06/21 Срд 21:06:00 465225 684
`12
Аноним 09/06/21 Срд 22:36:41 465238 685
>>465222
У него трубка аналоговая. А эта хуита - худшая часть лучшего типа осциллографов.
Это так же нелепо как если бы в аналоговый осцилл поставили бы жк экран.
Аноним 09/06/21 Срд 23:26:43 465250 686
А почему дед в платье?
Аноним 09/06/21 Срд 23:41:12 465255 687
Аноним 10/06/21 Чтв 07:00:06 465277 688
>>465238
Ерунда. Относительно не так давно ЖК мониторов не было, с пекарнями использовали ЭЛТ. Вот и тут то же самое, ну просто не было тогда подходящих ЖК. Но из-за этого осциллограф не становится аналоговее. А когда подходящие ЖК начали появляться, у них было очень хреновое время отклика, да оно и сейчас часто не очень, это же не OLED.
А у этого осциллографа внутри почти обычный VGA монитор и еще наружу разъем выходит. Можно воткнуть ЖК в этот разъем или вовсе выкинуть трубку и воткнуть на ее место ЖК.
Аноним 10/06/21 Чтв 10:22:12 465290 689
>>465277
Я и без тебя знаю что это и как оно работает, потому и написал что написал.

И да именно что осциллограф становиться аналоговее. Причём там где ненужно. Ладно мы он поимел реально полезные особенности аналога, но нет, он взял от него только самую всратую часть - экран. С кривой геометрией, с высоким напряжением, с люминифором, с хрупкостью, габаритами, тяжестью, жором энергии, меньшей надежностью и временем наработки. И, что вообще кек приминительнго к цифре, даже не цветной.

Всратый гибрид. Выродок переходного процесса и з аналога в цифру.
Ечсли видишь такой осцилл, то автоматом понимаешь, что там старая всратая цифра (которая конечно же хуже современной, которая и сейчас не блещет если это не прибор за несколько миллионов) и плюс к этому говну ещё и кинескоооооп блять.
Аноним 18/08/21 Срд 21:53:21 471441 690
35543678.jpg 1719Кб, 3264x2448
3264x2448
> Сделал фото своей коллекции, кроме больших трубок, они отдельно.
Аноним 18/08/21 Срд 23:03:07 471442 691
Аноним 19/08/21 Чтв 11:00:29 471461 692
А за хранение рентгеновских трубок не набутыливают?
Аноним 19/08/21 Чтв 17:36:03 471484 693
>>471441
А на стене у окна матрицы памяти из ЭВМ?
Аноним 19/08/21 Чтв 19:39:28 471502 694
>>471484
Это матрицы первых, ч/б цифровых фотоаппаратов.
Аноним 19/08/21 Чтв 21:37:22 471508 695
>>471461
Ты бабка что ли? Пока ты не подал на нее 50-100 кВ, такая трубка - безобидное украшение интерьера из стекла и металла, не опаснее цветочной вазы.
>>471484
Это всякие ИГПВ и подобные матричные газоразрядные и вакуумно-люминесцентные индикаторы. Очень редкие штуки, в живом виде встречаются еще реже.
Аноним 19/08/21 Чтв 21:43:39 471509 696
1.jpg 66Кб, 652x872
652x872
2.jpg 48Кб, 609x814
609x814
3.jpg 42Кб, 609x814
609x814
Вот вам хитрая лампа. ИЗЮМИНКА!
Аноним 20/08/21 Птн 02:23:29 471519 697
>>471509
Что за фрукт такой?
Аноним 20/08/21 Птн 02:50:59 471520 698
>>471519
Ранняя версия тиратрона ТГИ1-100/8.
Аноним 21/08/21 Суб 00:34:37 471694 699
>>471520
Интересно, это раньше вместо тиристоров было.

Пишут что оно и сейчас где-то работает.
Аноним 23/08/21 Пнд 10:41:19 471887 700
dubelanzh1.jpg 723Кб, 1460x1095
1460x1095
dubelanzh3.jpg 1211Кб, 2288x1520
2288x1520
antracit4.jpg 1600Кб, 3216x2144
3216x2144
antracit3.jpg 1402Кб, 3218x2145
3218x2145
24/08/21 Втр 21:55:55 472044 701
>>471509
>>471887
Скорее всего, что это для выпрямителей шахтного оборудования, электротранспорта или блоков питания передатчиков телевышек. Больше применения я им не вижу.
Аноним 26/08/21 Чтв 09:25:20 472145 702
>>472044
У меня такой в зарядке айфона стоит
Аноним 26/08/21 Чтв 14:26:18 472177 703
>>471887
Уважаемый, вас ждут не дождутся на 115ла3. Неплохо бы им виртуальную коллекцию пополнить.
Аноним 26/08/21 Чтв 14:37:17 472180 704
>>472145
Со своего айфона "вражескими голосами " вещаешь на всю страну?
Аноним 26/08/21 Чтв 15:38:49 472189 705
>>472177
Это фотки оттуда.
Аноним 21/09/21 Втр 00:17:23 474394 706
Да ладно
Аноним 21/09/21 Втр 00:47:23 474395 707
wtf-they-doing.jpg 12Кб, 320x180
320x180
Аноним 15/12/21 Срд 16:13:55 483439 708
>>339432 (OP)

5Ц3С – большой и няшный
Кенотрон-универсал.
Горячий очень он и классный,
Нужен керамический октал.

Накалом полукиловаттным
Триод ГМ-100 удивит.
Декатрон без всяких траблов
Индикатор заменит.

Так «кошачий глаз» прекрасен,
И притом он есть не просит!
Как чудовищно опасен
Жук рогатый ГИ-8…

6Ж1Ж похожа на ежа,
Фотоумножитель - на ужа.
Пентод ГУ-46 всем так хорош,
На шар елочный похож!

Надежнее деталей многих,
Полезны лампы и няшны.
Транзюки же и микрохи
Техногикам не нужны!

Аноним 07/01/22 Птн 12:12:15 485516 709
image.png 1427Кб, 1280x960
1280x960
image.png 1633Кб, 1280x960
1280x960
image.png 2090Кб, 1280x960
1280x960
Досталось вот такое чудо, есть подозрения какие лампы должны стоять в преампе? Одноканальный усилок для гитары был. В оконечнике стоят EL34, в преампе сука разные лампы, ECC85 и 6Ж32П, при этом сам оконечник вроде как работает (сужу по наличию 50 герц в колонке), а вот преамп молчит, подозреваю что лампы в нём не те. Фото данного монстра прикладываю.

Аноним 13/01/22 Чтв 23:22:45 486323 710
>>339432 (OP)
Анонасы, стоит ли делать двухтактник на 6п44с? Есть два транса тн36-127\220, хочу их заюзать в качестве выходных. Есть ли смысл? Хочу сделать свой первый двухтактник, до этого только баловался однотактами на 6п14п.
Аноним 14/01/22 Птн 11:35:04 486384 711
>>485516
Накидай схемку предварительного каскада. На каких выводах лампы анодная нагрузка, на каких - накал, где - кактод, куда идёт сигнал с входа. Так можно будет подобрать.
А чё там выгорело?
Аноним 14/01/22 Птн 12:26:37 486388 712
А кто сейчас в мире делает лампы? Можешь назвать пару-тройку компаний?
Аноним 14/01/22 Птн 13:19:34 486391 713
>>486323
Какая индуктивность выходника нужна для двухтактника?
Аноним 15/01/22 Суб 02:38:51 486478 714
>>486388
совтек делает, лень гуглить кому они там принадлежат сейчас
electro-harmonix
mullard
jj
разные китайцы
Аноним 16/01/22 Вск 17:12:35 486659 715
>>486323
Делай, и лампы эти няшные и атмосферные, и трансы. Притом такие трансы годны для маломощных двухтактников, а в однотактниках с выходными трансами всегда много гемора. Делать зазор в тнках крайне геморно, поэтому они как раз для двухтакта.
Аноним 17/01/22 Пнд 13:21:09 486821 716
>>486659
Всё так, вот только двухтактник звучит как говно, по сравнению с однотактником. И всё-таки даже для двухтактника нужно задаться какой-то индуктивностью выходника, а не выбирать из ТАН. Даже у ТАН нужно замерить индуктивность и после этого делать вывод о том, подойдёт ли он. К тому же, он без секционирования и межслойной изоляции там вроде как нет.
Аноним 18/01/22 Втр 00:27:56 486852 717
>>486821
>двухтактник звучит как говно
А может это ты - говно рукожопое? Все ведущие производители делали и делают двухтактники.
Аноним 18/01/22 Втр 12:02:25 486890 718
>>486852
С ТАНами на выходе?
Аноним 21/01/22 Птн 17:18:25 487216 719
>>486384
Видишь там оранжевый провод и термоусадку? Внутри резистор, на его месте был другоц, он и сгорел с куском провода года 4 назад, я поставил по аналогии с другой части усилителя и всё шуршало его пару лет.
На выходных надеюсь доберусь, но сразу скажу что в преампе лампы стоят те, даже на фото можно заметить маркировки оригинальных ламп, нанесённые на текстолит.
Аноним 22/01/22 Суб 15:05:31 487261 720
>>487216
> и всё шуршало его пару лет

То есть он с этими лампами работал нормально?
Аноним 22/01/22 Суб 18:53:33 487278 721
>>487261
Эти пару лет он был вне зоны моей досягаемости, но получается что да. Сейчас в планах поменять лампы в преампы, и собрать другой оконечник, возможно на других лампах, используя трансформаторы от этого усилителя.
Аноним 30/01/22 Вск 13:37:13 487933 722
>>344118
а как эту электро-механическую упругость померить? в механике все как то без проблем описывается сферическими формулами, а тут почему проблемы?
Аноним 21/05/22 Суб 20:32:07 495414 723
photo2022-05-21[...].jpg 155Кб, 960x1280
960x1280
>>339432 (OP)
Что лучше воткнуть в катод и сетку?
Китайский ноунейм MF или Советский ВС?
Аноним 21/05/22 Суб 20:47:30 495415 724
1-37-128.png 3Кб, 128x128
128x128
>>344118
>Электрический сигнал ведет себя в ламповых схемах как механически-упругая система.
А как ты хотел? Там же не абсолютный вакуум. Немного воздуха и получается электропневматическая система. Всё упруго. Механически. Как мячь прямо отпрыгивает!!
Аноним 22/05/22 Вск 02:31:35 495443 725
вообще пахууую.mp4 1047Кб, 1280x714, 00:00:02
1280x714
Аноним 22/05/22 Вск 08:56:49 495447 726
>>495443
Лаконичный, но скучный ответ. Я же всё-таки ламповый ГАРМОНИЗАТОР собираю.
Аноним 22/05/22 Вск 09:02:10 495448 727
>>495447

В катодах и сетках типы некритичны. Так как и первое и второе - углеродные, вроде как, то ставить можно и то и другое.
Аноним 24/05/22 Втр 09:19:30 495575 728
>>495448
Типа падение напряжение небольшое, а следовательно и уровень шума в конечнм сигнале?
Оке, ставлю MF. Размер для монтажа удобнее.
Аноним 24/05/22 Втр 09:55:59 495578 729
>>495575

Не, погоди. MF - это металлоплёночные, совсем не тру в с лампами. Канонично ставить только углерод.
Аноним 28/05/22 Суб 15:33:09 495967 730
2022052817120300.jpg 1335Кб, 1920x1280
1920x1280
>>495414
>>495578
Всё-таки ВС никак не умещаются, впаял новьё.
Немного разбавлю тишину в треде фоточкой промежуточного результата. Как горорится, оцените качества монтажа.
Аноним 28/05/22 Суб 15:56:39 495968 731
>>495967
>оцените качества монтажа
говно / 10
Аноним 28/05/22 Суб 17:02:58 495979 732
>>495968
Конкретизируй или иди нахуй.
Аноним 28/05/22 Суб 21:50:16 496009 733
>>495967

А общий куда дальше пойдёт?
Аноним 29/05/22 Вск 04:35:11 496030 734
>>496009
Земля? Тут и будет общая точка. Подведу сюда питание (с жёлтой платки фильтра), сигнальную, со вторички трансформатора, корпус.
Кабы всё это ещё влезло нормально.
Схема простейшая: триод с трансформатором в аноде.
Аноним 29/05/22 Вск 09:21:27 496032 735
Аноним 29/05/22 Вск 14:56:26 496039 736
>>496032
Да. Когда-то давно мастерил ламповый ухоусь (в том числе и ИТТ), но так и не довёл до состояния конечного устройства. Пришло время это исправить.
Аноним 30/05/22 Пнд 18:54:25 496145 737
А подскажите, RMAA под шиндус 10 вообще работает или лучше православную Win XP поднять?
Аноним 30/05/22 Пнд 20:31:53 496153 738
>>496145
Лучше АРТу поднять.
Аноним 30/05/22 Пнд 22:13:49 496162 739
>>496153
>АРТ
Подскажи, плиз, что это?
Аноним 30/05/22 Пнд 22:27:53 496165 740
Аноним 30/05/22 Пнд 22:41:58 496166 741
>>496039

А что там за такой слабый сигнал ты усиливаешь, что даже наушники напрямую его не могут воспроизвести?
Аноним 30/05/22 Пнд 23:27:27 496172 742
>>496165
Спасибо, изучу.
>>496166
Не в источнике дело, Beyerdynamic DT880 250 Ом.
Аноним 30/05/22 Пнд 23:39:39 496175 743
>>496172

Уу, бляха муха. Купил наушники, а к ним ещё и усь куп? Ну уж буржуи там совсем, это самое.
Аноним 08/06/22 Срд 18:46:26 496819 744
>>496145
Занятно. Проблемам оказалась в несовместимости asio драйвера моей pci звуковой карты с железом, где pvi слот был уже через какой-то дополнительный контроллер, а не в чипсете. Старый добрый 775 сокет спас.
Аноним 09/06/22 Чтв 10:20:20 496843 745
Сам, нагревач. Есть один оппорат 60-х годов.
Внутри естессно как божественные вечные дитоли, так и 100% трижды помершее говно.
Короче, реквестирую магазин с приемлемыми ценами (без удифильских замашек и 5-кратной барыжьей и лоховской накрутки) чтобы вот там в одном месте взять и купить всё что нужно для лампового аппарата.
А именно:
- Лампы. (ничего супер-редкого. обычные 614п и т.д)
- высоковольтные конденсаторы (как элетролиты, так и неполярные малых емкостей)
- всякий крутой доп (типа более лутших панелек для ламп и т.д)
- здоровые (по размкру) и мощности резюки (ну ты понел, всё как положено).
+ может даже динамики той эпохи или подобные. Ну или средсства намагничивания(???)
Хотелось бы набрать всё говно за раз и поменять + зпч чтобы имелися.

Алсо, насколько я сосну если вместо пайки там сварка? Стоит ли всё менять или лучше не трогать где возможно.
Есть ли вообще мини-"сварочники" для радио дел? Как всё это правильно должно делаться? Или пихуй, поять просто.
Аноним 09/06/22 Чтв 17:44:47 496868 746
Аноним 09/06/22 Чтв 17:55:41 496869 747
>>496868
Спасибо конечно, но чёт стрёмная хуйня какая-то. Какойто васянский проект на юкосе.
Аноним 09/06/22 Чтв 18:29:13 496871 748
>>496869
Они уже лет 5 там живут. Без всяких уберсайтов и рекламы.
Небольшой подвальчик ,недалеко от метро "Чкаловская".
И ценник вразумительный на всё.
Аноним 10/06/22 Птн 08:54:37 496918 749
>>496868

Пиздец там цены невменяемые.
Такие детали нужно искать через einfo, выходя на прайсы мелких фирм-магазинчиков, которые тебе вышлют что угодно куда угодно почтой. В таких магазинах очень часто детали времён СССР идут не под видом хай-энда, т.е. там не стараются продать это аудиофилам, а наоборот будут рады, если у них кто-то закажет старьё.
Аноним 10/06/22 Птн 10:39:40 496928 750
изображение.png 814Кб, 1600x1200
1600x1200
ебанет? лампы, кншн, должны греться, но, мне кажется, это пербор
Аноним 10/06/22 Птн 11:35:05 496931 751
>>496928
Норм. В качестве индикатора-муляжа пойдёт.
Аноним 10/06/22 Птн 13:46:17 496936 752

>>496928
>мне кажется, это пербор
Перебор будет, когда лампа зашипит, затрещит и вытянет вниз стеклянную соплю. На самом деле это уже не перебор, а пиздец - траверсы, а следовательно сетки, аноды, защитные электроды будут поведены и перекошены, это будет новая лампа, но с хуевыми характеристиками
Аноним 10/06/22 Птн 14:09:57 496938 753
>>496936
понял принял, спасибо, пойду искать жидкий азот
Аноним 10/06/22 Птн 14:40:05 496939 754
>>496918
Хуй знает. Это как раз контора , 2 деда-пердеда. Всё что у них покупал,заебись.
А всякие конторы через einfo , если и попадаются подешевле,
всё время какие то полудохлые.Либо безнал с юриками. И ценник. Ну например 6П3С-Е годов постарше ,тебе хуй кто из них задешево продаст. А у этих дидов я например за недорого прикупил EL-34 светлановские, с "золотыми куполами".лол. Ограниченная партия охуенная была. Те же ЕСС-шки ТЕСЛА у них брал.Да и за панельками всякими,у них проще. Выбор в общем покруче чем в каком нибудь чипидипе (ужс) а ценник вменяемый.
Аноним 10/06/22 Птн 16:18:23 496945 755
>>496936
снизил напряжение анода на 200 вольт и азот уже не нужен
Аноним 10/06/22 Птн 20:16:14 496964 756
>>496939

не, чипдип - это за гранью вменяемости. а вот цены на трансформаторы, например, у этих двух дидов совсем не гуманные. хотя, наверное, это ведь кому - как.
Аноним 11/06/22 Суб 00:09:59 497001 757
>>496964
Они трансы сами мотают. Либо у "лампобарона" берут. У них торы пиздец стоят (но они и везде стоят).
Аноним 11/06/22 Суб 00:31:24 497003 758
>>497001
торы сами по себе стоят намного дешевле. я беру готовые силовые, которые годятся и для ламповых дел.
Аноним 11/06/22 Суб 01:13:26 497008 759
>>497003
Ну если разве что так. Я просто один раз хотел "шикануть", заказать в "Золотой середине" выходные трансы для 300А...посчитали,я фалломорфировал))
У дедов дешевле.
Аноним 11/06/22 Суб 09:36:13 497016 760
gmtr.jpg 1238Кб, 1920x1280
1920x1280
>>497008
>"Золотой середине" выходные трансы
Они реально кайфовые.
Аноним 11/06/22 Суб 09:38:14 497017 761
>>497016

а чё они так близко друг к другу?
Аноним 11/06/22 Суб 09:41:00 497018 762
>>497017
Так разрабы корпуса видят изоляцию каналов... Ну, по тестам вроде не сильно критично.
Аноним 11/06/22 Суб 09:43:40 497019 763
Ну, может намучу четыре отверстия с резьбой подальше, место есть. Но только если решу делать красивую заводскую платку для коммутации выходных обмоток (синяя макетка с релюшками внизу).
Аноним 11/06/22 Суб 09:46:25 497020 764
А я все выходные обмотки напрямую вывожу на разъёмы. Какого сопротивления акустика, к тем и подключаю.
Аноним 11/06/22 Суб 09:59:30 497021 765
>>497018
>по тестам вроде не сильно критично.
-70..75 дБ Stereo crosstalk по RMAA. Нуу да, не супер. У источника сам в себя -90 дБ
Аноним 11/06/22 Суб 12:04:53 497026 766
30989640.jpg 94Кб, 640x493
640x493
>>497016
Что не говори, а все эти современные корпуса и радио-элементы как то без души. Вот раньше, деды делали, было топорно, грубо, просто, но именно от этого красиво и душевно.
А тут что? Зеленый текстолит, бездушные электролиты, синие резюки и красные кондеры - пиздец. Провода с ебучими надписями...
Про макетку вообще молчу.
Какая же бездушная хуета.

А вот пикрил - душа.
Аноним 11/06/22 Суб 12:37:50 497031 767
>>497026
Лампы есть, трансформаторы есть, навесной монтаж аудио части есть >>495967
По мне всё достаточно душевно.

Дума у тебя там в каше вместо монтажа внутри короба.
Аноним 11/06/22 Суб 12:52:25 497032 768
>>497031
Лампы - хуйня в вертикальном положении. Мммаксимум кринж и бездуховность.
Трансформаторфы - бездушная ровненькая хуита. Как говно из микроволновки.
Магнитопровод даже не в кожухе. Даже простой брутальной стяжки нет.


Навесной монтаж - дерьмо с лоховскими термоусадками.
Деды если и делали, то максимум кембрики.
Про электролиты на стяжках пообще молчу. Каков унылый пиздец и колхоз.

Ещё эта жестянка в порошковой краске. Пиздец.
Нет души. Нет того самого крепкого блестящего металла и дерева, нет картона и прочего. Даже ебучие пистоны на сраной бездушной стойке от материнки ПК. фублять.

Бездушная хуита как есть.
Аноним 11/06/22 Суб 13:03:43 497034 769
>>497032
Пиздец тебя порвало)
Цели стоить 60ые-стайл не было.
Аноним 11/06/22 Суб 13:16:41 497035 770
>>497034
Это констатация фактов.
А вот порвало как раз тебя. Оттого видимо что херню псевдо-винтажную собрал.
Аноним 11/06/22 Суб 13:33:49 497040 771
>>497035
Хорошо. Я понял тебя.
Ну, послушаем других аноном, если кто захочет высказаться.
Аноним 11/06/22 Суб 14:30:29 497050 772
Я думаю, что это ещё не конечная конструкция анончика. Мой первый усь был вообще кринж, но в другую сторону - адово дубовый, безо всякой красоты. Но постепенно всё переделал и стало прилично.
Аноним 20/06/22 Пнд 17:08:53 498078 773
>>497050
Да в целом конечная. Добить мелочи с разводкой заземления и всё.
Единственное дельное замечение >>497017
Претензии "без души" я не оценил, извините.
Аноним 17/09/22 Суб 00:39:15 504817 774
я арлекин.mp4 15062Кб, 480x360, 00:00:45
480x360
ВСЕМ АУДИОФИЛАМ-ЛАМПОЕБАМ СОСАТЬ!
ТРАНЗИСТОРЫ РУЛЯТ!
Аноним 17/09/22 Суб 00:41:12 504818 775
16613533489500.mp4 9266Кб, 1280x720, 00:00:47
1280x720
Аноним 06/01/23 Птн 21:39:01 514471 776
>>339432 (OP)
«Прибой» казался всем дурацкой
Поделкой ретроградской,
Что вместо полок магазинов
Склад неликвида ждет.

Но теперь он - лампоняшка,
И хайп жрущая дворняжка
На ютубе сразу
Лайк ему дает!

Прогресс вернулся на начало,
Как много раз бывало.
Ламп новое рожденье
Нам дарит технобог.

Теперь «Прибой» надменный:
Он – не обыкновенный,
А самый престижный
Советский усилок!
Аноним 13/01/23 Птн 13:18:18 515189 777
>>504817
Срыгни из лампового треда, транзистородебил.


Кавер на песню КиШа "Долой гопоту!"

Долой бригосектантов
И винтажем спекулянтов!
На лампы гонения
И схем гибридных извращения!

Мечите гранаты
В ресиверофанатов!
Гвоздите к заборам
Говноедов и мажоров!

Долой транзюки!
ТЛЗ спасет от тоски!
Лишь лампы рулят!

В реле плохи контакты,
Они испортят тракты.
Термостабилизация -
Гемор сулящая мутация.

Цветовую маркировку
Надо запретить.
SMD-говно
В канализацию спустить!

Долой транзюки!
ТЛЗ спасет от тоски!
Лишь лампы рулят!

Там, где микросхемы
Лишь проблемы,
Так что будь острожным.
Гнутся легко их таракании ножки!

Долой транзюки!
ТЛЗ спасет от тоски!
Лишь лампы рулят!

Долой транзюки!
ТЛЗ спасет от тоски!
Лишь лампы рулят!
Аноним 25/02/23 Суб 19:20:44 519682 778
>>519658

Самовозбуд из-за резисторов в аноде на 8кгц? Ну хер его знает, вряд ли.
Аноним 26/02/23 Вск 11:10:12 519744 779
>>519697

А резисторы располагаются на одном месте? У меня как-то усь ловил самовозбуд от находящихся рядом входных и выходных деталей, помогло только разнести их подальше. И ещё однажды ловил обратную связь через карболитовую колодку. Долго искал причину.
26/02/23 Вск 14:53:00 519766 780
Когда познаешб [...].jpg 43Кб, 667x618
667x618
ромпомпомпом.mp4 2097Кб, 432x144, 00:00:19
432x144
Аноним 26/03/23 Вск 12:18:45 522556 781
Screenshot20230[...].jpg 281Кб, 1080x849
1080x849
Screenshot20230[...].jpg 143Кб, 1080x742
1080x742
Решил сделать ламповый усилок с блоком питания, собрал, спаял, не работает. После диодного моста напряжение упало до 2в, а на плату с лампами идет идет 0.02. 220 с трансформатора на блоке питания тоже падает в 0 после припаивания транса к схеме. После минуты работы транс начинает греться сильно. П.с. схема блока питания вообще рабочая? Как постоянка и переменка вместе на ней уживаются?
Аноним 26/03/23 Вск 13:27:24 522565 782
>>522556
Блок питания отдельно от усилка работает? Если нет, то в схеме БП короткое замыкание. Проверь, точно ли не ошибся, впаивая диоды, не впаял ли 22 Ома вместо 2.2 МОм или 10/100 Ом вместо 10к. Не перепутал ли полярность электролитов.

На будущее: запускай все схемы, включив последовательно с трансом в сеть лампочку накаливания Ватт на 100.
Аноним 15/05/23 Пнд 00:54:34 526808 783
Можно ли с двухтактного выходного трансформатора выебнуться и получить однотактный без перемотки? Выходной транс нашел из Кантанты
Аноним 17/05/23 Срд 23:56:59 526985 784
18/05/23 Чтв 00:14:35 526986 785
Аноним 18/05/23 Чтв 19:52:58 527079 786
Стикер 101Кб, 200x200
200x200
18/05/23 Чтв 20:33:32 527083 787
doc2023-05-1719[...].mp4 453Кб, 848x768, 00:00:03
848x768
Аноним 20/05/23 Суб 09:17:19 527219 788
>>527083
Расскажешь чем обедненный уран пахнет?
20/05/23 Суб 16:15:22 527257 789
Аноним 20/05/23 Суб 17:06:20 527261 790
8x8iRRnI.png 217Кб, 484x512
484x512
>>527219
Скоро сам понюхаешь
Аноним 20/05/23 Суб 18:13:11 527269 791
20/05/23 Суб 18:37:55 527270 792
>>527269
А когда я почувствую запах обедненного урана?
Аноним 20/05/23 Суб 21:18:10 527286 793
ScreenHunter-23[...].jpg 80Кб, 1424x802
1424x802
20/05/23 Суб 22:06:45 527290 794
>>527286
А теперь кинь оригинальную фотку без гриба, луль
Нету перемоги, так вы решили повторить биолаборатории?)))
Аноним 20/05/23 Суб 22:13:11 527291 795
>>527290
>вретие
в гидралиска мутировал уже?
20/05/23 Суб 23:19:52 527295 796
>>527291
>>вретие
>верит, что обедненный уран радиоактивен и может ебануть в ядерный грибок
Ебало представил
Аноним 15/08/23 Втр 21:48:24 533705 797
Ваши полупроводники сгорят, а мой усилок с кенотроном выживет.
Аноним 16/08/23 Срд 01:48:21 533719 798
Когда познаешб [...].jpg 43Кб, 667x618
667x618
>>533705
Любитель пощекотать очко лампой, спок
Аноним 26/08/23 Суб 01:33:40 534497 799
комары.mp4 4835Кб, 400x480, 00:01:12
400x480
Аноним 26/08/23 Суб 12:31:46 534527 800
>>533719
просто свечусь изнутри от счастья
Аноним 02/10/23 Пнд 06:14:48 537412 801
>>533719
Так выглядит появившаяся хреновая инженерная мысль
Аноним 02/10/23 Пнд 18:22:40 537450 802
$57.jpeg 58Кб, 1024x768
1024x768
Бамп треду. Хочу pp на 6П3С. Где бы заказать годные трансформаторы? У дедов из Золотой середины стало неподъёмно дорого
Аноним 02/10/23 Пнд 21:22:22 537458 803
Немного не по теме вопрос, но сколько прослужит обыная радиолампа работая по нескольку часов в день (допустим 5ч), но не по неазначению , а просто как бутафория, т.е по сути, как долго бужет заметно светить накал?

Допустим у лампы срок слущбы 2000ч. Это, я так понимаю, характеристика не спирали накалав, а скорее характеристика активности эмиссии катода без которй лампа не сможет работать по назначению. Выходит, если на всё похуй, и я подключу только накал и всё, то мне ожидать x2 вреемя работы? Или может x3? А может вообще x10?

Влияет ли (заметно) на продолжительность свечения (долговечность) род тока?
Насколько снизится продолжительность свечения если питая старым трансом в современной розетке, по сути питать накал уже не 6,3В, а больше (сейчас то в сети норма это уже 230В)

Насколько снизиться яркость свечения при запитке накала например от 5В? Понятно что продолжительность жизни в этом случае сильно подрастёт.

Отбросим всякие мелочи навроде пускового тока при включении (представим что включение будет плавным и это никак не скажется на вопросах заданных выше).
Аноним 03/10/23 Втр 01:19:49 537472 804
1b0afa9-a1d6-4d[...].jpg 139Кб, 1600x1200
1600x1200
>>537458 Подключи к 5в через термистор. С плавным включением и низким напряжением будет почти вечный обогреватель.
Можно еще задрать анодное повыше так еще и синеватое свечение на стекле появится, но это уже сложнее и не на всех лампах оно сильно заметно.
Аноним 03/10/23 Втр 11:23:42 537486 805
Аноним 03/10/23 Втр 19:39:01 537516 806
>>537472
Не, анодное не хочу (хртя возможность есть.
Хочца только тёплое ало-оранжевое свечение.
Аноним 15/10/23 Вск 20:55:11 538408 807
xduoomt60416469[...].jpg 164Кб, 1080x810
1080x810
Обычно лампы стоят вертикально, а можно ли их смонтировать "лежа", горизонтально, параллельно плате? (Ну и окошки сделать под них.)
Аноним 15/10/23 Вск 22:01:17 538416 808
>>538408
можно, большинству ламп похуй на ориентацию
Аноним 15/10/23 Вск 22:20:54 538420 809
>>538408
Можно, только в треде об этом не пиши, а то сгорят.
>>497016
Аноним 15/10/23 Вск 23:33:32 538430 810
>>538416
А каким не похуй? И почему?
Аноним 16/10/23 Пнд 01:21:30 538439 811
>>538430
есть всякая ебанина типа ртутных кенотронов, где жижа должна находиться в своем стакане перед пуском, а не абы где.
Аноним 16/10/23 Пнд 08:20:22 538464 812
>>538408
>Лампы
>12V
Накал только подали на лампы, да?
Аноним 16/10/23 Пнд 11:05:07 538472 813
>>538464 В чем проблема поставить буст?
Аноним 16/10/23 Пнд 11:30:06 538476 814
>>339432 (OP)
Подскажите, можно ли использовать вместо выходного трансформатора телефонный? Насколько я понял, в телефонной сети 180 вольт, трансформатор понижает их до громкости комфортной для человеческого уха.

Мощность будет небольшой, сгореть не должен. Интересует больше - что там по частотам.
Аноним 16/10/23 Пнд 11:37:53 538477 815
Аноним 16/10/23 Пнд 11:43:12 538478 816
>>538464
Повышайка какая нибудь стоит. Только странно это - подавать стабилизированную постоянку 12 вольт (и мудиться с импульсным инвертором), когда можно было бы дать переменку и тупо поставить умножитель на диодах, до 48 вольт например.
именно так это и сделано в предусилителях Art-Tube
Аноним 16/10/23 Пнд 13:24:55 538496 817
>>538478
>переменку
Откуда ты возьмешь переменку, да еще и 12В? Может, покупатель должен по твоему сам трансформатор намотать? Тороидальный? В чем проблема поставить ебаный импульсник, а за ним малошумящий лдо? Дефицит полупроводников добрался до шим-контроллеров? Или до них добрался дефицит мозгов?
Аноним 16/10/23 Пнд 13:26:21 538497 818
>>538496
>а за ним малошумящий лдо
Тут я чет заболтался. Сорян
Аноним 16/10/23 Пнд 13:52:13 538498 819
>>538496
Какой же ты говноед, прости г-ди
Аноним 16/10/23 Пнд 13:53:22 538499 820
>>538476
Или покупай хорошие трансформаторы на фашистском железе m6, или не лезь.
Аноним 16/10/23 Пнд 15:02:28 538502 821
>>538498
Провода нормальные купил уже?

Кстати, граждане лампостроители, а вам слабо такое?
Из алюминиевых плит в рояльном лаке?
https://youtube.com/watch?v=S7FpMOCyjqw
Аноним 16/10/23 Пнд 16:17:10 538508 822
>>538502
>Провода нормальные купил уже?
Давай иди синий светодиод под лампы паяй.
Аноним 16/10/23 Пнд 22:32:13 538527 823
>>538508
Ты от жизни отстал. В моде давно уж адресные.
Аноним 16/10/23 Пнд 23:16:51 538529 824
>>538527
Ну иди адресок напиши.
Аноним 16/10/23 Пнд 23:29:48 538530 825
11.jpg 558Кб, 1842x996
1842x996
>>538502
В радаче за такое (пикрил) убивают нахой.

Мне трудно смотреть эти видосики (испанский стыд), но я пока держусь.
Аноним 16/10/23 Пнд 23:31:03 538531 826
>>538530
Бля, я тоже проорал в голос.
Аноним 17/10/23 Втр 08:28:32 538553 827
>>538530
Лучше бы они этот ящик не вскрывали, а дрочили только на рояльный лак.
Аноним 17/10/23 Втр 11:30:18 538562 828
>>538553
Этот ящик что внутри трешак что снаружи
Аноним 17/10/23 Втр 16:51:47 538589 829
>>538502
>а вам слабо такое?
Для монтажа плат пользовались услугами "Общества слепых" города Торжка? Я просто не могу симаджинировать кривизну рук этого паяллы.
Аноним 17/10/23 Втр 20:42:21 538620 830
>>538589
И это ещё даже если представить что эта хуйня 400р стоит.
Но..., она ещё и стоит 9000000р.

Вооброзили уровень тупости покупателей вращающихся на хую в этой "теме"?
Аноним 17/10/23 Втр 22:46:52 538626 831
Как же хорошо, что трушные ламповики стоят усилители навесным монтажом.
Аноним 19/10/23 Чтв 17:09:48 538784 832
>>538496
>Откуда ты возьмешь переменку
В арттубе изначально блок питания переменный. В принципе любой трансформаторный можно сделать таким, тупо удалив диодный мост.
Аноним 24/10/23 Втр 10:49:21 539149 833
Аноним 24/10/23 Втр 11:30:02 539150 834
>>539149
>Класс А на триоде
>Жиденькие 20 Вт
>250к
Как называется эта болезнь?
Аноним 24/10/23 Втр 11:31:25 539151 835
>>539150
Начинается на букву "А"
Аноним 05/11/23 Вск 16:35:58 540528 836
PICT4406.JPG 774Кб, 2560x1920
2560x1920
Сейчас ламповые вещи невозможно продать.
они никому не нужны!!!!
Аноним 06/11/23 Пнд 19:20:23 540642 837
>>540528
Парень, твоя пропёрженная радиола и правда никому не нужна.
Аноним 09/11/23 Чтв 02:36:03 540986 838
Grundig.JPG 86Кб, 777x583
777x583
>>540642
Пердёжь это ваше семейное.
А немецкие ламповые берут!
Аноним 09/11/23 Чтв 15:00:09 541011 839
>>540986
Немецкие-хуецкие... Они все +- одинаковы и требуют капитального рекапа, если цель - пользоваться.
Аноним 09/11/23 Чтв 20:52:59 541041 840
>>541011
Это вы все одинаковы, если не было в генах умных то и не будет.
Аноним 22/04/24 Пнд 13:26:26 554361 841
>>339597
не хочу в пердеж.хочу диайвай клин амп чтобы брутально,кастомно, эстетично с хорошим звуком не такой как у всех.
но таких людей не встречал, да и собственно не искал на радиорынке мужиками только пообщался и все.
как на первом фото
>>339432 (OP)
maas.jpg красота
Аноним 10/07/24 Срд 22:52:24 559936 842
А где вы корпуса берете?
Аноним 21/07/24 Вск 09:52:23 560460 843
>>559936
Боксы для проводки литые алюминиевые, корпуса от свитчей и роутеров стоечных, профили и листовой металл - вариантов море, выбирай по вкусу и трудозатратам.
Аноним 21/07/24 Вск 11:41:12 560461 844
А смысол вот етого всево?

Ламбы же кончаются как топливо в баке. Нахер такую недолговечную херню собирать и использовать? Ладно бы ещё слушать приходилось бы раз в месяц, так нет, нужны часы в день.
Эта ламповая херабора и года не проживёт же.
Аноним 21/07/24 Вск 12:53:51 560467 845
>>560461
Для красоты.

>и года не проживёт же
С чего ты решил?
Аноним 21/07/24 Вск 13:59:41 560470 846
>>560467
>С чего ты решил?
Сколько там у ламп наработка?
Аноним 21/07/24 Вск 14:43:01 560474 847
>>560470
Это гарантированная наработка. Газоразрядники, например, годами без перерыва работают, а по паспорту им несколько тысяч часов отведено. У аудиофильских ламп хз, может, там реально чуть подсела - и на выброс, но в этом треде про породистый хайэнд речь не ведут.
Аноним 21/07/24 Вск 14:44:19 560475 848
>>560470
Вот у меня есть радиола 60-х годов, в которой больше половины ламп - оригинальные, тех же лет. И она до сих пор работает. При том что гарантированная наработка у них - 500-1000 часов.
Мысли?
Аноним 21/07/24 Вск 14:47:44 560477 849
il430xN.28806826.jpg 60Кб, 430x573
430x573
>>560474
>У аудиофильских ламп хз, может, там реально чуть подсела - и на выброс
Нет, у "аудиофильских" ламп нет понятия "наработка", у них "прогрев". Чем дольше лампа проработала, тем лучше она "прогрета" ===> тем лучший звук!
Аноним 21/07/24 Вск 17:22:05 560482 850
>>560475
Да она у бабки под салфеткой стояла. Ею никто просто не пользовался.

Вон, когда в ходу были ламповые телеки - в них постоянно что-то накрывалось. И лампы в том числе.
Помню к нам приходит усаиый телемастер с дипломатом, открывает его, а там под крышкой десятки ламп. Вангую половина вызовов минимум это лампы были.

Ну это говда лампы рили использовались.
А сейчас если кто и собирает, то тупо стоит. Конечно тогда оно не накроется.
Я же имел в виду прям вот юзать на постоянку кажды день. Например как усилок для ПК. Долго оно так не протянет. Ещё и это тебучий нагрев и жор непрерывный.
Аноним 21/07/24 Вск 18:47:04 560484 851
>>560482
Ты чё, совсем дурак? Раньше эти радиолы работали целыми днями (ну, как минимум, вечерами), ведь кроме радио и ТВ (а до начала 70-х и телевизоры были далеко не у всех) нихуя не было. Так что радио слушали и запиливали крутили дефицитные пластинки (при этом накал на все лампы один хуй подавался) практически каждый день, всей семьёй. Это сейчас развлечений жопой жуй, смартфон достал и есть доступ ко всему, а раньше жили совсем по другому.
Конечно, если все лампы поменять на новые, то все параметры улучшатся, но оно и так работает.
Кстати, у меня ещё есть часы с ВЛИ начала 80-х, практически всё это время они работали 24/7, собраны на 176 серии, у неё гарантированная наработка 10000 часов. Мною были заменены потускневшие ИВЛ, кварц и, на всякий случай, электролиты. А микрухи и ключи все родные, наработка точно не меньше 350к часов (40 лет).
Аноним 21/07/24 Вск 20:44:25 560500 852
>>560484
А нахер мне говно которне просто стоять будет? Прикомпьютерный усь требуется держать включённым часами. А иногда и наночь.
Аноним 22/07/24 Пнд 03:01:30 560511 853
>>560500
Что/кто мешает/запрещает тебе держать его "включённым часами, а то и на ночь"? Хохол штоле, электричество экономишь?
За ресурс ламп не переживай. Ну, если хочешь, то сделай отключение/понижение накала после n-го количества минут простоя без сигнала на входе. Но лично я бы не заморачивался.
Аноним 22/07/24 Пнд 11:56:06 560524 854
>>560511
Я лишь хочу разобраться, сколько "система" может прожить в таком, вполне нормальномЮ режиме.

На энергию как-то похер. Я с тем же классом А готов мириться. Но бля... Если ещё при этом и ресурс тает на глазах - это уже пиздец. У транзиторного класса А он хотя бы условно вечный.
Аноним 22/07/24 Пнд 15:01:44 560533 855
>>560524
Ну так собери да проверь. Я думаю, что за лет 5 работы по 12 часов в день придётся заменить не более 25% ламп. Это прям в худшем случае. Ну, разве что сам по глупости ускоренно угробишь работой на (за)предельных режимах по анодному току и/или накалу.
Аноним 22/07/24 Пнд 15:47:04 560534 856
>>560533
Вероятно проблемы будут не только с лампами. Ведь работа с высоким напряжение повышает риски и с конденсаторами и с трансформаторами.
Можно типа покупать дорогое да с запасом, но это вообще золотым всё выйдет.
Аноним 22/07/24 Пнд 16:47:30 560536 857
>>560534
Ну, ты точно дурачок. Трансы и плёночные кондеры практически вечны. Современных фирменных электролитов в режимах и условиях работы увеселителя хватит минимум на 10+ лет.
Единственное - переменник регулировки громкости может со временем начать "шуршать". Но это решается смазкой.
Аноним 28/07/24 Вск 13:58:09 560833 858
Чем делаете дырки под панельки в листовом металле? Обязательно для этого здоровую дрель покупать?
Аноним 29/07/24 Пнд 12:43:42 560919 859
>>560833
Чем соединяете детальки? Обязательно для этого паяльник покупать?
Аноним 29/07/24 Пнд 20:09:35 560953 860
>>560919
Кокой ты смешной.

Может, есть ручной вариант какой-нибудь, или что-то подобное карманного формата, вот я и спрашиваю, прежде чем покупать что-то.
Аноним 30/07/24 Втр 13:16:23 560983 861
>>560953
>есть ручной вариант какой-нибудь, или что-то подобное карманного формата
Хуем проткни.
Аноним 30/07/24 Втр 20:03:53 561014 862
616NWPEXaQL.ACS[...].jpg 23Кб, 466x642
466x642
>>560953
Я такую фигню думаю купить и к ней коронки
Аноним 31/07/24 Срд 00:21:20 561034 863
image.png 202Кб, 600x600
600x600
>>561014
Это трясушейся кал для грубой работы. Если есть кэш, купи проксон с патроном к нему. Топ станок.
Аноним 31/07/24 Срд 00:24:55 561035 864
image.png 738Кб, 1449x857
1449x857
>>538502
Выходит, провода-черви-пидоры это не миф?
Аноним 31/07/24 Срд 10:21:33 561049 865
В моем МТ-602 стоит импульсник на TL494, лампы 6ж5п, звук збс. Ебала?
Аноним 02/09/24 Пнд 19:56:48 562752 866
>>339432 (OP)
Ламповейшего вечерочка анонсы. Поясните пожалуйста за емкости в лампе. Из них можно как-то Fгр для ключевого режима посчитать, аки для транзистора? Когда, давно, на лекции читали и там лампы были - лектор неплохо пояснил за это. Но это было давно и лектора уже скорее всего нет в живых. За сим я тут.
Хочется испытательный стенд для ламп сделать, в духе характериографа. Но пока в планах лишь усилитель на 6Н8 + 6П6С или на одной 6Ф1П. На вход ТА24 для анодного и ТС160-3 для накала, а для выхода ТВ-3Ш.
Правда у ТС-160 почему-то напряжения на выводах не соответствуют документации. Там где должно быть 2,5 - у него 7 и наоборот. Выпуск апреля 1974. Хз. это норм для трансформаторов? Алсо, у него расположение выводов не такое как на фото. 4 сверху, 4 снизу - на обмотку. Это норм?
Аноним 21/01/25 Втр 20:10:18 571207 867
>>339432 (OP)
Кавер на песню "Метко"

Радиолампы внутри так похожи на космос!
Они няшны и надежны, в ночи сияют как звезды.
Дваческам презирая, смартфоны я не юзаю -
«Волну-К» ночью включаю и в эфир попадаю.

C давних пор базу знаю: Ардуин – устройство кривое,
Баклофен - бездушный отстой, а мне любо другое.
Но мой корабельный приемник хандру побеждает,
О теплом ламповом звуке не зря техноромантик мечтает!

Шкала красиво во тьме сияет,
Диапазоны тумблер туго переключает.
Красная метка бежит по полукругу.
Мне не грустно, за окном пусть вьюга!

Пусть ракуют на дваче разные идиоты -
Мне не нужен респект от токсичных уродов.
Легион их зашкварен, я его избегаю.
По КВ-волнам как в астрале ночью летаю.

Надев наушник радиста, про жесть забуду я мигом!
Лампы дарят мне счастье – пусть зумерок орет дико.
Кенотроны лучше диодов, доставляют трески в эфире.
Я хочу, чтоб злоборды под запрет угодили!

Радиолампы внутри так похожи на космос!
Они няшны и надежны, в ночи сияют как звезды.
Дваческам презирая, смартфоны я не юзаю -
«Волну-К» ночью включаю и в эфир попадаю.

Шкала красиво во тьме сияет,
Диапазоны тумблер туго переключает.
Красная метка бежит по полукругу.
Мне не грустно, за окном пусть вьюга!

Ламповым ренессансом не устаю восхищаться,
Мне вины прошлого дарят советское счастье!
Аноним 21/01/25 Втр 20:18:57 571210 868
>>571207
Преобладание глагольных рифм это не баг, а фича? Стишок так себе
Аноним 24/02/25 Пнд 22:47:14 574094 869
Можно ли использовать первичную обмотку какого-то мелкого нонейм китайского сетевого транса в качестве дросселя фильтра питания?
Аноним 01/03/25 Суб 16:11:34 574239 870
astnl557i7mfmt4[...].jpg 127Кб, 684x800
684x800
tubequadrca6l6g[...].jpg 361Кб, 1000x746
1000x746
Как же хочется собрать реплику винтажного гитарного усилителя, чтоб на трушных компонентах и nos лампах, а не пердящее говно из дидовой радиолы...
Аноним 12/03/25 Срд 17:59:45 574846 871
image.png 209Кб, 935x899
935x899
>>339432 (OP)
Котаны, досталось шасси от радиолы Сакта, из которого хочу изъять ламповый усилок.
Помогите как образумить схему - обвести схему усилка, а тогда повыпаиваю нужные детали и соберу так. Нашел только пикрил.
Спасибо
Аноним 12/03/25 Срд 18:38:17 574850 872
изображение.png 236Кб, 935x899
935x899
>>574846
Обвёл тебе регулятор громкости. Дальше сам.
Аноним 12/03/25 Срд 18:58:17 574854 873
А такой вопрос - те регуляторы обозначенные как 1,0 и 0,47 это же они в кОм? Шасси еще не разбирал т.к. его надо отмыть...
Аноним 12/03/25 Срд 18:59:17 574856 874
И еще, посоветуйте пожалуйста несложную книжку по ламповой ну или вообще схемотехнике чтобы не утонуть в формулах. А то по схемах дальше вибратора не бум-бум
Аноним 12/03/25 Срд 19:02:23 574857 875
>>574846
> шасси от радиолы Сакта, из которого хочу изъять ламповый усилок.
Зачем, блядь? Что ты с ним делать будешь?

>>574850
Удваиваю, правее блок питания
Аноним 12/03/25 Срд 19:09:29 574860 876
>>574857
>Зачем
Сама радиола досталось почти угашенной, но остался жив главный динамик и большая часть ламп. Зг и какой-то мелкой лампы нету т.к. разбились, а главная 6п14 на месте. Трансы я думаю тоже.
А ну и изъять его хочу т.к. динамик был к удивлению рабочий, хоть и со следами щелчка перчатки бескококонечности.
Лучшее что мне пока удавалось слышать. С ламповым усилителем думаю будет еще лучше. Смущает только номинал крутилок - наверное огромная чувствительность уся
Аноним 12/03/25 Срд 19:13:08 574862 877
>>574856
Какого вибратора? Для уплотнения бетона? Ты физику-то осилил на уровне школьного курса? Образование какое? На гитаре хорошо играешь? Какого хуя ты лезешь в электронику, а формул боишься? Нахуй тебе ламповая схемотехника?
Аноним 12/03/25 Срд 19:18:56 574863 878
>>574860
Древний, пересохший широкополосник качнутый с 6п14п тебя очаровал?
Аноним 12/03/25 Срд 19:19:40 574864 879
>>574862
>лезешь в электронику, а формул боишься
Насколько я помню последний учебник который я открывал по схемотехнике с первой же страницы начался с километровой дроби по расчету заряда конденсатора.
Мне пока это не пригодится - только восстановить усь с радиолы
Остальное в >>574860

И не ори на мен9|
Аноним 12/03/25 Срд 19:21:12 574865 880
>>574863
>Древний, пересохший широкополосник качнутый с 6п14п тебя очаровал?
Да. Вопросы? Или ты из тех кто с мониторами для звукообработки
говновидосики смотришь? Тогда вопросов нет
Аноним 13/03/25 Чтв 00:26:32 574886 881
>>574865
Хорошо, хорошо, не нервничай, слушай хоть колокольчик со столба, никто не против, люди вон с собаками ебутся, а у тебя еще не все так плохо, подумаешь нравится звучание древнего широкополосника. Один вопрос, перенести усилитель на другое шасси, корпусировать, облагородить это задача проще некуда, чуть сложнее допилить схему до приемлимого режима работы. Как ты это все собираешься делать если даже со схемой у тебя возникают вопросы? Ты что не раздупляешься что тебе надо перенести блок питания, отладить его, промерить, нагрузить, протестировать, потом перетащить выхлопной транс и пентод обоссаный, дунуть ему в сетку и так постепенно пересобрать свой патефон по сути аналогичный УМЗЧ черномазового лампового телека рякорд. Это просто, а у тебя возникают трудности. Ну поорал я на тебя, ну может и зря, но может не надо начинать изучать электронику с этой шляпы? Ты сходу становишься дедом у которого возникает вялая эрекция при виде голубого сияния на слюде внутри лампы генерирующей на частотах около 3МГц... эрекция у тебя будет чуть крепнуть от запаха пыли поджариваемой на баллонах ламп, ну а наслушавшись четных гармоник можешь даже попытаться присунуть бабке, хотя тут без гарантий.
Аноним 14/03/25 Птн 12:59:27 574933 882
IMG2529.webp 12Кб, 500x600
500x600
Ребята!

А как вы думаете, во сколько раз сократилось бы поголовье лампошызиков-фанатов ТЛЗ, если бы лампы были не стеклянными аквариумами с подсвеченными тусклым светом накала железками, а тупо жестяными черными банками?

Что тогда было бы?

Все бы надрачивали на ТТЗ (теплый транзисторный звук) или ТИЗ (теплый интегральный звук)?
Аноним 14/03/25 Птн 15:22:49 574940 883
>>574933
Все впереди, лет через 15 будут рассказывать что звук это биполярные кремниевые транзисторы (сейчас носятся с говногерманием), потом будут времена когда будут дрочить на полевые транзисторы (они по параметрам схожы с лампами древней цивилизации) потом и в класс D поверят. Тут больше даже не аквариумность ламп играет роль, а носители знаний из той или иной секты. Еще есть такой закон прогресса, новая технология приходит взамен старой, при этом старая находится на пике своего развития, а новая болеет детскими болезнями и дорого стоит, вспомни хотябы первые ЖК мониторы и последние ЭЛТ. Ну и тоска по молодости где хуй стоял и пионерки сосали ведет к тому что начинается некромантия и последующее восхваления всякого хлама, сочинение басен, легенд, эпосов, срачи в Интернет, трата кучи бабок и сил. В выигрыше, и они молодцы тут ловкие дельцы, которые впаривают всякую шляпу людям у которых зачастую с возрастом сузился диапазон слышимости, выпали определенные частоты и в принципе никогда музыкального слуха не было, т.е. на слепом тестировании они оркестр от записи не отличают, не то что разную аппаратуру. При воспроизведении высокой точности вообще все упирается в акустические системы, а страждущим нужны особенности искажения звука, четные гармошки в ламповиках это вообще мусор, если записи старых исполнителей, то они писались уже на ламповиках, там уже насыпано говна ровно столько, сколько надо, нужно только нормально воспроизвести. Ну а винил, кассета и катушка обсирают звук по-своему, и на это дрочат. Я порой нет нет, да и да, катушечник включу, хотя моя юнность это кассеты и CD. Адепты катушечников меня бы на вилы подняли, ведь я ремонтировал и настраивал свой аппарат по приборам и сборники пишу с компа. Динамическое подмагничивание туда бы собрать, но боюсь я еще не настолько ебанулся.
Аноним 14/03/25 Птн 15:26:13 574941 884
Быстродополнение. Ламповый комбик или полноценная система поистине нужна лишь музыкантам, которые и играют и пишутся через лампу как через примочку.
Аноним 14/03/25 Птн 17:13:04 574943 885
>>574941
>музыкантам, которые и играют и пишутся через лампу как через примочку.
это хуета, а не музыканты
Аноним 16/03/25 Вск 14:41:38 575014 886
>>574943
Ну да, для записи нотосодержащего продукта сорта "сигма бой" не нужно ничего кроме бум-ссык-автотюн-ляля, а вот если нужно электрогитару окрасить старым классическим звучанием, то либо ламповики, либо редактировать в аудиоредакторе. Но тебе конечно виднее что тебе нравится. И мне виднее что мне, а уж музыкантам самим решать как играть, петь и формировать звук.
Аноним 16/03/25 Вск 17:15:30 575017 887
>>575014
Дадададада дядуль тока ЛАМПЫ как ва дворце пионероф или редахтур Аудасити! Под виндовс хр!!! А дсп енти ваши нам и даром не нужны!!!!!! А транзистары ГАВНО кроме шляп херманьевых!!
Аноним 16/03/25 Вск 19:28:04 575021 888
>>575017
Ты настолько дурачек что не осилил мой пост выше, клиповое мышление, хуле, оперативная память золотой рыбки. Если твой синдром Туретта тебя чуть попустит, прочти мой пост выше, где я писал что лампы нахуй не нужны и потом дописал быстрофикс что применение ламп оправдано лишь у музыкантов. Так что мимо, фраерок.
Аноним 01/01/26 Чтв 20:52:01 586963 889
IMG4753.jpeg 77Кб, 458x642
458x642
Трудно сделать такой вот типа усилок как на картиночке?
Аноним 04/03/26 Срд 22:10:10 589338 890
Ламповый кайф.jpg 5303Кб, 3264x3902
3264x3902
Настройки X
Ответить в тред X
15000
Добавить файл/ctrl-v
Стикеры X
Избранное / Топ тредов