[Ответить в тред] Ответить в тред

Check this out!


<<
Назад | Вниз | Каталог | Обновить тред | Автообновление
733 | 155 | 245

Времени и частоты тред. Аноним 18/02/16 Чтв 14:12:29  213102  
(1362Кб, 640x480, 00:00:31)
(74Кб, 640x480)
(2312Кб, 480x360, 00:01:27)
Радиоанон, ты когда-нибудь задумывался что случится с отсчётом времени после апокалипсиса?

Здесь мы дрочим на ppb, измеряем фазовый шум, рисуем диаграммы Аллана, принимаем сигналы точного времени, покупаем б/ушные рубидиевые стандарты с ебея, гордо ставим stratum 3 для домашнего NTP-сервера, подстраиваем осцилляторы по пульсарам, мечтаем запилить себе цезиевый фонтан на заднем дворе и ебем в рот и жопу сторонников эфира, случайно подтвердив общую теорию относительности после того как переставили свой стандарт частоты с одной полки на другую.
Аноним 18/02/16 Чтв 15:09:37  213121
>>213102 (OP)
Первое время GPS будет дать приемлемую точность, потом по солнцу будем ориентироваться.
Все эти точновременные йобы требуют питания постоянно и много, от этого куча проблем с их обслуживанием.
Вместо бампа.

> случайно подтвердив общую теорию относительности после того как переставили свой стандарт частоты с одной полки на другую.
Посмеялся.
Аноним 18/02/16 Чтв 15:53:05  213126
>>213121
>Все эти точновременные йобы требуют питания постоянно и много, от этого куча проблем с их обслуживанием.
Ну OCXO требует 10 W в пике и если усреднять несколько - то приемлимую точность на несколько лет хватит. Но вообще да, для цезиевого фонтана ядерный реактор на заднем дворе закопать придётся.
Аноним 18/02/16 Чтв 16:50:19  213133
>>213126
Как вообще реализуется такое усреднение? Почитал сейчас про стандарт времени на цезиевом фонтане - там оказывается несколько установок, да еще и в разных лабораториях, как такое-то вот синхронизировать-усреднять?
Аноним 18/02/16 Чтв 17:36:05  213153
(165Кб, 1280x720)
>>213133
Хз как с цезиевыми, но водородные (Ч1-75А) успешно работают парой в режиме самосинхронизации, находясь в одном термостатированном помещении.
Как именно происходит усреднение - не вник, честно говоря. Но вангую взаимную ФАПЧ с многонедельным затуханием колебаний и захватом через месяцок-другой.
Практику в Иркутском НИИФТРИ проходил, в 10 отделе.

>>213102 (OP)
>мечтаем запилить себе цезиевый фонтан на заднем дворе и ебем в рот и жопу сторонников эфира, случайно подтвердив общую теорию относительности после того как переставили свой стандарт частоты с одной полки на другую.
Не, ну это мгновенная истерика, блядь. Вечер сделан.
Аноним 18/02/16 Чтв 17:38:43  213154
>>213153
А этот гиацинт который ты калибровал - это OCXO или что там внутри вообще?
Аноним 18/02/16 Чтв 17:49:54  213160
>>213154
Термостатированный кварцевый генератор. OCXO по-буржуйски. Таки да.
Внутри платка стабилизатора температуры и сосуд Дьюара, в котором находится кварц.
Аноним 18/02/16 Чтв 17:50:12  213162
Тем временем врываюсь в тред со своей второй ревизией концепции моего стандарта частоты.
Основная идея взята отсюда:
http://www.g4jnt.com/MSFPart1.pdf
Только вместо васянского VCO на 12 MHz воткну туда OCXO. OCXO тем же способом поделю до 10 kHz, ну и опорный сингал с MSF придётся поделить на 6 для получения 10 kHz. Между выходом детектора фазы и VCO-входом OCXO воткну контроллер с хорошим ADC/DAC чтобы схоронять значения коррекции VCO и иметь возможность пиздить статистику сразу с борды.
Ну и OCXO запихну две штуки на всякий.
Аноним 18/02/16 Чтв 17:56:36  213163
(325Кб, 1500x1125)
(329Кб, 1500x1125)
(248Кб, 1500x1125)
(236Кб, 1500x1125)
Алсо вот вопрос, видел много фоточек разобранных OCXO и с удивлением обнаруживал там обычные кварцы. Насколько зашкварна идея запилить собственный OCXO из кристалла с Farnell и махарайкой осуществляющей термостабилизацию на примитивном PID-контроллере на операционниках? Можно ли его сделать таким же пиздатым как и коммерческие образцы?
Аноним 18/02/16 Чтв 17:59:07  213167
>>213163
А кто запетит, пили. Проблема в том, что его как-то обмерить же надо будет.
Аноним 18/02/16 Чтв 18:00:45  213168
>>213163
Щитаю, что не зашкварна, если знаешь ТЧХ используемого кварца. Температура термостата берётся в экстремальной точке. Так достигается наименьшее отклонение частоты при изменении температуры.
В Гиацинте так сделано.
Аноним 18/02/16 Чтв 18:01:03  213170
>>213163
Да возьми кварц с любой дохлой мат. платы от ПК, получится не хуже. Кварцы там ставят очень хорошие.
Аноним 18/02/16 Чтв 18:02:04  213171
>>213167
Ну запилю себе >>213162, относительно него и обмеряю. Или GPSDO с рубидием куплю с ебея, благо этого говна там навалом.
А вообще у меня одержимость получить стандарт не зависящий от существующей человеческой инфраструктуры. Так что про фонтан во дворе и пульсары в ОП-посте я не шутил
Аноним 18/02/16 Чтв 18:04:13  213172
>>213168
Ну надо будет поискать где-нибудь кварцы с хорошим даташитом где это всё описано.
Хотя можно и самому мерять, печку только сделать сначала надо.

Алсо как быть с старением?
Аноним 18/02/16 Чтв 18:07:05  213173
>>213170
На этот кварц даташит надо найти, но вообще взять кварц с дохлой матплаты это идея не такая плохая, Он же уже там достаточно постарел.
Аноним 18/02/16 Чтв 18:08:51  213174
>>213172
Никак. Затем и нужна
>>213171
>зависимость от существующей человеческой инфраструктуры
Аноним 18/02/16 Чтв 18:09:34  213175
>>213172
>Алсо как быть с старением?
У меня даже часовые кварцы, что китайские 20 летней давности, что совковые 30-40 летней, в т.ч. б/у, не дают более +/- 6 сек погрешности в сутки. Тоже много слышал про старение кварцев, но ни разу не сталкивался, хотя ковырял довольно много электронных часов.
Аноним 18/02/16 Чтв 18:15:54  213177
>>213163
Есть схемы таких хуевин?
Аноним 18/02/16 Чтв 18:17:40  213178
(222Кб, 1200x759)
>>213177
Да.
Аноним 18/02/16 Чтв 18:21:04  213180
(55Кб, 500x167)
(24Кб, 405x317)
>>213177
Есть попытки махарайщиков.
http://www.changpuak.ch/electronics/OCXO.php
http://qsl.net/dl4yhf/dcf77_osc/index.html
http://hackaday.com/2014/07/05/the-cheapest-crystal-oven/
Но вообще насколько я понимаю там нихуя сложного не должно быть: осциллятор, печка и PID-регулятор который выставляет температуру. Или две печки как в той хуйне на пике.
Аноним 18/02/16 Чтв 18:45:46  213192
>>213171
Электричество все равно придется где-то брать ведь.
Аноним 18/02/16 Чтв 18:52:36  213194
>>213192
Ну солнечные панельки 10 ватт то погенерить смогут. Или даже 100-200 на цезий.
Аноним 18/02/16 Чтв 18:55:36  213196
>>213177
Гугли Гиацинт, Гиацинт-М. Можешь загуглить схемы задающих генераторов отечественных частотомеров. Там тоже все термо хуермо варикапно стабилизируется.
Аноним 18/02/16 Чтв 18:56:12  213197
>>213196
Вот Гиацинт-М: >>213178
Аноним 18/02/16 Чтв 18:59:19  213201
>>213196
Алсо а вибрация на эту хуйню влияет? Там какие-нибудь пьезоэффекты в кондерах схемки там и т.п.? Или это в основном то что генерирует фазовый шум?
Аноним 18/02/16 Чтв 19:03:35  213206
>>213201
Так вибрация на сам кварц охуенно влияет, на конденсаторы на этом фоне плевать вообще.
Аноним 18/02/16 Чтв 19:05:22  213209
>>213170
И будет неизветная херота, лучше у усатого радиолюбителя, выпросить или поменять на чекушку синтезатор от рст. "Маяк". Там кварц термостатированный на 2Мгц, в виде лампы РК180ДГ или РК200ДГ. Вот такой http://www.155la3.ru/datafiles/rk180dg_tu.pdf
Аноним 18/02/16 Чтв 19:09:10  213213
(182Кб, 1500x744)
>>213197
Вот Гиацинт без М
Аноним 18/02/16 Чтв 19:10:37  213215
(3312Кб, 3264x2448)
>>213209
Лол.
гиацинтоёб-кун
Аноним 18/02/16 Чтв 19:20:49  213225
>>213213
>>213178
А есть чего попроще? С более высокой степенью интеграции, например на ОУ. А то как-то дохуя транзисторов.
Аноним 18/02/16 Чтв 19:22:25  213227
(47Кб, 981x539)
(1033Кб, 2448x3264)
>>213215
Лол я у себя все синтезаторы распаял. А с такого кварца запилил генератор по схеме с Ч3-44. На стабильность не проверял, все не выберусь к другу на поверенный частотомер.
Ну а гиацинт-м тоже есть, правда руки до него пока не дошли.
Аноним 18/02/16 Чтв 19:25:21  213231
>>213227
Хуясе я суп запилил, из будущего блять.
Аноним 18/02/16 Чтв 19:26:35  213233
>>213231
Вы, блядь, там совсем со своими стандартами времени заигрались уже! Хватит мотать его туда-сюда!
Аноним 18/02/16 Чтв 19:27:39  213235
>>213233
Да этот >>213215 анон меня с толку сбил, хотя у него может уже и 19-е число.
Аноним 18/02/16 Чтв 19:28:17  213237
>>213215
Лампа?
Аноним 18/02/16 Чтв 19:29:00  213238
Можт как-нить по солнцу делать синхронизацию? Полная независимость от цивилизации
Аноним 18/02/16 Чтв 19:29:56  213239
>>213225
Вот попроще >>213227
Аноним 18/02/16 Чтв 19:30:35  213240
>>213237
Это кварц дурик >>213209
Аноним 18/02/16 Чтв 19:30:37  213241
(40Кб, 350x263)
>>213238
Есть варианты, да.
Аноним 18/02/16 Чтв 19:35:19  213245
>>213240
Но ведь кварц справа в коробке должен быть, не?
Аноним 18/02/16 Чтв 19:35:47  213246
>>213241
фотодатчик с трубой не приделать?
Аноним 18/02/16 Чтв 19:36:55  213247
>>213245
В коробке ГУН, залитый пеной потипу монтажной.
Аноним 18/02/16 Чтв 19:37:21  213248
>>213240
Алсо разве это не зашквар кварц прямо в вакуум пихать? С вакуумом контролировать температуру же сложнее, нагреется по какой-то причине (теплом по ноге например) кварц, и дальше что делать? Ждать неделю пока он это тепло излучит?
Аноним 18/02/16 Чтв 19:37:36  213249
>>213246
Можно даже вебку с распберри повесить рядом, только зачем?
Аноним 18/02/16 Чтв 19:40:15  213251
>>213238
По звездам пижже.
Время по звездам, частоту по пульсарам же.
Аноним 18/02/16 Чтв 19:40:47  213252
(16Кб, 510x298)
>>213248
Аноним 18/02/16 Чтв 19:44:20  213256
>>213252
Что не так?
Аноним 18/02/16 Чтв 19:44:32  213258
(3609Кб, 3264x2448)
>>213227
Чё, блядь, гиацинтами теперь меряться будем? Ну на.
У меня есть доступ к эталону, ололо. В июле калибровал, как-нибудь еще загляну.
>>213235
UTC+8.
>>213248
Во-первых, арматура имеет некоторую теплопроводность; во-вторых, баллоны могут инертными газами заполнять.
Аноним 18/02/16 Чтв 19:48:34  213261
>>213258
>У меня есть доступ к эталону, ололо. В июле калибровал, как-нибудь еще загляну.

Большой разбег был у гиацинта?
Аноним 18/02/16 Чтв 19:56:52  213268
Да вы охренели дразниться! Тоже захотел теперь себе стандарт завести, дабы было на что подрочить.
Аноним 18/02/16 Чтв 19:57:42  213269
>>213268
Присоединяйся.
>>213162-кун
Могу посоветовать где брать OCXO с ебея.
Аноним 18/02/16 Чтв 19:57:55  213270
(246Кб, 640x480, 00:00:05)
(132Кб, 768x1024)
(254Кб, 1280x960)
(198Кб, 1280x960)
>>213261
Примерно 3*10-8 до калибровки. Вебмрилейтед. Коэффициент умножения входных частот 20. Частота колебаний стрелки около 3 Гц.
В ОП-посте что-то около 10-10, но уход в том случае был заметен даже при наклоне Гиацинта на 45 градусов. Калибровку закончил, добившись 10-9.

Предлагаю подрочить на Ч1-70. Он на пикчах.

>>213268
У тебя тоже встаёт от попыток осознания таких точностей? Добро пожаловать.
Аноним 18/02/16 Чтв 20:04:04  213273
(84Кб, 798x1198)
>>213270
>Примерно 3*10-8 до калибровки.

Спасибо анон за инфу.
На приборы с твоего пика стер шишак в кровь.
Аноним 18/02/16 Чтв 20:06:12  213276
(146Кб, 1280x960)
(211Кб, 1280x960)
(190Кб, 1280x960)
(183Кб, 1280x960)
>>213273
Это была недолгая и небольшая, но интересная практика.
Аноним 20/02/16 Суб 04:11:34  213745
Нуб врывается в тред. Аноны, а цезиевый или стронциевый осциллятор можно купить в виде чипа на ебае или очень дорого? Хочется поточнее, но чтобы не очень дорого.
Аноним 20/02/16 Суб 04:25:14  213747
>>213745
>Аноны, а цезиевый или стронциевый осциллятор можно купить в виде чипа
В виде чипе нет. И это не осциллятор. Осциллятор в атомных стандартах частоты - обычный кварцевый VCXO, а на принципе квантового перехода работает только фазовый дискриминатор, нужный для автоподстройки частоты VCXO.
Аноним 20/02/16 Суб 04:37:26  213750
>>213747
Понятно, спасибо, ничего не понял, но догадываюсь мамка столько денег все равно не даст наверное. А вот вопрос у меня - а как точность меряют? Может врут все они про миллионы лет? Как вообще проверяют точность эталонов, которую эту самую точность устанавливают? Где курица и яйцо? Вот например был такой классный рубидиевый эталон. А потом запилили цезиевый. А чем его меряли, если он самый точный?
Аноним 20/02/16 Суб 04:48:01  213751
>>213750
> но догадываюсь мамка столько денег все равно не даст наверное
Не так уж оно и дорого.
>Может врут все они про миллионы лет?
Ну в рамках современных представлений о мире атомный стандарт частоты априори более точен, чем любой механический, к которому, кстати, относятся и те же кварцы.
Почитай для просвещения, это интересно http://elementy.ru/nauchno-populyarnaya_biblioteka/430959/V_pogone_za_tochnostyu_edinyy_etalon_vremenichastotydliny
Аноним 20/02/16 Суб 05:43:39  213753
>>213751

> 9 192 631 770 колебаний
Вот мне и интересно про этот "атомный резонанс", как померяли эту частоту квантовых переходов? Почему не 9 192 631 771? И потом отдельный вопрос - даже если это так, откуда известна точность самого прибора, который на этом принципе работает. Кстати наткнулся на описание FE-5680A, теперь на общем уровне более менее понятно как это работает. Но интересно как меряется погрешность таких "революционных" приборов, если допустим на том момент не было точнее технологий? У него же в паспорте хуева туча спеков, типа стабильности частоты и тд. Как они их получили? С чем сравнивали?
Аноним 20/02/16 Суб 07:54:28  213773
(52Кб, 500x366)
>>213753
> С чем сравнивали?
Можно с пульсарами сравнивать.
Аноним 20/02/16 Суб 13:29:22  213862
(2961Кб, 3264x2448)
>>213753
Про количество колебаний не скажу, а точность следует, видимо, из фундаментальной физической основы явления. А т.к. физика сейчас матаном много чего умеет, то и расчёту точность поддаётся.
Аноним 20/02/16 Суб 13:31:40  213863
>>213862 -> >>213773
Аноним 20/02/16 Суб 13:34:38  213864
>>213863
Сорян, обпаялся уже совсем. Изначально куда надо ответил.
Аноним 20/02/16 Суб 15:51:11  213880
(13Кб, 300x251)
(144Кб, 334x335)
>>213745
>Хочется поточнее, но чтобы не очень дорого.
OCXO можно купить за $20,
Рубидиевый (а не стронциевый) стандарт можно купить за ~$100
Цезиевые атомные часы если очень постараться можно найти меньше чем за $1000.
OCXO это коробочка где-то 5x5x3см Рубидиевый стандарт это коробка 10см и больше. Цезиевые атомные часы это rackmount модуль 3U и больше (как на втором ОП пике)
Аноним 20/02/16 Суб 15:57:55  213883
>>213747
>Осциллятор в атомных стандартах частоты - обычный кварцевый VCXO
Вот от этого у меня всегда припекало очень. От обычного криталла и фазовый шум и зависимость от ориентации и чувствительность к вибрациям. Ничего нового не придумали?
Аноним 20/02/16 Суб 16:18:13  213884
>>213753
>Вот мне и интересно про этот "атомный резонанс", как померяли эту частоту квантовых переходов?
>Почему не 9 192 631 771?
Вот ты не поверишь. По определению.
Секунда - это время равное 9 192 631 770 периодам излучения соответствующего переходу между двумя сверхтонкими уровнями основного состояния атома цезия-133.
Скорее всего до этого, когда эталон секунды меряли периодами механических колебаний, померяли частоту цезия, получили какое-то число и волевым решением переопределили секунду через это число.
>Но интересно как меряется погрешность таких "революционных" приборов, если допустим на том момент не было точнее технологий?
Ну с цезиевым лучём всё в этом плане очень хорошо получилось, частота атомного перехода не плывёт. Ей похуй на вибрации, на электромагнитые поля и температуру (ему не похуй на гравитацию, но это отдельная большая тема про лохматого жида с высунутым языком) поэтому можно было просто определить секунду через эти колебания. А т.к. секунда сама по себе - людское изобретение и определена до этого она была через те самые ненадежные механические стандарты, то простое переопределение через более точный и не плавающий стандарт оказалось простым и хорошим решением.
Но вообще ответ на твой вопрос в общем, а не относительно цезиевых частов - это усреднение. Основой стандарта сейчас является усредненное значение хуевой тучи (345 или уже больше даже) различных атомных часов (цезиевых стандартов, водородных мазеров и фонтанов и др.) в разных частях мира. Относительно этого стандарта всё и меряют.
Основная идея при калибровке - это родословная стандарта, т.е. если ты меряешь девиацию Аллана своего рубидиевого стандарта относительно более точного цезиевого, то неплохо было бы посмотреть на "родословную" этого цезиевого стандарта, относсительного какого стандарта он был калиброван, потом того стандарта и так до одного из тех 345 стандартов входящих в UTC. Таким образом можно будет оценить погрешность не только относительную между твоими двумя стандартами но и оценить погрешность как они оба могли уехать от эталона.
Аноним 20/02/16 Суб 17:11:10  213888
>>213883
Знаешь, в чём прикол?
В том, что у атомного дискриминатора довольно широкая полоса, и АПЧ подстраивает кварцевый генератор на её пик. У кварца полоса много-много уже.
Аноним 20/02/16 Суб 17:52:50  213891
>>213884
> усредненное значение хуевой тучи (345 или уже больше даже) различных атомных часов (цезиевых стандартов, водородных мазеров и фонтанов и др.) в разных частях мира.
Как? Как умудряются усреднять такие критичные к задержкам вещи через всю планету?
Аноним 20/02/16 Суб 17:56:55  213893
>>213891
Возят друг к другу в гости насколько я знаю.
Аноним 20/02/16 Суб 18:00:41  213895
(40Кб, 450x301)
>>213893
Охует!
Аноним 20/02/16 Суб 18:10:09  213897
>>213891
Буква К - Космос
Аноним 20/02/16 Суб 18:14:56  213898
>>213897
Через атсрал?
Аноним 20/02/16 Суб 18:15:56  213899
>>213898
Через спутники, наркоман.
Аноним 20/02/16 Суб 23:51:14  213993
>>213102 (OP)
>случайно подтвердив общую теорию относительности после того как переставили свой стандарт частоты с одной полки на другую.
А ведь ОП практически не пиздит:
https://en.wikipedia.org/wiki/Quantum_clock
>In 2010 an experiment placed two aluminium-ion quantum clocks close to each other, but with the second elevated 12 in (30.5 cm) compared to the first, making the gravitational time dilation effect visible in everyday lab scales.[9]
Аноним 21/02/16 Вск 03:27:16  214028
Длительность Земных суток колеблется.
Астролог
Аноним 21/02/16 Вск 03:45:20  214031
>>214028
Если учесть все эффекты (прецессию земной оси и замедления земляшки), то земляшка крайне охуенные часы - до единиц ppb. Удостоверится в этом можно наблюдая как часто вводят високосную секунду.
Аноним 21/02/16 Вск 11:33:39  214071
>>213163
Зачем что-то запиливать, когда есть охуенные решения на чипе, дешевые как воздух, с кучей функций, типа того же ds3231.
Аноним 21/02/16 Вск 11:46:40  214073
>>214031
>земляшка крайне охуенные часы
В миллионы раз хуёвее атомных. Потому и на високосную секунду проверяют аж раз в полгода.
Аноним 21/02/16 Вск 13:30:40  214093
>>214071
Удовольствие от крафтинга чего-то своими руками?
Аноним 21/02/16 Вск 13:40:24  214095
>>214071
ds3231 - это tcxo для девочек
Аноним 21/02/16 Вск 13:50:11  214098
(5Кб, 249x28)
(11Кб, 200x190)
>>214071
>ds3231
>пикрил
Аноним 21/02/16 Вск 18:09:30  214153
>>214095
А интересно, что ардуинщики делают с ds3231? Как RTC используют?
Аноним 21/02/16 Вск 18:42:54  214158
А у меня мечта использовать пару эталонов для организации очень медленного телеграфа, чтобы маленькой мощностью (единицы Ватт) незаметно передавать полезное (шифроблокноты?)
Аноним 21/02/16 Вск 19:13:31  214164
(61Кб, 600x600)
Есть такая идея. Берем длинный моток оптического кабеля. Ставим на концах двух волокон с обоих концов лазер и фотодиод. И гоняем туда-сюда сигнал. Когда сигнал приходит на один конец, посылаем сигнал в ответ, и так бесконечно. Получаем подобие автогенератора. Делим частоту до удобоваримого уровня. Ввиду того, что скорость света в такой херне постоянна, должна получиться охуенная стабильность. Лишь изменение скорости срабатывания лазер+фотодиод и триггеров на обоих концах будет незначительно влиять. Сделать можно на гигагерцовой логике. Как идея?
Аноним 21/02/16 Вск 19:22:00  214166
>>214164
Гугли "коэффициент преломления" и "модальная дисперсия", они зависят от температуры. И тепловое расширение оптоволокна никто не отменял.
Аноним 21/02/16 Вск 19:36:10  214168
>>214166
не вижу проблемы, достаточно измерить получившуюся частоту и выставить подходящий коэф. деления. Волокно и проч. в дальнейшем не трогать (залить эпоксидкой, лол). Насчет теплового расширения хз, не думаю что оно будет сильно влиять.
Аноним 21/02/16 Вск 19:43:05  214170
>>214168
>Насчет теплового расширения хз, не думаю что оно будет сильно влиять
То-то же всякие инженеры-долбоёбы ставят стандарты с термостатированной эталонной средой в термостатированную комнату. А оно не влияет, оказывается.
Аноним 21/02/16 Вск 20:07:22  214177
>>213884
>померяли частоту цезия
Вот это кажется понял. Померяли относительно "механической" секунды стало быть и потом переопределили саму секунду. Охуенно гениально.

>относительно более точного цезиевого
Вот с этим у меня все-таки в башке затык. Понятно как калибровать прибор менее точного стандарта относительно более точного эталона. Я все-таки не могу понять, что происходит, когда появляется новый, более точный стандарт, который сам становится эталоном. Ну секунду переопределили, понятно. Но ведь нужно на основе новго стандарта приборчик изготовить, который сам требует калибровки. Относительно чего?
Аноним 21/02/16 Вск 20:10:10  214178
>>214170
Мы же не знаем, о каком +- ppm идет речь, может и правда в случае с оптикой получится совсем мало.
Аноним 21/02/16 Вск 20:21:47  214182
>>213880
Спасибо за информацию, я таких коробочек вообще не видел оказывается! А что внути первой "печки"? Там какой-нибудь обычный кристалл, который в микроконтроллерах, или что-то более точное?
Аноним 21/02/16 Вск 20:34:51  214186
>>213773
Пацаны, вы мне прямо крышу сносити. Я слово пульсар конечно слышал, но понятия не имел что это такое. Это тем кто неподалеку от них живет какой охуенчик! Им же никаких радио точного времени не надо! А какая у них waveform у этих пульсаров? Они прямо PWM передают? Хотя они же вращаются, значит синус наверное? Это ж можно приемник построить с демодулятором. Интересно, можно ли "демодулировать" свет как обычные радиоволны невъебенной частоты. Или тут оптический подход нужен. Типа фотоячейки невъебенной чувтствительности плюс ОУ. Или все-таки далековато с земли? Пишут 10 тыс световых лет. Наверное поэтому NIS цезием занимается а не пульсарами?
Аноним 21/02/16 Вск 20:42:31  214189
Пацаны, я вот что думаю, а можно ли самому запилить электронику а взять только этот physics package как его буржуи называют. Ну там лампочка, шмоток рубидия и резонатор все в одном флаконе. Как из физики в электронику интерфейс работает? На вход приходит 6Ghz а на выходе что? Там как я понял фотоэлемент, которой просто вольты выдает пропорционально ошибке? Можно ли дешево такой package купить а на микроконтроллере в софте логику запилить через PID etc?
Аноним 22/02/16 Пнд 01:59:01  214265
>>214186
Аноны, целый день эту хуйню читаю, два фап треда пропустил. Короче напрямую эти пульсары принимать и демодулировать хуй получится. Про обычный ардуино забыть можно. Нужна очень высокая скорость обработки. Как я вычитал, стандартный цифровой подход этот шустрый внешний Flash DAC и FPGA. Но если частота в терагерцах, то значит по моим расчетам FPGA должен быть пикосекундный!!! Это хуйня какая-то нереальная. Плюс антенна терогерцовая меньше чем пенис у муровья, и на таких частотах все становится антеннами! В общем правильных подход я допетрил - нужно со СПУТНИКА ебта сигнал принимать, а это уже гигарецы! Так что можно спокойно махарайку запилить на FPGA, 100Mps DAC и ардуине. Только чет непойму какой спутник ловить??? В L банде inmarsat? Он небось над моей мухосранью не пролетает. И еще оказыватся нужно смотреть в сторону проги SIGPROC. Как думаете, можно таким образовм пульсарное радио точного времени запилить???
Аноним 22/02/16 Пнд 03:29:13  214269
>>214153
Вероятнее всего да
Признаться честно я для своей поделки airgap-компа на arm-борде приделал именно его
Аноним 22/02/16 Пнд 03:34:52  214270
>>214177
>что происходит, когда появляется новый, более точный стандарт
Обычно он тогда становится стандартом, а всё остальное перемеряют относительно него. Как было с цезиевыми часами.
>Но ведь нужно на основе новго стандарта приборчик изготовить, который сам требует калибровки.
С цезиевым лучом как раз в том то и цимес что он сам себя калибрует и никакие факторы среды почти на эту частоту не влияют. Т.е. эта частота обосраться как стабильна и не зависит ни от температуры ни от ЭМ-полей ни даже от твоей мамашки и прибор либо работает на нужной частоте либо не работает никак. И точнее может стать только какой-либо стандарт имеющий подобные свойства.
Аноним 22/02/16 Пнд 03:36:33  214271
>>214182
>Там какой-нибудь обычный кристалл, который в микроконтроллерах, или что-то более точное?
Ты не поверишь, но именно он, родимый -> >>213163
А в Гиацинте инфернальная вакуумная хуйня из ада -> >>213215
Аноним 22/02/16 Пнд 03:40:10  214273
>>214271
Привет анон, я видел в этом треде упоминание гиацинта, это такой советский рубидиевый стандарт?
Аноним 22/02/16 Пнд 03:45:26  214274
>>214270
Кстати, скачал в осле вот такую книжонку:
"Frequency Standard and Metrology 2009.pdf"
И там вот что нашел в ответ на собственный вопрос про калибровку:
The u.s. Naval Observatory provides the timing reference for all operational
systems within the U.S. Department of Defense. This common time reference,
UTC(USNO) is currently generated with a large ensemble of commercial
hydrogen masers and cesium beam clocks.

Дальше стал смотрел что за зверь такой этот мазер, и не вникая в подробности нашел что
у АКТИВНОГО мазера long-term frequency accuracy is about ±5×10−16 over five years!!! Нихуя себе. Кроет всех остальных вместе взятых как тузик грелку. И коммент:

The stability of both active and passive masers surpasses that of commercially produced cesium standards. The downside, though, is that H masers are more expensive and much larger than the cesium standards.

Пацаны, нас наебывают! Прочитал, что NISTюки не так давно с барабанной дробью заявили о запуске цезиева стандарта для радио точного времени, а сами утаивают от населения козырный мазер!
Аноним 22/02/16 Пнд 03:47:32  214275
(2Кб, 579x196)
>>214186
>Я слово пульсар конечно слышал, но понятия не имел что это такое. Это тем кто неподалеку от них живет какой охуенчик!
Обосрался в голос
Ну жить рядом с ними у кого-нибудь врядли получится, т.к. до ближайшего 6.5 тыс. световых лет. Да и не хочешь ты себе такого соседа, который в тебя рентгеновским и гамма излучением плюётся.
>А какая у них waveform у этих пульсаров?
Пикрил например. Причем в самом разном спектре радиочастот.
>Интересно, можно ли "демодулировать" свет как обычные радиоволны невъебенной частоты.
Шкловский про это писал в своей книжечке, там охуительно "демодулировали" приделав к оптическому телескопу диск с щелью, скорость вращения которого синхронизировали с радиоимпульсами пульсара. Охуели от результата.

Алсо есть инфа что пшеки построили пульсарные часы где-то в Гданьске, на какой-то музей водрузили. Правда инфы в интернетах маловато по этой истории, если кто вкурсе - сообщите.
И да, для пульсаров нужна OCHE BOLSHAYA YOBA для приёма.
Аноним 22/02/16 Пнд 03:49:01  214276
>>214189
Зачем если вместе с электроникой его можно купить за сотню баксов насалваженый из старых сотовых станций? Готвый physics package без электроники дохуя дороже будет стоит, инфа 146%
Аноним 22/02/16 Пнд 03:52:36  214278
>>214276
А в старых сотовых может рубидий уже наисходе? Ну и так, чтобы заебаться. В смысле познавательно. Я давеча пытался коптер построить из говна и палок. Он хуево летал. Но как я заебался!
Аноним 22/02/16 Пнд 03:54:50  214279
>>214265
>Но если частота в терагерцах
Это ты загнул, пульсар можно принимать и в 400 MHz при желании. Проблема с пульсарами одна - пиздецки низкий SNR, в прямом смысле каждый фотон на счету, а для этого нужно либо очень большую тарелку делать и LNA с пачкой модулей пельте охлаждающих его до 100°C ниже внешней среды. Либо делать массив антенн и ебстись с синтетической апертурой - вот там нужно DSP на FPGA с чудовищными объемами данных.
Любители принимают пульсары на тарелки 2-3 м усредняя сигнал часами и заранее семплируя сигнал в фазе с пульсаром, что в нашем случае является непозволительным читерством.
>нужно со СПУТНИКА ебта сигнал принимать
Кстати говоря загугли pulsar navigation system и охуей.
Аноним 22/02/16 Пнд 03:55:21  214280
>>214273
Это советский а теперь российский OCXO
Аноним 22/02/16 Пнд 03:57:03  214281
>>214278
http://gerrysweeney.com/tag/8663-xs/
Аноним 22/02/16 Пнд 03:57:32  214282
>>214278
Может. У них ограниченный срок службы. Но найти своежий готовый physics package для рубидия - это $1к+
Аноним 22/02/16 Пнд 04:01:31  214283
>>214274
У мазера есть косяр - у него очень долгий период семплирования, грубо говоря нужно ждатьчас чтобы он подвёл частоту. Т.е. в долговременной перспективе он охуенен, но ему нужны цезиевые часы для поддержания более точной частоты в периоде между семплами.
Если загуглить график девиации Аллана гугли сам мне лень то у H-мазера начало графика будет много больше чем у цезия, а конец графика наоборот.
Аноним 22/02/16 Пнд 04:01:52  214284
>>214281
https://www.youtube.com/watch?v=8qY77U3JJC0
Аноним 22/02/16 Пнд 04:12:41  214286
>>214283
Я сегодня ранее вот по этому документику справлялся:
http://www.nist.gov/calibrations/upload/ie79-7.pdf
То есть получается они все short term проигрывают обычному кварцу у которого невъебенный Q. Но как только со старта бегуны расползлись, активный мазер резко вырывается вперед и уверенно финиширует первым.
Аноним 22/02/16 Пнд 04:17:13  214287
(23Кб, 672x436)
Ошибка:
В сообщении присутствует слово из спам листа.
Аноним 22/02/16 Пнд 04:19:21  214288
>>214287
http://www.morion.com.ru/rus/
Аноним 22/02/16 Пнд 10:34:04  214299
>>214270
> ни даже от твоей мамашки
А вот тут ты знатно обосрался. Мамашка же имеет свое, достаточно сильное, гравитационное поле.
Аноним 22/02/16 Пнд 11:52:58  214310
>>214299
Хм, а ты прав. Мамашка как раз повлиять может.
Аноним 22/02/16 Пнд 12:20:15  214319
>>214287
http://youtu.be/CogN630jUSs
Аноним 22/02/16 Пнд 12:20:48  214320
>>214319
Ну и где теперь ваши Гиацинты, ммм?
Аноним 22/02/16 Пнд 12:32:59  214322
(72Кб, 800x672)
>>214319
http://www.cotsjournalonline.com/articles/view/102375
Расходимся, посоны. Там gas cell как в рубидиевых стандартах, только с цезием. Говно с плавающей частотой вообщем.
>In the CSAC, the glass cell is replaced by a tiny silicon MEMS cell containing cesium vapor. At one end is a vertical cavity surface emitting laser (VCSEL) that shines a beam through the vapor. At the other is a photo detector that senses how much light gets through the resonance cell. The laser illuminates atoms to resonance with polarized radiation at two sidebands separated by the cesium’s atomic resonance frequency. The sidebands are produced by a microwave synthesizer that modulates the laser’s carrier frequency. The atoms are excited to a non-scattering coherent superposition state from which further scattering is suppressed.
Аноним 22/02/16 Пнд 20:20:09  214443
(20Кб, 300x378)
https://ru.wikipedia.org/wiki/Часы_Шорта
Погрешность часов Шорта 1*10-7 секунды в день.
Аноним 22/02/16 Пнд 20:50:21  214452
>>214275
>шкловский

Отрывочек (порвало в клочья):

Самое
удивительное это то, что американские радиоастрономы утверждали, имея на это все осно-вания, что в области Крабовидной туманности обнаружено два пульсара. Вот это уже не
лезло ни в какие ворота! Как раз в это время я был в США и, помню, заключил пари с аме-риканскими коллегами. Я утверждал, что в Крабовидной туманности может быть только
один пульсар, а они, посмеиваясь и указывая на записи импульсов, говорили: два! Став-ка была «принципиальная»: один доллар против одного рубля...
Итак, долгопериодический пульсар, хотя сравнительно и близок к Крабовидной туманно-сти, однако генетически с ней не связан (см. ниже). Мне кажется, что я имею серьезные
основания считать, что пари выиграно мною, хотя пульсаров оказалось все-таки два. Я не
потерял еще надежды получить свой доллар, который, правда, с тех пор успел заметно
подешеветь...
Аноним 22/02/16 Пнд 21:18:49  214456
>>214443
Спасибо, братишка, подрочил!
Аноним 23/02/16 Втр 02:14:40  214521
>>214452
Ну на самом деле это обосраться какое невероятное совпадение - два несвязанных пульсара так близко друг от друга.
Аноним 23/02/16 Втр 03:27:35  214529
>>214521
Ну может быть, но про доллар прикольно. Дело было в 1968 году, потом видно бакс обвалился до 70 копеек :)
Аноним 24/02/16 Срд 08:04:51  214766
>>214274
>а сами утаивают от населения козырный мазер!
на спутниках Глоннас стоит (или раньше стоял?) именно мазер
Аноним 24/02/16 Срд 13:42:51  214840
>>214766
Не знаю как насчёт глонасса а вот на Gailieo точно мазер стоит.
Аноним 24/02/16 Срд 13:51:43  214841
>>213753
На, братишка, почитай - просто и доходчиво.
http://old.computerra.ru/vision/654307/
Аноним 24/02/16 Срд 18:47:39  215027
>>214840
Привет пацаны, снова мамкин любознательный теоретик врывается в тред. Я прочитал, что есть два типа мазеров - активный и пассивный. Активный намного точнее но и весит в два раза больше. На галилео стоит именно пассивный, и точность у него 10^-12 что в принципе хуже цезиевого стандарта??? Могли бы тогда что-нибудь боле компактное установить, почему именно мазер? Может для космических условий он благоприятнее?
Аноним 24/02/16 Срд 18:50:22  215028
>>214841
Спасибо. Ламповый тут у вас тренд. Представляю как бы меня обоссали, если бы я с такими вопросам в sci бы пришел лол. Да и в соседних трендах в радиаче моча рекой льется.
Аноним 24/02/16 Срд 19:05:10  215033
А вот смотрите документик про глонасс попался почему-то на ингрише:

The new space atomic clock, developed by “Vremya-CH” JSC
is intended for GNSS GLONASS

Passive hydrogen maser technology
Short term stability 7×10 -13 @1s,
long term stability 5×10-15 @1 day

hwww.vremya-ch.com/english/materials/files/beliaev.pdf


Аноним 24/02/16 Срд 19:28:53  215037
Пацаны, смотрите что про японцев пишут. Они там себе пилят QZSS - супер дупер систему спутников синхронизации времени.

Они сперва отказались от мазера и оставили только рубидий, а потом вообще сказали нахуй эти атомные часы на борту и теперь точное время собираются принимать по радио с земли. Таким образом попадают в категорию из OП поста

>ебем в рот и жопу сторонников эфира

:))))
Аноним 25/02/16 Чтв 14:06:35  215195
>>215027
>Активный намного точнее но и весит в два раза больше.
>Может для космических условий он благоприятнее?
Ты сам ответил на свой вопрос.
Аноним 25/02/16 Чтв 14:07:16  215196
>>215033
Кстати кто знает, часики на GPS как-нибудь подводят?
Аноним 25/02/16 Чтв 14:08:19  215198
>>215037
Есть мнение что рубидий пижже для фонтана.
Только фонтана точно не будет в космосе, лол
Аноним 25/02/16 Чтв 19:13:09  215263
>>215196
Атто-ж, конечно подводят. Без подводки с земли точность начинает падать.
Аноним 25/02/16 Чтв 19:33:56  215266
>>215263
Ну хуй знает, мож там запаса хватает чтобы в нужных пределах погрешность была хватает эту хуйню на 20 лет запускать а потом спутники обновлять
посчитал и понял как обосрался, чтобы на двадцать лет спутники с погрешностью не больше 1 метра в позиционировании запускать часики должны быть с дрифтом не больше 10⁻¹⁸
Аноним 25/02/16 Чтв 19:58:07  215271
А как вам идея часов, у которых в качестве сигнала с генератора будет несущая частота какой-нибудь местной укв станции? В редкие моменты отсутствия сигнала, переключаемся на обычный кварц.
Кто в курсе, насколько стабилен и точен генератор несущей в вещательном оборудовании укв станций?
Алсо, как убрать из принимаемого сигнала звуковую составляющую, оставив чисто несущую?
Аноним 25/02/16 Чтв 20:10:21  215277
(270Кб, 1280x960)
(287Кб, 1280x960)
(147Кб, 1280x960)
(311Кб, 2560x536)
Я ебанутый.
Аноним 25/02/16 Чтв 20:30:13  215288
>>215277
доделал и понял, что смахараил говно без задач?
Аноним 25/02/16 Чтв 20:43:23  215296
>>215271
>Кто в курсе, насколько стабилен и точен генератор несущей в вещательном оборудовании укв станций?
Хуёвое, куда хуже чем у базовой станции сотовой связи, где как раз тот самый рубидиевый стандарт.
Аноним 25/02/16 Чтв 20:44:08  215297
>>215288
Можно подумать у всего топика треда задачи есть кроме как ради самого махарайства?
Аноним 25/02/16 Чтв 20:50:31  215301
>>215297
Я к тому, что махарайка отлично делит частоту, но для клока, например, эта хуйня неприменима.
Аноним 25/02/16 Чтв 20:57:40  215304
>>215271
> УКВ ЧМ радиостанция
> Частотная модуляция
> Стабильность частоты
Стабильно с частотой 16Гц - 20кГц будет меняться.
Аноним 25/02/16 Чтв 21:00:37  215307
>>215301
Зато применима будет в синтезатор приёмника, ради которого всё и затевалось.
>>215288
Нет.
И понял, что не понял, как достаточно сильно подавить опорную частоту на выходе фазового детектора, не ужимая при этом диапазон в хуй и не уводя ГУН в гигагерцы.
Аноним 25/02/16 Чтв 21:01:57  215309
>>215307
...приёмника на любительские КВ диапазоны. Там +-50 герц похуй. При максимальной частоте 28 МГц.
Аноним 25/02/16 Чтв 21:26:29  215321
>>215301
Лол но почему?
не смотрел на схему, а на осцилле вполне добротный прямоугольник
Аноним 25/02/16 Чтв 21:45:18  215330
>>215321
Ну клок обычно с заполнением 50/50 идёт, а не кривая тычка на 20 наносекунд.
Аноним 25/02/16 Чтв 21:55:37  215337
>>215330
Не 20, а 50.
И если надо, то после этого делителя можно поставить T-триггер, поделив т.о. частоту ещё в два раза и получив скважность ровно 2. Как в фазовом детекторе у меня и сделано.
Аноним 26/02/16 Птн 04:10:22  215376
>>215330
А какая разница, если работа по фронту?
Аноним 26/02/16 Птн 07:47:18  215389
>>215297
>>215297
А разве у махарайства в целом есть задачи? Для задач - ебай
Аноним 26/02/16 Птн 07:47:22  215390
>>215376
А не всегда.
Аноним 26/02/16 Птн 11:15:32  215422
>>214841
Вроде и расписано все, но всё равно ничего не понятно.
1. Откуда снимается та самая частота?
2. Зачем нужны волноводы?
3. Атомы цезия испаряются и летят - то есть ресурс конечен?
4. Таки часами является кварц, а атомы просто для сверки?
Аноним 26/02/16 Птн 12:05:29  215430
>>215422
>Атомы цезия испаряются и летят - то есть ресурс конечен?
Как бы нет - они же обратно прилетают.
>4. Таки часами является кварц, а атомы просто для сверки?
Именно, выше по треду это уже было. Из этого следует ряд важных свойств: в частности, поскольку используется генератор частоты, контролируемый напряжением, фазовая стабильность всей системы на малых отстройках невелика и уступает обычному неперестраиваемому кварцевому генератору, зато долговременная стабильность частоты не имеет равных.
Аноним 26/02/16 Птн 12:06:29  215431
>>215277
Молодец, что доделал, но почему бы не взять простенькую ПЛИС?
Аноним 26/02/16 Птн 12:14:25  215433
>>215422
Ещё почитай, именно по принципу работы.
http://www.ruknar.com/prod/article_principRSCH.pdf
Аноним 26/02/16 Птн 12:33:50  215436
>>215431
Вот, кстати, никогда не понимал, нахуя нужны 32-пиновые ксилинксы/латтисы на 32/64 макроячейки. Что, только для деления частоты?
Аноним 26/02/16 Птн 14:11:06  215463
>>215330
А, ты про верхний? Так подели на два - будет охуенный клок с duty cycle 50%.
Аноним 26/02/16 Птн 14:20:49  215467
>>215436
Еще для петузшения с чипами разработанными умственно-отсталыми инвалидами-микроцефалами, например MAX19713 у который i/q семплы приходят на разных фронтах клока.
i на возрастающем, q на убывающем.
Такие дела.
Аноним 26/02/16 Птн 15:04:44  215501
>>215430
Аноним 26/02/16 Птн 15:05:00  215502
>>215430
Что такое отстройки?
Аноним 26/02/16 Птн 16:49:22  215538
(23Кб, 951x495)
http://kit-e.ru/articles/elcomp/2003_4_78.php
Неплохая статья.
Блядь, вроде понимаю работу ЧФД, но чувствую что не до конца. Может анон поможет? Я понял так, что ЧФД преобразует разность входных частот в скорость нарастания выходного напряжения. Так ли это? Это я vsraty synth строю

>>215502
Перефразируя: "фазовый шум на малых отстройках". Иначе говоря, спектр генерируемый широковат.
Пикрелейтед смотри, и ясно должно стать.
Аноним 26/02/16 Птн 19:18:55  215601
>>215467
Посоветуй ПЛИС в корпусе пожирнее для подобных петушений. еще пример - декодить 7-сегментный код в бинарный
Аноним 26/02/16 Птн 19:42:24  215610
>>215467
А ещё есть назначения для таких крошек? цена у них привлекательная, правда характеристики говно.
Аноним 26/02/16 Птн 19:43:45  215613
>>215601
CoolRunner, очевидно же
>>215610
Ты про что? Про CPLD или MAX19713?
Аноним 26/02/16 Птн 19:55:55  215617
>>215613
>CPLD
Про них родимых. Стоят по полдоллара и можно запихнуть куда угодно. Вот только нахуя.
Аноним 26/02/16 Птн 19:59:30  215618
>>215617
>Стоят по полдоллара и можно запихнуть куда угодно.
Не забудь сюда приплюсовать толстую пекарню со спермой для запуска чудовищного говна под названием "Xilinx Vivado" или еще более чудовищного говна под названием "Altera Quartus"
Аноним 26/02/16 Птн 20:01:48  215619
>>215618
Хотя про сперму пизжу, вроде и то и другое говно уже можно под прыщиксом или гей-осью запускать.
Аноним 26/02/16 Птн 21:03:32  215644
>>215617
>>215436
Ну иногда бывает полезно для реализации какой-нибудь простой схемы на логике, которую в рассыпухе тупо сложнее паять.
Мне, например, полгода назад понадобился индикатор на пяти матричных светодиодных индикаторах, который необходимо было кормить с последовательной шины данных. Специализированные драйверы для матриц светодиодов оче дорогие, а на плиске и нескольких мощных сдвиговых регистрах получилось то же самое, но дешевле и даже проще. Правда, на дополнительном МК можно было бы сделать то же самое, но почему-то выбрал ПЛИС - всё равно МК кормит это дело сигналом. Импонировала возможность отдельных макроячеек работать независимо и даже в статике и незавязанность на общий клок.
Ещё в предыдущей своей махарайке использовал плиску для, по сути, расширения количества выводов МК на плате индикации и управления. Мог бы использовать сдвиговые регистры и шифраторы/дешифраторы, но опять - ПЛИС это один корпус, под неё проще разводка, легче поменять логику работы схемы - простой перепрошивкой, и так далее.
То есть по сути такая ПЛИС полезна там, где стоит больше 2-3 корпусов дискретной логики как более удобный вариант их замены.
Кстати, в современных пиках вроде бы часть пинов отведены под встроенную микроплиску на несколько макроячеек.
Аноним 26/02/16 Птн 21:19:42  215659
>>215644
Вот спасибо. В натуре спасибо.
Аноним 26/02/16 Птн 21:30:02  215670
>>215644
>незавязанность на общий клок.
Поясни, пожалуйста. То есть подаёшь питание... И... оно работает? Ето как ето?
Аноним 26/02/16 Птн 21:43:26  215682
>>215670
Представь, что один пин - это вход одного инвертора, второй - другого, третий и четвёртый - входы логического ИЛИ, пятый - выход его же. И состояние выходов зависит от состояния входов в любой момент времени так же, как и для дискретной логики.
При этом в одной макроячейке с ними может находится ещё и триггер, который тактируется общим клоком наряду с триггерами в ещё паре других макроячеек, и состояния на их выходах будут обновляться по gclk, а в нескольких других макроячейках находятся другие триггеры, которые тактируются каждый собственным клоком, под которые отведены отдельные пины.
Всё просто и работает.
Аноним 26/02/16 Птн 21:43:51  215683
>>215644
Алсо, поясни, нужно ли закупаться ими пока можно, если они мне могут понадобиться в перспективе, когда я говно разгребу и займусь заброшенными проектами?
Аноним 26/02/16 Птн 21:45:43  215687
>>215683
Ну их если и снимают с производства - то разве что пятивольтовые древние серии типа Altera MAX7000. Трехвольтовые производят до сих пор.
Более того, сейчас до сих пор даже ПЛМ производят, ещё более примитивная штука, кому они нужны - ума не приложу.
Аноним 26/02/16 Птн 21:49:19  215692
>>215687
А есть ли подобное, но отечественное в свободном доступе?
инбифо говноед
Аноним 26/02/16 Птн 21:53:40  215699
>>215687
http://ru.aliexpress.com/item/XC2C32A/32271674276.html
Можно ли покупать чипы на али, или сосать хуй у фарнелла/дижикея/чипидипа?
Аноним 26/02/16 Птн 21:58:22  215705
>>215692
ПЛМ были, ещё в советское время, но это такой ад, что лучше заплатить фарнеллобарыгам за ПЛИС.
>>215699
Какой-то анон пару лет назад тут жаловался, что с али или с ибея ему пришли перемаркированные плиски - MAX3000 в роли МАХ7000, соответственно, от 5 вольт они горели, а от 3.3 работали. Но что-то ходовое и не NRND/OBSOLETE, наверное, должно нормально покупаться и на али. Это ведь банальная цифра, работать будет.
Аноним 26/02/16 Птн 22:00:07  215711
>>215705
Спасибо. Побежал покупать XC2C32A.
Аноним 27/02/16 Суб 17:51:39  215957
(399Кб, 1280x960)
(339Кб, 1280x960)
(328Кб, 1280x960)
http://www.youtube.com/watch?v=Bt029ZXVBTA
http://www.youtube.com/watch?v=zx3Rzq6hsLY
Ммм, данон-диванон, можете обоссывать, мне похуй. Я синтезатор сделал.
По шумам: если верить моему КВ трансиверу, генерируемая частота сильнее говна в полосе 3 кГц около неё на 40 дБ. На слух есть шуршание небольшое.
Но сейчас всё питается от одного БП, а он срёт неслабо. Поставить отдельный линейный стабилизатор для питания ФЧД - и будет где-то 60 дБ, чего мне хватит для приёмника. А если заняться и посчитать петлевой ФНЧ, то и все 80.
Аноним 27/02/16 Суб 18:14:40  215965
>>215957
Такой маленький, а уже ХАМ
Аноним 27/02/16 Суб 18:33:10  215966
>>214164
Твой косяк в том что лазер гоняется в среде параметры которой зависят от температуры. Например длина кабеля будет меняться в зависимости от температуры.
Аноним 27/02/16 Суб 20:11:34  215989
>>215966
Суём в печь как кварц.
Аноним 28/02/16 Вск 08:10:18  216127
(176Кб, 1280x960)
(201Кб, 1280x960)
(184Кб, 1280x960)
http://www.youtube.com/watch?v=ZV81nXdDbg0
Аноним 28/02/16 Вск 09:48:31  216133
>>216127
Ну ты и шизик, конечно.
Аноним 28/02/16 Вск 10:25:23  216140
(262Кб, 1280x1871)
>>215957
>>216127
Это ахуенно анон.
Аноним 28/02/16 Вск 10:30:09  216141
>>216133
С чего б?
Аноним 28/02/16 Вск 10:40:00  216142
>>216127

только шизиги говорят "фазовый шум"
нормальные люди говорят что у вас тут охуенный ДЖИТТЕР
Аноним 28/02/16 Вск 11:53:41  216156
>>216140
>анон
диванон
Аноним 28/02/16 Вск 16:19:46  216245
>>216142
От джиттера можно здесь избавиться?
Аноним 28/02/16 Вск 16:45:27  216259
>>216245
Полностью избавиться невозможно, можно лишь до какой-то величины его уменьшить.
Да и объективно синтезатор надо оценивать по спектру ГУНа, чем я потом займусь, когда конвертер к свистку сделаю.
Аноним 28/02/16 Вск 19:06:10  216288
>>216127
Слушай, ты же правда ебанутый. У тебя электролит с охуевшими утечками стоит, вот у тебя частота гуна и плавает. Хули ты хотел то?
Аноним 28/02/16 Вск 20:40:07  216322
(227Кб, 1280x960)
(201Кб, 1280x960)
>>216288
Не заметил, что конденсатор на штырях? Это чтобы менять его можно было. Потом поставлю получше.
И частота плавает не из-за утечки этого электролита, а из-за помех по питанию. Сегодня нашёл 7805, включил, и частота стоит ровно, на слух дрожание не различить.
Аноним 28/02/16 Вск 21:32:42  216332
>>216322
где вы берёте подстроечные индуктивности? в моих пердях такого нет.
Аноним 28/02/16 Вск 21:54:44  216339
>>216332
Выковырни из любого старого телека/приемника
Аноним 28/02/16 Вск 22:39:13  216344
>>216339
Найти бы ещё этот телек. В сугроб/кювет нынче не выбрасывают ничего. И даже не складывают рядом с контейнером - сразу в него швыряют. А бомжевать как-то хуй знает.
Аноним 29/02/16 Пнд 00:14:09  216377
>>216344
Пройдись по гаражам, там такого добра валяется шо пиздец. Ибо в начале все что ненужно тащат в гараж, а потом оттуда на помойку гаражную, или за гараж выкидывают.
Аноним 29/02/16 Пнд 00:44:13  216385
>>216322
И всё-таки на ГУН я бы подавал управляющее через повторитель на ОУ, дабы увеличить входное сопротивление, чтобы уменьшить утечки на конденсаторе.
Да, я ёбнулся на этих утечках, признаю
Аноним 29/02/16 Пнд 00:48:15  216386
(612Кб, 788x439)
>>216322
Это как? Три вывода у индуктивности?
Аноним 29/02/16 Пнд 01:00:12  216387
>>216386
>Три вывода у индуктивности?
Катушка с отводом
Аноним 29/02/16 Пнд 06:16:53  216402
>>216386
Чувак, спасибо за хорошее настроение в понедельник!
Аноним 29/02/16 Пнд 11:28:49  216434
>>216386
Триодная катушка. Индуктивный транзистор
Аноним 29/02/16 Пнд 11:52:59  216440
(43Кб, 498x500)
>>216434
Аноним 29/02/16 Пнд 14:25:18  216476
>>216322
Анон, ты конечно охуенен тем что делаешь такие поделки на совковой элементной базе, так они еще и работают! Только я не понимаю зачем? Это какой-то спорт?
Аноним 29/02/16 Пнд 14:50:03  216480
>>216476
Я не он, но могу посоветовать тебе нахуй пойти. Человек делает из того, чего хочет. Делай из зарубежных, если тебе так хочется, это такая то вкусовщина.
Аноним 29/02/16 Пнд 14:52:02  216481
>>216476
советские в чем-то лучше. Ибо китай это лотерея
Были как-то транзисторы которые сдохли от тока в 1/20ю номинального
Или тиристоры на 600В пробивающиеся при 50вольтах
Аноним 29/02/16 Пнд 16:20:28  216500
(389Кб, 1280x960)
(304Кб, 1280x960)
>>216385
Щас попробую.

>>216476
А чего им не работать? Страна происхождения на схемотехнику не особо влияет.
>спорт
Можно и так сказать.
Строить я этот пиздец стал после того, как послушал свой приёмник прямого преобразования с малогабаритным плавным гетеродином. Который от малейшего дуновения ветерка полз.
DDS на коленке не освоить "освоить" - разобрать подробно работу всех узлов, потыкавшись приборами везде где только можно, поэтому готовые однокристальные решения нахуй, да и на рассыпухе сделать практически невозможно. А вот ФАПЧ - пожалуйста. Из подручного говна. 155 и 1533 - счётчики серия.
Кстати, из несоветских полупроводников тут только диоды в схеме монтажного ИЛИ в ДПКД.

>>216480
Повторюсь: понять принцип можно на любом говне. Я взял то, которое есть в предельной доступности, а именно цела стена сортовиков с советскими деталями в лабе у препода-схемотехника.

Вот теперь это Ъ-махарайка. Собрал в кучу на куске ламината.
Завтра потащу в универ, преподам покажу и попробую спектроскоп найти.
Аноним 29/02/16 Пнд 18:32:40  216525
>>216500

а нахуя тебе ворона?
Аноним 29/02/16 Пнд 18:42:51  216536
>>216525
это сорока
>мимо-орнитофил
Аноним 29/02/16 Пнд 19:14:13  216546
(324Кб, 1280x960)
(274Кб, 1280x960)
(283Кб, 1280x960)
>>216525
Голубая сорока это, а не ворона.
Чтоб жила. Машиной сбило, поломало нахуй всю, в природу обратно нельзя.
Да и не надо, ручная почти полностью уже.
Аноним 29/02/16 Пнд 19:44:43  216553
>>216546
Зачем ты ее в осцилл пустил, там золото же. Поломает. Если остаточным зарядом на аноде не убьет, лол.
Аноним 29/02/16 Пнд 20:10:45  216558
>>216553
Всё гораздо проще, она его обосрёт.
Аноним 29/02/16 Пнд 20:13:16  216560
(269Кб, 1280x960)
(142Кб, 1280x960)
(184Кб, 1280x960)
>>216553
Осцилл был неисправен и уже сутки как был выключен.
Один хуй заменён уже.

Кстати, вернусь к схеме ЧФД и вспомню одну хуйню, до которой пару часов назад допёр:
В ролике про фазовый шум видно, что импульсы на коллекторах отрицательные. Немного подумал и понял, что во время этих импульсов конденсатор,чтобы поддерживать неизменное напряжение, разряжается, а не заряжается. Стал думать дальше и понял, что верхний транзистор ПРОТЕКАЕТ.
Отчасти причина в том, что когда инверсный Q1 находится в высоком состоянии, он таки не дотягивает до питания, и этого хватает, чтобы транзистор приоткрылся. Поставил диод перед базой - стало лучше, но импульсы всё равно отрицательные. Надо искать что-то с малым обратным током.
Алсо, постоянная времени цепи, образованной выходом ЧФД и управляющим входом ГУНа - порядка 10с (видно, когда питание снимаю). Не так уж и мало вроде.
Аноним 29/02/16 Пнд 20:21:38  216564
>>216560
Бля, надо переделать ЧФД, добавив по резистору с баз на эмиттеры, чтоб обратный ток коллектора сливать. Который, кстати, довольно большой - 1 мкА. А усиленный так вообще 50 (при такой же бетке).
Аноним 29/02/16 Пнд 21:05:54  216577
>>216564
Может поставишь на выходе полевики?
Аноним 29/02/16 Пнд 21:26:15  216585
>>216564
Ставь советские золотые njf.
Аноним 29/02/16 Пнд 21:29:05  216590
>>216577
Не, биполярники тоже норм.

>>216585
Чё? По-русски, пожалуйста. Ты же видишь, что я совок.

Сейчас в два часа ночи попробовал потыкать синт и посмотреть, что будет.
http://www.youtube.com/watch?v=x4vZRDSckBU
В ролике видно, что даже мегаомный щуп осциллографа вносит утечку и заметно (на слух и по S-метру) ухудшает спектр (запрограммирована частота 7155, а на 7154.5 с нижней боковой я первую гармонику опорной частоты слушал).
Также видно, что при отсутствии резистора в параллель БЭ верхнего транзистора, на коллекторах ЧФД наблюдаются импульсы. При подключении этого резистора импульсы после захвата пропадают, как и должно быть в номинальном режиме работы такого детектора. При этом спектр становится заметно чище.

Выводы:
1. Надо чаще спать;
2. Утечки - не хуйня, и в конечной конструкции стоит участок платы с дорогами от выхода ЧФД до управляющего входа ГУНа закрыть лаком (>>216385, понимаю тебя теперь);
3. ЧФД очень чувствителен к току закрытых транзисторов, его надо контролировать.
Аноним 29/02/16 Пнд 21:32:53  216592
>>216590
>Чё? По-русски, пожалуйста
JFETы ставь.
Аноним 29/02/16 Пнд 21:34:48  216595
>>216592
Тогда питание придётся поднимать, а я пока не хочу.
Аноним 29/02/16 Пнд 21:46:30  216600
>>216590
>2.
Я о том и говорил. У тебя сопротивление управляющего входа ГУНа невелико, плюс утечки на транзисторах дают ощутимый дрейф. Исправится это обычным TL072, например. Электролит я бы поменял на слюду/полипропилен тефлоновые хуй найдёшь, у вакуумных ёмкости нихуя нет. Ну и транзисторы тоже лучше поменять. Это в идеале.
Аноним 29/02/16 Пнд 21:57:49  216603
(9Кб, 543x364)
>>216600
>Электролит я бы поменял
Нужно что-то электролитическое оставлять, чтоб ёмкость достаточная была. Лучше кондёр подходящий с большой ёмкостью подберу, чем поставлю что-то мелкое и буду потом каждый наноампер из воздуха вылавливать.
У меня К53-14 есть, они вроде норм.
Про ОУ подумаю. На новой плате ЧФД, которая уже вырисовывается, можно и разместить.
Аноним 29/02/16 Пнд 22:12:57  216607
>>216603
У тебя на электролите будут такие утечки, что ЧФД будет постоянно подзаряжать ёмкость, а частота плавать, даже несмотря на повторитель перед управляющим входом ГУНа. Поставь КСОшки, раз, как ты говоришь, имеешь доступ к залежам советских деталей. Или на худой конец керамику поставь.
Аноним 01/03/16 Втр 00:02:06  216619
>>216603
но это же оксидно-полупроводниковый кондер
Аноним 01/03/16 Втр 12:57:07  216681
Посоны, а вот такой вопрос:
Какой лучше элемент использовать для измерения температуры в печке для кристалла?
Вроде все OCXO используют термисторы с NTC, но в то же время LTZ1000A например использует транзистор как сенсор температуры. Чем оно отличается и что пизже?
И как лучше запилить печку - всю схематику относящуются к обогреву засунуть в печь или в печь сунуть только нагревательный элемент и сенсор?
Какие подводные камни?
Аноним 01/03/16 Втр 14:23:31  216695
>>216681
>LTZ1000A
пофапал на ppm, хоть это и не тема данного треда
Аноним 01/03/16 Втр 16:16:09  216723
>>216603
Поставь к78-11 вместо электролитов и говнотантала.
Аноним 01/03/16 Втр 17:08:38  216739
>>216723
>к78-11
чому не К73-17? доступнее же.
Аноним 01/03/16 Втр 17:52:21  216762
>>216739
Их не делали на номиналы 10-22мкф, насколько я помню. Да и 17е - ширпотреб, 11е однозначно лучше.
Аноним 01/03/16 Втр 17:57:46  216767
>>216762
А, не, пижжу. Попутал. 17е норм, но редки и only-высоковольтные.
Аноним 01/03/16 Втр 18:20:49  216779
(6Кб, 906x62)
>>216762
>ширпотреб
Как будто что-то плохое.
>>216767
>редки и only-высоковольтные
Пикрил. где твой бог теперь?
Аноним 01/03/16 Втр 18:31:38  216787
>>216590
Ну что там ты решил, выкладывай уже сюда с видосами, какие выводы появились на этот раз?
Аноним 01/03/16 Втр 18:38:50  216789
>>216779
Тьфу, думал ты про 78-17. А 73-17 - таки да, дикий ширпотреб, из-за чего не всегда хорошего качества.
Аноним 01/03/16 Втр 19:00:58  216800
(648Кб, 1620x2160)
>>216787
http://youtube.com/watch?v=fob5p-UvOX4
http://youtube.com/watch?v=I_KhjvYZNRc
Ничего принципиально нового. Ну, кроме того, что опорник оказался достаточно чистым.

Пикрелейтед было/стало. Плату сделал, завтра соберу.
Аноним 01/03/16 Втр 19:32:19  216808
>>216800
В общем-то да, с подтягивающими резисторами ты знатно проебался.
Аноним 02/03/16 Срд 16:12:06  216947
(1249Кб, 2560x1920)
(1269Кб, 2560x1920)
http://youtube.com/watch?v=pYNGVfhcITM
http://youtube.com/watch?v=4u94lOBHkW4

В первом обосрался с током транзисторов, потому что они через резистор отключены и не влияют, а в остальном вроде норм.
Аноним 02/03/16 Срд 16:33:05  216956
>>216947
По части утечек - чем плату протираешь после пайки? И протираешь ли? Каким флюсом паяешь?
Аноним 02/03/16 Срд 16:38:31  216961
>>216956
Лужу глицерином, что на фотке первой видно. Паяю тоже под глицерином, но иногда приходится тыкаться в канифоль.
Смываю глицерин водой, потом остатки канифоли зубной щёткой с ацетоном, потом той жещёткой и мылом.
Промываю и сушу, держа за края и махая рукой.
Аноним 02/03/16 Срд 16:44:40  216966
>>216961
>глицерин
> ацетоном
Не надо так. Про глицерин пруфануть не могу, но кто-то писал, что сопротивление остатков достаточно мало, чтобы влиять на работу схемы, но ЭТО НЕ ТОЧНО.
А вот с ацетоном более интересная история, Shodan (думаю ты знаешь, кто это) заметил, что платы мытые ацетоном часто пробиваются высоким напряжением и его следы имеют довольно низкое сопротивление, через которое, возможно, у тебя и утекают наноамперы, которые ты не хотел ловить.
Аноним 02/03/16 Срд 16:46:15  216968
>>216961
https://www.радиокружок.net/вопрос-чем-мыть-платы/
В общем всё не так грандиозно, но есть над чем задуматься.
Аноним 02/03/16 Срд 17:53:07  216994
>>216322
Я заебался пытаться повторить твой ГУН, ну нахуй. И даже понять не могу, как оно работает? Думал сначала на мультивибраторе, сейчас заказал КР531ГГ1, буду на нём делать.
В треде помощи ньюфагу >>216878-анон сказал, что для смесителей лучше прямоугольник, чем синус. Как оно вообще работает?
только сразу не обоссывайте
Аноним 02/03/16 Срд 18:00:33  216997
>>216994
>Я заебался пытаться повторить твой ГУН
Это потому что у тебя индукционного транзистора нет.
Аноним 02/03/16 Срд 18:02:11  216998
>>216997
Это из-за того, что я его параметров не знаю - какая индуктивность и где отвод.
Аноним 02/03/16 Срд 18:03:20  216999
>>216998
Конкретно в моей схеме 1,28 мкГн. Отвод от 1/5 витков.
Жди, щас докатаю пост.
Аноним 02/03/16 Срд 18:19:15  217002
>>216994
>Я заебался пытаться повторить твой ГУН
В конкретном моём случае узкое место - катушка. При таких размерах у неё добротность донная, поэтому может не заводиться. Я за габаритами гнался, но тебе посоветую побольше сделать, чтоб наверняка.
Вместо резистора на 330 Ом в истоке полевика следует поставить переменник и крутить до получения требуемой амплитуды в контуре, затем заменить постоянным. Нужный режим будет зависеть от типа транзистора, от экземпляра - не сильно. При этом помни, что на стабилитроне в варикапном включении амплитуда не должна превышать 0,5 В, чтоб он не открывался.
Вообще, очень люблю эту индуктивную трёхточку, потому что у меня она работает всегда и имеет хорошую стабильность ну а т.к. контур не сильно нагружен, ещё и малый фазовый шум.

>И даже понять не могу, как оно работает?
Просто. Обычный генератор на истоковом повторителе: сигнал снимается с верхнего конца контура и усиленным по току подаётся в отвод. Т.к. трансформация больше 1, получается усиление по напряжению, нужное для соблюдения баланса амплитуд. Баланс фаз соблюдается потому, что истоковый повторитель фазу не меняет.
На первом транзисторе (полевом) собран сам генератор; со стабилитроном думаю ясно. RC-цепь в стоке - фильтр питания, чтоб никакая ВЧ помеха от логики не лезла в генератор и не засирала его спектр.
Диод, резистор и конденсатор в затворе образуют цепь автосмещения, которая детектирует нарастающую амплитуду в контуре и подзапирает транзистор, чтобы стабилизировать амплитуду и не вылезать на прямой участок ВАХ затвора.
Но без резистора в истоке амплитуда равна напряжению отсечки, которое составляет что-то около 4 В (в моём случае), что сильно дохуя (см. выше про амплитуду на варикапе). Этот резистор создаёт дополнительное смещение от постоянного тока истока, и отсечка достигается при меньшей амплитуде в контуре. Кондёр в параллель для устранения ООС, чтоб усиление не валить.
Далее с отвода сигнал идёт на эмиттерный повторитель, для разгрузки контура и согласования с низкоомным смесителем (200 Ом). Далее каскад с общим эмиттером, который из синусоидального сигнала малой амплитуды (200 мВ) формирует хуёвые импульсы с полным размахом от нуля до питания. Ну и пара инверторов формируют из этих тхуёвых импульсов красивый меандр, который далее идёт на ДПКД.
Амплитуда в контуре 1 В, амплитуда на отводе и на выходе синуса 0.2 В, далее сигнал уже имеет уровни ТТЛ.

>Думал сначала на мультивибраторе
Вагинальный кал. Никакущее говно с охуевшим фазовым шумом - ящитаю.
Если нужна низкая частота, причём нижняя граница диапазона около нуля, я бы взял два ВЧ генератора (один кварцованный, второй - ГУН) и смешал. И выделил бы на выходе НЧ.

>>216966
Хэй, мэн, у меня 5 В всего.
Аноним 02/03/16 Срд 18:30:04  217006
>>217002
>у меня 5 В всего.
>она начинала терять сопротивление вплоть до 30 МОм
this
Аноним 02/03/16 Срд 20:25:29  217044
>>217006
Условия сравни. У него длинные параллельные дороги с зазором 0.3 мм, у меня же не меньше 2мм (специально делал, когда разводил) и длина небольшая.
И нагрева нет.
Аноним 02/03/16 Срд 22:51:07  217083
Заказал мешок логики с фарнелла, с завтра начну ваять свой MSF disciplinned oscillator. Ждите охуительных историй.
Аноним 03/03/16 Чтв 01:44:10  217107
>>217083

>с фарнелла

уже охуительно, потомучто не с али
Аноним 03/03/16 Чтв 02:41:23  217115
>>217107
Просто фарнелл на следующий день доставляет. А хуйня уровня 74hc14 или 74hc74 везде как говно стоит.
Единственное - 74hc4059 дороговато вышла, но можно потерпеть, привыкнуть.
Аноним 03/03/16 Чтв 10:39:11  217132
(39Кб, 1037x759)
>>217002
>Никакущее говно с охуевшим фазовым шумом
Да я вижу уже. Но ведь шум и гармоники можно обрезать полосовым фильтром и прямоугольник превратится в чистый синус почти без лишних гармоник.
Аноним 03/03/16 Чтв 12:30:35  217149
>>217132
Сажа зачем?

Мультисим не учитывает влияние шумов питания, например, поэтому нахуй. Ещё разрешение по частоте не очень.
Поэтому только макетка и живые приборы. Сам собираюсь таки не свисток, а звуковуху пекарни заюзать, чтоб спектр посмотреть, перенеся его генератором ВЧ в звуковой диапазон.

>Но ведь шум и гармоники можно обрезать полосовым фильтром и прямоугольник превратится в чистый синус
ты_совершенно_не_понимаешь_сути_фазового_шума.тхт
Фазовый шум (а именно он критичен в данном случае) представляет собой узкополосную случайную модуляцию некоторой несущей (в моём случае - генерируемой ГУНом) частоты. В результате этой модуляции спектр сигнала представляет собой не идеальный дельта-импульс, а некоторую полосу (пик >>215538).

Прикол в том, что относительная ширина этой полосы даже у хуёвого генератора обычно не превышает 10-5 (70 Гц на 7 МГц, например). Т.е. чтобы хоть как-то отфильтровать этот шум, надо иметь полосовой фильтр с относительной шириной полосы менее этих 10-5, что соответствует добротности более 100000. Я таких добротностей на низких частотах физически не знаю. Поэтому выход - изначально поектировать генератор с малым шумом.

А про гармоники: они одинаково, так же, как и основная, промодулированы этим же шумом, и их фильтровать надо только если они нежелательны с точки зрения дальнейшей обработки. Мне меандр нужен для работы ДПКД. А для смесителя выведен синус.
Аноним 03/03/16 Чтв 13:14:12  217152
>>217149
Што такое дкпд
Аноним 03/03/16 Чтв 13:32:33  217153
>>217149
Сажа приклеилась случайно.
>>217152
Делитель с переменным коэффициентом деления.
Аноним 03/03/16 Чтв 13:50:52  217155
>>217149
А смеситель у тебя готов? Или схема? Или в планах только?
Аноним 03/03/16 Чтв 13:55:56  217156
>>217149
>А для смесителя выведен синус.
А вот анон из нуботреда говорил что для смесителя даже лучше меандр.
Аноним 03/03/16 Чтв 14:28:59  217162
>>217156
Я - не он, но рискну предположить, что меандр лучше для смесителя на ТТЛ, что, мягко говоря, не совсем применимо в сфере трансиверов. А синус лучше для аналогового смесителя, схему которого я не могу найти в этих ваших интернетах, или ищу не там, яхз.
Аноним 03/03/16 Чтв 14:56:15  217168
(31Кб, 741x568)
Я правильно себе представляю как работает смеситель?
Аноним 03/03/16 Чтв 15:16:05  217175
>>217002
Бля, ну и куда мне теперь КР531ГГ1? Он же только меандр выдаёт.
Аноним 03/03/16 Чтв 16:15:18  217188
>>217168
Поставь нагрузочный резистор в параллель осциллографу и между ним и генераторами диод. Тогда будет правильно.
Сейчас же у тебя просто сумма двух синусоид, цепь линейная, новых частотных составляющих ты не получил.
Аноним 03/03/16 Чтв 16:15:47  217189
>>217175
Если скважность 2, то без проблем можно отфильтровать до синусоиды.
Аноним 03/03/16 Чтв 16:21:23  217191
>>217189
Но анон говорит, что будет срать помехами/гармониками/прочим говном. Да и смысл ГГ1 в том, что это микросхема ГУН, то есть я могу в достаточно широких пределах менять частоту. Или я где-то проебался?
Аноним 03/03/16 Чтв 18:24:08  217202
>>217115
Что ж этот 4059 такой ебучий?
Какие-то режимы работы, хуё-моё, хуйня-малафья. Нет бы счётчик запилили....
Аноним 03/03/16 Чтв 18:40:39  217205
>>217202
Хуита какая-то. Конечно, это прикольно, что он в одном корпусе, но я бы лучше использовал сдвиговый регистр+счётчик, распаянные дискретно, чем эту хуету.
Аноним 03/03/16 Чтв 18:44:04  217206
>>217205
Я хочу эту хуйню модульной сделать, сделать модуль PLL отдельно и иметь возможность менять входную частоту осцилляторов и референса по желанию, имея возможность например переключится с 10 MHz OCXO и 60 kHz MSF на 5 MHz OCXO и 10 kHz выход с GPS-модуля.
Так я к этой поебени перемычек наставлю и будет заебись. Или контроллер приделаю.
Аноним 03/03/16 Чтв 18:55:42  217207
>>217206
>PLL
>модуль фазового детектора с интегратором
Пофиксил во славу богов терминологии.
Аноним 03/03/16 Чтв 21:10:30  217217
>>217162
Кольцевой диодный смеситель или ячейка Гилберта - вот тебе два примера аналогового смесителя.
Аноним 03/03/16 Чтв 22:20:56  217228
>>217217
А какой-нибудь магической хуйни на операционниках нету чтобы компенсировать нелинейность из-за падения напряжения на диодах? может быть поэтому анон имел ввиду что прямоугольник лучше для смесителей?
Аноним 04/03/16 Птн 03:56:11  217263
>>217228
На операционниках - нету. ОУ сам по себе линеен. Разве что только включать какую-нибудь нелинейность в цепь ОС, как иногда делают. Но внашем случае ОУ мало применим, т.к. частоты могут быть высокими имеющие непосредственный доступ к гигагерцовым операционникам идут нахуй.
Прямоугольник лучше как раз потому, что диоды при этом работают в ключевом режиме, и влияние неидеальности их ВАХ становится много менее значительно.
Я в приёмнике прямого преобразования качаю кольцевой смеситель каскадом с ОЭ, который по отношению к нему работает источником тока с амплитудой 20 мА. Этой амплитуды хватает, чтобы загнать рабочую точку диодов в открытом состоянии так далеко, что диоды можно считать одинаковыми. При этом на первичной обмотке трансформатора гетеродина наблюдается меандр с амплитудой, равной напряжению открывания диодов.
Аноним 04/03/16 Птн 12:08:26  217301
(5Кб, 316x295)
>>217263
>На операционниках - нету. ОУ сам по себе линеен.
Но ведь но ведь пикриельтед - идеальный диод?
>частоты могут быть высокими
Ну с гигагерцами мы соснули, это понятно. Но любительский диапазон операционники покроют же.
>Прямоугольник лучше как раз потому, что диоды при этом работают в ключевом режиме, и влияние неидеальности их ВАХ становится много менее значительно.
Да-да, про это я и говорил.
>Я в приёмнике прямого преобразования качаю кольцевой смеситель каскадом
Вопрос такой, насколько намахараеный на коленке смеситель хуже готовых микросхем? В чем подводные камни и т.п.?
Аноним 04/03/16 Птн 12:13:23  217302
>>217301
>покроют
Не прокроют же.если ты про 124/158
А всякие AD8061 это не такой уж ширпотреб и даже в моих пердях стоит 250+ рбулей за SO-8 размером с ноготок.
Аноним 04/03/16 Птн 12:20:06  217305
>>217302
>если ты про 124/158
Не, я про <27 МГц
Аноним 04/03/16 Птн 12:25:18  217306
(7Кб, 631x30)
>>217202
Нахуй я это говно вообще купил. Нужно было просто декадных счётчиков набрать и триггер после них въебать. Этой хуйнёй без контроллера не попользоваться, или городить СХЕМУ ИНИЦИАЛИЗАЦИИ нужно будет.
Аноним 04/03/16 Птн 12:25:53  217307
>>217305
Я серии операционников имел в виду. Вряд ли они выдадут больше пары мегагерц.
Аноним 04/03/16 Птн 12:31:29  217309
>>217301
Вообще ни один ширпотребный операционник не может выступать смесителем, т.к. только поделия Analog Devices имеют какие-то вменяемые характеристики.
Аноним 04/03/16 Птн 12:34:07  217310
>>217307
Ну вот у меня сейчас мешок LM1037 лежит, по даташиту 65 MHz, конечно не AD8061 но тоже справится я думаю. Стоит он наверное тоже дохуя но есть в SOP/PDIP.
Я их вообще для LF использовал (для MSF как раз) ибо зело малошумящие, но думаю до 10 МГц HF тоже себя чувствовать нормально будут.
Аноним 04/03/16 Птн 12:36:25  217312
(18Кб, 579x173)
(20Кб, 563x136)
>>217310
>LM1037
Аноним 04/03/16 Птн 12:37:13  217313
>>217312
Ой, прошу прощения. LT1037 конечно же
Аноним 04/03/16 Птн 12:39:05  217314
(44Кб, 1367x249)
>>217313
AD будет дешевле.
Аноним 04/03/16 Птн 12:40:00  217315
>>217314
Но AD нужно покупать а LT1037 уже есть :3
Аноним 04/03/16 Птн 12:42:26  217316
>>217314
Алсо в чипе и дипе охуевшие цены насколько я помню, во всяком случае так три года назад было. На фарнеле они в районе £2, чутка дороже чем AD.
Аноним 04/03/16 Птн 12:43:33  217318
>>217315
Скорость нарастания как у TL072, стоит как самолёт. Для конкретного тебя с мешком этого говна - хорошо, для меня из пердей - AD будет качественно лучше.
Аноним 04/03/16 Птн 12:47:17  217319
(190Кб, 1280x960)
(187Кб, 1280x960)
>>217301
>насколько намахараеный на коленке смеситель хуже готовых микросхем?
Элементы микросхемы делаются на одном кристалле в одном техпроцессе, поэтому отсюда очень большой плюс их - практическая идентичность характеристик. Отсюда хорошая балансировка.
В намахараенном смесителе отдельные диоды имеют заметный разброс даже в одной партии (купил ленту 100 штук 1N4148, заметно). Поэтому диоды крайне желательно подобрать. Изи-мод - мультиметром в режиме прозвонки диодов, чтоб не более +-1 мВ был разброс. Хард-мод - подбор хотя бы по двум точкам ВАХ. Но для этого уже характериограф смахараить придётся, лол.
В итоге самодельные смесители на КВ проёбывают промышленным 10..20 дБ ДД по интермодуляции.

>>217202
Я тоже охуел со сложности и ненаглядности управления 564ИЕ15, поэтому бросил затею с ней и нахуячил ТТЛ рассыпухи. Жрёт в сотни раз больше, но зато управление предельно простое и наглядное, и частота максимальная под 15 МГц против 1.5 (но такт проёбывает начиная с 8).

Щас сижу махараю КОНВЕРТЕР, на который буду давать опорный сигнал с Г4-102 и исследуемый. Содержит два буферных каскада, кольцевой диодный смеситель и усилитель на ОУ. Выход будет на линейный вход звуковухи.
Недо-SDR, короче.

>>217315
У меня вообще кроме 155ЛА3 и КТ315 нихуя нет. Как-то выживаю.
Аноним 04/03/16 Птн 12:54:36  217321
>>217319
>15 МГц
Нахуя 155 серию то брал? Родина тебе дала 555, 1531, 1533 серии.
>линейный вход звуковухи
И какой диапазон частот ты получишь? Алсо чем сканировать собрался?
Аноним 04/03/16 Птн 13:22:00  217338
>>217321
>Родина тебе дала 555, 1531, 1533 серии
Счётчики в ДПКД - 1533ИЕ9. Превосходят 155 только по потреблению. Задержки те же.
К тому же нужный дешифратор (ИД10) есть только в 155 серии.

>какой диапазон частот ты получишь?
КВ полностью. Полоса 20 кГц. Больше и не надо для узкополосных сигналов.
Первым делом буду спектр своего синтезатора смотреть.

>чем сканировать собрался?
Г4-102. На передней морде пекарни будут два BNC гнезда: одно для сигнала с генератора, второе для исследуемого. И ручка регулировки уровня.
Аноним 04/03/16 Птн 14:00:30  217357
Вопрос: как годно мерять девиации Аллана? Допустим у меня есть референсный осциллятор и исследуемый, допустим они одной частоты. Если просто запитать ADC от референского и семплить исследуемый - годная идея или вообще в идеале стоило бы семплить оба сигнала с частотой выше референсного? как бы потом эти ебанутые мегабайты в секунду на пеку переливать...
Аноним 04/03/16 Птн 17:06:44  217438
Тредик тут запилил.
На правах рекламы https://2ch.hk/spc/res/268516.html
Аноним 04/03/16 Птн 21:07:48  217500
(994Кб, 2560x1920)
(1015Кб, 2560x1920)
(87Кб, 1440x900)
(88Кб, 1440x900)
EMBEDDED MAHARAYKA HARDWARE

http://www.youtube.com/watch?v=efWFqJ8AKJE
По видево: линия на экране жирная потому, что я в ОС буфера генератора въебал резистор на 1 Ом вместо 10 Ом, отчего пошёл лютый разбаланс и на выход полезла входная частота. Сейчас это пофикшено.

Схема оригинальностью не отличается: смеситель на 1N4148 и двух трансах на каких-то горшках. Все обмотки по 18 витков.
По входу опорной частоты сделан усилитель в виде каскада с ОЭ, который при входной амплитуде 100 мВ развивает в смесителе амплитуду тока в 10 мА. По входу исследуемого сигнала сделан эмиттерный повторитель.
После смесителя стоит конденсатор на 0.1 мкФ, давящий ВЧ остатки, и неинвертирующий усилитель на NE5532 с усилением 10.
Вся махарайка питается от пекарни, в которой и стоит, через 7805. Внутри системного блока на жопу выходит провод с разъёмом на конце, который втыкается в линейный вход звуковухи встроенной, бгг.
Лень схему рисовать, поэтому словами рассказал.

По спектру: третий пик - синтезатор работает свободно, четвёртый - смоделирована та самая утечка в 1 мкА. 20 дБ как нехуй делать. Пиздец.
Больше пикчи не влезают, поэтому скажу словами, что две боковушки, стоящие очень близко к основной частоте, отстоят друг от друга на 130 Гц. Что и было видно на экране осциллографа.

В целом годно, ящитаю. Желаемые 60 дБ отношения мощности основной частоты к остальному говну таки получил. Можно ещё увеличить, исключив входной ток текущего ОУ (который сейчас 50 нА) и более грамотно организовав питание. Сейчас от отдельного стабилизатора питается только ЧФД. А опорник, ДПКД и ГУН - от одного.

Вот такая информация.
Аноним 04/03/16 Птн 21:48:19  217502
>>217500
Маловато будет, однако. Трансформаторы для смесителя обязательно в чашках делать?
Аноним 04/03/16 Птн 21:55:03  217503
>>217500
Почему именно каскад с ОЭ? Да, частоты небольшие, но каскад с ОК объективно лучше был бы - меньше искажений и меньше пиздежа.
Аноним 04/03/16 Птн 22:27:39  217509
>>217500
Чем семплишь? Уж не RTL-SDR'ом?
Аноним 04/03/16 Птн 22:37:27  217511
>>217509
Я не он, но КМК SDR#/аудиокарта в зависимости от того, что ты имеешь в виду%
Аноним 04/03/16 Птн 23:10:39  217515
>>217511
Да, я тупой, извините. 17 кГц же, в звуковуху отлично влезает.
Аноним 05/03/16 Суб 04:48:33  217542
>>217318
пацаны, тупой вопрос - скорость нарастания это перевод slew rate же ведь?
Аноним 05/03/16 Суб 04:49:02  217543
>>217542
Да
Аноним 05/03/16 Суб 05:45:25  217547
(19Кб, 951x495)
(995Кб, 2560x1920)
>>217503
Потому что смеситель следует током питать (каскад с ОЭ), а не напряжением (с ОК). Тогда разброс ВАХ диодов меньше заметен.
Если питать напряжением, то при малой амплитуде диоды будут закрыты, а при большой через них будет течь большой ток, причём разный, потому что на вертикальном участке ВАХ небольшой разброс по напряжению (левая часть первого пика).
Если питать током, то ток через диоды будет один, и напряжение будет слегка отличаться, но много меньше, чем ток в первом случае (правая).

На втором пике схема махарайки. Обрати внимание, что по входу опорного генератора каскад с ОЭ, а по входу сигнала - эмиттерный повторитель.
Аноним 05/03/16 Суб 09:44:31  217558
>>217547
Но ведь ОК тоже даёт усиление по току, просто из-за ООС уменьшаются нелинейные искажения и кококок кудахтахтах же, ну.
Аноним 05/03/16 Суб 10:17:52  217561
>>217175
Ну ебани мендр через трансформатор на колечке. Будет тебе синус.
Аноним 05/03/16 Суб 10:52:30  217570
(117Кб, 1440x900)
(106Кб, 1440x900)
>>217500
>две боковушки, стоящие очень близко к основной частоте, отстоят друг от друга на 130 Гц
Хуй там был. На первом пике 100 Гц ровно, т.е. каждая по 50 Гц.
Т.е. это сеть.
Пекарня-то заземлена получилась через приборы, у неё своего заземления нет.
А я уж обосрался, что какой-то паразитный сигнал в самом синтезаторе.
Кстати, на некоторых частотах наводка иногда вызывает хуйню как на втором пике. Надо избавляться.

>>217558
На схему посмотри. И подумай, зачем там резистор на 10 Ом.

>>217561
Не будет. Идеальный трансформатор (к которому обычно стремятся) передаёт форму сигнала неизменной.
На ВЧ обычный трансформатор на кольце работать не будет, если феррит какой-нибудь 2000НМ. Но будет работать на линиях. Но на линиях трансформаторы широкополосные получаются, т.е. форму в идеале тоже не меняют.
Фильтр, ёба. Одного контура хватит, чтоб из меандра синусоиду получить.
Аноним 05/03/16 Суб 11:15:29  217576
>>217570
>Фильтр, ёба.
Полосовой/ФВЧ/ФНЧ?
Аноним 05/03/16 Суб 11:23:36  217578
>>217570
>Не будет.
Ты пробовал? Или так, в уме прикинул?
Я пробовал, делал конвертер, и нужна была подставка на 60Мгц.Под рукой был ОСХО генератор, выход с генератора на смеситель сделал через трансформатор. Синус не идеальный конечно но задуманное получилась.
Аноним 05/03/16 Суб 12:46:34  217582
>>217576
ФНЧ с частотой среза, равной первой гармонике, либо полосовой с такой же центральной частотой.

>>217578
Делал ШПТЛ, там всё чётко, что я и щас в смесителе наблюдаю, когда вижу меандр с обеих сторон.
Если транс так искажает (из меандра в синусоиду), то это из-за инерционности материала, слабой связи или ещё какой хуйни. Если связь более-менее постоянна, то свойства материала от температуры, например, могут гулять (что абсолютно похуй в том же ШПТЛ). Ну а если по-серьёзному делать, то поведение такой херни может быть ещё трудно предсказуемо.

>60Мгц
Одиночный контур с бескаркасной катушкой из толстого провода справится с задачей практически идеально.
Аноним 05/03/16 Суб 13:19:22  217585
>>217578
Ну мальчики, ну что вы спорите?
Транс - это по сути LR-фильтр. В зависимости от индуктивности обмоток и частоты от либо тебе отрежет все высшие гармошки от меандра и сделает синус либо пропустит - и на выходе ты получишь тот же меандр. Нужно просто сесть и посчитать.
мимо
Аноним 05/03/16 Суб 14:04:54  217589
>>217582
>Делал ШПТЛ, там всё чётко, что я и щас в смесителе наблюдаю, когда вижу меандр с обеих сторон.
>Если транс так искажает (из меандра в синусоиду), то это из-за инерционности материала, слабой связи или ещё какой хуйни. Если связь более-менее постоянна, то свойства материала от температуры, например, могут гулять (что абсолютно похуй в том же ШПТЛ). Ну а если по-серьёзному делать, то поведение такой херни может быть ещё трудно предсказуемо.

Во, примерно как в соседнем треде про космос. Там чувак подставку на 50Мгц делал >>181829
Аноним 05/03/16 Суб 14:05:43  217590
>>217585
>LR-фильтр
Первого порядка. Т.е. отношение третей гармоники к первой будет -12 дБ по мощности или -6 дБ по напряжению.
Маловато для синуса. А кроме третьей ещё дохуя есть.
Аноним 05/03/16 Суб 14:14:21  217593
>>217589
Это резонансный трансформатор получился. Или, говоря иначе, индуктивно связанный контур.
Что не есть просто голый трансформатор.
Аноним 05/03/16 Суб 15:00:29  217597
>>217593
Да пох. Главное чтоб этот >>217175 анон понял.
Аноним 05/03/16 Суб 16:28:13  217608
>>217597
Я пока только понял, что мне надо пропустить меандр через полосовой фильтр/трансформатор или всё вместе по очереди
Аноним 05/03/16 Суб 17:17:02  217613
(1467Кб, 2560x1920)
http://www.youtube.com/watch?v=mPdGfEF8F2Q
Аноним 05/03/16 Суб 17:23:36  217614
>>217613
А выводов не будет? Алсо, тебе нужно как-то переделать ДПКД под ГПД, чтобы эту хуиту можно было программировать более наглядно с дисплеем и атмегой.
Аноним 05/03/16 Суб 17:28:43  217615
(92Кб, 1095x482)
>>217614
>А выводов не будет?
Каких?

>нужно как-то переделать ДПКД под ГПД, чтобы <...> программировать более наглядно с дисплеем и атмегой

Лол, у меня изначально установка была на отсутствие или невозможность программирования МК. Поэтому нахуй.

>более наглядно
Пик. Нагляднее некуда. Но у меня ещё нет, буду искать.
Аноним 05/03/16 Суб 18:05:46  217619
>>217615
Ах тыж хитрая жопа.
Аноним 05/03/16 Суб 18:13:09  217620
>>217615
Охуенно!
Аноним 05/03/16 Суб 20:14:28  217641
>>217615
А ты хитер! Подъебал всех ардуинщиков. Провел им преклюками, как шершавым по губам.
Аноним 05/03/16 Суб 20:37:05  217646
(268Кб, 1280x960)
>>217619
>>217620
>>217641
Сёма, плиз. И так настроение поганое, ещё ты нагнетать тут будешь.
Аноним 05/03/16 Суб 20:49:41  217650
>>217646
Во-первых: Семёнов в треде нет.
Во-вторых: как отфильтровать боковую полосу, чтобы слушать USB/LSB?
Аноним 05/03/16 Суб 21:02:03  217653
(10Кб, 359x124)
(6Кб, 409x143)
>>217650
Два метода: фазовый и фильтровый.

Фильтровый применяется в супергетеродинных приёмниках, там делается опорный генератор на частоту, которая соответствует краю полосы пропускания ФОС. В результате одна боковая подавляется. Пропускаемая боковая полоса зависит от того, где находится опорный генератор - у верхней или у нижней границы полосы пропускания.
Пикрелейтед 1.
Плюс: простота;
Минус: необходимость в специальном узкополосном фильтре.

Фазовый применим к прямому преобразованию (по крайней мере на любительских диапазонах, которые достаточно узкие).
Пикрелейтед 2. Два фазовращателя, причём один из них низкочастотный широкополосный (на речевой диапазон 300..3000 Гц, если он нужен).
Плюс: не требуется специальная элементная база;
Минусы: сложность построения фазовращателя и невысокое подавление ненужной боковой при хуёвом соответствии сдвига фаз 90 градусам (что напрямую зависит от точности и стабильности номиналов фазовращающих звеньев.)
Аноним 05/03/16 Суб 21:14:34  217655
>>217653
Спасибо. Ты где-нибудь выкладываешь вот это всё своё? Мебе сайтец/бложек у тебя есть?
Аноним 05/03/16 Суб 21:33:52  217660
>>217655
Только вконтаба, да и то раз через раз. Если свою махарайку в процессе хоть как-то задокументирую - уже хорошо.
Аноним 06/03/16 Вск 19:22:26  217788
Бамп годному треду.
Аноним 06/03/16 Вск 20:47:43  217805
>>217660
Документируй тут. Анон будет благодарен. На архивач надо тред еще закинуть.
Аноним 06/03/16 Вск 20:59:37  217806
>>217805
Уже там.
Аноним 08/03/16 Втр 03:24:01  218052
>>215297

вот же:
>>214158
Аноним 08/03/16 Втр 13:47:39  218114
(2484Кб, 3264x2448)
(2640Кб, 3264x2448)
(2774Кб, 3264x2448)
(3278Кб, 3264x2448)
Решил махарайку покрасивее сделать на куске текстолита, чтоб земля была нормальная.
Также выяснил, что помехи (писк) при при работе с приёмником были по питанию. Дроссель их подавил полностью.
Не мудрено, учитывая то, что на выходах дешифраторов ДПКД импульсы тока около 20мА, которые срут оркестром гармоник.
Если сегодня дособираю, то вечером выйду во двор послушать без помех на рамочку.
Аноним 08/03/16 Втр 14:25:32  218120
(48Кб, 799x800)
>>218114
Малаца! Зачетная конструкция получилась.
Аноним 08/03/16 Втр 18:02:45  218132
http://youtube.com/watch?v=T1dE0vXv1XA
Прохождение хуёвое.
Аноним 08/03/16 Втр 18:04:32  218133
>>218114
Охблять, какое же махарайство.
(Автор этого поста был предупрежден.)
Аноним 08/03/16 Втр 20:26:44  218169
http://youtube.com/watch?v=ulUyhfmxbKc
Прохождение улучшилось.
Аноним 08/03/16 Втр 20:30:39  218171
>>218169
Отлично работает твоя поделка.
Аноним 08/03/16 Втр 20:33:01  218172
>>218133
Покажи свои работающие конструкции. Поглядим на твои эталоны не махарайства.
Аноним 08/03/16 Втр 21:12:39  218180
Пусть тут поваляется. К слову о смесителях.
http://youtube.com/watch?v=4oMDtXLFzh0
Аноним 10/03/16 Чтв 01:51:38  218422
(6Кб, 914x95)
>>216603
>К53-14
Аноним 10/03/16 Чтв 06:39:28  218435
>>218422
Ну хуй знает. У моего утечка менее 50 нА.
Аноним 10/03/16 Чтв 08:27:23  218438
>>218435

а ты окно закрой
Аноним 10/03/16 Чтв 16:54:40  218525
>>218438
А я паяльником грел.
Аноним 13/03/16 Вск 21:42:27  219105
>>218525
Всё, тред сдулся?
Аноним 13/03/16 Вск 21:44:54  219106
>>219105
ОПа током уебало нахуй, на полу лежит, никто не проверяет жив ли.
Аноним 13/03/16 Вск 21:53:14  219107
>>219106
Всем похуй на опа.
Аноним 15/03/16 Втр 00:31:12  219367
>>219106
ОП отлучался по медицинским делам. Собрал ФАПЧ на бредборде на 4059. Завтра буду тестить с OCXO. Если заработаетp - спаяю и запилю фоточки и схему. Дальше по плану перенести приёмник MSF с бредборды на печатку.
Аноним 15/03/16 Втр 00:31:59  219368
>>219367
Алсо угадайте что у меня есть для индикатора часов?
Аноним 15/03/16 Втр 04:58:43  219384
>>219368
nixie tubes?
Аноним 15/03/16 Втр 05:07:49  219385
>>219384
Они. Целых 60 штук.
Аноним 17/03/16 Чтв 19:49:37  219908
Поцоны, а никто не собирал приёмник dcf77? Ни у кого нет проверенной схемы? В сети либо готовые и нихуя не доступные модули, либо срань с никакой чувствительностью и селективностью, пригодная лишь для Германии.
Аноним 17/03/16 Чтв 22:17:26  219930
Самый тупой вопрос итт - как подлючить 10 мгц к пк и настроить его в ntpd
Аноним 18/03/16 Птн 06:17:33  219977
>>219930

неслыханая тупость
Аноним 18/03/16 Птн 12:21:59  220039
>>219908
Пили preamp с гейном на 1000 на каком-нибйдь OPA27 и фильтр на кристалле сразу после него. Только кристалл на 77.5 kHz найти надо.
Аноним 18/03/16 Птн 12:22:27  220040
>>219930
Подели на 10000000 и загугли как ppm подключать к ком-порту.
Аноним 18/03/16 Птн 13:45:16  220055
>>220039
Это я могу, кварцы тоже не проблема. Вопрос, как сделать АРУ, так, чтобы она не зализала нахуй полезный сигнал и не само возбудила усилитель.
Аноним 18/03/16 Птн 19:38:09  220129
>>220055
Хуй знает, я цифровую сделал.
Аноним 05/04/16 Втр 04:14:57  223287
(352Кб, 1280x960)
(307Кб, 1280x960)
(330Кб, 1280x960)
(335Кб, 1280x960)
Ну и хуле?
Бамп!
Аноним 05/04/16 Втр 18:26:56  223424
>>213175
это верно для часов на 32к кварце. а есть часики типа bulova precisionist, там частота кварца куда выше - окло 192к, так вот некоторых их экземпляры спустя пару лет начинают давать по 20-30с убегания в месяц
Аноним 05/04/16 Втр 18:37:45  223425
>>223424
Ты таки заявляешь, что 32к кварцы надежнее-лучше? И вообще-то 30с в месяц - очень хороший результат для обычного кварца, погрешность у типичного 32к как раз будет в этих пределах.
Аноним 05/04/16 Втр 18:51:13  223427
>>223425
30c для обычного кварца на руке? та ладно тебе, они дают около 5 с убегания - тепло руки при постоянной носке каждый днь обеспечивают постоянную температуру в течении 12-14 часов, пока часы на руке.

ответить какие лучше не готов, видимо тут вопрос тех.процесса - ведь при призводстве хай-энд кварцевых часиков кварцы работают около месяца перед выборкой и установкой, "для усадки".

ну а наиболее точный кварц - +\- 5 с в год без всяких "неспортивных радикоррекций".

сейчас поищустатейку в тему на вус.
Аноним 05/04/16 Втр 18:52:35  223428
http://forums.watchuseek.com/f9/thermocompensation-methods-movements-2087.html

в контексте треда очень актуальная статья, кмк.
Аноним 15/04/16 Птн 18:37:12  225425
(380Кб, 1280x960)
(192Кб, 1280x960)
(195Кб, 1280x960)
(238Кб, 1280x960)
Бамп новым ДПКД.
Аноним 15/04/16 Птн 19:20:01  225437
(38Кб, 452x604)
>>225425
Зачет, бро! Давай схему, вдруг кто повторить захочет.
Аноним 15/04/16 Птн 22:37:32  225457
(25Кб, 1821x921)
>>225437
Надеюсь понятно.
Аноним 15/04/16 Птн 23:16:41  225462
>>225457
я уже сказал, что ты просто охуительно всё объяснил? есть маркировка на твоём переключателе?
Аноним 15/04/16 Птн 23:29:47  225465
>>225462
Детектор сарказма даёт ложные срабатывания. Не пойму.

Маркировки на переключателях кроме тех букв "А" нету.
У них 9 выводов: 1 общий и 2 группы по 4 двоичных разряда. Одна группа прямая, вторая инверсная.
Аноним 15/04/16 Птн 23:30:45  225466
>>225465
Т.е. неизвестна ни модель, ни назначение, ни аппарат, откуда сей переключатель был выдран?
Аноним 15/04/16 Птн 23:39:44  225468
(51Кб, 600x503)
>>225466
Мне они непаянные приехали; до того валялись в общей куче.
А насчёт аппаратов - их в пикрелейтед ставили.
Аноним 16/04/16 Суб 19:18:00  225561
>>225468
Что будет, если выставить 000?
Аноним 17/04/16 Вск 00:24:41  225618
(247Кб, 1280x960)
(318Кб, 1280x960)
(226Кб, 1280x960)
Всрал в приёмник.
http://www.youtube.com/watch?v=quqjElJpUPE

ДПКД шумит меньше, и общий жор упал с 670 до 370 мА.
Аноним 17/04/16 Вск 13:48:32  225664
>>225561
На ноль делить нельзя.
Аноним 17/04/16 Вск 19:13:28  225706
(911Кб, 2560x1920)
(971Кб, 2560x1920)
(1050Кб, 2560x1920)
(1039Кб, 2560x1920)
http://www.youtube.com/watch?v=2fSqouxE_Q8
Всё.
Аноним 17/04/16 Вск 20:02:01  225711
>>225618
Шаг какой?
Аноним 17/04/16 Вск 20:13:27  225715
>>225711
1 кГц.
Аноним 17/04/16 Вск 20:57:50  225720
>>225715
Какие принципы конструирования фапч на сотни-тысячи мегагерц? Тоже что и у тебя + цифровые умножители? Чтобы читануть по этой теме?
Аноним 18/04/16 Пнд 07:27:52  225783
>>225618
Сколько контуров фапч?
Аноним 18/04/16 Пнд 08:07:07  225784
>>225783
Один. Куда мне для простого любительского КВ приёмника больше-то?
Аноним 18/04/16 Пнд 08:25:14  225785
Купил Гиацинт. Что теперь с ним делать-то?
Аноним 18/04/16 Пнд 08:49:24  225788
>>225785
Мне отдать.
Аноним 18/04/16 Пнд 10:08:37  225807
>>225788 ДС2?
Аноним 18/04/16 Пнд 10:25:48  225814
>>225807
NYET. 2/3 от ДС2, 1/3 от ДС
Аноним 18/04/16 Пнд 12:49:41  225832
>>225785
Тащить в НИИФТРИ на калибровку.
Аноним 18/04/16 Пнд 13:13:21  225834
>>225832
Сколько стоит?
Аноним 30/04/16 Суб 18:04:48  227891
>>213102 (OP)
https://www.youtube.com/watch?v=d7kpXm8TCoA
Аноним 01/05/16 Вск 04:37:46  227996
>>214322
>Там gas cell как в рубидиевых стандартах, только с цезием. Говно с плавающей частотой вообщем.
А в других цезиевых не так?
Аноним 01/05/16 Вск 04:41:36  227997
прохладная история:

ChrisW
February 21, 2012 at 10:45 am

The TV station I worked at had a rubidium standard for our sync generators. At some point it lost lock and was operating on the crystal reference only. One day NASA called and asked if we were having problems. It turned out that NASA was using our broadcast signal as a quick reference to check their frequency counters. When we told them we didn’t need the rubidium standard anymore and weren’t going to fix it. So they sent us an HP cesium reference so they could keep using our signal!
Аноним 01/05/16 Вск 19:58:04  228289
>>227997
Умилило.
синтоёб-кун
Аноним 01/05/16 Вск 22:19:55  228311
(80Кб, 451x604)
Кроме GPS из чего можно брать стабильную частоту в домашних условиях? Цифровой телесигнал? GSM/UMTS/3G?

Тоже зазудило сделать стабильный генератор, как раз сейчас осциллограф купил цифровой модный, но почему-то без встроенной развертки
Аноним 02/05/16 Пнд 13:16:32  228394
>>228311
Частота сети 50Гц, сигнал Маяка.
Аноним 02/05/16 Пнд 15:24:59  228411
(44Кб, 394x387)
>>228394
> Частота сети 50Гц
Аноним 02/05/16 Пнд 19:11:39  228445
>>228311
Были какие-то сигналы точного времени на КВ. Может щас нет.
Аноним 02/05/16 Пнд 19:12:48  228446
А если взять тактовую частоту от gps и умножить в 10^6 раз, то что будет с фазовым шумом и тд?
Аноним 02/05/16 Пнд 22:53:24  228534
(132Кб, 770x636)
>>228445
на длинных волнах есть станция РБУ на 66.6 кГц (Москва) и на 50кГц РТЗ (Ангарск)

есть ещё служба времени "Бета" на сверхдлинных волнах, но тут хз - габариты антенны внушают
Аноним 02/05/16 Пнд 22:54:14  228536
>>228445
на КВ они и сейчас есть, просто меньше их стало

они были не так точны, как на ДВ и СДВ - переотражения от ионосферы. решил юзать ДВ
Аноним 02/05/16 Пнд 22:54:40  228537
>>228446
>А если взять тактовую частоту от gps
Это ходики бабушкины, по сравнению с водородным мазером
Аноним 02/05/16 Пнд 22:59:29  228539
>>228446
>А если взять тактовую частоту от gps
1 pps? Это не совсем тактовая частота GPS, но есть проекты на PIC, которые используют ФАПЧ от этого сигнала. Всё ок но ждать долго пока оно устаканится, и точность 10^-7, вроде
Аноним 03/05/16 Втр 07:26:37  228602
>>228534
а делители на 5 и 3 как устрроены?
Аноним 03/05/16 Втр 07:32:58  228603
(33Кб, 800x325)
(62Кб, 900x420)
>>228602>>228602
автор впал в маразм, похоже: там не нужна обратная связь к генератору гетеродина - пусть он генерит как может да и всё, второй смеситель ведь специально для компенсации этого сделан

вот годный вариант, судя по всему:
http://ua3vvm.qrz.ru/projects/receiver-66/receiver-66.htm (пик - релейтед)

его и буду делать. только выкину микросхемы специализированные: смеситель на транзисторе или на диодах Шотки, усилитель на обычном ОпАмпе попробую (вроде по характеристикам канает), а второй смеситель на MOSFET вместо этой странной (и, видимо, редкой) второй микрухи

логику заменю контроллером, заодно можно будет дисплей с инфой о времени приделать. красота получается!

у меня только от этого всего ЛИТЦЕНДРАТ - где его брать не понятно, цены конские
Аноним 03/05/16 Втр 07:36:53  228604
>>228603
буду делать под Иркутский передатчик, так как я Сибирь-кун

частота несущей там 50 кГц, если прибавить 100 кГц то получается промежуточная 150 кГц, а это тютелька в тютельку 12 МГц / 80 - получается что кварцы стандартные подходят
Аноним 03/05/16 Втр 08:01:03  228613
>>228603
>автор впал в маразм
Не очень понимаю, зачем там фапч - может хватит термокомпенсации гетеродина и ару? Хотя может с фапч будет дешевле. Или термокомпенсации не хватит для высокодобротных фильтров - при незначительном уходе частоты гетеродина сигнал будет в ноль. Как же я не люблю, когда не пишут про основные инженерные проблемы, которые решили - догадывайся сам, что важно, а что нет.
Аноним 03/05/16 Втр 08:07:18  228615
>>228539
>и точность 10^-7, вроде
Есть два gps модуля - один на tcxo, другой просто на кварце без изъебов. Как выбор между ними повлияет на точность сигнала 1pps? Из спеков вижу, что это влияет только на время старта.

https://www.u-blox.com/en/product/neo-6-series
Аноним 03/05/16 Втр 08:07:35  228616
>>228613
>Не очень понимаю, зачем там фапч
>>автор впал в маразм

>может хватит термокомпенсации гетеродина и ару
вторая блок-схема срисована с мануала к промышленно выпускаемому (выпускавшемуся?) приёмнику и там нету такой обратной связи
(Вот бы детальную схему того приёмника посмотреть!)
Аноним 03/05/16 Втр 08:08:26  228618
>>228615
1pps без повышения частоты неюзабелен же
Аноним 03/05/16 Втр 08:13:35  228620
>>228618
http://www.ik0otg.net/index.php?option=com_content&view=article&id=53&Itemid=59&lang=en
Аноним 03/05/16 Втр 08:18:47  228622
>>228620
угу, и в этом случае
>и точность 10^-7, вроде
In the data sheet of the oscillator, the manufacturer must declare, to the model used in this implementation, a short-term stability < 0.1x10 -10/10 seconds, (in 10 seconds the 10MHz oscillator moves less than 0.0001 Hz) and therefore excellent for an FLL.
и это если выход 1 pps не врёт

радио точнее на 2 порядка, и проще к тому же
Аноним 03/05/16 Втр 08:47:44  228626
>>228613
Автор обоих схем - UA3VVM. Первая схема появилась раньше, потом была пересмотрена в сторону >>228603
Аноним 03/05/16 Втр 10:52:55  228643
>>228604
>буду делать под Иркутский передатчик,
Антенну какую?
Аноним 03/05/16 Втр 11:40:30  228654
>>228643
магнитную, как рекомендовано по ссылке тут >>228603
Аноним 03/05/16 Втр 23:33:13  228823
>>228604
>частота несущей там 50 кГц, если прибавить 100 кГц то получается промежуточная 150 кГц, а это тютелька в тютельку 12 МГц / 80 - получается что кварцы стандартные подходят

А вот смотрите: есть кварцы на 100 кГц. Это частота второй чётной гармоники 50 кГц сигнала. Можно ли как-то воспользоваться этим? Например, отфильтровывать и усиливать 100 кГц?

Тогда можно будет избавиться от гетеродина и обоих смесителей совсем!
Аноним 03/05/16 Втр 23:37:59  228825
(268Кб, 1280x960)
(193Кб, 1280x960)
(115Кб, 2192x950)
Говно с первого пика надоело на улице уходить так, что на 7 МГц тембр станций становится поганый, поэтому сделал говно, что на втором пике, после чего нарисовал и собираюсь делать говно с третьего пика.
Делайте ставки, господа. Снять характеристику кварца толком не могу, потому что нет подходящего термометра, но 1..2 ppm получить думаю можно.
Ток печки 50 мА; изменение напряжения с датчика VT2 от комнатной температуры до примерно 80 градусов - 1 В; нестабильность поддерживаемой температуры из-за температурной нестабильности ИОНа DA2 - 1.4 градуса; ОУ и резисторы не учитывал.
Аноним 03/05/16 Втр 23:44:04  228826
>>228825
>нестабильность поддерживаемой температуры из-за температурной нестабильности ИОНа DA2 - 1.4 градуса
В рабочем интервале от -30 до 30 градусов С.
Аноним 03/05/16 Втр 23:52:56  228827
>>228825
moar фоточек
Аноним 04/05/16 Срд 01:24:22  228836
>>228823
можно просто умножать частоту в 2 раза
Аноним 04/05/16 Срд 02:53:36  228859
Сорян за тупой вопрос, но как можно умножать частоты? Делить - без проблем понимаю. А умножать то как? Как из 100 МГц делают йоба-гигогерцы?
Аноним 04/05/16 Срд 03:06:22  228861
(4Кб, 350x109)
>>228859
посмотри на осциллограмму двухполупериодного выпрямителя (пикрелейтед) - он как бы перевернул нижнюю часть синусоиды

если результат сгладить то получится удвоенная синусоида (синеньким подрисовал)
Аноним 04/05/16 Срд 05:59:27  228863
>>228859
Обычно это делается ФАПЧ - фазовой автоподстройкой частоты.
Ёба-гигагерцы делаются довольно простым перестраиваемым напряжением генератором (ГУН), потом еба-частота делится делителем до частоты опорного генератора (иногда весьма низкой, килогерцы) и сравнивается с опорной фазовым детектором. Выход фазового детектора управляет подстройкой ГУН - получается система с обратной связью.
Держит частоту с точностью до фазы.
Аноним 04/05/16 Срд 06:51:32  228871
>>228863
>Держит частоту с точностью до фазы.

в нашем деле это не оче
Аноним 04/05/16 Срд 08:22:51  228880
>>228859
Знаю три способа - самый годный с фапч.
Аноним 04/05/16 Срд 14:50:52  228951
(48Кб, 680x853)
>>213102 (OP)
>случайно подтвердив общую теорию относительности
Аноним 04/05/16 Срд 18:43:39  228989
(261Кб, 1280x960)
(215Кб, 1280x960)
(207Кб, 1280x960)
(199Кб, 1280x960)
Аноним 04/05/16 Срд 18:55:03  228995
>>228989
Даун настолько даун, что не додумался запихать всё в одну коробку с кварцем, чтобы получить полноценный генератор.
Аноним 04/05/16 Срд 19:04:37  229001
>>228989
>1 2 3 4 5 6 7
Даунито
Аноним 04/05/16 Срд 19:06:40  229002
>>228995
Нахуй сходи плиз)))

>>229001
Аргументируй.
Аноним 04/05/16 Срд 19:15:49  229004
(263Кб, 1920x1080)
>>228989
Имхо, кварц я бы прикрепил к какой-либо металлической пластине, и пластину уже грел транзюками. Я думаю в таком случае теплоинерционность больше, стабильность температуры думаю будет выше.
Аноним 04/05/16 Срд 19:22:45  229005
>>229004
Я надеюсь за счёт малого нагреваемого объёма выехать.
Аноним 05/05/16 Чтв 02:41:49  229081
>>229002
>Аргументируй.
"Гиацинт"

>>229005
>Я надеюсь за счёт малого нагреваемого объёма выехать.
куда? нагреть ведь не сложно - сложно и затратно потом компенсировать утечки тепла
Аноним 05/05/16 Чтв 02:44:19  229082
(36Кб, 1193x1444)
>>228859
вот рабочая модель

50 кГц-кун
Аноним 05/05/16 Чтв 03:36:47  229085
(731Кб, 3648x2432)
Дружественный тред: https://2ch.hk/sci/res/360168.html
Аноним 05/05/16 Чтв 07:45:04  229103
(258Кб, 1280x960)
(224Кб, 1280x960)
(263Кб, 1280x960)
>>229081
>"Гиацинт"
И как он с цифрами на коробочке связан?

>нагреть ведь не сложно - сложно и затратно потом компенсировать утечки тепла
У меня печка 50 мА всего, даже если она постоянно подогревать будет, не катастрофа, в принципе в масштабах остального приёмника. Я типа "игрушечный гиацинт" делаю. А за счёт малого объёма даже при больших потерях температура у элементов печки будет одинаковая.

Запилил эту хуйню. Пикрелейтед. Ну и видосик:
http://www.youtube.com/watch?v=A-v-TDXTQAE

В видеве видно, как при комнатной температуре работает. При запихивании в морозилку таки не вытягивает, датчик на 2.02 В останавливается. Частоту померил - ушла на 10 Гц вниз. Но уже не 100, лол, как было со старым опорником зимой.
Надо изоляцию попизже сделать и проводки потоньше. В сумме через них (0.29 мм) немало утекает.

Но в целом работает. До нуля точно, а ниже нуля сейчас температура и не опускается.
Аноним 05/05/16 Чтв 08:00:37  229105
>>229082
Говно
Аноним 05/05/16 Чтв 08:01:43  229106
>>229002
>Аргументируй.
Ключа достоточно было бы
Аноним 05/05/16 Чтв 09:31:13  229113
>>228311
RWM
Аноним 05/05/16 Чтв 10:54:51  229121
(186Кб, 1280x960)
>>229103
Заменил поролон пенопластом и сделал проводочки толщиной с волос. Потери меньше гораздо.
Но из-за протекающего по общему проводку тока печки (40 мА), добавляется паразитный гистерезис, который температуру в широких пределах качает, отчего частота гуляет в пределах 5 Гц. Надо ток уменьшать.
Аноним 05/05/16 Чтв 11:03:18  229125
>>229105
>Говно

детали давай
Аноним 05/05/16 Чтв 11:25:39  229127
>>229121
Ставь для печки толстый
Аноним 05/05/16 Чтв 11:36:04  229132
>>229127
индукцией печку греть надо
Аноним 05/05/16 Чтв 11:38:06  229133
(136Кб, 941x759)
>>229121
Чувак для частотомера термостабилизацию делал, пишет про - Т.е. не точность измерения частоты 2Мгц после 30 секунд прогрева,составляет примерно -4...-6Гц.
Аноним 05/05/16 Чтв 11:46:37  229135
>>229133
У меня он стоит и в пределах 3 Гц на 5 МГц туда-сюда покачивается.

>>229127
Не для печки, а общий только. Не подумал сразу, разбирать лень, отдохнуть надо.
Аноним 05/05/16 Чтв 11:46:51  229136
>>229133
ТЭН - это вот эти резисторы по килоому?
Аноним 05/05/16 Чтв 11:53:25  229138
(149Кб, 1782x855)
>>229136
Ага
Аноним 05/05/16 Чтв 12:47:03  229147
(592Кб, 2560x1920)
Сделал общий толстым, отказался от клея который пенопласт растворял - вот теперь заебись. Стоит чётко.
В морозильнике температуру держит.
Аноним 05/05/16 Чтв 13:16:11  229156
>>229147
зачем отломана серединка у PLS-контактов?
Аноним 05/05/16 Чтв 13:17:29  229158
>>229156
Сдал на медь
Аноним 05/05/16 Чтв 14:36:22  229173
>>229147
Жируют с выводными корпусами, а я хуею от цен на сверла и микродрель. Сверлю в самых крайних случаях ручной дрелью.
Аноним 05/05/16 Чтв 14:56:56  229182
>>229173
та же фигня, но по причине отсутствия станка для сверления плат
Аноним 05/05/16 Чтв 14:57:14  229183
>>229158
ну чего ты? я же серьёзно спрашиваю
Аноним 05/05/16 Чтв 15:10:25  229188
(27Кб, 421x404)
>>229173
> я хуею от цен на сверла
> 10 - 25 рублей сверло
Аноним 05/05/16 Чтв 15:14:01  229191
>>229188
Из говна?
Аноним 05/05/16 Чтв 16:18:41  229209
(193Кб, 1920x1285)
>>229191
Я в Митюках беру HAM твердосплавные по 25-30р, у китайцев заказывал по 190 0.4мм и по 230 0.5мм сверлят отлично, не хуже хама.
Аноним 05/05/16 Чтв 16:27:08  229210
>>229209
Можешь дать ссылон на китайца, чтобы проверенный?
Аноним 05/05/16 Чтв 16:32:59  229211
(308Кб, 1280x960)
(344Кб, 1280x960)
(314Кб, 1280x960)
(323Кб, 1280x960)
>>229156
Она не отломана, а вынута. Просто чтобы контакты подальше были, я на них так напаиваюсь, без разъёмов. Пик 1.

>>229182
Пик 2.

Пики 3 и 4 - всрал этот генератор в приёмник. На старой плате разобрал генератор, оставив только делители, и подключил к ним новый генератор.
Буду тестить.
Аноним 05/05/16 Чтв 17:41:02  229228
(44Кб, 602x755)
>>229210
Брал тут зимой - http://ru.aliexpress.com/store/group/PCB-drill-bit/1298476_507117557.html но чота у него все подорожало в джва раза. Поищи, мне недавно в "рекомендуемых товарах" вылазили по 150р/десяток 0.5мм
Аноним 05/05/16 Чтв 18:24:28  229244
>>229211
Как там птичка-то?
Аноним 05/05/16 Чтв 18:31:17  229245
>>229211
>Пик 2.
Твердосплавным сверлом такой дрелью не посверлишь же?
Аноним 05/05/16 Чтв 18:43:03  229253
(255Кб, 1280x960)
>>229245
Да, сразу отколется.

>>229244
Нормально. Ебаться хочет, судя по поведению:
https://youtube.com/watch?v=Xom-B0JK6rY
И это видимо таки самка.
Аноним 05/05/16 Чтв 21:25:07  229312
(348Кб, 1280x960)
(237Кб, 1280x960)
http://www.youtube.com/watch?v=vE-BCMIEDI8
Аноним 07/05/16 Суб 11:37:00  229541
(215Кб, 1280x960)
С Днём Радио, посоны.

Прикрутил светодиодик для контроля и для красоты:
http://www.youtube.com/watch?v=uyPTwl7rsEs
Аноним 10/05/16 Втр 06:39:04  230041
wtf? тут были картинки приёмника опа, разбитого вдребезги напополам!
моча ты убил опа?
Аноним 10/05/16 Втр 08:51:47  230049
(2170Кб, 3264x2448)
(2430Кб, 3264x2448)
(3261Кб, 2448x3264)
(2384Кб, 2448x3264)
>>230041
Я не оп, и нормально всё со мной.
Аноним 10/05/16 Втр 09:27:19  230052
>>230041
Вроде тут фотка разбитого блока питания была? Или не? Нахуя оп разбил приемник свой? Ебан чтоли?
Аноним 10/05/16 Втр 09:30:41  230053
>>230052
>Ебан чтоли?
Да. И он не ОП.
>мимокрок
Аноним 10/05/16 Втр 11:08:40  230067
>>230049
>Я не оп, и нормально всё со мной.
интриган! болеешь?
Аноним 10/05/16 Втр 11:34:00  230073
(14Кб, 505x272)
>>230067
Аноним 10/05/16 Втр 13:01:54  230082
>>230052
>Вроде тут фотка разбитого блока питания была?
Это был не блок питания - там торчали шпильки характерные для махарайки автора термостатированного кварца были. Так что 100% он >>230073 получил по щщам
Аноним 10/05/16 Втр 13:16:54  230086
(209Кб, 1280x960)
>>230082
По щщам получил, но >>230073 - не мой, у меня просто ушиб. Приёмник пострадал из-за того, что меня прорвало от всего скопившегося говна.

Можно было заявить на ебаната, но он живёт рядом, и он бы меня доебал потом. Был бы перелом/трещина - не сомневался бы ни секунды.
Аноним 10/05/16 Втр 15:00:25  230108
>>230086
А хули тебя твоя ебанутая ворона не защитила?
Аноним 10/05/16 Втр 16:31:10  230117
>>230086
Я думал, ты спортсмен.
Аноним 10/05/16 Втр 16:33:37  230119
>>230086
зачем ты купил братка? это же неремонтопригодное китайское говно уебищной конструкции с ненадежными, неремонтопригодными картриджами
Аноним 10/05/16 Втр 17:08:36  230121
>>230119
Я не он, но у меня браток HL-1112 два года печатает как угорелый, два раза перезаправлял картридж и все нормально.
Аноним 10/05/16 Втр 17:16:33  230122
>>230121
>два года печатает как угорелый
>два раза перезаправлял картридж
>все нормально
С учетом того, что ты им почти не пользуешься, это не удивительно, лол.
Аноним 10/05/16 Втр 17:21:39  230124
>>230122
Т.е. для дома для семьи нахуярить под 3к листов это - почти не пользуешься? Иди нахуй, шизик.
Аноним 10/05/16 Втр 17:35:44  230125
>>230124
3к листов - это ебаное ничто. У меня мамка бывало книжки по 500 листов за раз печатала. Суть в том, что если какой-нибудь домашний лазерный HP ходит минимум по ~50к листов до более-менее серьезной поломки (замена термопленки, резвал), то ресурс братков в 4-5 раз меньше, накрываются даже шестерни, конструкция хуевой ремонтопригодности, детали есть не всегда. При этом, домашний хп дороже братка лишь на 1-1.5к.
Аноним 10/05/16 Втр 17:41:47  230127
>>230125
> домашний лазерный HP ходит минимум по ~50к листов
Хорош пиздеть, у меня еще 1020хп стоит, полосит, пропуски, черные края на 10 тыще. Даже черновики на нем уже взападло печатать.
Аноним 10/05/16 Втр 17:48:30  230131
(194Кб, 1280x960)
>>230119
Потому что за имевшиеся 4к лучшего было не купить.
Пока единственный минус - хуёвое разрешение. Меньше 0.3 дороги/зазоры плохо воспроизводятся.
Аноним 10/05/16 Втр 17:58:44  230134
>>230127
Ох уж эти юзеры. Ты различаешь ресурс картриджа и ресурс принтера? 10к - твой картридж героически отработал свой ресурс многократно. Можно восстановить старый, отдай заправщикам. Но цена восстановления+заправки примерно равна цене нового аналога (~1к). Что, конечно, не идет в сравнение с ценой нового оригинала (~4к). Купи новый картридж, аналог. Советую NVPrint, Cactus'ы не бери. Выдержит 2-3 заправки, ремонтопригоден.
>>230131
Докинул бы 1-1.5к и был бы хп, они в районе 5к всегда были. У братков не столько разрешение, сколько само качество печати хуевое, если под микроскопом смотреть на плывущие края букв и линий.
Аноним 10/05/16 Втр 18:00:22  230136
>>230134
> твой картридж героически отработал
Это третий, новый, картридж.
Аноним 10/05/16 Втр 18:06:15  230137
>>230136
Ну и что ты хотел? Это аналоги. Их сразу после покупки нужно проверять. Если сразу после покупки полосит - меняй по гарантии. Пробуй разных производителей картриджей. Производитель принтера тут вообще не при чем, с аналогами оно везде одинаково, как повезет. Хочешь 100% заебись - бери у жидов оригинал за 4к (что тебе кстати и советуют все производители). Как я уже писал, попробуй NVPrint.
Аноним 10/05/16 Втр 18:23:42  230146
>>230137
Я где-то написал про аналог? Ориджинал HP Q2612А
Аноним 10/05/16 Втр 18:25:29  230148
>>230086
Зачем вообще в квартире жить?
и птичку мучить?
Аноним 10/05/16 Втр 18:31:55  230150
>>230146
Ну, если у тебя уже третий новый оригинал за 4к... Мог бы докинуть косарь в каждом случае и получить три принтера, лол. Если что, напоминаю, что восстановление+заправка стоит всего 1к.
Аноним 10/05/16 Втр 18:46:54  230153
(415Кб, 1280x960)
(374Кб, 1280x960)
(5585Кб, 480x272, 00:03:41)
(413Кб, 1280x960)
>>230134
>Докинул бы 1-1.5к
Которые появились бы только через месяц, в то время как я купил принтер 2 января и за сессию и каникулы (до начала февраля) успел собрать и полностью обсосать свой приёмный тракт.

>>230148
>Зачем вообще в квартире жить?
Ну, дай дом за городом и ещё запас денег, чтоб не пришлось работать, тратя на дорогу четверть суток - буду в доме жить.
>и птичку мучить
Ну, если мучением считать сохранение жизни этого комка мяса в перьях при условии, что его лечат, кормят, любят и он находится в безопасности, то действительно незачем. Лежал бы себе на дороге и ещё несколько часов мучительно подыхал. Ну или хищ его сожрал. Но для меня это ещё обиднее.

Меж тем пытаюсь макетировать петлю с ГУНом на 14 МГц и опорой 100 Гц. И один хуй ебёт мне мозг, что опору я не отфильтрую.
Настроение в жопе.
Аноним 10/05/16 Втр 19:04:39  230155
Поёсните про термостатирование кварца. Если мы берем тупо резистор который греет кварц, то температура же все равно будет плыть в зависимости от окружающей. Если для поддержания температуры берем референс типа тл431 и компаратор с оптопарой, то оно все-равно будет плыть в зависимости от окружающей температуры. Так как же оно работает? Нужно размещать все на одной подложке и греть одинаково?
Аноним 10/05/16 Втр 19:05:12  230156
>>230155
>с оптопарой
с термопарой, конечно же
Аноним 10/05/16 Втр 19:07:23  230158
>>230086
Что хоть случилось? Пьяное быдло не оценило твой приемник? Зачем надо было посты удалять?
Аноним 10/05/16 Втр 20:29:26  230192
(238Кб, 1280x960)
>>230155
Опишу свой опыт (>>228825 >>228989 >>229103 >>229121 >>229147)

>берем тупо резистор
Удобнее брать транзистор, особенно с металлическим фланцем или корпусом, который можно к кварцу прижать/припаять. Но я за неимением таких взял BC547 в корпусе ТО-92 и приклеил к мелкому кварцу.
>то температура же все равно будет плыть в зависимости от окружающей
Зависит от потерь и теплового сопротивления между кварцем, нагревателем и датчиком. Потери минимизируются хорошей теплоизоляцией и уменьшением утекания тепла по проводам путём увеличения их длины внутри термостата (в разумных пределах) и уменьшения сечения. Сопротивление же между элементами печки должно быть малым, потому что иначе при наличии потерь температура будет разная. Говоря проще: нагреватель греет датчик, регулятор температуры делает свою работу, поддерживая температуру датчика, но кварц таки чуть холоднее, потому что сам по себе он не греется (в отличие от нагревателся) и имеет те же потери, что и печка.
>Если для поддержания температуры берем референс типа тл431 и компаратор с термопарой, то оно все-равно будет плыть в зависимости от окружающей температуры
Если в термостат засунуть не только кварц, но и ИОН, то вообще идеально будет. А так по идее должен быть небольшой уход ИОНа и, соответственно, температуры. Но я использовал 7805 (производства KIA, вдруг важно), и при перепаде в 50К не заметил китайским мультиметром (10 мВ младший разряд) никакого ухода, хотя расчётный должен был быть около 35 мВ.
>с термопарой
Термопара даёт ебучие милливольты и тут непригодна (обычная температура печки - 60..80 по Цельсию), поэтому либо терморезистор, либо (за неимением первого) - транзистор, как у меня. Очень хорошо себя показал, кстати.
>Нужно размещать все на одной подложке и греть одинаково?
Да, тут уже предложил кто-то, да так оно и делается обычно. Но я попробовал просто плотно всё слепить, тоже получилось.

>>230158
Непьяному экс-военному быдлу показалось, что я оскорбил его шлюху-гопожёнушку, когда начал материть внезапно выбежавшую и начавшую лаять на меня их собаку (тот ещё кинофоб с детства). Это был вечер, я тихо катился по двору 10 км/ч и слушал приёмник.
Его я разъебал сам: >>230086
Аноним 10/05/16 Втр 21:05:02  230212
(121Кб, 1280x960)
О, нашёл таки у себя пикчу, поясняющую стабилизацию температуры в экстремальной точке ТЧХ кварца.
Аноним 10/05/16 Втр 21:16:18  230217
>>230192
Спасибо, примерно представляю теперь что мне нужно. Лично я планирую применить готовый 4-ногий генератор, у меня есть халявные платы от производственной йоба-аппаратуры с такими штукенциями, на разные частоты (подумаю какую получше, в идеале поищу генератор с 10 мгц и выводом подстройки).
На TL431 и транзисторе сделаю простейший параметрический стабилизатор питания генератора, с него же через делитель сигнал на вывод подстройки генератора и опора для компаратора, который будет управлять транзистором типа П214 (если импорта не найду), спаянным с корпусом генератора. Т.е. следить за температурой буду замеряя падение на переходе П214, но сперва надо будет как-то снять кривую зависимости, планирую для этого применить мультиметр с термопарой (большая точность тут не нужна).
Одна проблема - никакого референса частоты у меня нет, так что я пока хз как подстроить генератор на точную частоту. Хотя идея есть, и довольно простая: использовать поделенный сигнал генератора для подсчета секунд (подключить к ордуине или к старым часам - самый простой вариант), и смотреть убегание/отставание за сутки, синхронизируясь с интернетом, подрегулировать генератор.
Видится мне все это вполне реальным, подскажи, что я не учел?
Аноним 10/05/16 Втр 21:51:27  230230
>>230217
>подумаю какую получше <частоту>
Кратную 1, 2 или 5. Её потом делить очень легко, и несложно найти образцовые сигналы для калибровки.
>На TL431 и транзисторе сделаю простейший параметрический стабилизатор
Стабилизатор лучше компенсационный, на ОУ. Возьми сдвоенный ОУ и один задействуй в стабилизаторе температуры, а второй в стабилизаторе питания, если уж так горит. Можешь ради моего любопытства не ебаться и взять 78хх и рассказать, как он у тебя по температурной стабильности будет (вдруг мне просто экземпляр удачный попался).
>транзистором типа П214
Но он же OGROMNY. Лучше бери КТ814 и прикручивай к кусочку люминия, на него же сажай генератор. Ну и теплоизоляцию не забудь хорошую. Мощность такой печки навскидку надо будет задать 2..3 Вт. У меня 0.5 Вт всего было.
>Т.е. следить за температурой буду замеряя падение на переходе П214
Не взлетит. Напряжение на переходе меняется совсем немного, будет большая погрешность и нестабильность из-за температурной зависимости напряжения смещения ОУ (компаратора) и ИОНа.
Ставь (приклей) прямо возле грелки отдельный транзистор и выводи его проволочками толщиной с волос. Либо терморезистор, если найдёшь мелкий. С транзистором у меня чувствительность вышла около 15 мВ на градус, что очень даже заебись.
>надо будет как-то снять кривую зависимости
Надо будет порыскать в пределах от комнатной температуры до 100 градусов в поисках такой картинки: >>230212. Если найдёшь, то на ней стабилизируй. При этом даже не нужен термометр: ты просто измеришь напряжение с датчика, при котором достигается такой режим, и сделаешь опорное равным ему. Если же не найдёшь, то бери подальше от крутых перегибов, но не перегревай (когда палец уже откровенно не терпит, лол).
>Одна проблема - никакого референса частоты у меня нет, так что я пока хз как подстроить генератор на точную частоту
>использовать поделенный сигнал генератора для подсчета секунд (подключить к ордуине или к старым часам - самый простой вариант), и смотреть убегание/отставание за сутки
Ты б ещё сказал, какая точность нужна.
Допустим, хотим 1 ppm (10-6, 10 Гц на 10 МГц), что для термостатированного генератора в принципе хуйня. В сутках 86400 секунд, т.е. за сутки уход при такой точности составит 86400 с * 10-6 = 86.4 мс. вывод сделаешь сам.
Ищи в эфире более-менее сильные сигналы точного времени и собирай приёмник, и по биениям (которые надо вывести на стрелочный прибор или светодиод) настраивай.
>Видится мне все это вполне реальным
Ну, у меня же взлетело, учитывая то, что делал я буквально из говна и палок.
Удачи. Спрашивай и далее, подскажу что смогу.
Аноним 10/05/16 Втр 22:10:52  230241
>>230230
А какая у тебя получилась необходимая температура кварца?
Аноним 10/05/16 Втр 22:19:46  230247
>>215957
>>216127
Синтезаторы - это охуенно!
Пили еще!
Аноним 10/05/16 Втр 22:21:05  230248
>>230241
У своего мелкого экстремальной точки не нашёл, характеристика в принципе пологая; взял около 70 градусов.
Аноним 10/05/16 Втр 22:28:33  230251
(471Кб, 701x729)
>>216142
Нормальные люди различают до десятка шумов различной природы, обладающих различными свойствами.
Аноним 10/05/16 Втр 22:45:15  230256
>>230251
Применительно к цифровому сигналу, не получится рассматривать природу шума, поэтому видим только дрожание фазы фронтов - называем фазовым шумом.
Аноним 11/05/16 Срд 08:13:43  230300
>>230131
купил за 3900 китайца Pantum - печатает быстро, картриджи без анальной защиты, с WiFi
Аноним 11/05/16 Срд 08:15:00  230301
>>230153
>Меж тем пытаюсь макетировать петлю с ГУНом на 14 МГц и опорой 100 Гц. И один хуй ебёт мне мозг, что опору я не отфильтрую.
>Настроение в жопе.
почему бы не заюзать готовую микросхему?
Аноним 11/05/16 Срд 08:43:29  230308
>>230301
Еблан, штоле? Радио-кид?
Аноним 11/05/16 Срд 17:54:49  230387
>>230308
смотрю на фотки твоей махарайки и не знаю кто из вас двоих бОльший еблан
Аноним 11/05/16 Срд 18:42:31  230396
>>230387
1. Я кроме поста своего нихуя не писал;
2. Это макет: похуй, как он выглядит, главное чтоб работал.
Аноним 11/05/16 Срд 19:01:04  230401
>>230387
> смотрю на фотки твоей махарайки
Пацан нормально #ДОЛБИТ, а не а пердуине светодиодом моргает.
Аноним 11/05/16 Срд 19:05:20  230402
>>230230
Вообще, я бы взял частоту побольше, 50-100 мгц, но делить ее нихуя не проще. Доступная мне логика (счетчики, триггеры) тянет от силы 5-10 мгц. Всякие атмеги тоже не тянут такие частоты. Была бы быстродействующая логика, было бы проще с этим делом, сделал бы универсальный ВЧ ген с делителями.
>Стабилизатор лучше компенсационный, на ОУ.
Но зачем? Получится аналог 78хх. Хотя, почему бы и нет, если будет второй оу. Теоретически, при использовании тех готовых генераторов, пульсации не критичны, они вроде как хорошо переваривают пульсации по питанию, так что выходной сигнал не будет промодулирован 50-100гц фоном. Хотя надо проверять.
>бери КТ814 и прикручивай к кусочку люминия, на него же сажай генератор
Тогда уж к кусочку меди, а не люминьки. Вполне себе вариант.
>Ставь (приклей) прямо возле грелки отдельный транзистор и выводи его проволочками толщиной с волос
Поясни убогому еще раз, что мы делаем с этим транзистором, как измеряем температуру с него?
>Надо будет порыскать в пределах от комнатной температуры до 100 градусов в поисках такой картинки
А теперь главный охуительный вопрос. Мне нечем мерить частоту, лол. Как бы извратиться с палками и желудями, чтобы снять такую зависимость? Есть лишь осцилл до 5 мгц. Через делители до 100-500 кгц я уплыв вряд ли увижу.
>В сутках 86400 секунд, т.е. за сутки уход при такой точности составит 86400 с * 10-6 = 86.4 мс. вывод сделаешь сам.
>Ищи в эфире более-менее сильные сигналы точного времени и собирай приёмник
Да, тут все ясно: подключаю ген через делители до 1 мс к есп8266, получаю время с ntp сервера, считаю импульсы с генератора, еще раз получаю время с ntp сервера, вычисляю погрешность, корректирую, добиваюсь ухода не более 1-4 мс за сутки.
Цель всего этого? Да просто хочется попробовать себя в этих делах.
Аноним 11/05/16 Срд 19:14:42  230404
>>230402
> Была бы быстродействующая логика
ПЛИС?
Аноним 11/05/16 Срд 19:18:43  230405
>>230404
Дешевле купить готовую микросхему ГУН.
Аноним 11/05/16 Срд 19:30:32  230407
>>230405
Да ладно!? ЕРМ3064 рублей стописят стоит, а синтезатор АДшный - тыщи две.
Аноним 11/05/16 Срд 20:01:37  230410
(1030Кб, 2048x1536)
(1028Кб, 2048x1536)
(1001Кб, 2048x1536)
(983Кб, 2048x1536)
Алсо, опознайте няшек. Ищутся даташиты.
Аноним 11/05/16 Срд 20:02:40  230411
(1088Кб, 2048x1536)
(1145Кб, 2048x1536)
И про этих малюток подробности тоже интересны.
Аноним 11/05/16 Срд 20:07:10  230412
>>230410
Генераторы в корпусе Half и Full
Аноним 11/05/16 Срд 20:08:14  230413
(4Кб, 427x454)
>>230402
>50-100 мгц
Ну, как знаешь. Эталоны, стандарты и опорные генераторы в основной своей массе высокочастотностью не отличаются.
>Теоретически, при использовании тех готовых генераторов, пульсации не критичны, они вроде как хорошо переваривают пульсации по питанию, так что выходной сигнал не будет промодулирован 50-100гц фоном
Тут речь идёт о десятках децибел в минус. Т.е. на осциллографе ты нихуя не видишь, а на самом деле у тебя уровень боковых полос от хуёвого питания где-нибудь -40 дБ, что дохуя.
Тут уж от применения зависит. Если ОГ для частотомера, то на чистоту спектра там можно положить. А если для какого-то тракта обработки, причём узкополосного, то надо чистить вилкой всё что можно. Критичны могут быть даже шумы стабилизатора питания (50 мкВ для 7805).
Препод рассказывал, как сотоварищи проектировал опорник на диоде Ганна на 9 ГГц с допустимым шумом не более -130 дБ при отстройке 1 кГц. Сказал, что с сетевым источником питания, даже с кучей фильтров и стабилизаторов, меньше -100 дБ не получалось. Решилось только аккумулятором, лол.
>Тогда уж к кусочку меди
Ну, если есть, то почему б и не?
>Поясни убогому еще раз, что мы делаем с этим транзистором
Пикрелейтед для наглядности. Типа обычный каскад ОЭ, у которого из эмиттера убран стабилизирующий резистор.
При повышении температуры уменьшается контактная разность потенциалов эмиттерного перехода, что в совокупности с <относительно> малым сопротивлением базы даёт заметное увеличение базового тока. Также при увеличении температуры увеличивается бетка транзистора. В результате при нагревании увеличивается коллекторный ток, из-за чего падает напряжение на коллекторе.
>А теперь главный охуительный вопрос. Мне нечем мерить частоту, лол. Как бы извратиться с палками и желудями, чтобы снять такую зависимость?
Бери второй такой же генератор, на него не наговаривать, не дышать, косо не смотреть, типа образцовый. Давай оба генератора на смеситель с ФНЧ и выводи биения на осциллограф (там десятки герц будут). Грей тот, который термостатировать собрался, и смотри, как растягивается/ужимается картинка (ненамного скорее всего, но по точной шкале будет заметно). В принципе можно в 1 ppm загнать.
Аноним 11/05/16 Срд 20:10:20  230414
>>230413
Ой блядь, стрелку внутрь нарисовал. Наоборот же.
Аноним 11/05/16 Срд 20:41:09  230416
>>230412
Кеп, куда бы я без вас! Способы опознания хотя бы производителя существуют? NSK и NTK - это явно не производители, это походу тип. Но чем эти типы отличаются?
>>230413
Что ж, буду чудить питание. В будущем хотелось бы собрать на основе получившейся приблуды частотомер с логикой. Высокие частоты тут, конечно, не нужны.
>Пикрелейтед для наглядности
>Ой блядь, стрелку внутрь нарисовал. Наоборот же.
Теперь понял. Получается, этот транзистор нужно прижать/припаять к корпусу генератора. И желательно чтобы он был поменьше габаритами, дабы брал на себя поменьше тепла.
>Бери второй такой же генератор
И тут сразу обломс с выбором частоты генератора, остается только один вариант - 4й пик отсюда >>230410, там два гена по 24.5760mhz. По мне так неудобная частота, да и хз чем делить ее до удобоваримой. Либо дергать-подбирать простые кварцы с мат. плат от пк и ваять свою схему генератора.
>Давай оба генератора на смеситель с ФНЧ
А можно тут поподробнее, со схемой? Не силен я в аналоговых делах, предел творчества - фм пердатчик на паре транзисторов, альсо бьет 1.5 км по прямой. Было бы забавно использовать сигнал со 100+-2мгц подстраиваемого генератора как несущую, охуенная долговременная стабильность для станции получилась бы.
Аноним 11/05/16 Срд 20:44:29  230417
>>230416
NSK http://www.nsk.com.tw/
Аноним 11/05/16 Срд 20:49:10  230420
>>230417
Не похоже. У них на сайте нет никаких упоминаний про гены в таких корпусах. Только smd версии.
Аноним 11/05/16 Срд 21:08:02  230423
>>230420
Значит используй эти без даташита или покупай известные с документацией.
Аноним 11/05/16 Срд 23:16:47  230507
>>230416
>Получается, этот транзистор нужно прижать/припаять к корпусу генератора
Не, его надо ставить поближе к нагревателю, чтобы минимизировать гистерезис стабилизатора температуры. Если он будет слишком большой, то будут большие колебания температуры около стабилизируемого значения.
Если не хочешь колебаний, то надо проделать специфические измерения печки и сделать нормальный ПИД-регулятор, который надо считать матаном. Тогда можно сделать как в Гиацинте: при включении мощность печки максимальна, а при подходе к заданной температуре она падает и в установившемся режиме стабилизируется на некотором уровне, соответствующем потерям.
Но мы же просто на компараторе хотим?
>Либо дергать-подбирать простые кварцы с мат. плат от пк и ваять свою схему генератора
Будто что-то плохое.
>А можно тут поподробнее, со схемой? Не силен я в аналоговых делах
Что ж ты полез-то, раз не силён?
Схемы не будет, на словах опишу: даёшь сигналы с генераторов на входы логического элемента "исключающее ИЛИ". На выходе будет ШИМ-сигнал с частотой модуляции, равной разностной частоте. Поставишь простую RC-цепь с частотой среза в килогерц (10 кОм @ 0.1 мкФ) и получишь синусоиду (или треугольник? не помню уже), которую дашь на осциллограф.
>Было бы забавно использовать сигнал со 100+-2мгц подстраиваемого генератора как несущую
Одна петля ФАПЧ с частотой сравнения 100 кГц (шаг сетки в FM диапазоне), большая постоянная времени петли и модуляция в ГУН. Вот так будет вообще идеально. Стабильность, перестраиваемость по сетке. Уже и не стыдно излучать.
Аноним 12/05/16 Чтв 06:11:10  230556
>>230153
Расскажи про приемник на этом видео.
SDR? По какой схеме?
Аноним 12/05/16 Чтв 11:17:05  230578
>>230556
>SDR
>без ПЛИС
Ебан что ли?
мимо-плисогосподин
Аноним 12/05/16 Чтв 14:41:12  230602
(83Кб, 3311x1748)
>>230578
SDR может и пекарню для обработки использовать, а "железная" аналоговая часть приёмника - только для переноса спектра. И где тут острая необходимость в ПЛИС?

>>230556
Аналоговый приёмник прямого преобразования. Из особенностей - глубокая АРУ в УНЧ (под 85 дБ) и более-менее годный (для таких приёмников) ФНЧ 5 порядка.
Аноним 12/05/16 Чтв 16:59:28  230624
>>230602
Где на пикче пекарня, шизик? Да и тем более чем ты будешь считывать показания АЦП на 40-80 МГц?
Аноним 12/05/16 Чтв 17:13:28  230634
>>230624
> Аналоговый приёмник прямого преобразования. Из особенностей - глубокая АРУ в УНЧ (под 85 дБ) и более-менее годный (для таких приёмников) ФНЧ 5 порядка.
>>230602
Ты даунито не умеющий в чтение и осмысление прочитанного.
Аноним 12/05/16 Чтв 17:17:00  230637
>>230634
Просто sdr это новый (пару лет) фетиш школотронов-][акиров. Вместе с osmocom и nrf24
Аноним 12/05/16 Чтв 18:00:52  230647
>>230637
а как же ардуино и малина?
Аноним 12/05/16 Чтв 19:06:48  230663
>>230602
>Аналоговый приёмник прямого преобразования.
>Вход гетеродина
Аноним 12/05/16 Чтв 19:08:04  230664
>>230663
я долбоёб, перепутал с прямого усиления
Аноним 14/05/16 Суб 20:44:18  231153
Есть ли способ получить из эталонной частоты эталонное напряжение/ток?

Калибровать так калибровать!
Аноним 14/05/16 Суб 21:23:08  231164
>>231153
Сам я нюфаня и мало шарю, но мб rc-цепочка + компаратор справится с этим?
Аноним 14/05/16 Суб 21:45:35  231171
>>231164
поясни? не забывай что у нас нет точно измеренных R и C
Аноним 14/05/16 Суб 22:02:58  231175
>>231171
Если ты про уплыв параметров, то надо брать максимально стабильные R и C
Аноним 14/05/16 Суб 22:34:20  231187
>>231153
Нет.
Эталоннее нормального элемента ещё ничего не придумали.
Аноним 15/05/16 Вск 01:59:15  231208
(162Кб, 800x451)
(3Кб, 333x297)
>>230507
Сорока-кун, я все еще не отказался от идеи и нахожусь в стадии поиска деталей.
Решил все-таки взять низкочастотный кварц. Нашел два по 16 мгц и два по 8 мгц, пришлось попотеть, лол.
>исключающее ИЛИ
74HC86 - "то, что доктор прописал"? Рабочая ли дискретная схема на пик1?
И какую схему генератора выбрать?
Пока нашел такую, пик2, типа классическая. Норм вариант? Для проверки кварцев и нахождения критической точки, думаю собрать без пайки (на бредборде) два генератора по такой схеме. И подключить их к пик1. Но какую лучше схему использовать потом как основную?
Аноним 15/05/16 Вск 09:16:10  231217
>>231187
>Эталоннее нормального элемента ещё ничего не придумали.
Странно, а как система СГС держится на килограмме, метре, секунде?
Аноним 15/05/16 Вск 16:04:36  231286
(2Кб, 318x246)
(193Кб, 1280x960)
(185Кб, 1280x960)
>>231208
>пришлось попотеть, лол
Чё так?
>74HC86 - "то, что доктор прописал"?
Да.
>Рабочая ли дискретная схема на пик1?
Для низких частот и постоянного тока - да, для ВЧ - нет. Ёмкости переходов, транзисторы в насыщении, вот это всё.
>И какую схему генератора выбрать?
>Пока нашел такую, пик2, типа классическая.
Я пикрелейтед 1 использую, работает безотказно. У меня в ней только один часовой кварц не завёлся, а все остальные - легко.
С1 и С2 в пикофарадах считаются как 1000÷f, где f - частота в мегагерцах. Резисторы в базе можно побольше взять (22к), чтоб не шунтировать кварц. Для подстройки впослед с кварцем включить подстроечный конденсатор.
>(на бредборде)
Нежёстко, хуёвый контакт, частота будет гулять. Для ВЧ я б не брал такое.

Я меж тем пробую восcтанавливать своё говно. Вчера сделал ГУН на 14..14,4 МГц. Без деления перекроется диапазон 20м, с делением на 2 - 40м.
Пока был забанен, ещё и ЧФД сделал.

>>231217
Имелся в виду эталон, с которого можно получать образцовое напряжение.
Ну и я обосрался немного, щас первичные эталоны на эффекте Джозефсона работают.
Аноним 15/05/16 Вск 17:45:05  231317
>>231286
>С1 и С2 в пикофарадах считаются как 1000÷f
Но на схеме C1 и C2 разные. С2 должен быть чуть меньше?
Аноним 15/05/16 Вск 19:30:36  231349
>>231317
Не критично. Плюс-минус 30% на работоспособность не влияет. Но если поменьше, то нижний.
Аноним 15/05/16 Вск 20:53:41  231390
(1106Кб, 2048x1536)
(1123Кб, 2048x1536)
(858Кб, 2048x1536)
>>231349
Сорока-кун, я в ахуе.
Во-1, оно работает. Сумрачная конструкция на бредборде, пик 3. Кварцы по 16 мгц, резисторы 27к и 3.5к, транзисторы 2n3904. По твоей схеме. Левый генератор - пик 1, правый генератор - пик 2.
Во-2, я наблюдаю это с помощью 5 мгц осцилла, с1-73. На пикчах 0.02в и 0.1мкс/ячейка. Реально видно, что частота около 16 мгц. Я в ахуе, как осцилл осилил это? Я ведь даже смог без проблем синхронизироваться.
Но амплитуда пульсаций лишь 0.09-0.1в. Не слишком ли мало? Понадобится городить усилители, чтобы довести до уровня 5в, воспринимаемого логикой.
Алсо, при поднесении к бредборде руки, на осцилле все сливается в кашу. Это ок?
Аноним 15/05/16 Вск 22:25:00  231414
(251Кб, 1280x960)
(265Кб, 1280x960)
>>231390
Меня тут товарищ доебал, что меня сорока-куном называют, хотя так исторически называют его (у него тоже сорока, но обычная), поэтому надо переобозначиться. Называйте меня теперь ттл-пидор-совкоёб. Шутка.

>я наблюдаю это с помощью 5 мгц осцилла, с1-73
...с завалом в несколько раз. Поэтому и
>амплитуда пульсаций лишь 0.09-0.1в
Сделай детекторную головку к мультиметру на диоде 1N4148 (есть вообще везде), нагрузи её на конденсатор в 0.1 мкФ и смотри амплитуду. К показаниям прибавляй 0.7 В. Меньше 0.7 мерить не получится. В этой схеме размах амплитуды обычно не меньше половины питания, поэтому должен что-то увидеть.
>Не слишком ли мало? Понадобится городить усилители
Одного каскада с ОЭ на BC547 должно хватить.
>Алсо, при поднесении к бредборде руки, на осцилле все сливается в кашу. Это ок?
Не очень. Но при нормальном монтаже (хотя бы просто навесом на фольгированном куске текстолита) исправится. Как сливается-то?

Продолжаю реинкарнировать труп. На этот раз делитель опорного генератора.
Заново разводить это говно у меня нет ни желания, ни настроения, поэтому дёргаю огрызки старых плат, выкинув ненужное. Опорник сделаю тот же термостатированный.
ДПКД будет пятиразрядный: три младших разряда будут дрочиться валкодером или кнопками, а два старших будут тумблером переключаться в два состояния: либо на 7, либо на 14. В итоге получу два диапазона и перестройку ручкой. Увод опоры (из-за большого шага в 1 кГц) под вопросом. Частоту опоры на 14 МГц придётся понизить, а коэффициент ДПКД повысить в два раза. Готовлюсь сосать писос. Обнадёживает только то, что постоянную времени ЧФД можно взять поболее, потому что перестройка ДПКД будет неразрывной и мгновенной, а не так, как с переключателями.
Аноним 16/05/16 Пнд 17:50:26  231539
(108Кб, 2101x2663)
Сдвоенный каскОд-приёмник сигналов эталонной частоты 50 кГц из Ангарска от Сибирь-куна

Это мой первый приёмник. Нормальное усиление в каскадах получилось или слишком мало? (Вычислил что напряжение в антенне будет 27 мкВ в нашей местности.)
Аноним 16/05/16 Пнд 21:17:08  231564
(126Кб, 1080x436)
>>231414
>К показаниям прибавляй 0.7 В. Меньше 0.7 мерить не получится.
Ну, тут я бы поспорил.

мимокрокодил
Аноним 16/05/16 Пнд 23:23:08  231586
(235Кб, 1280x960)
(201Кб, 1280x960)
(216Кб, 1280x960)
(293Кб, 1280x960)
Реинкарнация говна.

Включил впослед с кварцем на 5 МГц два варикапа 2В119А, при смещении от 0 до 5 В тягается на 1 кГц.
Варикапы неплохо так плыли, поэтому сунул их в термостат.
Транзисторы приклеил к кварцу сверху, а не сбоку, в т.ч. вплотную друг к другу, поэтому тепловой контакт стал лучше. Теперь при комнатной температуре 3 секунды греется и 12 секунд остывает, скважность получается 5. До этого была 3,5..4. То есть потерь поменьше стало.

>>231564
Как-то пробовал от балды просто смещение на один диод давать, но вроде обосрался. Надо будет попробовать мост.

>>231539
Я почему-то помню, что в Ангарске передатчик не работает.
Есть инфа?
Аноним 17/05/16 Втр 00:21:17  231598
>>231586
>Я почему-то помню, что в Ангарске передатчик не работает.
>Есть инфа?
Вот самое последнее что удалось найти:

ftp://ftp.vniiftri.ru/Atomic_Time/Im/BULLETINS/B/2016/B-1064.doc
>ГОСУДАРСТВЕННАЯ СЛУЖБА ВРЕМЕНИ И ЧАСТОТЫ РОССИИ
ВОСТОЧНО-СИБИРСКИЙ ФИЛИАЛ ФГУП "ВНИИФТРИ" ИРКУТСК

>ОТНОСИТЕЛЬНЫЕ ОТКЛОНЕНИЯ ДЕЙСТВИТЕЛЬНЫХ ЗНАЧЕНИЙ
ЧАСТОТЫ И СРЕДНЕСУТОЧНЫЕ РЕЗУЛЬТАТЫ ФАЗОВЫХ
ИЗМЕРЕНИЙ СИГНАЛОВ РАДИОСТАНЦИИ РТЗ (50 кГц)

То есть, вроде бы, живо оно ещё

Вообще, странный этот ВНИИФТРИ - на сайте кроме того что несколько лет назад оно работало вообще ничего нет про станцию.
Аноним 17/05/16 Втр 01:05:25  231607
(111Кб, 2039x2557)
Нарисовал новый вариант, без каскодов (оказалось, не особо нужно усиливать напряжение)

Усиливает в 10^7 раз. Присутствует кварцевый полосовой фильтр на 100 кГц.

Далее сигнал будет подаваться на CD4046 - в ней всё для ФАПЧ. На выходе будет эталонный 100 кГц синус и сигналы детектирования ЧМ (бип-бипы).

Жду ЛИТЦЕНДРАТ и микруху из Китая...
Аноним 17/05/16 Втр 02:56:51  231613
>>231607
1) кварц где возьмёшь, и какое у него будет эквивалентное сопротивление? Ты учел его в расчёте усиления? Учел предельную рассеиваемую им мощность? Где нейтрализация паразитной ёмкости?
2) как представляешь себе монтаж, чтобы колебания в выходном каскаде через воздух, землю и линию питания не навелись на вход?
3) как ару делать думаешь? Или никак, там не будет модуляции?
Аноним 17/05/16 Втр 12:22:01  231670
(82Кб, 578x750)
>>231613
>>231613
>1) кварц где возьмёшь, и какое у него будет эквивалентное сопротивление? Ты учел его в расчёте усиления? Учел предельную рассеиваемую им мощность? Где нейтрализация паразитной ёмкости?

Вообще никогда с кварцами не работал. Пока что в симулятор вставил его эквивалентную схему (верхний правый угол) - фильтрует, вроде, ок.

>2) как представляешь себе монтаж, чтобы колебания в выходном каскаде через воздух, землю и линию питания не навелись на вход?

Катушку 100 кГц (нагрузка первого транзистора) разместить правильным образом не достаточно?

Сейчас ещё обмазываюсь книжкой "Полупроводниковые схемы. Секреты разработчика." (Гаврилов Сергей Александрович) и, видимо, переделаю усилитель (см. пикрелейтед)

>3) как ару делать думаешь? Или никак, там не будет модуляции?
Там ЧМ, нужен будет ограничитель.
Что-то простое типа диодного из старых книжек попробую, для начала
Аноним 17/05/16 Втр 12:22:30  231671
>>231613
>кварц где возьмёшь
да, уже в Китае заказал - 100 кГц кварцы производятся промышленно
Аноним 17/05/16 Втр 12:30:10  231674
>>231670
>Катушку 100 кГц (нагрузка первого транзистора)
контур, не катушку
Аноним 17/05/16 Втр 12:59:56  231676
>>231607
что за кад?
Аноним 17/05/16 Втр 13:21:25  231677
(310Кб, 600x399)
>>231671
Вот свинтус. Нет чтоб нашего продавца поддержать и заебашить охуенную махарайку.
Аноним 17/05/16 Втр 15:16:32  231702
>>231676
Qucs
>>231677
может у вас и на 50 кГц есть такие? цены?

я хочу запилить махарайку которую мог бы любой повторить быстро и желательно без настроек

Аноним 17/05/16 Втр 15:32:50  231707
>>231702
У меня вообще таких нет, а в "Кварце" от 125р/шт http://www.quartz1.com/price/price.php?par1=50&par2=&par3=&par4=&par5=&group=430
Аноним 17/05/16 Втр 16:05:37  231716
>>231707
>от 125р/шт
ну вот и ответ - вся мая махараяка будет стоить примерно столько
Аноним 17/05/16 Втр 20:21:03  231741
(272Кб, 1280x960)
(1165Кб, 2560x1920)
(200Кб, 1440x900)
(186Кб, 1440x900)
Продолжаем веселье. Надеюсь хоть этот вариант я не разъебу.
Опора 500 Гц, диапазон ГУНа 14 до 14.4 МГц, шаг 1 кГц.
Собрал, включил, увидел 3 пик и охуел. Стал думать, где обосрамс, попутно проверил ЧФД, который оказался очень даже хорош из-за замены LM358 на TL072 (на глаз по положению луча на экране осциллографа в течение минуты утечку не видно). Стал отключать блоки и обнаружил, что спектр загаживается из-за делителя опорника. После этого уже нашёл причину: красный провуд на 1 пике давал сильнейшую наводку на ГУН. Исправил - стало как на 4 пике.
Ближнее говнецо - помехи из-за незаземлённой пекарни, без приборов будет чище.
Из-за низкой опоры и большого деления захват получился достаточно медленным, можно усиления в петлю добавить.
Но в целом работает.
Аноним 17/05/16 Втр 20:56:24  231743
>>231741
люблю твои посты и фоточки
Аноним 17/05/16 Втр 22:59:56  231760
(203Кб, 1440x900)
(207Кб, 1280x960)
>>231741
Поправочка: вместо 4 пика лучше этот. Там шумовая полка выше, хз почему.
Здесь хорошо видно остатки опоры. Но это уже ДПКД подсирает походу, было заметно при откоючении. Можно ещё чище сделать, пограмотнее развязав питание (отдельные стабилизаторы только у ОГ и ЧФД).

>>231743
На тебе рождение платы ОГ из говняной жижи.
Аноним 18/05/16 Срд 00:06:50  231770
>>231760
>На тебе рождение платы ОГ из говняной жижи.

тонера не жалко? или это какие-то особые экраны?
Аноним 18/05/16 Срд 00:39:16  231777
(290Кб, 1280x960)
>>231770
>тонера не жалко?
Не особо. Его на этой плате как на странице текста А4 при стандартном заполнении 20%. При таком расходе картридж 1000 листов настругать должен.
>это какие-то особые экраны?
Да, ВЧ генератор на кварце чувствителен к окружению (если в корпусе - то особенно к проводящему), поэтому лучше заливать плату землёй или хотя бы делать широкие дорожки питания.
Также увеличение площади земли способствует уменьшению индуктивности, которая приводит к возникновению паразитных ОС.
Аноним 18/05/16 Срд 01:12:20  231780
>>231777
А дорожки, разрезающие земляной полигон не портят ли весь эффект?
Аноним 18/05/16 Срд 01:57:56  231782
>>231780
Портят, но конкретно тут - не сильно. При необходимости можно конденсаторов или перемычек накидать, чтоб замкнуть.
Аноним 21/05/16 Суб 01:05:49  232412
Пусть и тут побудет.
Три часа назад умер препод-схемотехник.
Я пока просто в замешательстве, потому что сам не видел и узнал об этом из сообщения во вконтабе. Собирался уже ко сну отходить, как подошёл к пекарне и увидел. Сейчас 6:00, сон по пизде. Дальше хз.
С преподом этим неплохо общались (много ближе, чем с остальными и даже с одногруппниками), я ему свои поделки показывал. В этом семестре вёл "Основы телевидения и видеотехники".
Такие дела.

ттл-пидор-совкоёб
Аноним 21/05/16 Суб 02:44:33  232416
>>232412
экзамены то ему успел сдать?
Аноним 21/05/16 Суб 03:29:10  232417
>>232412
Не расстраивайся. Ведь у тебя есть мы! Бхахахах!
Аноним 21/05/16 Суб 08:03:36  232423
>>232412
>Пусть и тут побудет.
а где ещё?
Аноним 21/05/16 Суб 09:51:35  232445
>>232412
теперь тебе, чтобы получить зачет, надо будет тоже помереть
Аноним 21/05/16 Суб 23:13:47  232543
(58Кб, 1596x950)
Сорока-кун!
Ленивый хуй с бредбордом >>231390 рапортует.
С помощью диода и конденсатора я ничего не увидел, так и не понял почему. Диод брал 4148, рабочий, кондеры пробовал разные. Мультиметр ничего не почуял, 0в, изредка промелькнут сотые вольта от статики. Ну хуй с ним, начались рабочие будни, отложил.
Наступили выходные, я аутистично игрался с ловлей и декодированием погодных спутников с помощью недавно полученного SDR свистка. Кроме того, достал свой фм передатчик на 2 транзисторах и с интересом всячески крутил-перенастраивал его, наблюдая результат на экране.
И тут меня осенило, вспомнил про генератор. Пик рилейтед! Достаточно подключить к выходному кондеру кусокек провода и передатчик синуса на частоту кварца готов. Сейчас увидел, что ты тоже чем-то подобным занимаешься в постах выше.
Таким образом, второй генератор и элемент XOR не нужны. Можно греть кварц и наблюдать уплыв частоты, строить кривую. Чем я сейчас и попытаюсь заняться.
Аноним 21/05/16 Суб 23:40:37  232546
>>232543
В общем, попробовал. Грел феном 100С один из генераторов на бредборде. Термопару от мультиметра подсунул под кварц. Таки фейл. Нагрел до 100С, а частота все растет. Дальше не рискнул.
Что я делаю не так? Может, нужно греть кварц отдельно от всего остального?
Аноним 22/05/16 Вск 00:28:44  232547
>>232546
Разобрался. Тупо вывел кварц отдельно, в центр бредборды, проводками. Получилось.
Зависимость ОБРАТНАЯ! Частота сначала несколько падает, а потом, примерно после 50-55С, начинает безостановочно расти по мере нагрева.
Получается, что критическая точка у таких кварцев низкая, никаких 80-100С и в помине нет.
Потестил второй кварц - у него эффект аналогичен, но критическая точка вообще около 40С, до нее частота падает, после нее беспрерывный рост. Охуеть.
Маркировка первого кварца S16.0CGHC, второго S16.0CEC.
Можно просто резко нагреть до 100С, затем наблюдать за медленным остыванием на экране SDR и мультиметре, так проще увидеть нужный момент.
Пришел к выводу, что нужно исследовать еще кварцы, на другие частоты. Прям почувствовал себя каким-то недоучёным, лол.
Аноним 22/05/16 Вск 00:55:55  232550
(22Кб, 474x198)
>>232543
>Таким образом, второй генератор и элемент XOR не нужны
Таки нужны. У тебя в шарпе не хватит разрешения, чтобы уход на герцы смотреть. Ну или хз, если пекарня топовая, тогда дерзай. Только свистку дай предварительно прогреться.

>>232547
>Зависимость ОБРАТНАЯ!
Пикрелейтед. Повезло значит, раз нашёл точку.
http://dl4yhf.darc.de/dcf77_osc/index.html
>Маркировка первого кварца S16.0CGHC, второго S16.0CEC
Видимо срезы немного разные.
>Прям почувствовал себя каким-то недоучёным, лол
Ради этого и живём, ёба.

>>232416
Сессия ещё не началась, поэтому нет. Да и вопрос этот меня ебёт в последнюю очередь.
>>232550 >У тебя в шарпе не Аноним 22/05/16 Вск 02:34:27  232556
>>232550
>У тебя в шарпе не хватит разрешения, чтобы уход на герцы смотреть
У меня стоит разрешение FFT 524288, этого более чем хватает чтобы увидеть уход на герцы. Но гуляет оно очень заметно, разница между 25 и 100С - это где-то 500-700гц, думаю даже в свехрнизком разрешении будет видно.
На разрешении 1048576 спектр уже какой-то неустойчивый, видимо нужно больше мощей. Так-то у меня i7 4790K 4.4ггц, у которого до появления 6700k была наивысшая производительность на ядро. Но шарп использует только 1 ядро, так что я хз для каких целей там эти опции.
>Пикрелейтед
Забавно, но я когда-то видел ту статью. А вот на картинку внимания не обращал. Теперь-то все сходится. Спасибо за помощь в этой интересной теме, продолжу потихоньку редкие эксперименты, постепенно дойду до сборки ген-геныча.
Аноним 22/05/16 Вск 02:48:53  232557
>>232556
>разрешение FFT 524288
>Так-то у меня i7 4790K 4.4ггц
У меня кора дуба, которая выше 16384 обсирается, два гигабайта ОЗУ и полудохлый винт.

Удачи.
Аноним 22/05/16 Вск 03:22:19  232561
(18Кб, 887x490)
>>232557
Вот, попробовал запилить мэдскиллз. Кварц с маркировкой 24.000w7. Процесс остывания.
Разрешение 1048576, околонулевая скорость. Красиво?
Аноним 22/05/16 Вск 03:38:56  232564
>>232561
Больше похоже на промах. Слишком нехарактерное возмущение для такой зависимости.
Аноним 22/05/16 Вск 03:47:39  232565
>>232564
Оно медленно слишком медленно стыло и я дунул, лол. Как раз в тот самый момент.
Аноним 22/05/16 Вск 04:57:18  232568
(11Кб, 889x225)
Процесс остывания кварца S16.0CGHC. Тут я не дул для ускорения процесса. Походу, эталон того как должно быть.

Алсо, попробовал кварц 8 мгц - точки не увидел, да и хуево ловятся частоты ниже 10 мгц. Попробовал КЕРАМИЧЕСКИЙ резонатор на 5 мгц - пиздец говнище, частота от температуры скачет так, что его можно использовать как термометр с огромными делениями 0.01С. Точки у него тоже не нашел, да и вряд ли должна быть, но еще эта хуета реагирует на механическое воздействие и поток воздуха, частота дохуя плавает, я хз для чего такое говно придумали и как используют.
Аноним 22/05/16 Вск 05:07:11  232569
>>232568
Ну и вывод из сегодняшнего аутизма: нужно искать кварц, у которого частота крит. точки равна или выше его номинальной частоты. Иначе не получится скорректировать ее емкостью. Либо придется работать с неудобной частотой, типа 15.995.311 гц. Сорока-кун, как тут быть?
Аноним 22/05/16 Вск 09:00:55  232577
>>232569
>работать с неудобной частотой, типа 15.995.311 гц
не похуй ли? так и так её делить/умножать
Аноним 22/05/16 Вск 12:31:11  232582
>>232569
>15.995.311 гц
Свисток-то калибровал? Найди какой-нибудь точный сигнал и подстрой свисток по нему. Можно несущую картинки телепиздера взять. А то сильно большая разница с номиналом.

>>232568
>КЕРАМИЧЕСКИЙ резонатор на 5 мгц - пиздец говнище, частота от температуры скачет так, что его можно использовать как термометр с огромными делениями 0.01С
>хз для чего такое говно придумали и как используют
Когда стабильности RC генератора уже мало, а ставить кварц - жирно. Я такие в пультах от телевизоров видел, но они там ниже, обычно 460 кГц.

>>232577
Кратные частоты удобнее делить. Для получения например 1 кГц ему с такой входной частотой нужен высокоизъёбистый дробный счётчик. 16 МГц же делится четырьмя простыми четырёхразрядными счётчиками: один двоичный, остальные три двоично-десятичные.
Аноним 22/05/16 Вск 20:33:10  232625
>>232577
Нихуя себе ты выдал. С такой ебнутой частотой разве что делитель на МК соображать, дискретная логика тут пролетает. Причем, МК нужен шустрый, типа esp8266 с его 80 мгц, всякие атмеги 4/8/16 мгц тут пролетают - им не хватит тактов, чтобы считать... такты лол с генератора.
>>232582
>Свисток-то калибровал?
Да толку-то?! Это почти бессмысленное занятие, как оказалось.
Поясняю: настраиваюсь на один тв канал (несущую), выставляю ppm, все ок. Переключаюсь на частоту любого другого канала - частота не соответствует. Свисток, есстно, прогрет. Вывод: частоты у каналов выставляются заметно не с высшей точностью. Это мне видится логичным, аналог все-таки, юзеры сами подстроят свои тв приемники на эту мизерную разницу. Наверняка вещают по принципу "лишь бы уложиться в определенный допуск", сверхточную подстроку не осуществляют.
В общем, с ТВ все ясно. Калибрую по GSM-станциям, по гайду:
http://www.radioscanner.ru/info/article539/
Получается вообще в два раза (46) большее значение ppm, чем необходимо в среднем для подстройки на несущую тв канала (20-30ppm).
И чему тут верить? Пока использую донгл с нулевой корректировкой. Хочу провести еще несколько калибровок по GSM, в разное время, чтобы убедиться в стабильности полученного значения.
Аноним 22/05/16 Вск 23:16:03  232655
Ну что ж, сегодня особо ничего не делал, но выявил две вещи:
1) похуй сколько в шарпе ppm, хоть 0, хоть 46 - на столь низких частотах влияние стремится к нулю. Оказалось, на частоту в этой схеме очень заметно влияет длина проводов. Кроме того, видимо, само исполнение на бредборде вносит высокую индуктивность и потому частота может быть ощутимо занижена, замерять ее нужно в паечном исполнении. А так же подозреваю, что неподходящие по номиналу конденсаторы тоже могут занижать частоту. Такие дела.
2) Взял китайский нонейм tl431 из пакета 50шт, купленного 2-3 года назад за доллар, с целью подуть на него феном в простейшем включении (рис. 1, вход 5в, R=470ом, ~10мА ток) и определить зависимость эталонного напряжения от температуры. Я не знаю как оно так, но ему ПОХУЙ. Как было 2.50В, так и осталось, хотя грел до 90-100С. Ему просто похуй. Может, я чего-то делаю не так? Получается, что стабилизацию питания генератора и опорное напряжение для компаратора можно спокойно реализовать на копеечной нонейм TL'ке, что весьма забавно.
Аноним 22/05/16 Вск 23:42:02  232657
(17Кб, 562x259)
>>232655
>(рис. 1, вход 5в, R=470ом, ~10мА ток)
Пикчу потерял, хотя и так понятно, о чем я.
Аноним 23/05/16 Пнд 13:01:07  232733
>>232582
>Для получения например 1 кГц
А зачем? Почему не 1.11 кГц?
Аноним 23/05/16 Пнд 13:02:22  232734
>>232655
ну так в tl431 термостабилизация же встроена
Аноним 23/05/16 Пнд 13:16:23  232737
>>232734
лол, инженеры-инженеришки
Аноним 23/05/16 Пнд 18:18:05  232804
>>232737
а что не так? запрещёная зона зависит от температуры?
Аноним 23/05/16 Пнд 19:39:38  232830
(34Кб, 695x332)
>>232734
>>232804
Как она реализована?
Аноним 24/05/16 Втр 08:49:57  232892
>>232830
https://ru.wikipedia.org/wiki/%D0%91%D0%B0%D0%BD%D0%B4%D0%B3%D0%B0%D0%BF
Аноним 24/05/16 Втр 17:27:02  232971
>>232830
https://www.idt.com/document/whp/how-make-bandgap-voltage-reference-one-easy-lesson-paul-brokaw
Аноним 29/05/16 Вск 19:41:52  234003
бамп
Аноним 29/05/16 Вск 20:20:47  234010
(16Кб, 1189x381)
(17Кб, 1197x393)
(16Кб, 1195x393)
Сорока-кун, я тут приближаюсь к железной реализации термостатированного генератора.
Возник вопрос по схеме термостата.
Я решил пойти по пути минимализма и простоты, поэтому отказался от применения оу. Вместо него тл431 в качестве компаратора. Т.е. одна ТЛка стабилизирует питание для генератора и термостата (5-6 вольт), а на второй реализуется термостат. Алсо, в качестве датчика решил применять термистор от печки принтера, он весьма высокоомный, но сильно меняет сопротивление, и маленький, с тоненькими выводами.
Вот три варианта (V2 с RC цепочкой эмулируют делитель с термистором).
Первый вариант самый хуевый, транзистор закрывается весьма слабо, значительный ток течет постоянно.
Второй вариант получше, транзистор закрывается полностью, но на открытом будет оставаться напряжение 2.5в (как на ТЛке), что совершенно бестолково.
Третий вариант, с NPN транзистором - идеал. Просто идеал.
Но у меня в нужном компактном никелево-золотом корпусе (для припайки к кварцу) нашлись только 2Т208, а они PNP. Есть еще кт203, но они тоже пнп и у них макс. ток лишь 0.01а.
Посоветуй что-нибудь. Как еще можно доработать схему с PNP транзистором?
Аноним 29/05/16 Вск 21:02:33  234017
>>234010
Бля, я, кажись, объебался. В третьей схеме все тепло на резистор же уходит.
Тогда придется использовать 2ю, резистор 47 ом, поближе к кварцу с транзистором, и готово.
Аноним 29/05/16 Вск 21:37:06  234025
>>234010
Ты наркомантер штоле сука?! Почему у тебя стабилизатор питания берет обратную связь со стороны источника, а не выхода?
Аноним 29/05/16 Вск 21:48:42  234031
>>234025
Чего? У ТЛки встроенный референс 2.5в, там при любом входном напряжении на выходе будет 5в в такой конфигурации, делитель трогать вообще не нужно.
Аноним 29/05/16 Вск 22:00:11  234034
>>234031
Прости, я совсем уже обимпульсился, забыл как повторитель напряжения выглядит и работает.
Аноним 05/06/16 Вск 14:08:00  235196
(107Кб, 810x1080)
(192Кб, 810x1080)
(157Кб, 810x1080)
(168Кб, 810x1080)
Бамп.
Аноним 05/06/16 Вск 16:31:58  235217
>>235196
Нот бэд. Какой курс, говоришь?
Аноним 05/06/16 Вск 16:58:55  235224
>>235217
Третий.
Преподше цифровых устройств принёс ДПКД ещё самый первый показать, так она сказала, чтоб я его курсачом оформил.
За эти выходные записку склепал, на мыло отправил проверить, поправил немного, и она сказала завтра с зачёткой приходить.
Прикол в том, что остальные делают 5 заданий разной степени всратости, которые выходят минимум на 25 страниц. А у меня всего 12, которые я полностью сам нагенерировал, поэтому получилось быстро и приятно.
Аноним 05/06/16 Вск 17:36:10  235229
>>235224
У меня такая хуета была постоянно по программированию.
У одногруппников от такой самодеятельности ксенофобия, а у преподов уважение и хорошее отношение.
Добра и не слушай никого.
Аноним 05/06/16 Вск 18:01:37  235230
>>235224
>>235229
пиздос вы дауны
Аноним 05/06/16 Вск 18:05:45  235231
>>235230
>2ch
>дауны
Ну ты понял.
И все-таки, ты с нами.
Аноним 06/06/16 Пнд 09:05:27  235317
>>235230
> пиздос вы дауны
Отчислили штоле?
Аноним 06/06/16 Пнд 09:10:53  235320
>>235317
+1 даун
Аноним 06/06/16 Пнд 10:51:34  235354
>>235320
Сына, я вообще геолог и окончил институт еще в 95, когда твой папка надрачивал на школьные фото мамки.
Аноним 07/06/16 Втр 16:52:18  235701
>>235354
Старики такие обидчивые, их нужно ценить.
Аноним 20/06/16 Пнд 01:25:14  237874
(89Кб, 423x337)
Ну что, запилил там анон свой генератор?
Аноним 20/06/16 Пнд 02:00:33  237879
>>237874
нет ещё, феррит не могу докупить - он в соседнем городе
Аноним 20/06/16 Пнд 08:27:42  237907
>>237874
Схема на пике будет работать? Я тут думаю запилить TCXO из говна и палок для сдр свистка.
Аноним 28/06/16 Втр 18:55:43  239513
(268Кб, 1280x960)
(338Кб, 1280x960)
(257Кб, 1280x960)
(302Кб, 1280x960)
Приехано. 3.5 недели.
Погроматора пока нет, LPT порта в пекарне тоже; сосу писос. Сделал пока часики на пердуине, выкинув нахуй родную иде, пишу на Си.

Сорок много не бывает.
Аноним 28/06/16 Втр 19:12:08  239540
>>239513
2016
@
не иметь lpt
Аноним 28/06/16 Втр 20:59:30  239573
>>239513
Ахуеть, какой город? Отсыпал бы тебе мешок старых мат. плат с целеронами и памятью.
Аноним 28/06/16 Втр 21:34:00  239579
>>239573
Иркутск.
Аноним 28/06/16 Втр 22:04:04  239581
>>239579
Ахуеть. Увы, нам не по пути. Комплект некроты можно взять забесплатно, спроси на местном форуме. В крайнем случае - за 100р с рук.
Аноним 28/06/16 Втр 23:55:30  239612
>>239513
>Сделал пока часики на пердуине, выкинув нахуй родную иде, пишу на Си.
Одобряю!
Аноним 29/06/16 Срд 19:05:32  239801
Какова точность ваших гиацинтов в год? Как гуглить на ибее атомные часы?
Аноним 29/06/16 Срд 21:11:23  239925
>>239801
cesium clock
Аноним 08/07/16 Птн 14:10:48  241378
(1143Кб, 2560x1920)
Водород закончился.
Аноним 09/07/16 Суб 00:11:53  241496
Никто не собирал приемники dcf77? Хочу собрать на u4224, кварцы есть, какие подводные камни? Можно ли сделать антенну из жирных трубок феррита для надевания на кабели?
Аноним 09/07/16 Суб 09:12:44  241525
>>241496
А зачем? они готовые на али продаются по $1

Вот если бы ты отечественные аналоги пилил тогда это бы имело смысл
Аноним 09/07/16 Суб 11:56:48  241533
>>241525
Щито? Можно линк? Я только готовые часы-метеостанции находил.
Аноним 10/07/16 Вск 12:35:56  241695
>>241533
DCF77 receiver module в гугле
Аноним 10/07/16 Вск 13:28:19  241702
>>241695
Те я знаю, все с ебэя. Блин, придётся делать карточку для палки, на Али с этим проще.
Аноним 14/07/16 Чтв 20:50:26  242430
Спрошу еще тут. анон, есть атмега8а ау, к ней (6,7,8 ноги) был подцеплен трехногий керамический резонатор. резонатору внезапно настала пизда от встречи с железякой. Атмега заводится естественно не хочет, прошивка сложная, менять ниче не желательно (регуль для модельного двигателя). Каким образом туда подкинуть двух ногий кварц, который можно сдернуть с компьютерного железа? Или только трехног?
Аноним 14/07/16 Чтв 21:54:21  242461
>>242430
Покурил даташит, плюс дюди сказали любой двуног на 16 туда пихнуть и кондеры повешать между выводами и землей. Кондеры обязательны?
Аноним 14/07/16 Чтв 22:09:35  242466
>>242461
Строго желательны для уверенного запуска.
Аноним 17/07/16 Вск 18:20:53  242852
(3282Кб, 3584x2016)
>>228604
Начал, помолясь. Пикрелейтед намотал.
Завтра спаяю первый каскад.
Аноним 17/07/16 Вск 18:44:50  242856
>>242852
> Пикрелейтед намотал.
Инвалид штоле?
Аноним 17/07/16 Вск 22:00:22  242880
>>242856
Что не так?
Аноним 20/07/16 Срд 18:17:20  243301
>>228823
скорее всего в излучаемом сигнале практически нет гармоник - синусоида.
Аноним 21/07/16 Чтв 12:36:43  243403
>>243301
А помехи эфирные?
Аноним 22/07/16 Птн 19:25:48  243555
От gps можно засинфазить или тока засинхронизировать?
Аноним 22/07/16 Птн 19:26:17  243556
>>242852
Моя бабка лучше мотает
Аноним 23/07/16 Суб 00:00:53  243594
(211Кб, 1280x960)
(294Кб, 1280x960)
(558Кб, 1440x900)
Приехал программатор наконец.
Запилил черновой вариант частотомера, чтоб проверить возможности плисины. Счётчики до 50 МГц без проблем работают, выше генератор посмотреть не позволяет.
Блять, пока писал пост, вспомнил про Баофенг. Смотрим видео и описание к нему:
https://www.youtube.com/watch?v=wgHmtQfMBIk
Аноним 23/07/16 Суб 01:20:30  243605
>>243556
Я думал это и называется "намотка внавал" - уменьшает собственную ёмкость катушки и всё такое
Аноним 23/07/16 Суб 01:24:04  243606
>>243594
Скажи какой у тебя генератор? Рекомендуешь его?
Аноним 23/07/16 Суб 09:54:56  243623
>>243606
Г4-102.
Плюс - хороший микровольтовый аттенюатор.
Минус - острая настройка с одной ручки.
Не рекомендую, если есть варианты получше.
Аноним 23/07/16 Суб 18:11:56  243710
>>243623
>Г4-102

О, завтра такой как раз забираю! Всего за 1000 рублей, внешне состояние хорошее, продаёт какой-то радиолюбитель

А низкочастотный генератор какой? Поругай/похвали?
Аноним 23/07/16 Суб 22:59:13  243782
>>243710
Я только на Г3-111 работал. Ничотак, прикольный.

Меж тем, пилю частотомер на плисине и просто паром ссу: четырёхразрядный (двоично-десятичный) счётчик работает до 500 МГц, а может и выше, баофенг выше не может.
Сделаю новый термостатированный опорник - будет вообще конфетка размером в две сигаретные пачки.
Аноним 24/07/16 Вск 18:40:04  243857
(1467Кб, 2592x1456)
Этому треду времени не хватает реле времени!
лично я обожаю такие олдскульные штуки
Аноним 25/07/16 Пнд 13:16:53  243941
(330Кб, 1280x960)
(305Кб, 1280x960)
(407Кб, 1280x960)
Сегодня принёс Гиацинт в институт и посмотрел, на сколько он ушёл за год. Оказалось, что на 3.3 х 10-9. Охуенно.
Также принёс частотомер, чтобы посмотреть, насколько сильно пиздит генератор на плате. Получилось 3 х 10-6. Вполне реально. Посмотреть максимальную рабочую частоту не получилось, попробую завтра.
Но надо лучше, поэтому попробую развить говнище с 3 пика во что-то рабочее. За идею самодельного малогабаритного термостатированного генератора был одним товарищем обоссан с формулировкой "нахуй тебе карманный частотомер, гиацинт же есть". Но любопытство хуй задушишь.
Аноним 27/07/16 Срд 01:28:28  244102
>>243941
>Сегодня принёс Гиацинт в институт и посмотрел, на сколько он ушёл за год.

Ушёл в смысле частоты? А что за прибор в институте?
Аноним 27/07/16 Срд 02:55:49  244108
>>244102
Нет, бля, нановольты отличий амплитуды вылавливал.
Конечно частоты, ёб то.

>что за прибор
Ну там как бы целый комплекс - вторичный эталон частоты и шкалы времени. С самого эталона я брал заведенный по специальному кабелю сигнал 10 МГц, который использовал в качестве опорного для генератора ГСС-93/1. На генераторе выставлял частоту 5 МГц с четырнадцатью нулями, и давал этот сигнал на один вход фазового компаратора. На второй вход давал Гиацинт. У компаратора на морде есть стрелочный прибор, стрелка которого колеблется с частотой, равной разности частот входных сигналов, помноженной на коэффициент (2, 20 или 200).
Имея секундомер, нахожу по времени нескольких периодов колебаний стрелки разностную частоту, и, зная номинал (5 МГц) считаю относительную неточность.
В оп-посте вебмка моя, если что. С прошлого года.
Аноним 29/07/16 Птн 00:45:37  244479
(244Кб, 1280x960)
(319Кб, 1280x960)
(239Кб, 1280x960)
Опять простыню катать, ну нахуй. Просто пикчи.
Аноним 29/07/16 Птн 16:54:38  244527
(293Кб, 1280x960)
(63Кб, 545x466)
(59Кб, 659x453)
(938Кб, 1620x2160)
>>244479
Этот термостат уже можно обмерить, что я и сделал.
Запустил нагреваться со старым кварцем на 5 МГц и с новым на 8, снял характеристики. Вывод даже озвучивать не надо, и так понятно.

Также запустил со стабилизацией температуры, результат на 4 пикче.
Если не понятно: 0.5 секунды греет, 4 секунды остывает, потом снова, и так до бесконечности. Питание 5 В, ток 0.7 А.
Это при комнатной температуре 30 градусов и температуре термостата 55 градусов Цельсия; в поролоне, что на 1 пикче, но ещё сверху закрыто.
Аноним 29/07/16 Птн 23:23:26  244553
>>244527
Ты няша.
На третьей картинке красивый перегиб, странно что на второй нет такого же.
Мимопроходил.
Аноним 30/07/16 Суб 01:10:36  244565
>>244553
На второй он видимо в районе 20 градусов, но у меня в комнате 30, а подморозить нечем льдом из морозильника, лол. Да и не надо, потому что если и термостатировать в рабочем диапазоне, то надо юзать модуль Пельтье, что слишком жирно.
Аноним 01/08/16 Пнд 01:04:58  244757
(260Кб, 1280x960)
(298Кб, 1280x960)
(27Кб, 651x373)
>>244527

Н - Нервы.
Разъебал со психу термостат, но потом сделал новый, частично переведя его на silno melkie detali, поигрался с обратной связью и изобрёл обычный такой ПИД-регулятор. Пикрелейтед 3. Температуру держал стабильно 70 градусов что в комнате, что в морозильнике.
Кварц на 8 МГц настроить не получилось, потому что настройка очень острая поэтому и разъебал. Наверное другую схему генератора пробовать буду.
Аноним 01/08/16 Пнд 08:57:03  244779
>>244757
Блядь, у тебя стиль изложения такой, а я перечитал все посты, что хуй повторишь. Защищаешь интеллектуальную собственность, что ли?
Аноним 01/08/16 Пнд 08:57:31  244780
>>244779
>хуй повторишь
В смысле, хуй повторишь изделие
Аноним 01/08/16 Пнд 12:17:17  244799
>>244780
А ничего, что я документации никакой не приводил почти? Я только принципы описываю. Дальше своим мозгом думай.

И что не так со стилем?
Аноним 01/08/16 Пнд 12:29:25  244800
>>244799
>И что не так со стилем?
Плохо структурирован.
Аноним 01/08/16 Пнд 22:07:39  244856
>>244779
ну ты совсем какой-то квадратный
всё понятно мне лично, например.

всё, кроме нервных срывов опа, когда он ломает свои махарайки
Аноним 02/08/16 Втр 07:26:17  244874
>>244856
>ну ты совсем какой-то квадратный
Студента каждый обидеть может
Аноним 04/08/16 Чтв 16:34:46  245065
(33Кб, 1852x1181)
(247Кб, 1280x960)
(346Кб, 1280x960)
(213Кб, 1280x960)
>>244874
Так я и сам студент.

>>244856
>всё, кроме нервных срывов опа, когда он ломает свои махарайки
Я не оп. Я только посоветовал опу тред заделать, когда мы с ним распизделись в прикреплённом.
1. Препод умер по синьке, а мой BATYA, который старше него, ужирается два раза в неделю, попутно ещё нагружает себя строительством бани;
2. Долги в универе, с которыми хуй знает что делать, ёбаная физра, блять. Если отрабатывать, то успеть бы;
3. Молодая сорока, которую лечил, аж до истерик доходило, настолько боялся потерять.
В принципе-то и всё, вот оно, лето.

По термостату:
При настройке температуры вместо R3 и R4 ставится переменный резистор и крутится, чтоб температура в установившемся режиме была равна требуемой. Потом заменяется постоянным. Мне пришлось из двух нужное сопротивление набрать.
Терморезистор R6 - забыл какого типа, с отрицательным ТКС, выглядит как советский маломощный резистор, только длиннее, и эмаль у него светло-зелёная.

По генератору:
С3, С4 и С5 подобраны так, чтобы диапазон перестройки был в пределах +-30 Гц от центральной частоты 10 МГц. Напряжение смещения варикапов меняется от 0 до 2.5 В, с одного с термостатом ИОНа.

По кварцу:
Взял в магазине кварц на 10 МГц и нашёл у него хороший экстремум на 79 градусах, где его и статировал. Настраивается хорошо, но есть проблема: нужна термотренировка. После нескольких циклов нагрева-остывания он ушёл герц на 20, после чего я его понасиловал несколькими десятками циклов нагрева в кипящей воде и остывания в холодной, и он ушёл примерно на 150 Гц. После этого переподобрал конденсаторы у варикапа, и теперь от включения к включению он гулет не больше +- 2 Гц. Гоняю дальше.
Аноним 04/08/16 Чтв 16:35:47  245066
>>245065
>По термостату:
R8 - подбор тока печки. Я 0.7 А сделалю
Аноним 07/08/16 Вск 00:28:50  245406
Хочу себе частотомер запилить.
Есть несколько 82C54, три 16 бит таймера в одном корпусе. Соединить два последовательно для счёта входных импульсов, а третий для измерения времени экспозиции. На вход поставить 74HC161 в качестве предделителя, потому что дремучий 82C54 больше 10 МГц на входе не съест.
И сбоку микроконтроллер для управления всем этим добром.
Взлетит, не?
Аноним 07/08/16 Вск 01:39:24  245408
>>245406
Ты вообще не понял суть частотомера. Сначала сделай опорный генератор с точностью <1ppm, все остальное тобой перечисленное - лишь дополнение.
Аноним 07/08/16 Вск 11:55:03  245430
(393Кб, 1280x960)
(262Кб, 1280x960)
(220Кб, 1280x960)
(243Кб, 1280x960)
Он пришёл из Ада... чтобы выебать тебя в жопу.
Ебучий частотомер!

На вход опору Ч3-34А кинул
Аноним 07/08/16 Вск 12:06:37  245431
>>245430
Чому термостат не заебенил?
Аноним 07/08/16 Вск 12:11:58  245432
>>245431
Бля, в шары ебусь
Аноним 12/08/16 Птн 21:15:18  246060
(383Кб, 1280x960)
(347Кб, 1280x960)
(295Кб, 1343x578)
(288Кб, 1280x960)
Бамп.

http://www.analog.com/media/en/technical-documentation/application-notes/AN-1396.pdf
Аноним 14/08/16 Вск 15:18:59  246259
(1179Кб, 3264x2448)
(1250Кб, 3264x2448)
>>246060
Когда всплывешь? Пару раз писал на мыло, в ответ тишина..
Аноним 14/08/16 Вск 20:37:49  246296
(172Кб, 1280x960)
>>246259
Бля, забыл совсем. Щас отвечу.
Аноним 15/08/16 Пнд 08:01:23  246354
(292Кб, 1280x960)
(204Кб, 1280x960)
(1026Кб, 2376x1147)
(39Кб, 1119x717)
Такая вот дичь получилась: DDS-генератор.

Тактовая частота 50 МГц, фазовый аккумулятор 36 бит, 8-битная квадратная таблица с одним периодом синусоиды. На выходе частотно-компенсированный R-2R ЦАП и ФНЧ Чебышева 11 порядка со срезом на верхней частоте диапазона.

Управление - валкодером из шагового пихла и кнопкой.
Диапазон ограничен от 100 кГц до 21.5 МГц (любительский 15 м). Шага два - малый 100 Гц и большой 50 кГц при зажатой кнопке. Первый для точной настройки, второй для скакания по диапазонам.

На индикаторы выведена цифровая шкала, которую пришлось сделать частотомером, потому что иначе вся конфигурация в плисину не влезает.

Ошибка из-за округления инкремента фазы до целого получилась 7 Гц за весь диапазон при малом шаге. При большом - вообще 0.08 Гц.

По спектру: по формуле из >>246060 получается, что негармоническая хуйня из-за усечения фазы имеет уровень -48 дБ относительно основной частоты. В принципе неплохо для такой простой хуитки. По факту конечно больше, но не думаю, что намного. Если доберусь до института, то гляну спектр обзорно на цифровом осциллографе. Слушал трансивером, при перестройке есть небольшое булькание ниже -60 дБ от основной частоты, это без учёта её гармоник и их отображений от тактовой частоты.
Для разъёбанного приёмника прямого преобразования сойдёт, короче. В крайнем случае можно блок фильтров запилить, если совсем всё печально будет.

Заняло всё это говнище 383 LE из 570. Т.е. 2/3 доступных ресурсов.
Аноним 15/08/16 Пнд 11:30:07  246374
>>246354
спасибо я кончил
Аноним 15/08/16 Пнд 17:22:52  246402
>>246354
сложнааа
как стать таким же мудаком как ты?
Аноним 16/08/16 Втр 06:51:14  246478
>>246402
забыть о тянках на полгода, для начала
Аноним 18/08/16 Чтв 02:34:47  246643
(182Кб, 1280x960)
(190Кб, 1280x960)
https://www.youtube.com/watch?v=WnmWHj7p0Z0

Запилил дельта-сигма АЦП, ввёл ЧМ - заработало.
А потом сжёг.
Аноним 14/09/16 Срд 18:00:01  250346
Аноны, помогите, не совсем по теме, но вы то знаете. Есть один waveform generator AD9833. И оказывается к нему нужен активный кварц (а у меня только есть пративный пассивный). Можно ему просто PWM въебошить чисто для проверки? Я так и сделал, и он какую-то частоту генерит, но не то, что я ожидал. Пытаюсь понять это в коде косяки или так нельзя делать. Так же пробовал не PWM а выход HSI clock с контроллера на него заводить, еще хуже получилось.
Аноним 14/09/16 Срд 18:33:10  250353
>>250346
Если
>активный кварц
это имеется ввиду готовый 4-ногий генератор, то да, можно просто импульсы 5 или 3в, смотря какая амплитуда нужна
а генератор такой можешь выдрать из дохлой цифровухи (мат. платы от пк, оргтехники, телевизоров/мониторов, роутеры и т.п.)
Аноним 14/09/16 Срд 19:08:49  250362
>>250353
Да, готовый четырехногий. У меня все на 3в и контроллер и AD9833. Я заказал генератор, скоро должен прийти. Он тоже питается от трех вольт. Вот толко не пойму - амплитуду он какую выдает, тоже 3v и какая нужна AD9833 на входе clock, ничего в датащите не нашел. Может подразумеваюется что равно V питания?
Аноним 14/09/16 Срд 19:11:20  250365
И еще тупой вопрос - синус с AD9833 как осциллографом смотреть правильно, нужно с выхода резистор на землю или просто плавающий мерять? Сопротивления щупа же порядка мегаом?
Аноним 15/09/16 Чтв 13:24:17  250466
>>250365
попробуй резистор 50 Ом
Аноним 05/10/16 Срд 13:19:23  252719
(228Кб, 1280x960)
(241Кб, 1280x960)
(220Кб, 1280x960)
(253Кб, 1280x960)
Приехали пять мелких плисин.
Вчера верхом на своём говнопринтере со второй попытки первая не удалась из-за ужатия бумаги при нагреве одолел TQFP100, и теперь ебучий частотомер из ада стал отдельным устройством. На отладочной плате DDS дрочу.

Бамп!
Аноним 09/10/16 Вск 15:25:34  253112
Работаю метрологом в конторе делающей частотомеры. На рабочем месте советские приборы моего года рождения, но ничего, работают. Стандарт рубидиевый СЧВ-74, с ним компаратор ч7-39, сразу выдает отношение частот. Ну там еще синтезатор частот и парочка генераторов, ватметры и еще парочка приборов. Может кому будет что-нибудь интересно, в рабочем плане.
Сорока-кун, почему у тебя заземлен источник питания к генератору? Или там нет в розетке заземления? И, это же импульсный источник? А почему не использовать фиксированный для 5 вольт?
Аноним 09/10/16 Вск 17:16:14  253122
(386Кб, 1280x960)
>>253112
>почему у тебя заземлен источник питания к генератору?
Не понял. К какому генератору? И что не так с заземлением?

>Или там нет в розетке заземления?
Нету. Кинул всё нахуй на отопление, всё равно оно занулено.

>А почему не использовать фиксированный для 5 вольт?
Его ещё сделать надо.
Пока питаю от ПАВЕРБАНКА из четырёх спараллеленных литиевых банок 18650 и преобразователя на 5 В. Пикрелейтед.
Аноним 09/10/16 Вск 19:47:20  253137
>>252719
> Приехали пять мелких плисин.
Откуда? Где покупал?
Аноним 09/10/16 Вск 20:49:09  253142
>>253137
https://ru.aliexpress.com/item//32435177323.html
Деанон по отзыву
Аноним 10/10/16 Пнд 17:12:36  253205
>>253142
о, тезка
Но я тебе далеко не ровень, ты какой-то гений..
Аноним 10/10/16 Пнд 19:48:21  253230
>>246354
А вот такая херь
https://ru.aliexpress.com/item/AD9850-DDS-Signal-Generator-Module-0-40MHz-Test-Equipment/32302475387.html?spm=2114.03010208.3.237.rXpjFt&ws_ab_test=searchweb201556_10,searchweb201602_5_10039_10057_10048_10047_10056_10055_10037_10049_301_10059_10033_10046_10058_10032_10045_10017_10060_10061_10062,searchweb201603_1&btsid=aa963dff-2d18-44b7-b813-d085eb47d352&aff_platform=aaf&sk=VnYZvQVf%3A&cpt=1476118045637&dp=2822fa246a6178604faba60020fc8ba6&af=245554&cv=47843&afref=&aff_trace_key=c0ec586440844ff9aa2bcec170d01988-1476118045637-00134-VnYZvQVf
Это не то, что в результате у тебя получилось?
Аноним 10/10/16 Пнд 21:45:19  253246
(256Кб, 1280x960)
>>253205
Говно, блять, а не гений. Сложного ещё нихуя не было.

>>253230
То. Но, как я уже говорил, строя синт с ФАПЧ, без понимания принципа и ковыряния отдельных узлов использовать не буду. Поэтому интереснее самому на ПЛИС разработать.
К тому же, готовые синтезаторы управляются минимум от МК через какой-то из стандартных интерфейсов, что мне сейчас нахуй не надо. Надо просто частоту вверх-вниз дёргать по кнопкам/энкодеру и выводить примитивнейшим путём. Вот тут я и гений, блять: не хочу с интерфейсами разбираться, страшное слово для меня вообще.

Кстати, в универе на защите практики рассказывал про частотомер, и преподша сказала, что его достаточно на баклан-диплом.

Если Мунин-кун читает, то спасибо ещё раз за этот волшебный коаксиал. С ним частотомер по столу не летает.
Аноним 11/10/16 Втр 12:39:19  253298
>>253246
А как в плис реализуешь dds? Есть уже готовый блок? Или самому надо говнокодить?
Смотрел недавно на ютубчике одного махарайщика который собирает трансивер с dds на плате из Китая, так вот он показал спектр этого генератора, помимо основной частоты там говна о я ебу. Соответственно прием идет на основной частоте и на куче гармоник. Для примера он показал спектр гпд на одном транзисторе с навесным монтажом, спектр чистенький. Так что dds из говна и палок это говно без задач.
Аноним 12/10/16 Срд 12:30:12  253417
(9Кб, 500x207)
>>253298
>Есть уже готовый блок?
В среде разработки есть инструмент, который пошаговым заданием параметров в диалоговом окне делает разные блоки.

>Или самому надо говнокодить?
Можно и так. Я так и сделал.

>как <...> реализуешь dds?
Завёл регистр самый жирный - фазовый аккумулятор. Другой регистр, на бит поменьше, - инкремент фазы, он же код частоты.
По каждому такту прибавляю инкремент к аккумулятору, заодно слежу за входами перестройки, по которым при появлении сигналов дрочу его (инкремент) вверх-вниз с ограничением на заданный диапазон.
Старшие биты аккумулятора (в данном случае 8) тупо вывожу наружу, это выход - код фазы. Который дальше идёт на таблицу периода синусоиды, которая выдаёт амплитуду точки, соответствующей фазе. Вопрос видимо не в этом был, но пусть будет.

>спектр этого генератора, помимо основной частоты там говна о я ебу
Пикрелейтед.
Сигнал дискретизированный, он представляет собой перемножение генерируемой частоты с меандром или с дельта-импульсами. При этом дискретизирующий сигнал получается как бы балансно промодулирован дискретизируемым. В результате получаем, что в спектре присутствуют отображения дискретизируемого сигнала вверх и вниз относительно гармоник дискретизирующего.
Здесь вспоминаем теорему Котельникова, смотрим на спектр и делаем вывод: чем меньше отношение генерируемой частоты к тактовой, тем пизже можно отфильтровать нежелательные компоненты.

>Соответственно прием идет на основной частоте и на куче гармоник
Факт наличия этих гармоник - не страшно. Нужно при проектировании прикидывать/рассчитывать параметры так, чтобы они не вылезали из-под шконки максимально допустимого уровня.

>Так что dds из говна и палок это говно без задач
>из говна и палок
Единственное из говна и палок - это ЦАП, который из-за неточности деталей становится нелинейным.
Сам же принцип из говна и палок быть не может - он цифровой, это математически правильная модель. Ну, можно к говну и палкам приписать сюда мелкую плисину, в которую например нормальную 10..12-битную таблицу синуса не всунуть. Но это временное.
Аноним 17/10/16 Пнд 18:45:05  253993
>>253246
>Мунин-кун
мунин который с dxdy? этот пидор и тут обретается?
Аноним 18/10/16 Втр 05:56:45  254062
>>253993
Который в некаче. У него ворона жила.
Аноним 18/10/16 Втр 17:04:52  254119
>>254062
фуух. обознался. хорошо.
Аноним 23/10/16 Вск 22:05:58  254803
и в чем прикол сего направления? ну бегут секунды и хуй с ним
Аноним 03/02/17 Птн 15:05:42  269875
>>253122
Анон, дай схему к питальнику на "Гиацинт"
Аноним 03/02/17 Птн 22:24:48  269951
>>269875
Повышающий преобразователь на 34063 по стандартной схеме. Вход 12 В, выход 22 В.
Аноним 03/03/17 Птн 19:47:26  273735
Анон, подскажи что-нибудь ИНТЕРЕСНОЕ и ФУНКЦИОНАЛЬНОЕ для пердоленья к МК, желательно в пределах сотни баксов.
Нужно DS3231 заменить чем получше.
Аноним 04/03/17 Суб 12:01:42  273785
OCXO.JPG (150Кб, 2662x1138)
OCXO2.JPG (359Кб, 1922x894)
>>273735
>что-нибудь ИНТЕРЕСНОЕ и ФУНКЦИОНАЛЬНОЕ
Ардуинщик что-ли? Все то же самое можно сделать на таймерах, к тому же во многих микроконтроллерах есть специальные RTC таймеры.
>Нужно DS3231 заменить чем получше.
Этот тред все же не о таких устройствах.
>Здесь мы дрочим на ppb, измеряем фазовый шум, рисуем диаграммы Аллана, принимаем сигналы точного времени, покупаем б/ушные рубидиевые стандарты с ебея
DS3231 это всего лишь RTC с встроенным TCXO, не обладающий особо высокой стабильностью. Если хочешь большую стабильность, то возьми какой-нибудь более стабильный TCXO.

Кто-нибудь тут использовал GPS модули для подстройки OCXO? Купил вот такие генераторы и собрался подстраивать их секундными импульсами с выхода GPS. Но китайские NEO-6M с комплектной керамической антенной даже на подоконнике ничего не ловят.
Аноним 04/03/17 Суб 12:09:34  273786
OCXO.JPG (150Кб, 2662x1138)
>>273785
Аноним 04/03/17 Суб 12:10:35  273787
OCXO1.JPG (141Кб, 1000x427)
>>273785
Аноним 04/03/17 Суб 12:20:21  273789
>>273785
проверь, вставлена ли антенна или сделай асистед запуск, даже 6рка на подоконнике хорошо ловит.
Аноним 13/03/17 Пнд 16:46:24  275083
>>273785
>Кто-нибудь тут использовал GPS модули для подстройки OCXO?
Собственно, пока еще нет - но почему бы и не да? Заказал недавно пару разных модулей на NEO-6M и мешок 74hc390 (4046 и здесь есть занедорого).

> Купил вот такие генераторы
У меня "гладиолус" завалялся, и хуева гора "гиацинтов" (штук пять). Собственно, из этой цветочной клумбы и буду собирать.

> и собрался подстраивать их секундными импульсами с выхода GPS. Но китайские NEO-6M
а) Идея использовать 1PPS для подстройки мне не понравилась: слишком дохуя делить, слишком долго ждать, слишком много фазовых шумов. Тем более, что NEO-6M по паспорту до 1кгц на эту ногу выдавать умеет (частота и скважность программируются из родного софта). В идеале бы вообще NEO-6T нарыть, тот вообще до 10 МГц обладает - но их у кетайцев как-то негусто.
б) чуть менее, чем в 146% случаев кетайские нео-6м - б/у с разбора. Более того, некоторые продавцы об этом прямо пишут. Что и как там отвалилось при перепайке - тот еще вопрос. Тебе могло тупо не повезти.

> с комплектной керамической антенной даже на подоконнике ничего не ловят.
А оно на подоконнике быстро и беспроблемно ловить и не обязано, особенно если окно выходит на север, этаж - первый, а напротив - стоит мега-дом, перекрывающий остатки неба.
Аноним 21/03/17 Втр 18:21:09  276212
Кто-нибудь пробовал mosfet/jfet в качестве варактора? По идее там же емкость которая меняется с напругой, чем не варактор. Какие подводные?
Аноним 12/05/17 Птн 00:26:08  283278
Бамп-непроебамп
Аноним 16/05/17 Втр 21:47:14  283841
g11860.png (401Кб, 1500x1394)
>>275083
Как успехи?

>а напротив - стоит мега-дом, перекрывающий остатки неба.
Как оказалось причина в этом. На другом подоконнике работает нормально, хотя тоже все загораживается не намного меньшим домом.

Как я заметил, для таких самодельных ФАПЧ используется два подхода:
1) Простой ЧФД на 4046 с обыкновенным RC фильтром.
Например http://www.ra3apw.ru/ublox-neo-7m-ocxo-gpsdo/
2) Аналогичный ЧФД, но фильтр цифровой на микроконтроллере.
https://hackaday.io/project/6872-gps-disciplined-xcxo

Судя по приведенным графикам второй вариант оказался лучше. Но из-за ограниченной стабильности опорников частотомеров точность этих измерений под вопросом.

Я начал рисовать что-то вроде второго варианта. Не дорисовал питание, кнопки и не проставил часть номиналов.
Аноним 14/06/17 Срд 06:57:23  286413
>>283841
>Как успехи?
Традиционно хуёво. Процесс пока приостановлен на неопределенный срок.
Во-первых, - всё ещё жду антенну, а во-вторых - из трёх NEO-6M, заказанных на Алиэкспрессе, без наебалова вопросов не обошлось ни с одним. Один (самый живой) оказался перемаркированным NEO-5M - но он хотя бы конфигурируется через u-center и работает с комплектной мелкой антенной. Два других (визуально одинаковых) с распаянными на плате антеннами не живут, при этом один из них - вообще перемаркированный ATGM332D.
Аноним 24/06/17 Суб 12:49:33  287224
Сап, частононы. Появилась необходимость сделать цифровой секундомер (наносекундомер, пикосекундомер), который бы измерял промежуток времени между двумя сигналами с ниибической точностью. Как это сделать проще всего? Может существуют готовые решения, типа микросхем-таймеров или чего-то подобного.
Аноним 24/06/17 Суб 21:21:21  287269
FPGA разработчкии, милости прошу к нашему шалашу:

https://2ch.hk/po/res/23263797.html

Пишите в том треде ваши зарплаты.
Аноним 25/06/17 Вск 18:04:05  287323
>>287224
http://www.ti.com/product/tdc7200
https://www.maximintegrated.com/en/products/industries/metering-energy-measurement/MAX35101.html
Также, если импульсы повторяющиеся, можно использовать нониусный метод.
Аноним 26/06/17 Пнд 14:16:40  287375
>>287323
Бля, добра тебе анон.
Аноним 21/08/17 Пнд 20:00:14  292844
gen1.gif (3Кб, 333x297)
gen2.gif (3Кб, 372x318)
gen3.gif (4Кб, 317x200)
gen4.gif (5Кб, 312x266)
Короче почитал тред, появилась своеобразная идея как сделать термостатированный генератор с точным выходом 1/2/4/8 МГц. Могу рассказать.
Но, лол бля, я хз какую выбрать схему... генератора!
Термостатировать мы будем сам кварц, но меня смущает остальная схема. Все эти емкостные трехточки и двухточки. Ведь она будет при температуре окружающей среды. Все емкости будут плавать, это ведь повлияет и на генерируемую частоту, не?
Аноним 22/08/17 Втр 07:51:51  292860
>>292844
В начале треда есть схемы гиацинтов и опорника Ч3-44, я бы на твоем месте обратил внимание на уже проверенные конструкции.
>Термостатировать мы будем сам кварц
Разумеется нужно термостатировать целиком. Надеюсь ты понимаешь, что нагрузка у твоих схем будет влиять не слабее температуры?
В простом OCXO изменением управляющего напряжения частота перестраивается на ~0,5ppm. При этом у обычных кварцев стабильность 20ppm. Соответственно, чтобы достичь параметров простенького OCXO с ебея, тебе придется как минимум подбирать кварцы.

Так как б/у OCXO стоят не так уж много http://www.ebay.com/itm/332020587557 то самодельные конструкции будут интересны только если добьешься лучших характеристик.
Аноним 22/08/17 Втр 13:38:14  292873
>>215307
это ты на цкухаме тред создавал?
ололо дианон ананим ливион
Аноним 22/08/17 Втр 16:25:43  292900
>>292873
Да, я.
Надо б еще про DDC трансивер создать, а то так и сдохнет у меня в башке.
Аноним 03/09/17 Вск 03:14:10  294018
>>292860
Анон, я озадачил себе извилины этой задачей. И мне пришло в голову гениальное и простое, на мой взгляд, решение. Что характерно, когда я сидел и неспешно срал.
1) За основу берем современный готовый смд - генератор, пик рилейтед. Например, на 20 МГц.
2) Тестим его свистком как тут >>232568, находим ту точку температуры с наивысшей стабильностью.
3) Термостатируем.
А теперь самое интересное.
4) Тактируем от этого генератора какую-нибудь аврку (тиньку).
5) Пишем мега-программу, тупейший цикл с дерганьем пина.
6) Смотрим, какая получилась частота на этом пине. Корректируем ее добавлением простейших однотактных операций или delay_us. Добиваемся, например, ровно 1 000 000 гц на выходе.
Аллилуя, генератор готов!
Сам пока не проверял. Порылся - нашел лишь пару таких генов на 48 МГц, что многовато для авр. Можно бы делитель на логике до 12 мгц влепить (триггер/счетчик), как диды делали, но вряд ли найду такое быстрое. Надо заказывать подходящий ген и пробовать.
Как думаешь, имеет такое право на жизнь?
Аноним 03/09/17 Вск 13:34:38  294046
>>294018
Чую ардуинщика.

>5) Пишем мега-программу, тупейший цикл с дерганьем пина.
>6) Смотрим, какая получилась частота на этом пине. Корректируем ее добавлением простейших однотактных операций или delay_us. Добиваемся, например, ровно 1 000 000 гц на выходе.
Операции добавляемые в 6 пункте будут выполняться каждый цикл одинаково? Если да, то при приемлемой точности подстройки выходная частота будет очень низкой. Вообще такая штука называется DDS, только работает немного не так.
В таком виде получается не слишком хорошо из-за высокого уровня шумов DDS, а с микроконтроллером еще хуже. SDR таким тактировать плохо, а зачем еще может быть нужен OCXO?
Аноним 03/09/17 Вск 19:01:39  294084
>>294046
Да, ты прав, извиняй алкаша. Настройка будет очень грубой, с огромными шагами. Так что идея с мк - бред алкоголика.
>SDR таким тактировать плохо, а зачем еще может быть нужен OCXO?
SDR тут ни при чем. Я ищу дешевый вариант точного и компактного гена из говна и палок, не хуже 0.5ppm, для массового применения в махарайках.
Вариант с смд геном по-прежнему видится мне очень годным. Ведь такой ген с печкой будет занимать мизерное место.
Но проблема опять-таки в делении частоты для получения точных и удобных значений. Пока не вижу вариантов. Плис - дорого. GAL'ы - неведомая хуета, дорого. Несколько корпусов быстрой логики - не дешево и не компактно.
Аноним 03/09/17 Вск 20:58:28  294092
>>294084
>не хуже 0.5ppm
Такая температурная стабильность может и получится, но из-за старения кристалла частота будет уходить намного сильнее. Можешь в документации посмотреть, даже у TCXO около 1ppm/год. Не стоит рассчитывать на то что у дешевого генератора будет лучше 5ppm/год. Так что нормальные 0,5ppm не получатся.

>Так что идея с мк - бред алкоголика.
Не совсем. То что ты придумал - это действительно бред, но DDS с выходной частотой 1МГц на микроконтроллере вполне можно сделать. Как работает DDS, надеюсь сможешь нагуглить сам. У DDS, в отличие от твоего бреда, период не постоянен, но средняя частота постоянна.

>для массового применения в махарайках.
Ну и зачем? В часиках применять? Так возьми GPS, все равно конструкция с OCXO будет стационарной в любом случае.
>Плис - дорого.
По моему нет: https://www.chipdip.ru/product/epm3064atc100-10
> GAL'ы - неведомая хуета, дорого.
Это примерно как CPLD по ссылке выше, только мельче в разы.
Аноним 03/09/17 Вск 23:58:35  294106
>>294092
>Не стоит рассчитывать на то что у дешевого генератора будет лучше 5ppm/год. Так что нормальные 0,5ppm не получатся.
Надо проверять, как оно по факту будет. Не попробуешь - не узнаешь. Годовой дрейф с годами вроде как уменьшается на порядок.
>DDS с выходной частотой 1МГц на микроконтроллере вполне можно сделать
Да, как реализуется DDS на МК примерно понимаю. На авр 1МГц ддс не добиться. Макс. несколько десятков кГц. Что тухловато.
>Ну и зачем? В часиках применять? Так возьми GPS, все равно конструкция с OCXO будет стационарной в любом случае.
Можно и в часах, как вариант. Как у тебя GPS в помещении работает? У окна мб и словит что-то, но когда над модулем несколько бетонных плит, ничего не словишь, даже на дорогой фирменный навигатор. Но в помещении в часы лучше запихать еспшку с вифи и получать время с интернета. Тогда не нужен ни ocxo, ни гпс. Гпс как раз для портатива збс.
>По моему нет
Не слишком ли круто? Да и затрат куча: без платы не обойтись, осваивать нужно эти плисины. Хотя тема очень интересная, спору нет.
>Это примерно как CPLD по ссылке выше, только мельче в разы.
Я понимаю. Просто если на плис информации мало, но она есть, то на эти девайсы нет ничего. Как и чем программировать и т.д.
Аноним 04/09/17 Пнд 07:32:41  294113
>>294106
>Надо проверять, как оно по факту будет. Не попробуешь - не узнаешь.
Документации не веришь?
Годовой дрейф с годами вроде как уменьшается на порядок.
Ну жди лет 10 для начала.

>Да, как реализуется DDS на МК примерно понимаю. На авр 1МГц ддс не добиться. Макс. несколько десятков кГц. Что тухловато.
Похоже все-таки не понимаешь. Либо не понимаешь что такое микроконтроллер.
Сам я AVR не программировал, но гугл пишет что одна команда у AVR выполняется за один такт. Прикинем количество операций в DDS: очистка бита переноса (1 команда), сложение двух 32-х разрядных чисел (4 команды), вывод знака числа в порт (1-5 команд), безусловный переход (1-2 такта). Получается максимум 12 тактов, 1МГц вполне получится при тактовой 16 МГц. Даже если я ошибся в пару раз, 500 кГц все равно получится.

>Можно и в часах, как вариант.
Зачем тогда тебе мегагерцы? Модуль RTC в микроконтроллерах работает от десятков килогерц. Или просто используй эту частоту как внешнее прерывание хотя бы. Да вообще в часах для такой подстройки отдельный микроконтроллер не нужен.
Аноним 04/09/17 Пнд 16:42:04  294132
>>294113
>Документации не веришь?
В документации указываются максимальные значения.
Например, взять тот же SDR свисток. У меня дешевые версии с простым кварцем. Калибровал я их два года назад, прогретые, по гсм сетям. Недавно перепроверял: для первого доп. коррекции не потребовалось, для второго +3 ppm, для третьего -1 ppm. Несколько раз перепроверял, по сигналам разных гсм станций.
>гугл пишет что одна команда у AVR выполняется за один такт
А даташит краем глаза глянуть? У AVR большинство команд выполняются за один такт.
Вот реализации DDS на AVR:
http://www.scienceprog.com/avr-dds-signal-generator-v20/
http://codeandlife.com/2012/03/13/fast-dds-with-atmega88/
>Зачем тогда тебе мегагерцы?
Часы - это на данный момент последнее, куда я планирую пихать ocxo.
Аноним 04/09/17 Пнд 19:14:11  294146
>>294132
Сам же и подтверждаешь мои слова о 5 ppm. Показатель 5ppm/год означает что для 99% изделий (в зависимости от методики оценки) отклонение не превысит эти самые 5 ppm.

>У AVR большинство команд выполняются за один такт.
Я это учел в команде перехода, остальные команды не должны сбрасывать конвейер и будут выполняться за такт.
>Вот реализации DDS на AVR:
Неправильные реализации. В твоем случае на выходе не синусоида, а просто импульсы. Соответственно вместо таблицы с синусом просто выводится старший бит аккумулятора. Также в твоих примерах старались получить визуально ровный сигнал, но для твоей задачи это не требуется, соответственно за счет этого можно еще повысить частоту. А вот из твоих примеров подтверждение моих слов об 1 МГц:
>giving us over 15 samples per wave at 150 kHz
Если требуются просто импульсы с заданной средней частотой, то получается до 2 МГц.

>Часы - это на данный момент последнее, куда я планирую пихать ocxo.
А для чего тебе еще нужен OCXO?
Аноним 11/12/17 Пнд 10:20:50  305741
Оп как дела, есть новые разработки?
Аноним 11/12/17 Пнд 17:10:49  305775
>>305741
Батя опа выкинул сороку/куру, выпер его к хуям и по блату устроил в зажиточную контору. Оп бабло гребет и на хую нас всех вертел, ненавидит все.
Пруфы конторы
https://2ch.hk/ne/res/106223.html#124162
https://encata.net/index.php/?rewrite=index.php/&rewrite=ru
В том же треде ненависть и злоба опа.
Аноним 11/12/17 Пнд 20:24:04  305804
GPS.jpg (776Кб, 2327x1099)
>>305775
Разве оп это враноеб?
>покупаем б/ушные рубидиевые стандарты с ебея
По моему это на него не похоже.
>зажиточную контору.
Вакансии этой конторы нашлись только в Минске. Ведущий инженер-схемотехник от 2 000 бел. руб. = 60000 руб. Понятно, что зависит от региона, но все равно как-то не очень. А выглядит еще хуже.

>>305741
Дорисовал >>283841 и почти собрал.
Аноним 14/12/17 Чтв 12:32:18  306056
image.png (1945Кб, 1280x960)
>>305804
>Разве оп это враноеб?
Инициировал запил этого треда и поначалу интенсивно постил, поэтому так могло показаться.

>>305775
>Батя <...> по блату устроил в зажиточную контору
Этот уебан тут ни при чем, порекомендовал и позвал меня сюда чел, который микрухами для трансивера помогал.

>Оп бабло гребет
Если 350 баксов - это "бабло гребет", то да.
>ненавидит все
Особенно тебя, говно.
Завидно тебе, или что? В некаче навонял, теперь сюда пришел.
Аноним 14/12/17 Чтв 12:49:43  306058
>>306056
Чо с сорокой-то? Я переживаю
Аноним 14/12/17 Чтв 16:49:57  306077
>>306058
https://2ch.hk/ne/res/106223.html#118949
Аноним 15/12/17 Птн 00:06:09  306145
>>306056
>Этот уебан тут ни при чем, порекомендовал и позвал меня сюда чел, который микрухами для трансивера помогал.
И что это меняет? Ты блатной. Могли взять нормального чела, а взяли ТЕБЯ, поехавшее ссыкло с расстройством личности.
>Если 350 баксов - это "бабло гребет", то да.
А как же халявный доступ к мастерской, подработки-шабашки на сторону, которыми ты регулярно балуешься? Оф. з/п - это ведь верхушка айсберга в таких конторах.
>Завидно тебе, или что? В некаче навонял, теперь сюда пришел.
Чему тут завидовать? Что ты безвольное животное, которое не в состоянии послать нахуй родителей, снять и съехать в другую хату, быть в ответе за тех, кого приручил, или тому что ты по блату устроился в богатую контору, хотя по тебе завод и суицид плачет? Ушлепок, пля!
Аноним 15/12/17 Птн 07:59:14  306156
>>306145
>халявный доступ к мастерской
Какая может быть мастерская в конторе ардуинщиков? По слесарной части они не могут быть выше уровня шизика с его раздолбанным такарным станком, а по электронной части для ардуйни ничего сложнее осциллографа не нужно.
>подработки-шабашки на сторону, которыми ты регулярно балуешься?
Можешь рассказать подробности? Какого рода подработки и как их найти? Студентам дипломы писать?
>богатую контору
По моему любое танкоклепательное НИИ богаче будет.
Аноним 15/12/17 Птн 09:43:22  306159
>>306145
> Ушлепок, пля!
Ебать тут драма разыгралась. Почище чем в /по/
Аноним 15/12/17 Птн 10:24:25  306161
image.png (1865Кб, 1280x960)
>>306145
Маладец, позлорадствовал. Помогает самоутвердиться.

>>306156
>По слесарной части они не могут быть выше уровня шизика с его раздолбанным такарным станком
А вот и нет. В том же здании целый цех (на 3 фотке https://2ch.hk/ne/res/106223.html#124162 ), в котором есть всё: лазер, небольшой фрезер, сварка, гибка, резка, даже пятитикоординатник, правда в процессе запуска.
По электронике - небольшой фрезер для плат. Хуячил на нем пикрелейтед.
Аноним 15/12/17 Птн 11:44:20  306173
>>306161
> лазер, небольшой фрезер, сварка, гибка, резка, даже пятитикоординатник, правда в процессе запуска.
хули пидорам так везет?
Аноним 16/12/17 Суб 01:40:15  306269
>>306173
Батя твой пидор, псина.
Не смей на Сороку гнать, глотку перегрызу.
Аноним 16/12/17 Суб 05:29:29  306277
>>306269
Поддвачну.

>>306173
Хули тебе так пичот? Устроили хейт там, где его быть не должно.
Аноним 16/12/17 Суб 08:48:25  306283
>>306269
Выбрал себе кумира, пиздос
Аноним 08/01/18 Пнд 17:06:26  308877
GPSDO.png (459Кб, 3308x2339)
>>305804
Частично запрограммировал. Пока без цифровой фильтрации - с АЦП передается сразу на ЦАП. Как-то следит.
Аноним 24/01/18 Срд 23:15:19  310707
>>308877
До какой-то степени доделал первую плату. Хотя, возможно, ошибся с теорией т.к. когда по критерию устойчивости все должно было работать (с запасом), на практике система оказывалась неустойчивой. Или я что-то не учел, например частота OCXO может перестраиваться с существенной инерцией.

Начал делать вторую плату, для того чтобы измерить взаимную нестабильность с помощью осциллографа. И тут оказалось что NEO-7M, купленные у другого китайца, не работают. Заказал в терраэлектронике обратно совместимый NEO-M8N.
Впредь постараюсь подобные вещи у китайцев не покупать, т.к. с таким количеством подделок выгоднее покупать в терраэлектронике.
Аноним 25/01/18 Чтв 16:30:36  310757
>>310707
>И тут оказалось что NEO-7M, купленные у другого китайца, не работают.
Как определил? Я вот NEO-6M (суть самый дешевый подобный модуль, с мелкой антенной) купил, под более скромные цели (просто трансляция времени с подоконника на весь дом), поначалу тоже нихуя не работало. Сутки лежал на подоконнике, не мог добиться FIX'а. Алсо, при получении сразу проверил напругу на микроаккуме, она была практически 0. После суток, отключил модуль и обратил внимание что напруга на микроаккуме тает на глазах. Аккум дохлый, короче. Выпаял его нахуй. Оставил модуль на подоконнике и О, ЧУДО! Спустя 40-60 минут холодного старта модуль словил FIX и я смог получить все данные. Чтобы каждый раз не ждать по часу, впаял мелкий ионистор 5.5в, емкость не помню, вроде бы 0.33F. Его, конечно, хватит ненадолго, т.к. это конденсатор. Модуль заряжает до 3в, помнит данные до 1.4в. Уже не помню, хватает на 1-3 часа где-то. Но мне было похуй, т.к. модуль предполагалось держать включенным 24/7.
Алсо, дело было 3 месяца назад. Стряс с китайца пару баксов назад за дохлый аккум, пидорас неохотно, но согласился, сказав что ДРУГИЕ НЕ ЖАЛОВАЛИСЬ. На модуле наклейка, дата выпуска 1510. То ли 15 год, то ли 10 год и 15 неделя, хуй поймешь. Такие дела. Я хз почему, но дохлый аккум не позволяет модулю словить FIX. Так что проверь у себя. А вообще, эти 3мм микроаккумы изначально кал, ресурс - всего 100 циклов заряд/разряд. То ли модули продают б/у (хотя внешне абсолютно новый, запаянный в антистатический пакет), то ли банально брак.
Жаль что мы в разных городах, я бы не отказался от одного из твоих NEO-7M, на опыты.
Аноним 25/01/18 Чтв 21:25:02  310779
>>310757
>Как определил?
У меня собраны две одинаковые платы, одна работает, а другая не работает. Просто не шлет ничего в UART, как кирпич.

>Аккум дохлый, короче. Выпаял его нахуй.
При отсутствии аккумулятора, в документации u-blox 7 (UBX-13005162) рекомендуют соединять V_BCKP и VCC. Хотя, судя по нарисованной там же схеме, не должно происходить ничего плохого если вывод V_BCKP вообще не подключать. Интересно что в документации u-blox 6 (UBX-13005162) в этом случае V_BCKP советуют подсоединить к земле.
>Спустя 40-60 минут холодного старта
Проблема с антенной. Возьми нормальную антенну и поставь ее за окном.

>просто трансляция времени с подоконника на весь дом
Не проще ли взять TCXO? Для некоторых недорогих генераторов (за 1,5...2$) обещают 500ppb, по моему это перекрывает все разумные потребности для настольных часов.
>Жаль что мы в разных городах
Я не писал в этом треде ничего, указывающего на место жительства. Только это >>283841 указывает что рядом есть многоэтажные здания.
Аноним 25/01/18 Чтв 23:17:38  310794
>>310779
>Проблема с антенной. Возьми нормальную антенну и поставь ее за окном.
Да, антенна - кал. Надо было брать версию модуля с более крупной антенной (у меня красный модуль с малой антенной). Кстати, что она вообще из себя представляет? Какой-то керамический кирпич. Как это работает вообще?
Как думаешь, если припаять 20 см провод, лучше будет? Есть мнение что на тех частотах отклонение даже в 1 мм сделает антенну бесполезной.
За окном - не вариант. Сверлить теплый звукопоглощающий пвх профиль чтобы просунуть кабель и делать акробатические трюки по монтажу к стене на 8 этаже - не самая лучшая идея.
>Не проще ли взять TCXO?
Не, оверкилл и сложные пути - наше все.
>Я не писал в этом треде ничего, указывающего на место жительства
Ты про терру написал, я и подумал, что ты в мск. А я - в мухосрани.
Аноним 25/01/18 Чтв 23:34:12  310796
>>310779
>Просто не шлет ничего в UART, как кирпич.
У меня было такое при битой конфигурации. Пробовал фирменным ПО реанимировать? Как вариант, флешка битая, но маловероятно.
Аноним 26/01/18 Птн 19:31:09  310837
>>310794
>Надо было брать версию модуля с более крупной антенной
Целесообразнее подключать автомобильную GPS антенну, только смотри чтобы питание у МШУ антенны было от 3,3В.
>Кстати, что она вообще из себя представляет? Какой-то керамический кирпич. Как это работает вообще?
https://ru.wikipedia.org/wiki/Патч-антенна В диэлектрике длина волны уменьшается, что позволяет уменьшить размеры антенны.
>Как думаешь, если припаять 20 см провод, лучше будет?
Если приделаешь провод длиной в четверть волны, то весьма вероятно что будет лучше. Но поскольку у GPS круговая поляризация, то лучше согнуть соответствующую антенну.
>Есть мнение что на тех частотах отклонение даже в 1 мм сделает антенну бесполезной.
Это было бы верно, если бы все антенны в этом диапазоне были бы более узкополосные (например из-за большей добротности). Если бы так было для любых конструкций, то самодельных Wi-Fi антенн практически не было бы.
>Ты про терру написал, я и подумал, что ты в мск. А я - в мухосрани.
У них доставка через пикпойнт или спср в мухосрань стоит не намного больше доставки по Москве.

>>310796
Я не подключал EEPROM, тем более NEO-7 не могут хранить в них свои настройки.
Аноним 27/01/18 Суб 22:46:22  310959
SamodelnayGPSan[...].png (14Кб, 506x350)
ant.jpg (1330Кб, 2592x1952)
gps.png (116Кб, 1920x998)
>>310837
>Это было бы верно, если бы все антенны в этом диапазоне были бы более узкополосные (например из-за большей добротности). Если бы так было для любых конструкций, то самодельных Wi-Fi антенн практически не было бы.
Ты сподвигнул меня проэкспериментировать, интересу ради. Приколхозил самодел вместо штатной. Нагуглил пикр1. 2.5мм провода у меня в наличии нет, поэтому взял простой моножильный провод, не более 1 мм сечением, что-то уровня витухи. Кое-как согнул что-то похожее, припаял прямо к плате, пикр2 (рядом родная антенна для сравнения). Выперся на мороз, на лоджию к окну, прокинул usb удлиннитель, подключил модуль к usbttl адаптеру. Результат работы - пикр3 (фирменное по). Модуль в данных условиях ловит сигнал _намного_ быстрее и лучше, чем на родную антенну. Буквально за 5-10 мин словил 5 спутников и 3д фикс. У пары спутников сигнал 40дб - я со штатной антенной в этих же условиях никогда такого не видел, только на улице. Очень неожиданный результат для такого колхоза, да еще с 1й попытки! То ли дело в форме антенны, то ли просто в длине провода. Живу на последнем этаже кирпичного дома, но надо мной не крыша, а тех. этаж, т.е. две жб плиты.
Поясни, как называется такая антенна и в чем ее суть? Поляризация у нее какая? Лучше оставить горизонтально, как сейчас, или вертикально?
Думаю приклеить к плоскому куску пластмассы чтобы зафиксировать форму и спокойно использовать вместо штатной. Может даже еще пару экземпляров изготовлю чтобы сравнить и выбрать лучший. Такой вот полезный опыт получился.
Аноним 29/01/18 Пнд 19:56:18  311133
2.webm (5920Кб, 640x480, 00:01:44)
>>310959
>Поясни, как называется такая антенна и в чем ее суть?
Похоже на практически рандомно согнутый кусок провода. Сомнительно что будет работать лучше четвертьволнового штыря.
Ты бы лучше отпаял резистор 10 Ом, через который подается питание для МШУ антенны. А то может получиться нехорошо если ты замкнешь антенну на землю.

>>310707
Припаял NEO-M8N, теперь второй генератор тоже работает. В отличие от NEO-7M, эти могут принимать GPS и глонасс одновременно. Возможно отключение приема одной из систем немного улучшит результат.
На видео выходы OCXO с двух разных GPSDO. С такой постоянной времени фильтра как-то совсем плохо получилось. Собираюсь раздобыть нормальный осциллограф и точнее измерить взаимную нестабильность, но пока результат не радует.
Аноним 03/02/18 Суб 11:52:01  311524
ub2.webm (5137Кб, 640x480, 00:01:29)
u-blox.png (41Кб, 1920x963)
>>311133
Измеренная взаимная девиация Аллана для 1 МГц выхода NEO-M8N.
Судя по всему, timepulse образуется путем деления 48 МГц: https://www.u-blox.com/sites/default/files/products/documents/Timing_AppNote_%28GPS.G6-X-11007%29.pdf
Однако если смотреть по осциллографу, то незаметно что дрожание фронта уменьшается при делении нацело (1 МГц на выходе).
Аноним 17/02/18 Суб 20:28:28  312918
>>213102 (OP)
Бамп
Аноним 18/02/18 Вск 13:44:37  312973
GPSDO.png (49Кб, 1920x985)
>>312918
Ты бы хоть что-нибудь по теме треда написал.

Пока вот так получилось. Можно было бы еще подкрутить фильтр, но для этого придется плавающую запятую заменить на фиксированную. Еще обнаружились какие-то помехи на выходе на частоте около 300 МГц.
Похоже тут никому это не интересно и я вообще зря здесь пишу.
Аноним 18/02/18 Вск 14:32:13  312974
>>312973
>>312973
>Еще обнаружились какие-то помехи на выходе на частоте около 300 МГц.
Уровень?
Чем мерял
Аноним 18/02/18 Вск 17:04:37  312979
>>312973
>Похоже тут никому это не интересно и я вообще зря здесь пишу.
Ты главное пиши, а насчет нужности мы разберемся.
Аноним 18/02/18 Вск 20:29:34  312991
>>312973
Да ты охуел, я постоянно чекаю тред на апдейты, с интересом ожидая твои отчеты. А то что ничего не пишу, так просто нечего, мой уровень недостаточно крут для такого, приборов имею минимум. Плюс хроническая лень. Так что советов дать не могу. Но идеей генератора с подстройкой по gps проникся, интересно что из этого получится.
Могу лишь сказать СПАСИБО, что делишься инфой. Так что продолжай, если не западло.
Аноним 20/02/18 Втр 21:53:51  313259
>>312991
Ну, нормального результата я пока не получил, хотя для моих текущих целей полученного результата хватает с запасом. Проще было на ебее купить нормальный б/у GPSDO. Или рубидиевый стандарт частоты, хотя его тоже пришлось бы подстраивать. Можно было еще взять модуль LEA-M8F, который "time & frequency reference".
>мой уровень недостаточно крут для такого, приборов имею минимум.
Приборы не особо нужны, долговременную стабильность можно оценить с одним мультиметром. Схему тоже можно было намного проще сделать, я столько всего поставил только для макетирования.

Интересно, а многие тут понимают зачем нужны подобные генераторы?
Аноним 20/02/18 Втр 23:12:21  313266
>>313259
>Интересно, а многие тут понимают зачем нужны подобные генераторы?
Практически единственный доступный для махарайщиков стабильный референс частоты, бесплатный, не требующий дорогих поверок и прочей хуеты? Самопальные частотомеры и генераторы строить. Ну и часики.
Аноним 23/02/18 Птн 11:09:40  313455
>>313266
Для частотомера с OCXO нет нужды в дорогих поверках - его можно откалибровать от GPS-модуля без ничего, GPSDO для этого не нужен. Обычно у OCXO уход частоты от старения до 10...100ppb за год, зачем может понадобиться большая точность? Для часов GPSDO тем более не нужен.
Аноним 23/02/18 Птн 19:48:00  313546
>>313455
Так в том и суть, бро, OCXO не на всякой мусорке найдешь, а новый - дорого, самодельный - сложно сделать годноту с высокой стабильностью, не каждый осилит. Куда проще и доступнее замутить частотомер с TCXO из мусора, а то и вовсе с простым кварцем, и пусть хоть каждый раз калибруется от GPS. Ну, и можно вообще использовать чисто сам сигнал с модуля, без внешних генераторов вообще. Но стабильно работать такой частотомер сможет лишь у окна и на улице, лол.
Аноним 23/02/18 Птн 22:55:50  313588
>>313546
>OCXO не на всякой мусорке найдешь
А в портативных радейках качественные кварцы?
Аноним 23/02/18 Птн 23:50:18  313597
>>313546
Но GPSDO обеспечивает 0,01...1 ppb. Зачем нужна такая точность? Какой практический смысл от такой точности?

>новый - дорого
На ебее продают б/у за 1000 рублей. У нас довольно много гиацинтов продают.
>Ну, и можно вообще использовать чисто сам сигнал с модуля, без внешних генераторов вообще.
Можно, но для достижения точности сравнимой с GPSDO, придется усреднять в течении десятков минут.
>Но стабильно работать такой частотомер сможет лишь у окна и на улице
Автомобильная GPS антенна с удлинителем решает такие проблемы. Китайцы продают такие антенны с МШУ по 300 рублей.

>>313588
Там не может быть ничего лучше TCXO, у которых уход частоты от старения около 1 ppm/год.
Аноним 27/02/18 Втр 07:44:03  314014
>>311133
>>311524
Анон, а ты знал, что в лабе за 3 млн баксов стоит гпс + рубидий?
https://www.youtube.com/watch?v=G3QK31zotoQ
Аноним 22/03/18 Чтв 22:43:15  316890
Screen0010.png (80Кб, 1032x776)
>>312974
Как-то так. Только сегодня как следует посмотрел, до этого прибор был в поверке, а потом не до этого было.
Аноним 15/06/18 Птн 07:11:36  326898
>>213102 (OP)
А тут любитель галок обитал? Как мне наебнуть по чайнику галку пятый день стучащую мне в окно в 3:23 утра? Как ее приманить? Кар-кар-кар?
Аноним 15/06/18 Птн 10:44:53  326908
>>326898
За Галю тебя Сергей Сергеич отпиздит.


Топ тредов
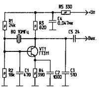
Избранное